BIS_PRI (663624), страница 2
Текст из файла (страница 2)
Рис. 6.8. Принципиальная схема приемника циклового и
сверхциклового синхронизма.
6.2.2. РАЗРАБОТКА ПРИНЦИПИАЛЬНОЙ СХЕМЫ
КОММУТАЦИОННОГО ЭЛЕМЕНТА
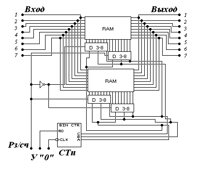
Принципиальная схема КОММУТАЦИОННОГО ЭЛЕМЕНТА также строится на основе функциональной схемы, но в данном случае необходимо рассмотреть соединение ячеек памяти, входящих в состав двух ОЗУ (запоминающего устройства адреса и информационного запоминающего устройства).
В
запоминающем устройстве адреса, как следует из описания структурной схемы запись и считывание производятся словами по 6 бит, следовательно, необходимо объединить входы и выходы ячеек, расположенных в одной строке, а адресные входы необходимо объединить у ячеек, расположенных в одном столбце (см. рис. 6.9).
Рис. 6.9. Принципиальная схема запоминающего устройства адреса.
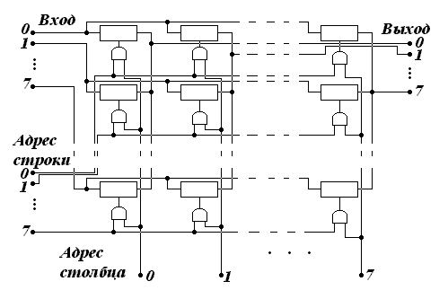
В информационном запоминающем устройстве запись производится побитно, а считывание словарно (по 8 бит), для этого необходимо объединить входы всех ячеек, а выходы ячеек объединить по строкам , при этом необходимо к каждому адресному входу подключит элемент И, который и позволит выбрать именно ту ячейку памяти, которую и необходимо (см. рис. 6.10 ). При таком построении запоминающего устройства адрес строки и адрес столбца должны задаваться для каждой ячейки отдельно.
Рис. 6.10. Принципиальная схема запоминающего устройства
коммутации.
Дальнейшая разработка принципиальной схемы КОММУТАЦИОННОГО ЭЛЕМЕНТА сводится к подстановке разработанных библиотечных элементов в соответствии с функциональной схемой данного блока. Запоминающие устройства на принципиальной схеме блока представлены в виде отдельных элементов. Разработка принципиальной схемы велась при помощи программы схемотехнического моделирования, и все элементы данного устройства представлены в стандарте ANSI.
В запоминающем устройстве коммутации при записи и считывании информация представляется в разной форме (при записи побитно, а при считывании словарно) и поэтому дешифратор строк при считывании информации необходимо отключить.
6.2.3. ПРИНЦИПИАЛЬНАЯ СХЕМА БЛОКА ФОРМИРОВАНИЯ
ИСХОДЯЩИХ КАНАЛОВ
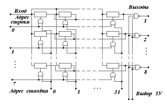
Разработка принципиальной схемы БЛОКА ФОРМИРОВАНИЯ ИСХОДЯЩИХ КАНАЛОВ, не отличается от разработки предыдущих принципиальных схем. Рассмотрим принцип работы запоминающего устройства. При записи запоминающее устройство воспринимает информацию словарно по 8 бит, и записывает ее в соответствующий столбец (для этого необходимо объединить входы элементов входящих в одну строку), а считывание информации происходит из соответствующей строки (для этого необходимо объединить элементы, входящие в один столбец) (см. рис. 6.11)
Рис. 6.11. Принципиальная схема запоминающего устройства.
Д
ля построения принципиальной схемы всего блока, также была использована программа схемотехнического работающая в стандарте ANSI. Принципиальная схема блока представлена на рисунке 6.12.
Рис. 6.12. Принципиальная схема блока формирования исходящих каналов.
















