26249-1 (663097)
Текст из файла
Министерство Науки и Высшего образования
Республики Казахстан
Республиканское государственное казенное предприятие
Восточно-Казахстанский государственный университет
Кафедра прикладной механики
Реферат на тему:
«Электронные ключи»
Выполнил:
студент группы 4Ж
Антонов А.И.
Усть-Каменогорск
1999 г.
Оглавление.
1. КЛЮЧЕВОЙ РЕЖИМ РАБОТЫ ЭЛЕКТРОННОЙ ЛАМПЫ
2. СТАТИЧЕСКИЕ РЕЖИМЫ РАБОТЫ ТРАНЗИСТОРНОГО КЛЮЧА
3. ВКЛЮЧЕНИЕ ТРАНЗИСТОРНОГО КЛЮЧА
4. ВЫКЛЮЧЕНИЕ ТРАНЗИСТОРНОГО КЛЮЧА
5. Список литературы
ЭЛЕКТРОННЫЕ КЛЮЧИ
При работе в импульсных схемах электронные приборы (лампы, транзисторы, тиристоры и др ) имеют два рабочих состояния. В одном из них электронный прибор закрыт, ток через него практически не проходит и его внутреннее сопротивление Ri велико; в другом состоянии прибор открыт, ток в выходной цепи имеет заданное значение, а внутреннее сопротивление мало. Переход из одного состояния в другое сопровождается переходным процессом, время которого определяет длительность фронта и среза импульса. Такой режим работы электронного прибора называется ключевым.
1. КЛЮЧЕВОЙ РЕЖИМ РАБОТЫ ЭЛЕКТРОННОЙ ЛАМПЫ
Когда коммутируемая импульсная мощность не превышает десятков ватт, в качестве ключевых элементов используются транзисторы.
В мощных генераторах импульсов применяют специальные импульсные модуляторные лампы. Двум рабочим состояниям
Рис. 7.1. Анодно-сеточная и сечочная характеристики лампы.
Рис. 7.2. Схема ключа на электронной лампе.
электронной лампы соответствуют определенные положения рабочей точки на анодно-сеточной характеристике (рис. 7.1). Лампа закрыта (режим отсечки), когда напряжение на сетке uсет меньше порогового Uпор и рабочая точка (точка А) находится на горизонтальном участке характеристики. Анодный и сеточный токи лампы при этом практически равны нулю. Когда uсет > Uпор, лампа открыта. В анодной цепи протекает ток Ia, а если при этом напряжение на сетке положительное, то имеет место сеточный ток Iсет (точка В). Участок характеристики между этими двумя точками нельзя аппроксимировать отрезком прямой линии.
Таким образом, электронная лампа в ключевом режиме ведет себя как существенно нелинейный элемент. Естественно, что при анализе импульсных схем необходимо учитывать эту нелинейность.
Чтобы, с одной стороны, учесть нелинейность электронных приборов, а с другой — не усложнять расчет, используют искусственный прием расчета импульсных схем. Сущность его состоит в том, что рассматривают процессы в схеме для двух состояний электронного прибора: открытого и закрытого, который представляется соответствующими эквивалентными параметрами. Вид анодно-сеточной характеристики электронной лампы (ее нелинейность) не имеет существенного значения, поскольку закон изменения напряжения или тока при формировании фронта и среза импульса не является главным. Определяющей является длительность переходного процесса, которая должна быть минимальной.
В режиме отсечки участки схемы, к которым подключены сетка и анод лампы (рис. 7.2), представляются разомкнутыми. В открытом состоянии анодная цепь заменяется эквивалентным резистором, сеточная цепь также представляется эквивалентным резистором.
Длительность перехода лампы из открытого состояния в закрытое и обратного перехода определяется временем изменения напряжения на электродах, которое в основном зависит от постоянной времени цепей перезарядки межэлектродных емкостей. Инерционность электронного потока лампы при анализе переходного процесса обычно не учитывают, так как время пролета электронами между электродного пространства составляет доли наносекунды. Поскольку длительность фронта и среза импульсов, генерируемых схемами с модуляторными лампами, гораздо больше этого времени, такое допущение правомерно.
2. СТАТИЧЕСКИЕ РЕЖИМЫ РАБОТЫ ТРАНЗИСТОРНОГО КЛЮЧА
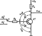
Рис. 7.3. Схема транзисторного ключа с общим эмиттером
В силу ряда неоспоримых преимуществ (отсутствие накала, малые габариты, малая потребляемая мощность, высокая надежность) транзисторы полностью заменили электронные лампы в маломощных импульсных схемах. Более того, использование транзисторов позволило создать такие схемы, реализация которых с помощью ламп принципиально невозможна. В импульсных схемах используются германиевые и кремниевые, биполярные и полевые транзисторы. В дальнейшем будем рассматривать схемы на кремниевых транзисторах n-p-n-типа, поскольку они наиболее широко применяются.
В большинстве случаев используют транзисторный ключ с общим эмиттером (ОЭ), в котором нагрузочный резистор включен в коллекторную цепь (рис. 7.3). (Если в схеме используется
не п-р-п-, а p-n-p-транзистор, то на коллектор подается отрицательное напряжение.) Напряжения и токи, соответствующие закрытому и открытому состояниям транзистора, могут быть определены с помощью входных и выходных статических характеристик транзистора, включенного по схеме ОЭ (рис. 7.4).
Режим отсечки. Закрытому состоянию транзистора соответствует режим отсечки, при котором на коллекторном и эмиттер-ном переходах действуют обратные напряжения. Через переходы проходят токи, обусловленные процессами тепловой генерации носителей заряда в объеме полупроводника. При включении
транзистора по схеме ОЭ в режиме отсечки в коллекторной цепи протекает ток, близкий обратному току коллекторного перехода. Этот ток закрытого кремниевого транзистора ничтожно мал (менее 1 нА), поэтому его обычно в расчетах не учитывают и
uкэ
в)
uбэ
а)
Рис. 7.4. Входная (а) и выходная (в) характеристики транзисторного ключа ОЭ
входное и выходное сопротивления закрытого кремниевого транзистора, определяемые сопротивлениями обратносмещенных коллекторного и эмиттерного переходов, при расчетах принимают бесконечно большими.
Ток коллекторного перехода закрытого германиевого транзистора на несколько порядков больше, чем ток кремниевого. Поэтому при анализе импульсных схем с германиевыми транзисторами его учитывают и транзистор в режиме отсечки представляют источником тока, действующим в цепи коллектор — база.
Прямые ветви входных статических характеристик в первом приближении представляются экспоненциальной зависимостью тока базы от напряжения база — эмиттер. Следовательно, сколь угодно малое увеличение напряжения uбэ приводит к росту Iб. Однако ток базы становится заметным лишь при определенном значении и uбэ = Uотп. Поэтому при расчетах импульсных схем удобно пользоваться напряжением отпирания (открывания) Uотп.
Режиму отсечки соответствует точка А на статических характеристиках транзистора.
Режим насыщения. Транзистор открывается, когда на вход подается положительное напряжение, и при условии uбэ > Uотп. коллекторный и базовый токи увеличиваются. По мере нарастания тока базы растет коллекторный ток и уменьшается коллекторное напряжение uкэ за счет падения напряжения на резисторе а также уменьшается обратное напряжение, приложенное к коллекторному переходу.
Пока при увеличении тока на коллекторном переходе имеется обратное напряжение, транзистор находится в активном режиме и имеет место следующее соотношение между токами:
При некотором значении базового тока напряжение на коллекторном переходе становится равным нулю и дальнейшее увеличение тока Iб, а следовательно, и тока Iк приводит к появлению прямого напряжения на коллекторном переходе, т. е. потенциал базы относительно коллектора становится положительным. В прямом направлении оказывается включенным не только эмиттерный, но и коллекторный переход. Это приводит к тому, что не все носители, инжектированные эмиттером и дошедшие до коллекторного перехода, перехватываются им. Навстречу потоку неосновных носителей, идущих из базы в коллектор, движется поток таких же носителей из коллектора в базу, и суммарный их ток определяется разностью этих потоков. В результате коллекторный ток при дальнейшем увеличении тока базы перестает расти. Транзистор переходит в режим насыщения, который характеризуется постоянством тока коллектора В связи с тем что в режиме насыщения коллекторный переход не осуществляет полной экстракции носителей из базы, там происходит их накопление и интенсивная рекомбинация и пропорциональная зависимость между токами Iб и Iк не выполняется.
Напряжения на коллекторе и базе насыщенного транзистора остаются практически постоянными.
Токи, протекающие во внешней цепи транзистора в насыщении, определяются следующими соотношениями:
где UБ+, UП - напряжения источников питания базы и коллектора.
Как видно, токи транзисторного ключа в режиме насыщения определяются внешними параметрами схемы и практически не зависят от характеристик-транзистора. Режиму насыщения соответствует точка В на статических характеристиках.
Режим насыщения кремниевого транзистора определяется условием uкб = -Uотп При заданных коллекторном и базовом токах удобным для расчетов является критерий насыщенного состояния по току. Его можно установить, рассуждая так. Пропорциональная зависимость между токами Iб и Iк , справедливая для активного режима, сохраняется вплоть до отпирания коллекторного перехода. Следовательно, на границе активного режима и режима насыщения также имеет место соотношение
где Iб гр - базовый ток, при котором транзистор входит в режим насыщения. Как было отмечено, дальнейшее увеличение базового тока не приводит к росту коллекторного тока. Таким образом, критерий насыщенного состояния транзистора можно записать в виде
Если в соотношение (7.1) подставить выражения для токов получим:
В реальных условиях работы транзисторного ключа напряжения источников питания могут изменяться, имеет место также разброс сопротивлений резисторов и коэффициента передачи тока h21э. Это может привести к невыполнению неравенства (7.1), выходу транзистора из режима насыщения и соответственно к изменению коллекторного тока и выходного напряжения. Для обеспечения устойчивого режима работы транзисторного ключа параметры его рассчитывают таким образом, чтобы неравенство (7.1) выполнялось при изменениях в некоторых пределах входящих в него величин.
Помехоустойчивость транзисторного ключа тем больше, чем выше коэффициент насыщения:
Характеристики
Тип файла документ
Документы такого типа открываются такими программами, как Microsoft Office Word на компьютерах Windows, Apple Pages на компьютерах Mac, Open Office - бесплатная альтернатива на различных платформах, в том числе Linux. Наиболее простым и современным решением будут Google документы, так как открываются онлайн без скачивания прямо в браузере на любой платформе. Существуют российские качественные аналоги, например от Яндекса.
Будьте внимательны на мобильных устройствах, так как там используются упрощённый функционал даже в официальном приложении от Microsoft, поэтому для просмотра скачивайте PDF-версию. А если нужно редактировать файл, то используйте оригинальный файл.
Файлы такого типа обычно разбиты на страницы, а текст может быть форматированным (жирный, курсив, выбор шрифта, таблицы и т.п.), а также в него можно добавлять изображения. Формат идеально подходит для рефератов, докладов и РПЗ курсовых проектов, которые необходимо распечатать. Кстати перед печатью также сохраняйте файл в PDF, так как принтер может начудить со шрифтами.















