526 (641989)
Текст из файла
34
Содержание
страница
-
Лабораторная работа №1 «Испытание двух срезного соединения на стальных цилиндрических нагелях 2
-
Лабораторная работа №2 «Испытание соединения на гвоздях» 9
-
Лабораторная работа №3 «Испытание треугольной брусчатой фермы на лобовых врубках» 16
-
Лабораторная работа №4 «Испытание клееной деревянной балки прямоугольного сечения на поперечный изгиб» 23
-
Лабораторная работа №5 «Испытание металлодеревянной фермы» 31
-
Список литературы 38
Лабораторная работа № 1.
ИСПЫТАНИЕ ДВУХСРЕЗНОГО СОЕДИНЕНИЯ НА СТАЛЬНЫХ ЦИЛИНДРИЧЕСКИХ НАГЕЛЯХ.
Цель работы: изучение работы стыка на стальных нагелях.
Задачи: определить разрушающую нагрузку, построить график зависимости между нагрузкой и деформацией сдвига соединения, определить деформацию соединения при расчетной несущей способности и нагрузку, соответствующую предельному состоянию образца.
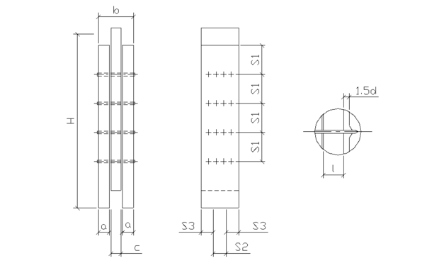
I. Установление фактических размеров образца.
Рис. 1. Конструкция соединения на цилиндрических нагелях.
Согласно СНиП II-В.4-71* п. для стальных нагелей необходимо соблюдать следующие условия:
;
;
.
Исходные данные: H=350мм; S1=70мм;
а=24мм; S1=70мм;
с=24мм; S2=38мм;
в=65мм; S3=28мм;
диаметр нагеля 10мм.
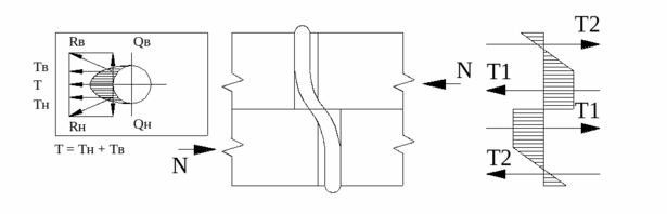
2. Схема загружения образца и расстановка приборов.
Для измерения деформаций сдвига в швах на образце устанавливают два индикатора которые закрепляют на крайних досках таким образом, чтобы сток индикатора упирался в уголок, прикрепленный к средней доске.
Рис. 2. Схема загружения образца и расстановки приборов.
1 – индикаторы; 2 – уголки; 3 – шурупы.
3. Определение расчетной несущей способности образца.
Расчетную несущую способность нагельного соединения определяют по формуле:
где m - количество нагелей;
nср - количество "срезов" одного нагеля;
Tмин - наименьшая несущая способность одного "среза" нагеля, определяемая из трех условий:
а
) из условия смятия древесины крайнего элемента
б
) из условия смятия древесины среднего элемента
Расчетная несущая способность нагельного соединения равна:
Поскольку испытание нагельного соединения проводят кратковременной нагрузкой, то фактическую несущую способность образца необходимо определять с учетом коэффициента Кдл:
К
дл=0,67-усредненное значение коэффициента, учитывающего снижение прочности древесины при длительном действии нагрузки.
Таблица 1.
5. Обработка результатов испытаний
После окончания испытания по данным табл.1 строят зависимости перемещений нагельного соединения от нагрузки.
Рис. 3. График зависимости деформаций сдвига нагельного соединения от нагрузки
6
.Сравнение теоретических и экспериментальных величин и анализ результатов испытания.
Результаты испытаний сопоставляют с теоретическими значениями.
ВЫВОД: Экспериментальная величина нагрузки вызывающая разрушение превышает расчетную в 3.46 раза, вследствие в рассчитываемой конструкции создается запас прочности.
Контрольные вопросы
-
Что называется нагелем? Из каких материалов и какой формы могут изготавливаться нагеля?
Нагелем называется гибкий стержень, соединяющий элементы деревянных конструкций и препятствует их взаимному сдвигу, а сам работает на изгиб.
Цилиндрические нагеля изготавливают из гладких стержней круглого сечения из стали, сплавов, твердых пород древесины, пластмасс.
на цилиндрических нагелях на пластмассовых нагелях
Рис. 4.
-
Какими приборами измеряется деформация сдвига в соединении?
Индикаторами часового типа с ценой деления 0,01мм.
-
Из каких условий определяют расчетную несущую способность соединения?
-
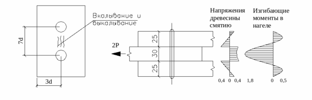
Из условия смятия древесины крайнего элемента Та=0,8аd;
-
Из условия смятия среднего элемента Тс=0,5сd;
-
Из условия изгиба нагеля Тн=1,8d2+0.02a22.5d2
Рис. 5.1.
-
Почему рекомендуется размещать цилиндрические нагеля в четное количество рядов?
Т.к. при нечетном числе рядов средний, оказывается по оси доски в зоне наиболее возможного появления продольных трещин в результате усушки древесины.
-
Чем объясняется расхождение между опытными и теоретическими величинами?
Т.к. древесина анизотропная и имеет пороки, а теоретические данные получены для идеализированного материала.
-
Почему термин «срез» нагеля является условным?
Потому что в работе использовались металлические нагели, и древесина не может срезать нагель (разные модули упругости). Нагель изгибается, а древесина сминается.
Лабораторная работа №2
ИСПЫТАНИЕ СОЕДИНЕНИЯ НА ГВОЗДЯХ.
Цель работы: изучение работы стыка на гвоздях.
Задачи: определить разрушающую нагрузку, построить график зависимости между нагрузкой и деформацией сдвига соединения, определить деформацию соединения при расчетной несущей способности и нагрузку, соответствующую предельному состоянию образца.
-
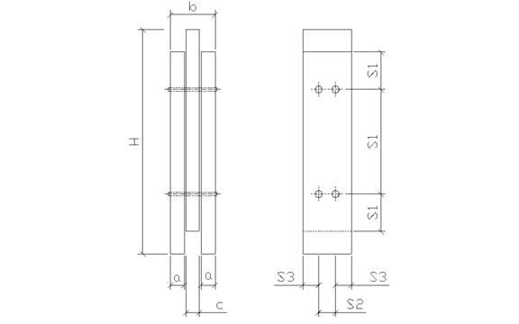
Установление фактических размеров образца
Рис. 6. Конструкция соединения на гвоздях.
Согласно СНиП II-В.4-71* п. для соединений на гвоздях необходимо соблюдать следующие условия:
;
;
.
Исходные данные: H=375мм; S1=60мм;
а=20мм; S1=59мм;
с=26мм; S2=16мм;
в=65мм; S3=16мм;
диаметр гвоздя 2,5мм.
-
Схема загружения образца и расстановки приборов
Рис. 7. Схема загружения образца и расстановки приборов.
1 – индикатор; 2 – уголок; 3 – шурупы.
-
Определение расчетной несущей способности образца
Расчетную несущую способность гвоздевого соединения определяют по формуле:
где m – количество гвоздей в соединении;
nср – количество «срезов» одного гвоздя;
Tмин – наименьшая несущая способность одного «среза» гвоздя, определяемая из следующих условий:
а
) из условия смятия древесины в крайних элементах:
б
) из условия смятия древесины в среднем элементе:
Расчетная несущая способность гвоздевого равна:
Поскольку испытание соединения проводят кратковременной нагрузкой, то фактическую несущую способность образца необходимо определять с учетом коэффициента Кдл:
Кдл=0,67-усредненное значение коэффициента, учитывающего снижение прочности древесины при длительном действии нагрузки.
Таблица 2
-
Обработка результатов испытаний
П
осле окончания испытания по данным табл. 2 строят зависимости перемещений гвоздевого соединения от нагрузки.
-
Сравнение теоретических и экспериментальных величин и анализ результатов испытания.
Результаты испытаний сопоставляют с теоретическими значениями.
ВЫВОД: Экспериментальная величина нагрузки вызывающая разрушение превышает расчетную в 2.93 раза, вследствие в рассчитываемой конструкции создается запас прочности.
Контрольные вопросы
-
Какие существуют способы размещения гвоздей?
-
прямая расстановка;
-
шахматная расстановка;
-
в стальных накладках;
-
в соединениях под углом;
-
симметричное двухсрезное;
-
не симметричное односрезное.
-
Как определяется минимальное расстояние между гвоздями вдоль волокон древесины?
Расстояние между осями гвоздей диаметром d вдоль волокон древесины соединяемых элементов должно быть не менее: от торцов – 15d, между осями в элементах толщиной, равной и большей 10d – 15d, между осями в элементах толщиной 4d – 25d, а в элементах промежуточной толщины, то расстояние принимается по интерполяции. При шахматной и косой расстановке не менее 3d.
-
И
з каких условий определяют расчетную несущую способность соединения на гвоздях?
а) из условия смятия древесины в крайних элементах:
б) из условия смятия древесины в среднем элементе:
в) из условия изгиба гвоздя: -
Как определить минимальную длину гвоздя в двухсрезном соединении при толщине крайних элементов «а», среднего – «с»?
При определении расчетной длины защемления конца гвоздя заостренную часть гвоздя длинной 1,5d не учитывают; кроме того, из длинны гвоздя, вычитывают по 2 мм на каждый шов между соединяемыми элементами. Если расчетная длина защемления конца гвоздя получается меньше чем 4d, работу конца гвоздя не учитывают и количество «срезов» гвоздя будет меньшим. При свободном выходе гвоздя из пакета расчетную толщину последнего элемента необходимо уменьшить на 1,5d вследствие отщепления слоя доски толщиной 1,5d.
Рис. 9.
Забивка глухая; забивка сквозная.
1 – рабочая высота гвоздя
1=гв-(а+с+2х0,2+1,5d). 1=а-1,5d
-
Как назначается величина ступени нагружения при испытании образца?
Образец испытывают на сжатие на испытательной машине или прессе. Для ликвидации рыхлых деформаций образец предварительно загружают нагрузкой в 1 кН (100 кгс), принимаемой в дальнейшем за условный ноль. Последующие нагружения производят ступенями 2-3 кН (200-300 кгс) с постоянной скоростью, равной примерно 300 Н/сек (30 кгс/сек). Отсчеты по приборам снимают на всех этапах загружения и заносят в журнал испытаний.
-
Чем можно объяснить расхождение между опытными и теоретическими величинами?
Т.к. древесина анизотропная и имеет пороки, а теоретические данные получены для идеализированного материала.
-
Чем обусловлено предельное состояние гвоздевых соединений?
Обусловлено смятием древесины и изгибом гвоздя.
Характеристики
Тип файла документ
Документы такого типа открываются такими программами, как Microsoft Office Word на компьютерах Windows, Apple Pages на компьютерах Mac, Open Office - бесплатная альтернатива на различных платформах, в том числе Linux. Наиболее простым и современным решением будут Google документы, так как открываются онлайн без скачивания прямо в браузере на любой платформе. Существуют российские качественные аналоги, например от Яндекса.
Будьте внимательны на мобильных устройствах, так как там используются упрощённый функционал даже в официальном приложении от Microsoft, поэтому для просмотра скачивайте PDF-версию. А если нужно редактировать файл, то используйте оригинальный файл.
Файлы такого типа обычно разбиты на страницы, а текст может быть форматированным (жирный, курсив, выбор шрифта, таблицы и т.п.), а также в него можно добавлять изображения. Формат идеально подходит для рефератов, докладов и РПЗ курсовых проектов, которые необходимо распечатать. Кстати перед печатью также сохраняйте файл в PDF, так как принтер может начудить со шрифтами.















