526 (641989), страница 2
Текст из файла (страница 2)
Лабораторная работа №3
Испытание треугольной брусчатой фермы на лобовых врубках.
Цель работы: изучение работы опорного узла фермы.
Задачи: определить расчетную нагрузку на образец и сопоставить ее с разрушающей, построить график зависимости деформации смятия врубки при расчетной нагрузке, вычислить значения нормальных напряжений в ослабленном и неослабленном сечениях нижнего пояса фермы при действии расчетной нагрузки.
-
Установление фактических размеров образца
Рис. 10. Конструкция треугольной фермы на лобовых врубках:
1 – горизонтальный брус нижнего пояса; 2 – наклонный брус верхнего пояса; 3 – клиновидный брус; 4 – временные монтажные деревянные планки.
Исходные данные: H=235мм; =692мм; hв =67 мм.
ск=183мм; Lн=928мм;
hвр=22мм; b=44мм;
Lв=65мм; hв=16мм;
-
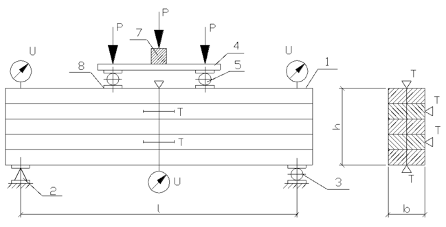
Схема загружения образца и расстановки приборов
Ферма– образец устанавливается на траверсу испытательной машины или пресса и производится прижатие клиновидного бруса. Центрирование опорных узлов образца производится по ослабленному сечению. Это достигается установкой неподвижной и подвижной опор в местах пересечения оси наклонного элемента и оси нижнего горизонтального элемента, проходящего через ослабленное сечение.
Рис. 11. Схема загружения образца и расстановки приборов:
1 – индикаторы; 2 – уголок; 3 – шурупы; 4 – неподвижная опора; 5 – подвижная (катковая) опора.
-
Определение расчетной несущей способности образца
E=10000 МПа E90=400Мпа
Rсм = 13 МПа – расчетное сопротивление смятию вдоль волокон (СниП II-25-80 табл.3 п.1а гр.1);
Rсм90 = 3 МПа – расчетное сопротивление смятию поперек волокон (СниП II-25-80 табл.3 п.4а гр.2);
Rсм = 8.21 МПа – расчетное сопротивление смятию под углом =340;
Rск = 2.1 МПа – максимальное расчетное сопротивление скалыванию вдоль волокон(СниП II-25-80 табл.3 п.1а гр.1);
Rскср = среднее расчетное сопротивление скалыванию вдоль волокон.
—среднее расчетное сопротивление смятию вдоль волокон
=0,25—эмпирический коэффициент при одностороннем скалывании;
lск—длина площадки скалывания;
l—плечо пары скалывающих сил .
Усилия, действующее в лобовой врубке, и эпюры скалывающих напряжений по длине площадки скалывания
Рис. 12. Усилия, действующие в лобовой врубке, и эпюра скалывающих напряжений по длине площадки скалывания.
Материал – сосна 2 сорт.
Расчетную нагрузку на образец Р определяют по расчетной несущей способности элементов и соединений фермы:
а) из условия скалывания врубки
б) из условия смятия врубки
в) из условия разрыва нижнего элемента в ослабленном сечении
При разрыве в ослабленном сечении Р определяется из формулы внецентренного растяжения:
Rp=7 МПа —расчетное сопротивление растяжению вдоль волокон
— момент сопротивления поперечного сечения нижнего пояса фермы.
г) из условия потери устойчивости наклонного сечения:
Kоднор- коэффициент однородности материала (при скалывании 0.7 и 0.27 при растяжении)
Табл. 3
5. Обработка результатов испытания
Рис. 13. График зависимости смятия врубки от нагрузки.
По показателям индикаторов вычисляем нормальные напряжения в сечениях нижнего пояса при расчетной нагрузке.
Рис. 14. Эпюры нормальных напряжений в ослабленном и неослабленных сечениях нижнего пояса.
-
Сравнение теоретических и экспериментальных величин и анализ результатов испытания.
см.теор=1,5 мм (табл. 15 п.4.3. СНиП II-25-80).
ВЫВОД: Разрушающая сила превышает теоретическую разрушающую силу в 2,5 раза, что создает запас прочности во время эксплуатации конструкции.
Контрольные вопросы
, где
– высота растянутого элемента
не более 10 глубин врезки в элемент
-
Как необходимо центрировать лобовые врубки с одним зубом?
Центрирование опорных узлов образца производится по ослабленному сечению. Это достигается установкой неподвижной и подвижной опор в местах пересечения оси наклонного элемента и оси нижнего горизонтального элемента, проходящего через ослабленное сечение.
-
Чему равняется предельная деформация смятия в лобовой врубке?
-
Из каких условий определяют расчетную несущую способность лобовой врубки?
а) из условия скалывания врубки:
в) из условия разрыва нижнего элемента в ослабленном сечении:
г) из условия потери устойчивости наклонного элемента:
5. Как определить среднее скалывающее напряжении, действующего по длине площадки скалывания?
где Rск — максимальное расчетное сопротивление скалыванию вдоль волокон, МПа;
=0,25—эмпирический коэффициент при одностороннем скалывании;
lск—длина площадки скалывания;
l—плечо пары скалывающих сил .
6. Для чего нужны в опорном узле аварийный болт, подферменная подкладка, опорная подушка?
Аварийный болт обеспечивает безопастность. Подферменная подкладка и опорная подушка для равномерной передачи нагрузки, чтобы исключить смятие дерева.
7.Причины расхождения между опытными и теоретическими величинами?
Теоретические —идеализированные. В опытных — анизотропность свойств древесины, пороки.
Лабораторная работа № 4
Испытание клееной деревянной балки прямоугольного сечения на поперечный изгиб.
Цель работы: изучение работы клеедощатой балки.
Задачи: определить расчетную нагрузку на балку и сравнить ее с расчетной, определить модуль упругости клееной древесины, определить величины и характер распределения нормальных напряжений по высоте поперечного сечения балки, построить теоретический и экспериментальный графики прогибов балки.
-
УСТАНОВЛЕНИЕ ФАКТИЧЕСКИХ РАЗМЕРОВ ОБРАЗЦА
Р
ис. 15. Клеедощатая балка прямоугольного поперечного сечения.
Исходные данные: l = 1950 мм;
h = 158 мм;
b = 50 мм.
-
СХЕМА ЗАГРУЖЕНИЯ ОБРАЗЦА И РАССТАНОВКИ ПРИБОРОВ
Рис. 16. Схема загружения балки и расстановки приборов:
1– клеедощатая балка; 2– неподвижная опора; 3– подвижная опора; 4–распределительная траверса; 5– стальной валик; 6– металлическая накладка; 7– нагруженная траверса.
-
ОПРЕДЕЛЕНИЕ РАСЧЕТНОЙ НАГРУЗКИ НА БАЛКУ
Расчетная нагрузка Р определяется исходя из расчетной несущей способности балки или достижения ею предельного прогиба.
а) из условия обеспечения прочности от действия нормальных напряжений
где:
kHм – расчетный изгибающий момент, Н
м (кгс
см)
– момент сопротивления поперечного сечения;
– расчетное сопротивление древесины изгибу, МПа (
) (
=13 МПа)
б) из условия обеспечения прочности клеевого шва от действия касательных напряжений
где: Q = P / 2=13.27/2=6.64, Н (кгс);
Sбр = bh2 / 8=0.050.1582 /8=156.03 см3;
Jбр = bh3 / 12=515,83/12=1643,46 см4;
bрасч = bK – при расчете на скалывание по клеевому шву, где К=0.6 – коэффициент непроклея, принимаемый по действующим нормам.
После подстановки получим:
bрасч = bK=0.65=3 см
Rck=2.1 MПА
в) из условия достижения предельного прогиба
где Pn=Р/n ;( n=1.2 – усредненный коэф. надежности);
Е =104 МПа– модуль упругости древесины..
После преобразования получаем:
-
ИСПЫТАНИЕ БАЛКИ
Прибор: АИД – 2М с компенсирующим устройством с выходом шкалы С*10-5
-
ОБРАБОТКА РЕЗУЛЬТАТОВ ИСПЫТАНИЯ
Рис. 17. Эпюра напряжений по высоте сечения балки:
-
СРАВНЕНИЕ ТЕОРЕТИЧЕСКИХ И ЭКСПЕРЕМЕНТАЛЬНЫХ ВЕЛИЧИН И АНАЛИЗ РЕЗУЛЬТАТОВ ИСПЫТАНИЙ
Рис.18 График прогибов балки
ВЫВОД: Экспериментальная величина прогиба значительно меньше расчетной величины в следствие в рассматриваемых конструкциях создается запас прочности (Кзапаса=0,9).
Контрольные вопросы
-
Какие требования предъявляют к древесине и клею при склеивании ?
Влажность древесины 9–12%. Не должно быть мелких пороков как сучки, косослой, гниль. Не должно быть дефектов обработки как корабление и трещины, склеиваемые поверхности должны быть свеже отфрезерованными, очищенными и плотно прилегать одна к другой.
Клеи должны быть прочными, водостойкими, долговечными, технологичными. К основным технологическим показателям клея относятся вязкость и жизнеспособность.
-
Какой метод принят для расчета деревянных конструкций, его сущность ?
Расчет по предельным состояниям. Предельным называется такое состояние конструкций за пределами которого дальнейшая эксплуотация не возможна. Два вида предельных состояний: 1)по несущей способности (прочности, устойчивости), 2) по деформациям (прогибам, перемещениям). Расчет по первому предельному состоянию производится на расчетные нагрузки, а по второму– на нормативные.
-
Как определить модуль упругости клееной древесины при изгиде?















