124538 (631328), страница 3
Текст из файла (страница 3)
где v – скорость резания, м/мин; D – диаметр заготовки (инструмента) в мм.
5) Рассчитываем координатные составляющие усилия резания по формулам вида:
,
значения кроме t и S выбираем из справочных таблиц.
6) Проводим проверку режима резания по силовым и мощностным характеристикам станка. Для этого сравниваем полученное значение координатной составляющей Рx усилия резания, действующей в направлении подачи, с допустимым усилием воздействия на механизм подачи Рxдоп.
Мощность резания:
Ne=
, кВт или по иным зависимостям с проверкой
Ne≤ Nдвη,
где Nдв – мощность двигателя привода главного движения станка, η – КПД привода.
В случае, если приведенные соотношения не выдерживаются, необходимо скорректировать выбранные значения подачи и скорости резания или произвести замену технологического оборудования.
Многоинструментная обработка.
В случае параллельной обработки глубину резания и подачу для каждого из инструментов выбирают из условия их независимой работы, т.е. по методике одноинструментной обработки. Затем определяют подачу блока инструментов – наименьшую технологически допустимую подачу из выбранных значений. Скорость резания определяется по предположительно лимитирующему инструменту. Ими могут быть инструменты, обрабатывающие участки наибольшего диаметра и наибольшей длины. Для нескольких предположительно лимитирующих инструментов находят коэффициенты времени резания:
λ=Lр/Lрх,
где Lр – длина резания отдельного инструмента, Lрх – длина рабочего хода всего инструментального блока.
Т=Тм/ λ,
где Тм – нормированная стойкость инструмента.
По найденным значениям стойкости Т находят скорости резания для каждого из предположительно лимитирующих инструментов. Фактически лимитирующим будет инструмент с наименьшей определенной скоростью резания. Это значение принимается для работы всего блока инструментов. Далее определяется частота вращения n и проводится ее корректировка по паспорту станка. Далее рассчитываем суммарные усилия резания и мощность.
13. Технически обоснованная норма времени на выполнение операции
Технологический процесс изготовления изделия должен выполняться с наиболее полным использованием технических возможностей средств производства при наименьших затратах времени и наименьшей себестоимости изделий. Для того чтобы оценить затраты времени необходимо вести нормирование техпроцесса, т.е. иметь данные по нормам времени. Такими нормами могут быть только технически обоснованные нормы времени – установленные для определенных организационно-технических условий на выполнение части технологического процесса, исходя из полного и рационального использования технических возможностей средств технологического оснащения и с учетом передового производственного опыта.
Аналитически-расчетный метод менее трудоемок по сравнению с аналитически-исследовательским, но менее точен, так как используются нормативы для типовых организационно-технических условий, которые не идентичны конкретным рассматриваемым.
При суммарном методе нормирования труда норма времени определяется на всю операцию без расчленения ее на элементы (как это было при аналитическом методе). Опытный метод основан на использовании опыта нормировщика или мастера. Статистический метод: статистические данные о выполнении норм на аналогичные работы в прошлом и расчет по укрупненным нормативам. Сравнительный метод: сравнение с выполнявшейся ранее аналогичной операцией.
На стадии проектирования следует применять расчетно-аналитический метод с последующей корректировкой норм времени при внедрении технологического процесса в производство.
Структура штучного времени. Технически обоснованную норму времени устанавливают на каждую операцию. В крупносерийном и массовом производствах рассчитывают норму штучного времени для производства одной детали:
Тшт=То+Тв+Тоб+Тпер,
где То – основное технологическое время (непосредственное воздействие инструмента на заготовку и изменение ее состояния), Тв – вспомогательное время, Тоб – время обслуживания, Тпер – время перерывов в работе.
То=
,
где Lрх – длина рабочего хода, i – число рабочих ходов, Sмин- минутная подача инстр.
Тв: установка и снятие заготовки, управление механизмами технологического оборудования, вспомогательные перемещения инструмента (подвод и отвод), измерение размеров заготовки.
Сумма основного и вспомогательного времени составляет оперативное время
Топ=То+Тв
Тоб=Ттех+Торг,
где Ттех – время технического обслуживания (смена инструмента, подналадка оборудования, правка инструм., до 6% от Топ), Торг – вр.организованного обслуж. (подготовка рабочего места к началу работы, уборка стружки, чистка, смазка, 0,6…8% от То).
Тпер: регламентируемый отдых и естественные потребности, до 2,5% от Топ.
Штучно-калькуляционное время. Применяется в мелко- и среднесерийном производствах, когда обработка заготовки идет периодически повторяющимися партиями:
Тш.к=Тшт+
,
где Тпз – подготовительно-заключительное время (ознакомление с чертежом, получение и сдача средств тех. оснащения, сдача выполненной работы, пробная обработка).
На основе норм времени производится расчет загрузки рабочих мест, планирование подготовки производства, принимаются решения по организации производства. В частности в поточном производстве необходимо выдержать условие синхронизации операций: Тшт=кτв
Если после расчета норм времени выявлено невыполнение этого условия, то необходимо провести корректировку технологического процесса: применить оборудование, обеспечивающее прогрессивные структуры технологических операций, изменить режимы обработки.
14. Методы и способы получения исходных заготовок деталей. Выбор оптимального варианта получения заготовок
Рациональный выбор исходной заготовки имеет большое значение для улучшения технико-экономических показателей процесса изготовления детали. При выборе З необходимо решить следующие задачи: 1) установить метод и способ получения З; 2) определить припуски на обработку каждой поверхности; 3) рассчитать размеры З; 4) разработать чертеж З.
На выбор метода изготовления исходной З оказывают влияние: физические и технологические свойства материала детали (штампуемость, литейные качества, свариваемость, способность к полимеризации), конфигурация и размеры детали.
МЕТОДЫ: 1) литье (в песчано-глинистые формы; по выплавляемым моделям; в оболочковые формы; в кокиль; под давлением; центробежное литье); 2) обработка давлением (свободная ковка на молотах и прессах; в подкладных штампах; на радиально-ковочных машинах; штамповка на молотах; на мех. прессах; на гидро прессах; с последующей чеканкой; 3) резка из сортового и профильного проката; 4) комбинированные; 5) получение металлокерамических заготовок; 6) формообразование З из неметаллических материалов.
СПОСОБ получения З определяется технологическими особенностями процесса изготовления З (режим, оборудование) и его выбор зависит от типа производства, экономичности изготовления З. Окончательное решение по выбору способа изготовления З принимают на основании экономического расчета. Критерием оптимальности должна быть минимальная величина стоимости изготовления детали:
Сд=Сз+Смо-Сотх,
Где Сз – стоимость исходной заготовки; Смо – стоимость последующей мех. обработки; Сотх – стоимость отходов при мех. обработке.
Упрощенное сравнение альтернативных вариантов на начальном этапе технологического проектирования, когда неизвестна технология изготовления детали, основывается на укрупненном расчете затрат по справочникам. Допуски размеров, массы и припуски на мех. обработку назначаются по соответствующим ГОСТам. Припуски на мех. обработку могут быть рассчитаны аналитическим способом (более точно).
15. Установка заготовок на станке, ее этапы. Понятие измерительной, технологической, настроечной баз. Правило 6 точек, теоретическая схема базирования. Классификация технологических баз
Установка заготовки состоит из 3-х этапов: 1) базирование – ориентация заготовки в системе координат станочного приспособления или непосредственно на станке; 2) закрепление заг с целью сохранения положения, достигнутого при базировании; 3) установка приспособления (ориентация + фиксация) вместе с закрепленной в нем заготовкой относительно рабочих органов станка, несущих инструмент.
Измерительная база служит для определения положения элементов конструкций заготовок и деталей. ИБ могут быть поверхности, оси, точки от которых производится отсчет и контроль координирующих размеров и величин пространственных отклонений конструктивных элементов.
Технологические базы – поверхности, их сочетания, оси симметрии элементов, точки, принадлежащие заготовке и служащие для ее базирования при выполнении технологической операции.
Настроечная база служит для определения положения режущего инструмента ( для настроенного оборудования).
Правило шести точек. Для полного базирования заготовки, рассматриваемой как твердое тело, в приспособлении или непосредственно на столе станка необходимо и достаточно шести опорных точек, расположенных определенным образом на технологических базах заготовки.
Теоретическая схема базирования - схема расположения опорных точек на базовых поверхностях детали при совмещении заготовки с координатными плоскостями приспособления.
Классификация технологических баз
16. Правило единства баз. Погрешность базирования, характер ее проявления
Правило единства баз. При назначении технологических баз заготовки следует принимать в качестве технологических баз элементы детали, являющиеся измерительными базами.
В противном случае возникает εб - погрешность базирования по заданному размеру (это правило - для настроенного оборудования). εб численно равна погрешности размера, связывающего измерительную и технологическую базы при их несовпадении.
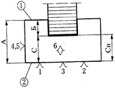
Рассмотрим операцию обработки паза на горизонтально-фрезерном станке. Цель операции – обработка паза с обеспечением точности размеров паза и точности размеров, определяющих его положение на заготовке. В частности, положение дна паза может быть задано как от пов-ти 1 размером Б, так и от пов-ти 2 размером С. Настройку положения фрезы целесообразно вести от настроечной базы приспособления, совпадающей с плоскостью, в которой расположены опорные точки 1, 2, 3, реализуемые опорными элементами приспособления. Настроечным является размер Сн.
Вариант 1. Положение дна паза определяется размером Б. Измерительная база 1 не совпадает с технологической базой 2. Размер Б =А-С, а его погрешность
ωБ= ωА+ ωСн
Вариант 2. Положение дна паза задано размером С. Измерительная база 1 совпадает с технологической базой 1. Размер С формируется копированием размера Сн. В этом случае:
ωС= ωСн.
В варианте 1 погрешность ωБ размера Б увеличивается на величину погрешности ωА, связывающего базы. Возникает погрешность базирования εб = ωА
Для того чтобы заготовка сохраняла определенность базирования, необходимо силовое замыкание между базами заготовки и элементами станочного приспособления, т.е. закрепление заготовки. Однако при этом возникает некоторое смещение баз заготовки относительно положения, достигнутого при базировании, т.е. погрешность закрепления εз ; она определяется как колебание положения измерительной базы относительно настроенного на размер инструмента, возникающее вследствие смещения техн. баз заготовок при их закреплении.
















