166632 (625067)
Текст из файла
МИНИСТЕРСТВО ОБРАЗОВАНИЯ РОССИЙСКОЙ ФЕДЕРАЦИИ
ТЕХНОЛОГИЧЕСКИЙ ИНСТИТУТ
ГОСУДАРСТВЕННЫЙ ТЕХНИЧЕСКИЙ УНИВЕРСИТЕТ
КАФЕДРА ХИМИЧЕСКОЙ ТЕХНОЛОГИИ
КУРСОВАЯ РАБОТА
по дисциплине «Общая химическая технология»
на тему:
Синтез и анализ ХТС в производстве гидроксида натрия и хлора
из водного раствора хлорида натрия
2006 г.
СОДЕРЖАНИЕ
Введение
1. Литературный обзор
2. Технологическая часть
2.1. Характеристика исходного сырья
2.2. Характеристика готовой продукции
2.3. Описание технологической схемы
2.4. Функциональная модель
2.5. Структурная модель
2.6. Операторная модель
3. Заключение
4. Задача
Список использованной литературы
Введение
Химическая наука и химическая промышленность в настоящее время являются одними из ведущих отраслей, которые обеспечивают научно технический прогресс в обществе. Интенсивный рост данной отрасли требует создания мощной производственной базы в области крупнотоннажных реагентов. Одним из таких веществ является гидроокись натрия.
Гидроксид натрия находит широкое применение в самых разнообразных отраслях промышленности. Едкий натр используется для приготовления электролитов при производстве химических источников тока, в качестве реагента или растворителя в органическом синтезе и технологии искусственных волокон. В связи с наличием такого широкого потребительского спектра выбранная тема является актуальной.
Целью данной работы является разработка экономически эффективного, технологически реализуемого и экологически безопасного производства. Для решения этой проблемы рассмотрим реализуемые в настоящее время в промышленности методы производства едкого натра, выберем наиболее подходящий метод. Предложим методы совершенствования реализуемого производства и решение экологических проблем возникающих при функционировании производства.
1. Литературный обзор
Электролиз водного раствора хлорида натрия - одно из важнейших крупнотоннажных производств, основанных на процессе электролиза водных растворов электролитов. Он позволяет на основе одного сырья получить одновременно три продукта: гидроксид натрия, хлор и водород. Технологический процесс состоит из трех стадий: подготовки сырья к электролизу раствора хлорида натрия, очистки и переработки продуктов электролиза.
1.1. Подготовка сырья к электролизу
Сырьем для электролиза служит хлорид натрия в виде каменной соли, самоосадочной соли или подземного рассола. Подготовка сырья к электролизу включает операции растворения (при использовании твердой соли), очистки рассола от механических примесей и удаления ионов кальция и магния.
Механические примеси удаляют отстаиванием рассола с последующим фильтрованием осадка, а ионы кальция и магния, которые отрицательно влияют на процесс электролиза, обработкой рассола раствором карбоната натрия или известковым молоком:
СаСl +Na2CO3 → СаСО3+ 2NaCl
с последующей нейтрализацией избыточной щелочности соляной кислотой. Осадок карбонатов кальция и магния удаляют фильтрованием.
Полученный рассол должен иметь концентрацию соли 310 - 315 г/л, чтобы обеспечить, возможно, более низкий потенциал разряда ионов при электролизе. Также существуют допустимые пределы содержания ионов кальция и магния.
Рассол, поступающий на электролиз, представляет многокомпонентную систему, в которой содержатся ионы натрия, хлора, гидроксоний-катион и гидроксид-анион. Последовательность их разряда и образующиеся продукты определяются в соответствии с «правилом разряда» величиной их потенциалов разряда, которые зависят от условий электролиза и, весьма существенно, от материала катода. Различают два варианта технологического процесса электролиза водного раствора хлорида натрия: электролиз с твердым железным катодом (диафрагменный метод) и электролиз с жидким ртутным катодом.
Аноды электролизеров в обоих случаях изготавливают из одинаковых материалов: искусственного графита, пропитанного для уменьшения износа льняным маслом, или из титана, покрытого слоем оксидов рутения и титана. Аноды второго типа позволяют вести электролиз при высоких плотностях тока и более низком напряжении. Такие условия снижают расход электроэнергии на 10-12%. Поэтому оксидно-рутениевые аноды вытесняют графитовые: ими оснащено в настоящее время до 70% всех установок электролиза.
1.2. Электролиз раствора хлорида натрия с железным катодом
При прохождении постоянного электрического тока через водный раствор хлорида натрия на железном катоде разряжаются ионы гидроксония НзО+, потенциал разряда которых в насыщенном растворе хлорида натрия, даже при учете перенапряжения, составляет +1,1 В, тогда как потенциал разряда ионов натрия равен +2,71 В.
В то же время, на графитовом и окиднорутениевом анодах потенциал разряда ионов гидроксила ОН" за счет высокого перенапряжения составляет 1,9 В и превышает потенциал разряда ионов хлора, равный 1,6 В. Поэтому на подобных анодах разряжаются ионы хлора.
В табл. 1. приведены потенциалы разряда ионов и уравнения первичных процессов при электролизе с железным катодом.
Таблица 1
Электролиз с железным катодом
| Электрод | Потенциал разряда, В | Первичная реакция | |||
| Ер | Епер | Е | |||
| Катод | +2,71 0,84 | - 0,26 | +2,71 +1,10 | Na+ H3O+ + ē 0,5H2 + H2O | |
| Анод | -0,83 -1,33 | -1,07 -0,27 | -1,90 -1,60 | OH- Cl- - ē = 0,5 Cl2 | |
Теоретическое напряжение разложения равно:
VT = Ek + Ea = +1,1-(-1,6) = 2,7 В
На практике, при проведении процесса электролиза с железным катодом, на токоподводах электролизера поддерживается напряжение около 4,0 В.
В результате разряда ионов НзО+ в катодном пространстве накапливаются ионы ОН и образуется раствор гидроксида натрия:
N
aCl+H2O → 0,5Cl2 + 0,5H2 + NaOH
у анода у катода
Разряд ионов гидроксония на катоде вызывает смещение равновесия диссоциации воды вправо:
2H2O → H3O++OH-
и повышение концентрации гидроксид-ионов в катодном пространстве. При высокой концентрации ионов ОН- возможно попадание их в анодное пространство и реакция разряда:
2OH- - 2ē → 0,5O2 + H2O
Вследствие этого, хлор, выделяющийся в анодном пространстве, загрязняется кислородом.
Вторичные процессы при электролизе с железным катодом протекают в анодном пространстве. Они включают:
- окисление графитового анода кислородом, образующимся при
разряде ионов гидроксида на аноде:
C + O2 → CO2
C + 0,5O2 → CO
- растворение хлора в электролите с образованием соляной и хлорноватистой кислот:
Cl2 + 2H2O ↔ H3O + Cl- + HOCl
- взаимодействие компонентов при диффузии щелочи в анодное пространство или смешении анодной (анолит) и катодной (католит) жидкостей с образованием гипохлорит-иона и хлорат-иона.
В результате протекания вторичных процессов раствор гидроксида натрия, полученный электролизом с железным катодом, всегда содержит примесь гипохлорита и хлората натрия. Вторичные процессы снижают выход по току и коэффициент использования энергии.
Удельный вес побочных вторичных процессов может быть снижен:
- разделением катодного и анодного пространства в электролизере с помощью фильтрующей диафрагмы (отсюда название метода диафрагменный), обеспечивающей одностороннее движение рассола в направлении, противоположном движению ионов ОН- к аноду и препятствующей обратному перемещению их;
- подачей рассола в электролизер со скоростью, превышающей скорость образования ионов ОН- и вытеснение образующегося раствора гидроксида натрия (щелока) в катодное пространство;
- применением высоких температур и концентраций рассола, что снижает растворимость хлора в электролите и вероятность протекания вторичных процессов;
- понижением концентрации выходящего из электролизера щелока, то есть уменьшением содержания гидроксида натрия в растворе, также снижающего вероятность вторичных процессов. Поэтому, процесс электролиза никогда не доводят до полного превращения хлорида натрия, останавливая его при достижении определенной концентрации щелока.
Рис. 1. Зависимость выхода по току от концентрации щелока
На рис. 1. приведена зависимость выхода гидроксида натрия от концентрации его в выходящем щелоке. Таким образом, оптимальными условиями процесса электролиза водного раствора хлорида натрия с железным катодом являются:
- температура электролита 70 - 90°С;
- концентрация щелока, выходящего из электролизера 130 - 140 г/л;
- концентрация рассола, поступающего в электролизер 305 - 315 г/л.
В этих условиях степень превращения хлорида натрия составляет 0,4-0,5 дол. ед.
Эектролизер (электролитическая, ячейка) - основной аппарат в технологическом процессе производства едкого натра и хлора электролизом водного раствора хлорида натрия с железным катодом.
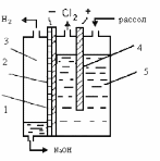
Диафрагменные электролизеры могут быть двух типов: с вертикально расположенными катодами с верхним или нижним токоподводом, или с горизонтально расположенными катодами. В настоящее время повсеместно используются электролизеры первого тпа (рис 2).
Рис. 2. Электролизер вертикального типа: 1 – перфорированный катод, 2 – диафрагма, 3 – катодное пространство, 4 – анод, 5 – анодное пространство.
Электролизер состоит из герметически закрытого корпуса, что исключает подсос воздуха и загрязнение им газообразных продуктов электролиза, анода, катода и диафрагмы. Он снабжен устройствами для подвода рассола и отвода щелока, хлора и водорода. Катод электролизера изготовлен из перфорированной листовой стали или стальной сетки, натянутой на каркас. Катод может иметь различную конфигурацию. Диафрагму электролизеров изготавливают из асбеста, устойчивого к слабокислой, щелочной среде и действию хлора. Диафрагмы могут быть двух типов: листовые и осажденные. Листовые диафрагмы изготавливают из тонких листов асбестового картона, плотно прилегающих к катоду, осажденные - из специально подготовленного асбестового волокна, наносимого в виде пульпы на поверхность катода и насасываемого на него. В табл. 2. приведены характеристики наиболее распространенных современных электролизеров с металлооксидными анодами БГК-50/25 и БГК-100, различающиеся производительностью.
Таблица 2
Характеристики электролизеров с железным катодом и металлооксидными анодами
| Показатели | Тип электролизера | ||
| БГК-50/25 | БГК-100 | ||
Сила тока (нагрузка на ячейку), кА | 50 | 100 | |
| Число ячеек (электролизеров) | 1 | 1 | |
| Напряжение, В | 3,40 | 3,45 | |
| Выход по току, дол. ед. | 0,96 | 0,96 | |
| Срок службы электродов, лет | 4 | 4 | |
| Концентрация NaOH в щелоке, г/л | 120-140 | 120-140 | |
| Концентрация хлора, не менее об. дол. | 0,965 | 0,975 | |
| Концентрация водорода, не менее об, дол. | 0,995 | 0,995 | |
| Производительность по 100% NaOH, т/сутки | 1,72 | 3,44 | |
В цехе электролиза, отдельные ячейки (электролизеры) объединены в группы до 150 штук. Тогда суммарное напряжение электролиза составит 3,4·150 = 510 В.
Характеристики
Тип файла документ
Документы такого типа открываются такими программами, как Microsoft Office Word на компьютерах Windows, Apple Pages на компьютерах Mac, Open Office - бесплатная альтернатива на различных платформах, в том числе Linux. Наиболее простым и современным решением будут Google документы, так как открываются онлайн без скачивания прямо в браузере на любой платформе. Существуют российские качественные аналоги, например от Яндекса.
Будьте внимательны на мобильных устройствах, так как там используются упрощённый функционал даже в официальном приложении от Microsoft, поэтому для просмотра скачивайте PDF-версию. А если нужно редактировать файл, то используйте оригинальный файл.
Файлы такого типа обычно разбиты на страницы, а текст может быть форматированным (жирный, курсив, выбор шрифта, таблицы и т.п.), а также в него можно добавлять изображения. Формат идеально подходит для рефератов, докладов и РПЗ курсовых проектов, которые необходимо распечатать. Кстати перед печатью также сохраняйте файл в PDF, так как принтер может начудить со шрифтами.
















