151893 (622013)
Текст из файла
Содержание
Введение
1. Расчёт токов симметричного трехфазного короткого замыкания в точке К1
1.1 Приближенное приведение в относительных единицах для точки К1
1.1.1 Расчёт реактивного сопротивления элементов
1.1.2 Расчёт активного сопротивления элементов
1.1.3 Расчёт токов короткого замыкания в точке К1
1.2 Точное приведение в относительных единицах для точки К1
1.2.1 Расчёт реактивного сопротивления элементов
1.2.2 Расчёт активного сопротивления элементов
1.2.3 Расчёт токов короткого замыкания в точке К1
2. Расчёт токов симметричного трехфазного короткого замыкания в точке К5
2.1 Точное приведение в именованных единицах
2.1.1 Расчёт реактивного сопротивления элементов
2.1.2 Расчёт активного сопротивления элементов
2.1.3 Расчёт токов короткого замыкания в точке К5
3. Сравнение результатов приближенного и точного расчетов
4. Расчет полного тока короткого замыкания
5. Построение векторных диаграмм
6. Расчёт теплового импульса
7. Расчет токов несимметричного короткого замыкания в точке К5
7.1 Определение параметров схемы замещения прямой последовательности
7.2 Определение параметров схемы замещения обратной последовательности
7.3 Определение параметров схемы замещения нулевой последовательности
7.4 Определение токов и напряжений в месте повреждения К5
7.4.1 Однофазное короткое замыкание
8. Расчет токов несимметричного короткого замыкания в точке К1
8.1 Определение параметров схемы замещения прямой последовательности
8.2 Определение параметров схемы замещения обратной последовательности
8.3 Определение параметров схемы замещения нулевой последовательности
8.4 Определение токов и напряжений в месте повреждения К1
8.4.1 Двухфазное короткое замыкание на землю
Введение
-
Курсовая работа выполняется по теме «Расчет симметричных и несимметричных коротких замыканий в электроэнергетической системе»
-
В работе рассчитываются токи и напряжения при симметричном и несимметричном коротких замыканиях (КЗ).
-
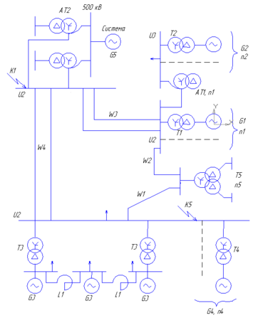
В объем работы входит выполнение двух разделов на основе заданной на рис. 1 схемы электрической системы. Для всех разделов полагать, что исходным установившимся режимом станции, который предшествует рассматриваемому КЗ, является номинальный режим эквивалентного генератора с выдачей им номинальной мощности при номинальном напряжении на шинах.
Начальные условия:
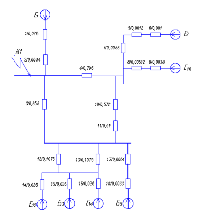
Рисунок 1. - Схема ЭЭС и расчетные точки КЗ
Напряжения на шинах:
Генераторы:
;
;
;
;
Трансформаторы:
;
;
Автотрансформаторы:
Линии электропередач:
Реактор: РТСТДГ – 10 – 4000 – 0,1
Система:
Таблица 1.1. - Параметры трансформаторов:
| Тип | S,МВА | Uном обмоток, кВ | Uk% | ∆РkкВт | ∆РхкВт | |
| ВН | НН | |||||
| ТДЦ-250000/110 | 250 | 121 | 15,75 | 10,5 | 640 | 200 |
| ТДЦ-250000/500 | 250 | 525 | 15,75 | 13 | 600 | 250 |
| ТРДН-40000/110 | 40 | 115 | 6,3 | 10,5 | 172 | 36 |
| ТДЦ-125000/110 | 125 | 121 | 13,8 | 10,5 | 400 | 120 |
| ТДН-16000/110 | 16 | 115 | 6,5;11 | 10,5 | 85 | 19 |
Таблица 1.2. - Параметры генераторов:
| Тип ген. | P,МВт | S,МВА |
| U,кВ | n, об/мин | ОКЗ |
| КПД |
| ТЗВ-63 | 53 | 66,3 | 0,8 | 6,3 | 3000 | 0,53 | 20,6 | 98,4 |
| ТЗВ-110-2 | 110 | 137,5 | 0,8 | 10,5 | 3000 | 0,6 | 22,7 | 98,6 |
| ТЗВ-220-2 | 220 | 258,8 | 0,85 | 15,75 | 3000 | 0,51 | 24,6 | 98,8 |
Таблица 1.3. - Параметры автотрансформатора:
| Тип | S,МВА | Uном обмоток, кВ | Uk% | |||||
| ВН | СН | НН | ВН-СН | ВН-НН | СН-НН | |||
| АТДЦТН-250000/500/110 | 250 | 500 | 121 | 38,5 | 10,5 | 24 | 13 | |
1. Расчет токов симметричного трехфазного к. з. в точке К1
1.1 Приближенное приведение в относительных единицах для т. к.з. К1
Принимаем SБ = 1000 МВА; U cр1 = 6,3 кВ; U cр2 = 115 кВ; U cр3 = 515 кВ.
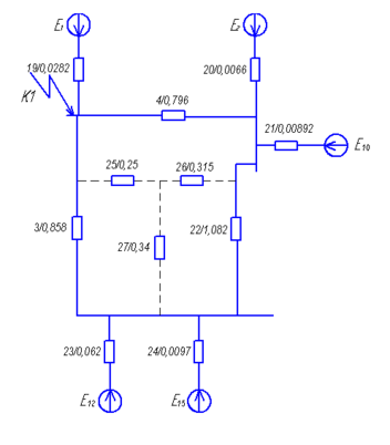
Рисунок 1.1. - Расчётная схема замещения
1.1.1 Определение реактивных сопротивлений элементов
Расчет автотрансформаторов АТ 1 и АТ 2:
Где UК – напряжение короткого замыкания; SH – номинальная полная мощность трансформатора.
Расчет сопротивлений трансформаторов:
Т1:
Т2:
Т3:
Т
4:
Т5:
Расчет сопротивлений линий электропередач:
Где UСР – среднее напряжение РУ; Худ – удельное сопротивление линии; l – длина ЛЭП.
Расчет сопротивлений генераторов:
G1,2:
G3:
G4:
Где Х// – относительное сопротивление генератора; SH,Г – номинальная полная мощность генератора.
Расчет сопротивлений реакторов:
;
Где Х – относительное сопротивление реактора.
Сопротивление системы:
1.1.1.1. Расчёт сверхпереходных ЭДС источника
При применении системы относительных единиц
,
.
Система является источником бесконечной мощности, поэтому
1.1.1.2 Преобразование схемы к простейшему виду относительно точки к. з. К1
Рисунок 1.2. – Упрощенная схема замещения
Используем метод коэффициентов участия:
Определим коэффициенты участия:
Рисунок 1.3 – Лучевая схема замещения
Обьединим источники
:
Используем метод коэффициентов участия:
Определим коэффициенты участия:
Рисунок 1.4 – Лучевая схема замещения
Приведем лучевую схему к сопротивлению одной ветви:
Рисунок 1.5. – Результирующая схема замещения
1.1.2 Определение активного сопротивления
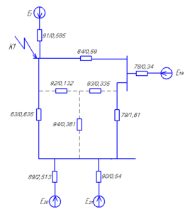
Рисунок 1.6. – Схема замещения
Расчет автотрансформаторов АТ 1 и АТ 2:
Где ∆Ркз – изменение активного сопротивления короткого замыкания.
Расчет сопротивлений трансформаторов:
Т1:
Т2:
Т3:
Т4:
Расчет сопротивлений линий электропередач:
W1:
W2:
W3:
W4:
Где UСР – среднее напряжение РУ; r0 – удельное сопротивление линии;
l – длина ЛЭП.
Расчет сопротивлений генераторов:
G1:
G2:
G3:
G4:
Где Х – относительное реактивное сопротивление генератора; ω – частота;
ТА – постоянная времени.
Система:
Активное сопротивление реакторов не учитывается.
1.1.2.1. Преобразование схемы к простейшему виду относительно точки к. з. К1
Рисунок 1.7. – Упрощенная схема замещения
Рисунок 1.8. – Результирующая схема замещения
1.1.3 Определение токов короткого замыкания в точке К1
Найдём значение базисного тока:
;
Определение начального периодического тока к. з.:
Расчет ударного тока:
Где
- ударный коэффициент принимается для элементов или части энергосистемы;
- значение постоянной времени затухания апериодической составляющеё тока КЗ.
;
Определение апериодической составляющей тока к. з.:
;
Где
- время размыкания контактов.
;
Определение периодической составляющей тока к. з.:
т. к. Е1 - источник бесконечной мощности.
т. к.
принимаем
т. к.
принимаем
1.2 Точное приведение в относительных единицах для т. к. з. К1
SБ = 1000 МВА;
В качестве основной принимаем ступень, где происходит к.з.:
Характеристики
Тип файла документ
Документы такого типа открываются такими программами, как Microsoft Office Word на компьютерах Windows, Apple Pages на компьютерах Mac, Open Office - бесплатная альтернатива на различных платформах, в том числе Linux. Наиболее простым и современным решением будут Google документы, так как открываются онлайн без скачивания прямо в браузере на любой платформе. Существуют российские качественные аналоги, например от Яндекса.
Будьте внимательны на мобильных устройствах, так как там используются упрощённый функционал даже в официальном приложении от Microsoft, поэтому для просмотра скачивайте PDF-версию. А если нужно редактировать файл, то используйте оригинальный файл.
Файлы такого типа обычно разбиты на страницы, а текст может быть форматированным (жирный, курсив, выбор шрифта, таблицы и т.п.), а также в него можно добавлять изображения. Формат идеально подходит для рефератов, докладов и РПЗ курсовых проектов, которые необходимо распечатать. Кстати перед печатью также сохраняйте файл в PDF, так как принтер может начудить со шрифтами.
















