151893 (622013), страница 2
Текст из файла (страница 2)
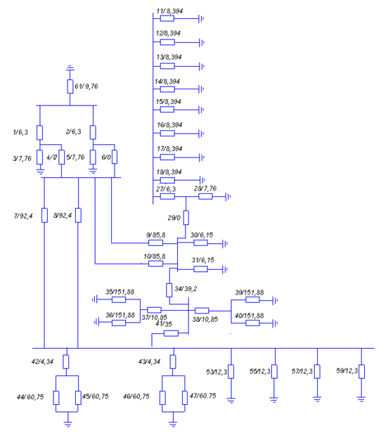
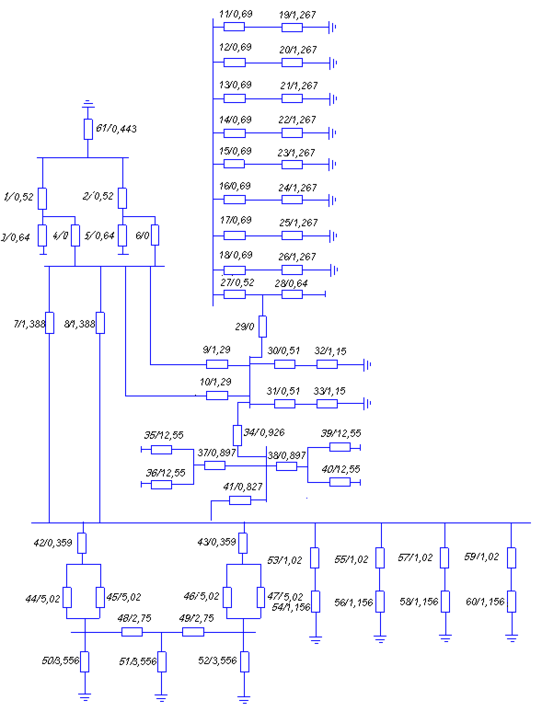
U б1 = 110 кВ; U б2 = U б1 /К Т1 = 110*500 /121 = 455 кВ;
U б3 = U б1 /К Т2 = 110*500 /121 = 455 кВ;
U б4 = U б1 /К Т2*КТ3 = 110*500/121*15,75 /525 = 13,64 кВ;
U б5 = U б1 /К Т = 110*15,75 /121 = 14,32 кВ;
U б6 = U б1 /К Т = 110*6,3 /115 = 6,03 кВ;
U б7 = U б1 /К Т = 110*13,8 /121 = 12,55 кВ;
1.2.1 Определение реактивных сопротивлений элементов
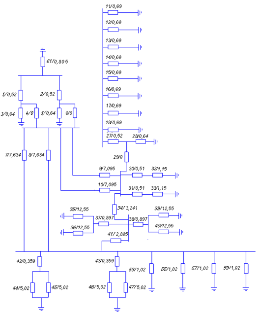
Расчет автотрансформаторов АТ 1 и АТ 2:
Расчет сопротивлений трансформаторов:
Т1
Т2:
Т3:
Т4:
Т5:
Расчет сопротивлений линий электропередач:
Расчет сопротивлений генераторов:
G2:
G1:
G3:
G4:
Расчет сопротивлений реакторов:
Сопротивление системы:
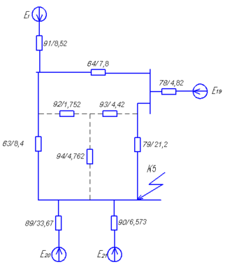
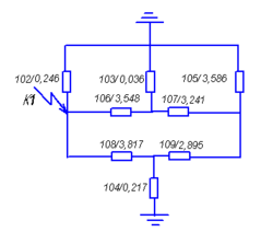
1.2.1.1 Преобразование схемы к простейшему виду относительно точки к. з. К1
Упрощенная схема замещения аналогична приближенному приведению.
Используем метод коэффициентов участия:
Определим коэффициенты участия:
Рисунок 1.9 – Лучевая схема замещения
Обьединим источники
:
Используем метод коэффициентов участия:
Определим коэффициенты участия:
Рисунок 1.10. – Лучевая схема замещения
Приведем лучевую схему к сопротивлению одной ветви:
Рисунок 1.11. – Результирующая схема замещения
1.2.2 Определение активного сопротивления
Схема замещения аналогична приближенному приведению.
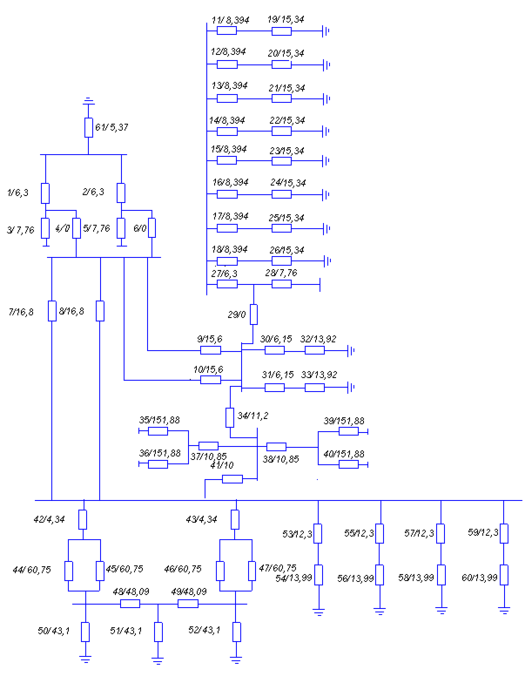
Расчет автотрансформаторов АТ 1 и АТ 2:
Т1:
Т2:
Т3:
Т4:
Расчет сопротивлений линий электропередач:
W1:
W2:
W3:
W4:
Расчет сопротивлений генераторов:
G1:
G2:
G3:
G4:
Система:
Активное сопротивление реакторов не учитывается.
1.2.2.1 Преобразование схемы к простейшему виду относительно точки к. з. К1
Упрощенная схема замещения аналогична приближенному приведению.
Рисунок 1.12. – Результирующая схема замещения
1.2.3 Определение токов короткого замыкания в точке К1
Найдём значение базисного тока:
;
Определение начального периодического тока к. з.:
Расчет ударного тока:
Где
- ударный коэффициент принимается для элементов или части энергосистемы;
- значение постоянной времени затухания апериодической составляющеё тока КЗ.
;
Определение апериодической составляющей тока к. з.:
;
Где
- время размыкания контактов.
;
Определение периодической составляющей тока к. з.:
т. к. Е1 - источник бесконечной мощности.
т. к.
принимаем
т. к.
принимаем
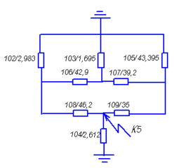
2. Расчет токов симметричного трехфазного к. з. в точке К5
2.1 Точное приведение в именованных единицах
2.1.1 Определение реактивного сопротивления элементов
В качестве основной принимаем ступень, где происходит к.з. Uосн=110 кВ.
Расчет автотрансформаторов АТ 1 и АТ 2:
Расчет сопротивлений трансформаторов:
Т1:
Т2:
Т3:
Т4:
Т5:
Расчет сопротивлений линий электропередач:
Расчет сопротивлений генераторов:
G2:
G1:
G3:
G4:
Расчет сопротивлений реакторов:
Сопротивление системы:
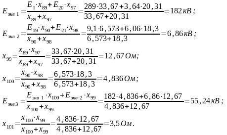
1.1.1.1 Фазное значение ЭДС генератора
1.1.2 Преобразование схемы к простейшему виду относительно точки к. з. К5
Обьединим источники Е2…Е9 с Е10…Е11
Рисунок 2.1. – Упрощенная схема замещения
Используем метод коэффициентов участия:
Определим коэффициенты участия:
Рисунок 2.2. – Лучевая схема замещения
Приведем лучевую схему к сопротивлению одной ветви:
Рисунок 2.3. – Результирующая схема замещения
2.1.2 Определение активного сопротивления
Приведем схему замещения к точке к. з. К5
Расчет автотрансформаторов АТ 1 и АТ 2:
Т1:
Т2
Т3:
Т4:
Расчет сопротивлений линий электропередач:
W1:
W2:
W3:
W4:
Расчет сопротивлений генераторов:
G1:
G2:
G3:
G4:
Система:
Активное сопротивление реакторов не учитывается.
Рисунок 2.4. – Результирующая схема замещения
2.1.3 Определение токов короткого замыкания в точке К5
Определение начального периодического тока к. з.:
Расчет ударного тока:
;
Определение апериодической составляющей тока к. з.:
;
;
Определение периодической составляющей тока к. з.:
т. к. Е1 - источник бесконечной мощности.
т. к.
принимаем
т. к.
принимаем
т. к.
принимаем
3. Сравнение результатов приближенного и точного расчетов
Таблица 3.1. - Сравнение результатов приближенного и точного расчетов
| Место к.з. Привед. | К1 | К5 | |||||||
| IПО, кА | iуд, кА | iаτ, кА | Iпτ, кА | IПО, кА | iуд, кА | iаτ, кА | Iпτ, кА | ||
| точное | 18,511 | 31,65 | 0,83 | 18,511 | 15,757 | 30,1 | 8,675 | 15,757 | |
| приближенное | 20,43 | 34,72 | 0,81 | 20,43 | - | - | - | - | |
Все величины токов, полученные точным методом,незначительно отличаются от величин токов, которые были найдены при приближенном решении.
4. Расчет полного тока короткого замыкания
Для t = 0 с
Для t = 0,1 с
;
;
;
;
Для t = 0,2 с
Для t = 0,3 с
5. Построение векторных диаграмм
Векторные диаграммы.
Точка КЗ К1:
Векторные диаграммы.
Точка КЗ К5:
6. Расчёт теплового импульса
;
7. Расчет токов несимметричного короткого замыкания в точке К5
7.1 Определение параметров схемы замещения прямой последовательности
Схема прямой последовательности составляется так же, как для расчета симметричного режима.
7.2 Определение параметров схемы замещения обратной последовательности
Схема обратной последовательности по конфигурации аналогична схеме прямой последовательности. Отличие состоит лишь в том, что в данном случае ЭДС всех генерирующих ветвей принимаются равными нулю.
Рисунок 7.1. – Схема замещения обратной последовательности
7.3 Определениепараметров схемы замещения нулевой последовательности
Схема нулевой последовательности существенно отличается от схем прямой и обратной, так как путь ее токов отличается от пути, по которому циркулируют токи прямой и обратной последовательностей.
Индуктивное сопротивление двухцепной линии без тросов:
Индуктивное сопротивление одноцепной линии без тросов:
Рисунок 7.2. – Схема замещения нулевой последовательности
Рисунок 7.3. – Схема замещения прямой последовательности
Преобразуем к одной ветви:
Рисунок 7.4. – Результирующая схема замещения
7.4 Определение токов и напряжений всех трех последовательностей в месте повреждения К5
7.4.1 Однофазное короткое замыкание
Граничные условия:
;
;
;
Ток прямой последовательности:
;
Ток обратной и нулевой последовательности:
;
Полный ток в поврежденной фазе:
;
Составляющие напряжений:
;
;
;
Построение диаграмм:
8. Расчет токов несимметричного короткого замыкания в точке К1
8.1 Определение параметров схемы замещения прямой последовательности
Схема прямой последовательности составляется так же, как для расчета симметричного режима.
8.2 Определение параметров схемы замещения обратной последовательности
Схема обратной последовательности по конфигурации аналогична схеме прямой последовательности. Отличие состоит лишь в том, что в данном случае ЭДС всех генерирующих ветвей принимаются равными нулю.
Рисунок 8.1. – Схема замещения обратной последовательности
8.3 Определение параметров схемы замещения нулевой последовательности
Схема нулевой последовательности существенно отличается от схем прямой и обратной, так как путь ее токов отличается от пути, по которому циркулируют токи прямой и обратной последовательностей.
Индуктивное сопротивление двухцепной линии без тросов:
Индуктивное сопротивление одноцепной линии без тросов:
Рисунок 8.2. – Схема замещения нулевой последовательности
Рисунок 8.3. – Схема замещения прямой последовательности
Преобразуем к одной ветви:
Используем метод коэффициента распределения:
Рисунок 8.4. – Результирующая схема замещения
8.4 Определение токов и напряжений всех трех последовательностей в месте повреждения К1
8.4.1 Двухфазное короткое замыкание на землю
Граничные условия:
;
;
Ток прямой последовательности:
;
Ток обратной и нулевой последовательности:
;
;
Токи поврежденных фаз:
Составляющие напряжений:
;
;
Построение диаграмм:
















