151892 (622012)
Текст из файла
МИНИСТЕРСТВО СЕЛЬСКОГО ХОЗЯЙСТВА РОССИЙСКОЙ ФЕДЕРАЦИИ
ФГОУ ВПО «Башкирский государственный аграрный университет»
Факультет: Электрификация и автоматизация с.х.
Кафедра: Электроснабжение и применение электрической энергии в с.х.
Специальность: Электрификация и автоматизация с.х.
Курсовой проект
Система электроснабжения сельскохозяйственного населенного пункта
Беликов Кирилл Юрьевич
Форма обучения: очная
Курс, группа: 4, ЭАСПО
Уфа – 2009
Оглавление
Введение
1. Исходные данные и варианты заданий на проектирование
2. Расчет электрических нагрузок
3. Компенсация реактивной мощности
4. Выбор потребительских трансформаторов
5. Электрический расчет воздушной линии напряжением 10 кВ
6. Оценка качества напряжения у потребителей
7. Электрический расчет воздушной линии напряжением 0,38 кВ
8. Проверка сети на успешный запуск электродвигателей
Заключение
Библиографический список
Введение
Электроснабжение производственных предприятий и населенных пунктов в сельской местности имеет свои особенности по сравнению с электроснабжением промышленности и городов. Главная из них Ї это необходимость подводить электроэнергию к огромному количеству сравнительно маломощных объектов, рассредоточенных по всей территории страны. В результате протяженность сетей на единицу мощности потребителя во много раз превышает эту величину в других отраслях народного хозяйства, а стоимость электроснабжения в сельском хозяйстве составляет до 65-75% от общей стоимости электрификации, включая затраты на приобретение рабочих машин.
Протяженность сельских электрических линий напряжением 0,38-20 кВ превысила 5 миллионов километров и во много раз больше, чем во всех других отраслях народного хозяйства, вместе взятых.
От его рационального решения в значительной степени зависит экономическая эффективность применения электроэнергии в сельском хозяйстве и быту сельского населения. Поэтому первостепенная задача правильного электроснабжения заключается в доведении стоимости электроэнергии до минимальной. Надежность подачи электроэнергии тоже важнейший показатель качества электроснабжения. В связи с бурным ростом электрификации сельскохозяйственного производства, особенно в связи с созданием в сельском хозяйстве комплексов промышленного типа, всякое отключение Ї плановое (для ревизии и ремонта) и особенно аварийное Ї наносит огромный ущерб потребителю и самой энергетической системе. Поэтому применение эффективных и экономически целесообразных мер для обеспечения оптимальной надежности электроснабжения Ї важнейшая задача специалистов, работающих в этом направлении электрификации сельского хозяйства.
1. Исходные данные и варианты заданий на проектирование
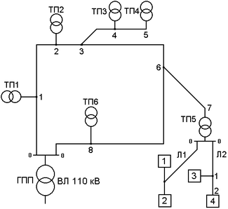
Схема сети напряжением 10 кВ для питания населенного пункта приведена на рисунке 1.1.
Вариант задания: 2.
Исходные данные для проектирования:
-
Sск3- мощность трехфазного короткого замыкания (КЗ) на шинах 10 кВ ГПП;
-
V100- отклонение напряжения на этих шинах в максимальном режиме;
-
V25- отклонение напряжения на этих шинах в минимальном режиме;
-
Lnn- длины участков линии 10 кВ;
-
активные дневные Ртпд и вечерние Ртпв нагрузки ТП2, ТП3,ТП4, ТП6;
-
данные по потребителям ТП1 и ТП 5.
Длины неуказанных участков в таблице 1.1 принять равными 0,7 км.
Количество потребителей, подключенных к ТП1 и ТП5, а также длины линий 0,38 кВ ТП также приведены ниже
Рисунок 1.1 Исходная схема электропередачи
V100 =+5 %;
V25 =+1 %.
Длина участков 10 кВ, км: L0-1= 3,3;
L1-2 =3,7;
L2-3 =1,7;
L3-4 =1,9;
L4-5 =1,3;
L3-6 =3,2;
L6-7 =0,46;
L6-8 =2,5;
L8-0 =1,2.
Данные по ТП:
Дневные: Вечерние:
Ртп 2=110 кВт; Qтп 2 =84 квар; Ртп 2=55 кВт; Qтп 2 =40 квар;
Ртп 3=60 кВт; Qтп 3 =40 квар; Ртп 3=82 кВт; Qтп 3 =51 квар;
Ртп 4=0 кВт; Qтп 4 =0 квар; Ртп 4=129 кВт; Qтп 4 =19 квар;
Ртп 6=66 кВт; Qтп 6 =44 квар; Ртп 6=139 кВт; Qтп 6 =22 квар;
Количество (знаменатель) и номера потребителей (числитель), подключенных к ТП-5 в точках: 3;12;9/3;6/1.
Длина линий 0,38 кВ ТП-5 : L 1 =1,84 км;
L 0-1 =1,6 км;
L 1-2 =0,5 км.
Потребители ТП-1: 1;8;2;
Нагрузки на вводе потребителей ТП-5:
-
Мельница с жерновым поставом 8/4:
РД=17 кВт; QД =13 квар;
РВ=1 кВт; QВ =0 квар;
Рэд=22 кВт;
-
ЗАВ-40:
РД=35 кВт; QД =35 квар;
РВ=36 кВт; QВ =32 квар;
-
Материальный склад:
РД=3 кВт; QД =2 квар;
РВ=1 кВт; QВ =0 квар;
-
Столярный цех:
РД=15 кВт; QД =10 квар;
РВ=1 кВт; QВ =0 квар;
Нагрузки на вводе потребителей ТП-1:
1. Лесопильный цех с пилорамой ЛРМ-79:
РД=16 кВт; QД =18 квар;
РВ=18 кВт; QВ =2 квар;
Рэд=22 кВт;
2. Стоянка для тракторов:
РД=5 кВт; QД =3 квар;
РВ=3 кВт; QВ =0 квар;
3. Р-65:
РД=23 кВт; QД =27 квар;
РВ=2 кВт; QВ =0 квар;
2. Расчет электрических нагрузок
Расчет электрических нагрузок линий напряжением 0,38 кВ производится исходя из расчетных нагрузок на вводе потребителей и коэффициентов одновременности:
Рд=ко Рдi, (2.1)
Рв=ко Рвi, (2.2)
Qд=ко Qдi, (2.3)
Qв=ко Qвi, (2.4)
где Рд, Рв — расчетные активные дневная и вечерняя нагрузки на участке линии;
Qд, Qв – то же, реактивные нагрузки;
Рдi, Рвi, Qдi, Овi — нагрузки на вводе i-го потребителя;
ко — коэффициент одновременности.
Если нагрузки потребителей отличаются более чем в 4 раза, то расчетные нагрузки участков линий определяют по добавкам мощностей:
Рд = Рд наиб +
, (2.5)
Рв = Рв наиб +
, (2.6)
где Рд – наибольшая дневная нагрузка из всех слагаемых нагрузок потребителей;
- добавка к наибольшей нагрузке от активной нагрузки i-го потребителя.
Определение электрических нагрузок ТП-5
Мельница с жерновым поставом 8/4:
РД=17 кВт; QД =13 квар;
РВ=1 кВт; QВ =0 квар;
Рэд=22 кВт;
кВА; (2.7)
кВА; (2.8)
А; (2.9)
; (2.10)
Расчет параметров других нагрузок ТП-5 производится аналогично. Результаты расчетов приведены в таблице 1.
2. Расчет параметров освещения.
В курсовом проекте освещение территорий хозяйственных дворов принимается из расчета 250 Вт на помещение и 3 Вт на погонный метр длины периметра хоздвора.
Принимаем периметр одного хоздвора равным П= 100м. Тогда, учитывая, что количество хоздворов равно n= 4, имеем:
кВт.
Освещение помещений:
кВт.
Суммируем нагрузки ТП-5 учитывая при этом правила (2.5) и (2.6) и определяем коэффициенты мощности:
кВт;
кВт;
квар;
квар;
кВА;
кВА;
;
Таблица 1 Определение нагрузок линии 0,38 кВ и ТП-5
| Линии | Потребители | Количество, шт. | К0 | Активная нагрузка, кВт | Реактивная нагрузка, квар | ||||||||||||||
| на вводе | расчетная | на вводе | расчетная | ||||||||||||||||
| Рдi | Рвi | Рд | Рв | Qдi | Qвi | Qд | Qв | ||||||||||||
| Л1 | 1. Мельница с жерновым поставом 8/4 | 1 | 1 | 17 | 1 | 17 | 1 | 13 | - | 13 | - | ||||||||
| 2.ЗАВ-40 | 1 | 1 | 35 | 36 | 35 | 36 | 35 | 32 | 35 | 32 | |||||||||
| Л2 | 3.Материальный склад | 3 | 0,8 | 3 | 1 | 7,2 | 2,4 | 2 | - | 4,8 | - | ||||||||
| 4.Столярный цех | 1 | 1 | 15 | 1 | 15 | 1 | 10 | - | 10 | - | |||||||||
| Наружное освещение: помещений | 12 | 1 | - | 0,25 | - | 3 | - | - | - | - | |||||||||
| Хоздворов (100*0,003 кВт /м) | 12 | 1 | - | 0,3 | - | 3,6 | - | - | - | - | |||||||||
| Нагрузка ТП5 | - | - | - | - | 60,2 | 43,2 | - | - | 52,5 | 32 | |||||||||
Определение электрических нагрузок ТП-1
Например, для мельницы с жерновым поставом:
РД=17 кВт; QД =13 квар;
РВ=1 кВт; QВ =0 квар;
кВА;
кВА;
;
Характеристики
Тип файла документ
Документы такого типа открываются такими программами, как Microsoft Office Word на компьютерах Windows, Apple Pages на компьютерах Mac, Open Office - бесплатная альтернатива на различных платформах, в том числе Linux. Наиболее простым и современным решением будут Google документы, так как открываются онлайн без скачивания прямо в браузере на любой платформе. Существуют российские качественные аналоги, например от Яндекса.
Будьте внимательны на мобильных устройствах, так как там используются упрощённый функционал даже в официальном приложении от Microsoft, поэтому для просмотра скачивайте PDF-версию. А если нужно редактировать файл, то используйте оригинальный файл.
Файлы такого типа обычно разбиты на страницы, а текст может быть форматированным (жирный, курсив, выбор шрифта, таблицы и т.п.), а также в него можно добавлять изображения. Формат идеально подходит для рефератов, докладов и РПЗ курсовых проектов, которые необходимо распечатать. Кстати перед печатью также сохраняйте файл в PDF, так как принтер может начудить со шрифтами.
















