151872 (622003), страница 2
Текст из файла (страница 2)
отсутствие дуговых перенапряжений высокой кратности и многоместных повреждений в сети;
отсутствие необходимости в отключении первого однофазного замыкания на землю (только для высокоомного заземления нейтрали);
исключение феррорезонансных процессов и повреждений трансформаторов напряжения;
уменьшение вероятности поражения персонала и посторонних лиц при однофазном замыкании (только для низкоомного заземления и быстрого селективного отключения повреждения);
практически полное исключение возможности перехода однофазного замыкания в многофазное (только для низкоомного заземления и быстрого селективного отключения повреждения);
простое выполнение чувствительной и селективной релейной защиты от однофазных замыканий на землю, основанной на токовом принципе.
Недостатками резистивного режима заземления нейтрали являются:
увеличение тока в месте повреждения;
необходимость в отключении однофазных замыканий (только для низкоомного заземления);
ограничение на развитие сети (только для высокоомного заземления).
Отсутствие дуговых перенапряжений при однофазных замыканиях и возможность организации селективной релейной защиты являются неоспоримыми преимуществами режима резистивного заземления нейтрали. Именно эти преимущества способствовали широкому распространению такого режима заземления нейтрали в разных странах.
1.1.4 Глухозаземленная нейтраль
Как уже было сказано, в отечественных сетях 6-35 кВ не используется. Этот режим заземления нейтрали широко распространен в США, Канаде, Австралии, Великобритании и связанных с ними странах. Он находит применение в четырехпроводных воздушных сетях среднего напряжения 4-25 кВ. В качестве примера на рис.1.4 приведен участок сети 13,8 кВ в США. Воздушная линия на всем своем протяжении и ответвлениях снабжена четвертым нулевым проводом. Концепция построения сети заключается в том, чтобы максимально сократить протяженность низковольтных сетей напряжением 120 В. Каждый частный дом питается от собственного понижающего трансформатора 13,8/0,12 кВ, включенного на фазное напряжение. Основная воздушная линия делится на участки секционирующими аппаратами – реклоузерами. Трансформаторы каждого отдельного потребителя и ответвления от линии защищаются предохранителями. На отпайках от линии используются отделители, обеспечивающие отключение в бестоковую паузу.
Этот способ заземления нейтрали не используется в сетях, содержащих высоковольтные электродвигатели. Токи однофазного замыкания в этом случае достигают нескольких килоампер, что недопустимо с позиций повреждения статора электродвигателя (выплавление стали при однофазном замыкании).
Рис. 1.4 Схема воздушной четырехпроводной распределительной сети 4-25 кВ США.
Применение глухого заземления нейтрали в сетях среднего напряжения в России вряд ли необходимо и вероятно в обозримом будущем. Все отечественные линии 6-35 кВ трехпроводные, а трансформаторы потребителей трехфазные, то есть сам подход к построению сети существенно отличается от зарубежного. Указанный выше случай глухого заземления нейтрали в кабельной сети 35 кВ, питающей г. Кронштадт, является исключением. Такое решение было сознательно принято проектным институтом в связи с тем, что ток однофазного замыкания в этой сети составляет около 600 А. Компенсация в данном случае малоэффективна, а надежных высоковольтных низкоомных резисторов на момент реализации решения в России не существовало.
1.2 Характеристика процессов при замыканиях на землю в сети 35 кВ
Замыкания на линиях, однофазные и междуфазные, можно подразделить на дуговые и металлические. При дуговых замыканиях соединение токоведущих частей между собой или землей происходит через малое сопротивление дугового канала. Такие замыкания могут возникать вследствие воздействия грозовых или внутренних перенапряжений (при сильном загрязнении гирлянд, изоляторов), либо вследствие механических воздействий.
Рассмотрим возникновение перенапряжений в трехфазной сети на примере изолированной нейтрали. На рис. 5а приведена расчетная схема трехфазной сети. На этой схеме показаны фазные ЭДС ес, еь, еа, индуктивности и сопротивления фаз L и R, а также емкости фаз на землю С и междуфазовые См.
Рис.1.5 Исходная (а) и преобразованная (б) схемы сети
с изолированной нейтралью источника при замыканиях одной из фаз на землю
Пусть на фазе А возникает однофазное замыкание через неустойчивую дугу. Тогда для расчета возникающих перенапряжений схему на рис. 1.5.а можно представить в виде схемы на рис. 1.5.б. После зажигания дуги на поврежденной фазе А емкости С и См неповрежденных фаз соединяются параллельно, как это видно из рис. 1.5.б и происходит перераспределение зарядов между емкостями. Перераспределение свободных зарядов на емкостях С и См приводит к снижению амплитуды свободных колебаний напряжения в соответствии с соотношением С/(С+ См). Примерные значения соотношения С/(С+ См) для линий электропередачи 35 составляют 0,744.
Значения перенапряжения при повторном зажигании дуги можно определить по формуле
(1.1)
где Uн – начальное значение напряжения на неповрежденных фазах в момент повторного зажигания;
Uк – значение установившегося напряжения колебаний;
– коэффициент, учитывающий затухание высокочастотных колебаний, который принимается обычно равным 0,9.
Если принять, что при перовом повторном зажигании в момент максимума напряжения поврежденной фазы в сети нет остаточных зарядов, то максимальное перенапряжение на поврежденной фазе, достигаемое в переходном процессе, будет равно:
(1.2)
Кратковременные перенапряжения порядка 3Uф не опасны для нормальной изоляции при рабочих напряжениях до 35 кВ включительно. Однако длительные перенапряжения могут привести к тепловому пробою изоляции. Кроме того, на процесс развития перенапряжений в сетях часто действуют дополнительные факторы, повышающие кратность перенапряжений. Замечено, в частности, что при неустойчивых дугах на неповрежденных фазах часто срабатывают разрядники, имеющие пониженную кратность разрядного напряжения при рабочей частоте. Работа разрядников может привести к появлению перенапряжений, опасных для изоляции. Действительно, если происходит гашение дуги разрядником на неповрежденной фазе, а поврежденная фаза заземлена, то восстанавливающееся напряжение изменяется от нуля до 2Uл = 3,46Uф. Поэтому каждый раз, когда происходит срабатывание разрядников, на изоляцию здоровых фаз воздействует перенапряжение 3,46Uф.
При компенсации емкостных токов воздушные и кабельные сети могут длительно работать с замкнувшейся на землю фазой. В сети с изолированной нейтралью трансформаторов однофазное замыкание может существовать, если емкостной ток замыкания препятствует самопогасанию дуги в месте замыкания. При включении в нейтраль трансформатора реактора (рис.1.6) через место замыкания вместе с емкостным током проходит индуктивный ток, обусловленный индуктивностью реактора Lк.
Рис.1. 6. Схема сети с дугогасящей катушкой при однофазном замыкании на землю
Подбирая соответствующее значение индуктивности реактора Lк, можно добиться равенства емкостной и индуктивной составляющих тока замыкания (осуществить компенсацию емкостного тока замыкания). Компенсация наступит, если выполняется условие
(1.3)
где = 314 рад–1 – промышленная частота.
Реактор в сети играет двойную роль. При компенсации снижение тока до остаточного значения Iост, обусловленного активными потерями в сети, способствует самопогасанию дуги в месте замыкания. Кроме того, реактор резко снижает скорость восстановления напряжения на дуге.
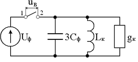
Значение остаточного тока Iост можно определить по схеме замещения (рис. 1.7). В этой схеме Lк – индуктивность замыкающего реактора; g – активная проводимость, учитывающая активные потери в реакторе и сети; источник напряжения имеет значение фазного напряжения Uф в трехфазной сети.
Рис. 1.7 Расчетная схема для определения восстанавливающегося напряжения на дуговом промежутке при однофазном замыкании на землю
в сети с дугогасящей катушкой
Отношение токов в индуктивности Lк и емкости 3С0 носит название настройки заземляющего реактора
(1.4)
где
.
Остаточный ток в дуге (рис. 1.7)
(1.5)
где Ia = Uфg – активная составляющая тока в месте замыкания;
IС = 3UфС0 – емкостная составляющая тока, равная току замыкания в отсутствии заземляющего реактора.
Как видно из (1.5), остаточный ток Iост тем меньше, чем ближе значение kн к единице. При kн = 1 (точная настройка реактора) через место замыкания протекает только малый активный ток (g 0).
Погасание дуги происходит при прохождении тока Iост через нулевое значение. Этому соответствует разрыв цепи между зажимами 1 и 2 (рис. 1.7), при котором потенциал точки 2 изменяется с промышленной частотой ; потенциал точки 1 с частотой 0 собственных колебаний контура Lк – 3С0. Напряжение, восстанавливающееся на поврежденной фазе, равно разности потенциалов точек 1 и 2 и описывается следующим соотношением:
(1.6)
где – фазовый угол напряжения в момент погасания дуги;
– коэффициент затухания свободных колебаний.
Так как мало и множитель
близок к единице, то при достаточно точной настройке (kн 1) напряжение uв(t) нарастает медленно, так как 0.
Малый остаточный ток и малая скорость восстановления напряжения способствуют гашению тока дуги замыкания на землю, что очень важно при грозовых перекрытиях изоляции на линиях электропередачи. Самоликвидация грозовых перекрытий улучшает электрозащитные характеристики линий. Однако в тех случаях, когда самоликвидация дуги невозможна, как, например, в случаях пробоя или разрушения изоляторов, падения проводов на землю и т.д., дуга замыкания на землю не гаснет и может приобрести неустойчивый перемежающийся характер с повторными гашениями и зажиганиями. В этих случаях на емкостях неповрежденных фаз при очередном гашении дуги могут сохраниться остаточные заряды, приводящие к появлению напряжения смещения Uсм. Переход напряжения поврежденной фазы от нулевого значения к кривой Uсмcos(t)+ Uфcos(t) происходит в результате колебаний, при которых формируется первый максимум напряжения на дуге:
(1.7)
Дальнейшее нарастание напряжения в силу резонансной настройки заземляющего реактора происходит сравнительно медленно.
Повторное зажигание на поврежденной фазе при больших мгновенных значениях напряжения возможно, однако вероятность его возникновения мала. Это обусловлено тем, что должно произойти совпадение достаточно редких условий: устойчивое нарушение изоляции (например, обрыв или падение провода) и повторное зажигание в самый неблагоприятный момент времени, что сопровождается большими перенапряжениями на неповрежденных фазах.
Из изложенного следует, что необходимо стремиться к точной резонансной настройке дугогасящей катушки.
По установившейся практике электрические сети напряжением до 35 кВ включительно имеют незаземленную нейтраль. Если в такой сети произойдет дуговое замыкание на землю, то через дугу будет протекать емкостной ток, величина которого определяется рабочей емкостью всех трех фазах по всей сети.
Как известно из курса ТОЭ, ток замыкания в любой линейной сети можно определить, включая в месте замыкания источник напряжения, равного напряжению фазы до замыкания, т.е. Uф, и полагая все остальные источники напряжения нулевыми. Величины индуктивных сопротивлений, пренебрежимо малы по сравнению с емкостными. Емкостной ток замыкания на землю равен:
Iз = Uф3Сф (1.8)
где Сф – емкость фаз на землю.
Путем симметрирования фаз – транспозицией на линиях или на подстанциях добиваются равенства емкостей Сф всех трех фаз системы. Для воздушных линий удельный емкостной ток замыкания на землю, т.е. ток на 1 км линии и 1 кВ номинального напряжения, равен в среднем
ICуд = 3 мА/кмкВ. (1.9)
Удельный ток в кабельных линиях лежит в пределах 60…250 мА/кмкВ в зависимости от сечения и напряжения кабеля. Большие цифры относятся к кабелям большего сечения и меньшего напряжения.
Если IС > IСпред, то возникает устойчивая дуга однофазного замыкания на землю, которая ведет к термическому разрушению изоляторов, пережогу провода и обычно перебрасывается на междуфазные промежутки, т.е. ведет к междуфазным коротким замыканиям с автоматическим отключением участка сети. По этой причине дуговые замыкания на землю стремятся погасить в начале их возникновения. Для этой цели служит дугогасящая катушка, включаемая в нейтраль трехфазной сети (рис. 1.6). Катушка настраивается в резонанс на суммарную емкость сети на землю (3Сф). Это означает, что индуктивность катушки должна примерно удовлетворять условию:
(1.10)
















