150731 (621369)
Текст из файла
1
Содержание
Введение…………………………….…………………………………..................2
1. Определение параметров и структуры объекта управления.….…………….3
2. Разработка алгоритма управления и расчёт параметров устройств управления……………………………………………………………………...…7
3. Моделирование процессов управления, определение и оценка показателей качества…………………………………………………………………………..16
4. Разработка принципиальной электрической схемы и выбор её элементов.23
Список литературы.………………………………………….………………..…39
Введение
На современном этапе, характеризующемся приоритетным развитием машиностроения и автоматизации производства, автоматизированный электропривод сформировался как самостоятельное научное направление, в значительной степени определяющее прогресс в области техники и технологии, связанных с механическим движением, получаемым путем преобразования электрической энергии. Этим объясняется большой интерес специалистов к новым разработкам в данной отрасли техники и к ее научным проблемам.
Четко определился объект научного направления – система, отвечающая за управляемое электромеханическое преобразование энергии и включающая два взаимодействующих канала – силовой, состоящий из участка электрической сети, электрического, электромеханического, механического преобразователей, технологического рабочего органа, и информационный канал. В рамках данного курсового проекта рассматривается разработка информационного канала.
1. Определение параметров и структуры объекта управления
В состав объекта управления входит двигатель постоянного тока независимого возбуждения
с параметрами по табл. 10.11 [1, стр. 277]:
|
|
|
|
|
|
|
|
|
|
|
|
|
|
|
|
|
|
|
|
|
|
|
|
Данный ЭД предназначен для работы в широкорегулируемых электроприводах, соответствует
, имеет защищенное исполнение, с независимой вентиляцией (асинхронный двигатель
).
Номинальная угловая скорость вращения
Максимальная угловая скорость вращения:
Номинальный ток якоря:
Суммарное сопротивление якорной цепи:
Произведение постоянной машины на номинальный поток:
Постоянная времени якорной цепи:
Номинальный момент:
Номинальный ток обмотки возбуждения:
Исходя из высоты оси вращения
по табл. 1 [2, стр. 5]:
По рис. 4 [2, стр. 10]:
По рис. 2б [2, стр. 8]:
По табл. 2 [2, стр. 9] для класса изоляции
:
По табл. 3 [2, стр. 10] для
:
Окончательно получим:
По рис. 3 [2, стр. 9]:
Полюсное деление равно:
Число витков обмотки возбуждения [2, стр. 27]:
Номинальный магнитный поток:
Постоянная машины:
Коэффициент рассеяния [3, стр. 38]:
Индуктивность обмотки возбуждения:
Постоянная времени обмотки возбуждения:
Постоянная времени обмотки возбуждения:
Суммарный момент инерции механизма:
Так же объёкт управления содержит
возбуждения и
напряжения якоря, частота коммутации которых:
Постоянная времени преобразователей равна:
Так как
и
представим преобразователи в виде пропорциональных звеньев, откуда с учетом диапазона стандартных управляющих сигналов (
) имеем и максимальной скважности
(
) получим:
2. Разработка алгоритма управления и расчёт параметров устройств управления
Объект управления описывается следующими уравнениями [3, стр.38-39]:
Выберем двухконтурную систему управления скорости с внутренним контуром потока (рис. 1).
Рис. 1. Двухконтурная система регулирования скорости.
Универсальная кривая намагничивания представлена на рис. 3.
Так как регулирование происходит изменением потока, минимальный поток будет при максимальной скорости:
Минимальный ток возбуждения (по рис. 3):
Рис. 3. Универсальная кривая намагничивания.
При этом коэффициент линеаризации кривой намагничивания лежит в диапазоне:
Максимальная постоянная времени потока:
Коэффициент форсирования тока возбуждения [4, стр. 559]:
Малая постоянная времени:
Желаемая передаточная функция замкнутого контура потока:
Желаемая передаточная функция разомкнутого контура потока:
Передаточная функция разомкнутого контура потока:
Коэффициент обратной связи по потоку:
Передаточная функция регулятора потока:
где
Коэффициент
подлежит определению непрерывно, для чего контур потока будет модифицирован (рис. 4.).
Рис. 4. Модифицированный контур регулирования потока.
Коэффициент обратной связи по скорости:
Коэффициент обратной связи ЭДС:
Коэффициент обратной связи по току возбуждения:
Коэффициент нормализации
С учётом этого:
Внешний контур скорости представлен на рис. 5.
Рис. 5. Контур регулирования скорости.
Желаемая передаточная функция разомкнутого контура скорости:
Передаточная функция разомкнутого контура скорости:
Передаточная функция регулятора скорости
где
Так как нагрузка с постоянной мощностью изменяет знак
и коэффициент
подлежит определению непрерывно контур скорости также будет модифицирован (рис. 6.).
Рис. 6. Модифицированный контур регулирования скорости.
Коэффициент обратной связи по току якоря:
Отсюда следует:
Передаточная функция контура компенсирующего влияние нагрузки:
Коэффициент задания мощности нагрузки:
Откуда (с учётом принятых выше коэффициентов) имеем:
где
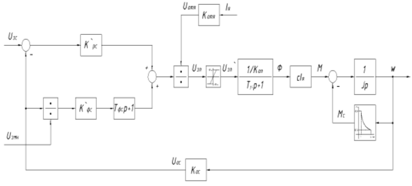
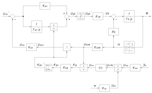
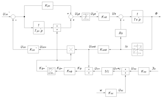
Структура системы управления стабилизатором напряжения в цепи якоря приведена на рис. 7.
Рис. 7. Контур управления напряжением якоря.
Здесь:
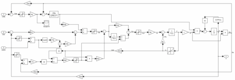
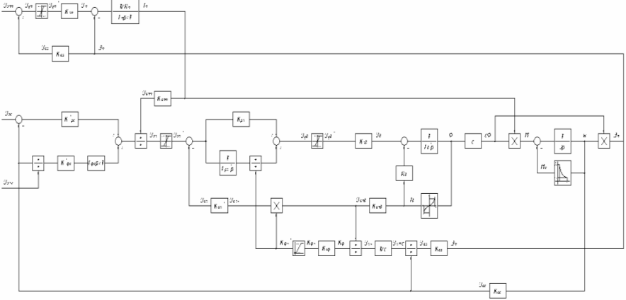
Структурная схема всей системы управления и объекта приведена на рис. 8.
Рис. 8. Структурная схема системы управления и объекта.
3. Моделирование процессов управления, определение и оценка показателей качества
Модель объекта и системы управления в комплексе
представлена на рис. 9.
Моделирование будем проводить по нижеследующему алгоритму:
Пуск на номинальную скорость -
максимальный скачёк задания -
, (рис. 10 – рис. 14)
Проверка отработки задания
(рис. 15 – рис. 10)
Рис. 9. Модель объекта и систему управления.
Р
ис. 10. Зависимость
от времени.
Рис. 11. Зависимость
и
от времени.
Р
ис. 12. Зависимость
и
от времени.
Р
ис. 13. Зависимость
и
от времени.
Р
ис. 14. Зависимость
от времени.
Рис. 15. Зависимость
от времени.
Рис. 16. Зависимость
и
от времени.
Р
ис. 17. Зависимость
от времени.
Р
ис. 18. Зависимость
и
от времени.
Р
ис. 19. Зависимость
от времени.
Для технического оптимума:
-перерегулирование составляет:
-время нарастания:
По результатам моделирования:
-перерегулирование составляет:
-время нарастания:
Статическая ошибка отсутствует.
Отсюда можно сделать вывод:
динамика и статика спроектированной системы полностью удовлетворяет требованиям технического задания.
4. Разработка принципиальной электрической схемы и выбор её элементов
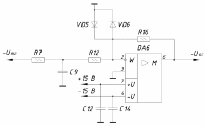
Обратная связь по скорости.
Рис. 20. Обратная связь по скорости.
Схема обратной связи по скорости представлена на рис. 20, здесь:
-фильтр коллекторных пульсаций тахогенератора с
:
-
,
-
-цепь защиты от обрыва обратной связи:
-
с параметрами
- максимальный прямой ток,
- прямое напряжение,
- максимальное обратное напряжение,
- ёмкость диода,
- максимальная рабочая частота;
-тахогенератор
встроенный в двигатель:
-коэффициент усиления схемы:
,
,
-
,
;
-усилительный элемент:
-
с параметрами
- напряжение питания,
- максимальное выходное напряжение,
- входной ток,
- коэффициент нарастания напряжения,
- коэффициент усиления по напряжению,
- максимальная рабочая частота;
-фильтр пульсаций напряжения питания усилителя:
-
,
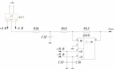
Обратная связь по току якоря.
Рис. 21. Обратная связь по току якоря.
Схема обратной связи по току якоря представлена на рис. 21, здесь:
Характеристики
Тип файла документ
Документы такого типа открываются такими программами, как Microsoft Office Word на компьютерах Windows, Apple Pages на компьютерах Mac, Open Office - бесплатная альтернатива на различных платформах, в том числе Linux. Наиболее простым и современным решением будут Google документы, так как открываются онлайн без скачивания прямо в браузере на любой платформе. Существуют российские качественные аналоги, например от Яндекса.
Будьте внимательны на мобильных устройствах, так как там используются упрощённый функционал даже в официальном приложении от Microsoft, поэтому для просмотра скачивайте PDF-версию. А если нужно редактировать файл, то используйте оригинальный файл.
Файлы такого типа обычно разбиты на страницы, а текст может быть форматированным (жирный, курсив, выбор шрифта, таблицы и т.п.), а также в него можно добавлять изображения. Формат идеально подходит для рефератов, докладов и РПЗ курсовых проектов, которые необходимо распечатать. Кстати перед печатью также сохраняйте файл в PDF, так как принтер может начудить со шрифтами.















