150731 (621369), страница 2
Текст из файла (страница 2)
-фильтр пульсаций
с
:
-
,
-
;
-датчик тока:
-
с параметрами :
- номинальный входной ток,
- напряжение питания,
- сопротивление нагрузки,
- коэффициент датчика тока;
-коэффициент усиления схемы:
-
,
-
,
-усилительный элемент:
-
;
-фильтр пульсаций напряжения питания усилителя:
-
.
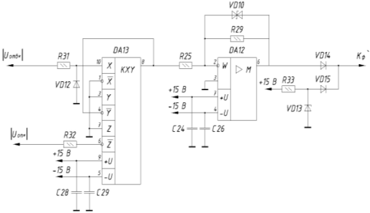
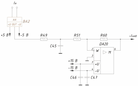
Обратная связь по току возбуждения.
Рис. 22. Обратная связь по току возбуждения.
Схема обратной связи по току возбуждения представлена на рис. 22, здесь:
-фильтр пульсаций
с
:
-
,
-
;
-датчик тока:
-
с параметрами
- номинальный входной ток,
- напряжение питания,
- сопротивление нагрузки,
- коэффициент датчика тока;
-коэффициент усиления схемы:
,
-
,
,
-усилительный элемент:
-
;
-фильтр пульсаций напряжения питания усилителя:
-
.
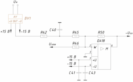
Обратная связь по ЭДС.
Рис. 23. Обратная связь по ЭДС.
Схема обратной связи по ЭДС представлена на рис. 23, здесь:
-фильтр пульсаций
с
:
-
,
-
;
-датчик напряжения:
-
с параметрами :
- номинальный входной ток,
- напряжение питания,
- сопротивление нагрузки,
- коэффициент датчика напряжения;
-коэффициент усиления схемы:
-
,
-
,
-
,
-усилительный элемент:
-
;
-фильтр пульсаций напряжения питания усилителя:
-
Обратная связь по потоку.
Рис. 24. Обратная связь по потоку.
Схема обратной связи по потоку представлена на рис. 24, здесь:
-коэффициент усиления схемы:
,
-
,
-
,
-
,
-
;
-защита от отрицательного напряжения:
-
-ограничение
:
-
с параметрами:
- напряжение стабилизации,
- ток стабилизации;
-
с параметрами:
- напряжение стабилизации,
- ток стабилизации;
-
;
-
-перемножитель напряжения:
-
с параметрами:
- напряжение питания,
- максимальное выходное напряжение,
- входной ток,
- коэффициент нарастания напряжения,
- коэффициент умножения,
- максимальная рабочая частота;
-усилительный элемент:
-
;
-фильтр пульсаций напряжения питания:
-
.
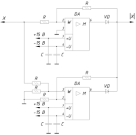
Модульная функция.
Рис. 24. Модульная функция.
Схема модульной функции представлена на рис. 24, здесь:
-сопротивления:
-
;
-усилительный элемент:
-
;
-фильтр пульсаций напряжения питания усилителя:
-
.
Регулятор скорости.
Рис. 25. Регулятор скорости.
Схема регулятора скорости представлена на рис. 25, здесь:
-компенсация нагрузки:
-
,
-
,
-
,
,
-
,
-
,
-
,
-
;
-усилительный элемент:
-
-перемножитель напряжения:
-
с параметрами
-ограничение сигналов:
-
,
-
,
-
-фильтр пульсаций напряжения питания усилителя:
-
Регулятор потока.
Рис. 26. Регулятор потока.
Схема регулятора потока представлена на рис. 26, здесь:
-компенсация нагрузки:
-
,
-
,
-
,
-
,
-
-усилительный элемент:
-
;
-перемножитель напряжения:
-
;
-ограничение сигналов:
-
;
-фильтр пульсаций напряжения питания усилителя:
-
.
Управление стабилизатором напряжения якоря.
Рис. 27. Управление стабилизатором напряжения якоря.
Схема управление стабилизатором напряжения якоря представлена на рис. 27, здесь:
-
,
-
,
-
,
-
,
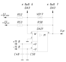
Реле защиты.
Рис. 28. Реле защиты.
Схема реле защиты представлена на рис. 28, здесь:
-
,
-
,
-
,
-
Список литературы
1. Справочник по электрическим машинам: В 2 т./ Под общ. Ред. И. П. Копылова и Б. К. Клокова. Т. 1. – М.: Энегроатомиздат, 1988, - 456 с.
2. Заборщикова А. В., Мельников В. И. «Двигатели постоянного тока для автоматизированного электропривода»: Учебное пособие. – СПб: Петербургский гос. ун-т путей сообщ., 1994. – 84 с.
3. Башарин А. В., Новиков В. А., Соколовский Г. Г. «Управление электроприводами» : Учебное пособие для вузов. – Л.: Энергоатомиздат. Ленингр. Отд-ние, 1982. – 392 с., ил.
4. Ключев В. И. «Теория электропривода»: Учеб. Для вузов. – 2-е изд. Перераб. И доп. – М.: Энегроатомиздат, 2001. – 704 с.: ил
5. Герман-Галкин С. Г. И др. Цифровые электроприводы с транзисторными преобразователями. - Л.: Энергоатомиздат. Ленинградское отделение, 1986.–246 с.
4. Справочник разработчика и конструктора РЭА. Элементная база : В 2 кн. / Масленников М. Ю., Соболева Е. А и др. – М.: Б. И., 1996.-157-300с.
5. Операционные усилители и компараторы. – М.: Издательский дом «ДОДЭКА ХХI», 2002.-560 с.
. Бурков А. Т. Электронная техника и преобразователи: Учеб. Для вузов ж.–д. трансп. – М.: Транспорт, 1999.-464 с.
6. Александров К. К., Кузьмина Е. Г. Электротехнические чертежи и схемы. – М.: Энергоатомиздат, 1990.-288с.















