150672 (621326)
Текст из файла
Федеральное агентство железнодорожного транспорта
Иркутский государственный университет путей сообщения
Кафедра: ЭЖТ
Курсовой проект
Дисциплина: «Тяговые и трансформаторные подстанции»
на тему: «Проектирование транзитной тяговой подстанции для питания системы тяги 2 х 27,5 кВ»
Вариант №11
Выполнил: ст. гр. ЭНС-08
Колягин В.С.
Проверил: канд. техн. наук, доц.
Пузина Е.Ю.
Иркутск 2010г
Содержание
Введение…………………………………………………………………………...4
Реферат………………………………………………………………………...…..6
Исходные данные………………………………………………………………....7
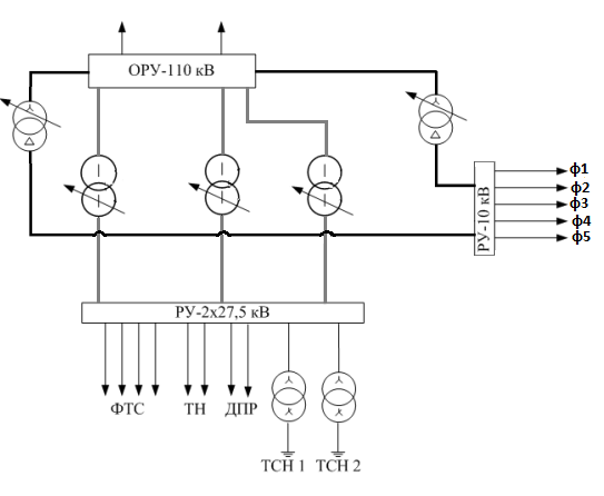
Глава №1. Однолинейная схема главных электрических соединений…….....10
1.1 Структурная схема тяговой подстанции…………………………………...10
1.2 Выбор типа силового трансформатора……………………………………..10
1.3 Выбор типа районного трансформатора…………………………………...11
1.4 Разработка однолинейной схемы тяговой подстанции……………………11
1.5 Описание назначения основных элементов схемы тяговой подстанции...12
1.6 Расчет максимальных рабочих токов основных присоединений………...13
1.7 Выбор аппаратуры и токоведущих частей…………………………….…...16
Глава №2. Расчет токов короткого замыкания…………………………….......22
2.1 Расчетная схема тяговой подстанции……………………………………....22
2.2 Электрическая схема замещения…………………………………………...22
2.3 Расчет сопротивлений элементов схемы замещения………………….......23
2.4 Расчет токов короткого замыкания на шинах РУ………………………....26
2.5 Выбор трансформатора собственных нужд………………………………..35
2.6 Схемы питания потребителей собственных нужд…………………….......37
2.7 Расчет токов короткого замыкания в цепях собственных нужд……….....39
Глава 3. Проверка токоведущих частей, изоляторов и аппаратуры по результатам расчета токов короткого замыкания……………………………..47
3.1 Расчет величины теплового импульса для всех РУ…………………….....47
3.2 Проверка шин и токоведущих частей………………………………………48
3.3 Проверка изоляторов……………………………………………………...…53
3.4 Проверка выключателей………………………………………………….....55
3.5 Проверка разъединителей……………………………………………...........61
3.6 Проверка заземлителей……………………………………………………...62
3.7 Проверка предохранителей………………………………………………....63
3.8 Проверка трансформаторов тока…………………………………………...63
3.9 Проверка трансформаторов напряжения (ТН)………………………….....72
3.10 Выбор аккумуляторной батареи и зарядно-подзарядного агрегата….....75
Глава 4. План тяговой подстанции……………………………………………..79
Глава 5. Расчет заземляющего устройства……………………………………..81
Глава 6. Экономическая часть проекта………………………………………...86
6.1 Определение стоимости тяговой подстанции……………………………...86
6.2 Основные технико-экономические показатели тяговой подстанции….....89
Список использованной литературы……………………………………...........90
Введение
До 1956 года электрификация железных дорог проводилась на постоянном токе напряжением 3 кВ. В настоящее время она осуществляется как на постоянном, так и на переменном токе промышленной частоты напряжением 27,5 кВ и 2 х 27,5 кВ.
Применение переменного тока для электрической тяги более экономично по сравнению с постоянным током, как по капитальным вложениям, так и по эксплуатационным расходам. При напряжении 25 кВ среднее расстояние между тяговыми подстанциями составляет 50 км вместо 20 км при напряжении 3 кВ постоянного тока, что уменьшает примерно в 2 раза общее количество дорогостоящих тяговых подстанций для одного и того же электрифицированного участка.
Кроме того, при потреблении электроподвижным составом одной и той же мощности потери энергии в контактной сети при напряжении 27,5 кВ во много раз меньше, чем при напряжении 3 кВ, что позволяет выполнить контактную подвеску проводами меньшего сечения.
В данном курсовом проекте я рассматриваю систему тяги переменного тока 2 х 27,5 кВ, которая позволяет увеличить среднее расстояние между тяговыми подстанциями до 100 км.
Электрическая тяга является основным потребителем электроэнергии на железнодорожном транспорте. Кроме того, электроэнергия на железных дорогах расходуется на различные технические нужды: освещение вокзалов и станций, выполнение работ по ремонту подвижного состава, пути, изготовление запасных частей и т.д. Удовлетворение потребности железнодорожного транспорта в электроэнергии осуществляется в основном путём присоединения железнодорожных электроустановок к районным сетям энергосистемы.
Тяговые подстанции это сложные и мощные электроустановки, требующие от персонала глубоких знаний устройства электроустановок, электрооборудования, схем и аппаратуры управления, а также знаний по технике безопасности при проведении всех работ на тяговых подстанциях.
Проектирование тяговой подстанции выполняется с учетом действующих правил и норм на основании имеющегося опыта эксплуатации и имеющихся достижений науки и технике в области электрифицированного железнодорожного транспорта.
Целью курсового проекта являются обобщения и углубления студентами знаний по дисциплине, изучение современных проблем проектирования.
Грамотно эксплуатировать оборудование тяговой подстанции, уметь наблюдать и анализировать происходящие в нем процессы, при необходимости наметить пути усовершенствования отдельных узлов и иметь уверенность в том, что их осуществление возможно только после тщательного целенаправленного изучения принципа действия и устройства всего того единого целого, что объясняется названием тяговая подстанция.
Реферат
В данном курсовом проекте произвели выбор типов понижающих трансформаторов для питания тяговых, районных и нетяговых железнодорожных потребителей. Разрабатывается схема главных электрических соединений тяговой подстанции системы тяги соответствующей варианту задания. Рассчитываются токи коротких замыканий на шинах тяговой подстанции. С учётом рассчитанных токов коротких замыканий производится выбор и проверка аппаратуры, токоведущих частей и изоляторов, применяемых на данной тяговой подстанции. Производится выбор ТСН и аккумуляторной батареи. Рассчитываются заземляющие устройства. Производится расчёт технико-экономических показателей тяговой подстанции. Разрабатывается план и разрезы подстанции.
Исходные данные
Схема внешнего электроснабжения.
Рис.1. Двухцепная ЛЭП – 110 кВ.
Тяговая подстанция №4.
Род тока – переменный.
Характеристика источников питания.
ИП 1;
МВА;
МВА;
ИП 2:
МВА;
МВА;
5. Данные по подстанции.
Понижающий тяговый трансформатор ОРДТНЖ-25000/110:
МВА;
кВ;
кВ
Количество трансформаторов – 3;
Понижающий районный трансформатор ТДН-16000/110/10:
МВА;
кВ;
кВ;
кВА;
Количество трансформаторов – 2;
Количество фидеров – 5;
;
6. Длины участков ЛЭП.
l1 =79 км;
l2 =72 км;
l3 =75 км;
l4 =70 км;
l5 =72 км;
l6 =79 км;
7. Характеристика потребителей собственных нужд.
Таблица 1.
| Наименование потребителя | ки | км | Р, кВт |
| Рабочее освещение | 0.7 | 1.0 | 24 |
| Аварийное освещение | 1.0 | 1.0 | 2.4 |
| Моторные нагрузки | 0.75 | 0.8 | 35 |
| Печи отопления и калориферы | 0.65 | 1.0 | 23 |
| Потребители СЦБ | 0.75 | 0.8 | 42 |
| Зарядно-подзарядный агрегат | 0.7 | 1.0 | 9.3 |
| Цепи управления, защиты и сигнализации | 0.7 | 1.0 | 2.3 |
8. Данные для расчёта заземляющих устройств.
Сопротивление верхнего слоя земли:
Омм;
Сопротивление нижнего слоя земли:
Омм;
Толщина верхнего слоя земли:
м;
Время протекания
- 0.4 с;
9. Выдержка времени релейной защиты.
Вводы 110 кВ – 2.0 с;
Вводы 10 кВ – 1.0 с;
Вводы 2х27.5 кВ – 1.0 с;
Фидер 2х27.5 кВ – 0.5 с;
Фидер 10 кВ – 0.5 с;
Глава 1. Однолинейная схема главных электрических соединений
1.1 Структурная схема тяговой подстанции
1.2 Выбор типа силового трансформатора
Согласно исходным данным выбираем трансформатор типа: ОРДНЖ-25000/110–76 У1
Технические характеристики трансформатора ОРДНЖ-25000/110–76 У1
Таблица 2.
| Тип трансформатора | Sн, кВА | Номинальное напряжение обмоток , кВ | Потери, кВт | uК, % | IХ, % | ||||||
| ВН | НН | РХ | ВН- НН | ВН-НН1 | ВН-НН2 | НН1-НН2 | |||||
| ОРДНЖ-25000/110–76 У1 | 25000 | 110 | 27,5-27,5 | 27 | 84 | 11,0 | 11,0 | 15,0 | 0,5 | ||
1.3 Выбор типа районного трансформатора
Согласно исходным данным выбираем трансформатор типа: ТДН-16000/110–66
Технические характеристики трансформатора ТДН-16000/110–66
Таблица 3.
| Тип трансформатора | Sн, кВА | Номинальное напряжение обмоток , кВ | Потери, кВт | uК, % | IХ, % | ||
| ВН | НН | РХ | РК | ||||
| ТДН-16000/110–66 | 16000 | 115 | 11 | 26 | 85 | 10,5 | 0,85 |
1.4 Разработка однолинейной схемы тяговой подстанции
Согласно ПУЭ электрифицированные железных дороги относится к потребителям первой категории, для которых перерыв в электроснабжении не допускается, поэтому схемы электроснабжения выполняют таким образом, что при повреждении или ремонте любого элемента обеспечивалось непрерывное питание ЭПС.
Конфигурация и основные особенности схемы внешнего электроснабжения тяговых подстанций зависят от значения питающего напряжения и надежности элементов системы, в частности ЛЭП и коммутационных аппаратов.
Однолинейная схема определяет состав необходимого высоковольтного оборудования, а дальнейшие расчеты позволяют выбрать тип оборудования.
Характеристики
Тип файла документ
Документы такого типа открываются такими программами, как Microsoft Office Word на компьютерах Windows, Apple Pages на компьютерах Mac, Open Office - бесплатная альтернатива на различных платформах, в том числе Linux. Наиболее простым и современным решением будут Google документы, так как открываются онлайн без скачивания прямо в браузере на любой платформе. Существуют российские качественные аналоги, например от Яндекса.
Будьте внимательны на мобильных устройствах, так как там используются упрощённый функционал даже в официальном приложении от Microsoft, поэтому для просмотра скачивайте PDF-версию. А если нужно редактировать файл, то используйте оригинальный файл.
Файлы такого типа обычно разбиты на страницы, а текст может быть форматированным (жирный, курсив, выбор шрифта, таблицы и т.п.), а также в него можно добавлять изображения. Формат идеально подходит для рефератов, докладов и РПЗ курсовых проектов, которые необходимо распечатать. Кстати перед печатью также сохраняйте файл в PDF, так как принтер может начудить со шрифтами.















