150672 (621326), страница 4
Текст из файла (страница 4)
Рис.4. Принципиальная схема питания СН переменного тока закрытой части тяговой подстанции: фидеры: 1 – сверлильного и наждачного станков; 2 – электрических печей щитовой и подсобных помещений; 3 – электрических печей; 4 – насоса откачки воды из баков для слива масла; 5 – питания двигателей вентиляторов машинного зала; 6,7 и 8 – питания соответственно пульта дистанционного управления разъединителями контактной сети, стоек телемеханики и автоматики; 9 – питания подзарядных устройств; 10 – калориферов и вентиляторов помещения аккумуляторной батареи; 11 – освещения здания тяговой подстанции; 12 – электрических печей помещения дизель – генератора; 13 – вентиляторов помещения дизель – генератора. Вводы: I и III – фидеров СН от ТСН на открытой части тяговой подстанции; II – резервный от дизель – генератора
Рис.5. Принципиальная схема питания СН постоянного тока. Цепи питания: 1 – приводов высоковольтных выключателей; 2 – устройств управления и сигнализации; 3 – аварийного освещения; 4 – унифицированного преобразователя напряжения устройств автоматики и телемеханики.
2.7 Расчёт токов короткого замыкания в цепях собственных нужд
При расчёте необходимо учесть особенности:
Учитываем активное и реактивное сопротивление цепи КЗ;
Расчёт сопротивлений выполняем в именованных единицах (Ом, мОм);
Определяем конкретные значения времени затухания апериодической составляющей тока
Расчёт периодической составляющей тока КЗ ведется по закону Ома;
Необходимость учёта сопротивлений всех элементов цепи КЗ.
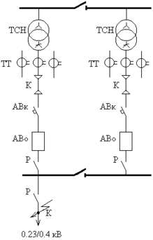
Составим расчётную схему цепей собственных нужд:
Рис. 9.
Составляем схему замещения
Рис. 10.
Преобразуем схему замещения.
Рис. 11.
Найдём максимально рабочий ток во вторичной обмотке трансформатора собственных нужд:
где: кпер – коэффициент перегрузки трансформатора, равный 1,5;
SнТСН – номинальная мощность трансформатора собственных нужд, кВА;
Ucр – среднее напряжение вторичной обмотки ТСН, равное 0,38 кВ.
Найдём сопротивление ТСН:
где: uк – напряжение короткого замыкания ТСН, %;
- номинальное напряжение вторичной обмотки ТСН, кВ;
- номинальная мощность ТСН, кВА.
Найдём сопротивление трансформатора тока:
ТК – 20 – 400/5
rтт = 0,11 Ом
хтт = 0,17 Ом
Найдём сопротивление автоматического выключателя:
А3790С – 400
rАВ = 0,15 Ом
хАВ = 0,1 Ом
Найдём сопротивление материала кабеля:
где:
- удельное сопротивление материала кабеля;
;
- длина кабеля, равная 50м;
- сечение кабеля, мм2.
ААГУ-3185
= 185 мм2
В качестве четвёртой жилы используем алюминиевую оболочку кабеля [9].
380 > 365 А
где: х0 – 0,0602 [2]
Найдём сопротивление рубильника:
РПЦ – 32 – 400
rр = 0,2 мОм
Найдём сопротивление системы:
где:
- среднее напряжение;
=0.4 кВ.
- мощность короткого замыкания на шинах, от которых питается ТСН, кВА.
Определяем суммарное активное и реактивное сопротивления:
мОм;
мОм;
мОм;
мОм;
мОм;
мОм;
мОм;
мОм.
Найдём периодическую составляющую:
где: z – полное сопротивление цепи короткого замыкания Ом;
Для определения ударного тока и апериодической составляющей тока короткого замыкания определим постоянную времени затухания апериодической составляющей по формуле:
где:
результирующее реактивное и активное сопротивление цепи короткого замыкания;
рад/с.
Определим ударный коэффициент:
Апериодическую составляющую тока короткого замыкания определим по формуле:
кА.
Определим ударный ток короткого замыкания.
,
где:
- ударный коэффициент.
кА;
Определим полный ток короткого замыкания по формуле:
кА.
Глава 3. Проверка токоведущих частей, изоляторов и аппаратуры по результатам расчета токов короткого замыкания
3.1 Расчёт величины теплового импульса для всех РУ
Для проверки аппаратуры и токоведущих частей выполняется расчёт величины теплового импульса для всех РУ по выражению:
кА2с
где
- начальное значение периодической составляющей тока короткого замыкания;
- постоянная времени затухания апериодической составляющей тока короткого замыкания,
.
где
- время срабатывания релейной защиты рассматриваемой цепи;
- полное время отключения выключателя.
Результаты расчета оформим в виде таблицы:
Таблица № 7
| U, кВ | а, с | tпв, с | tрз, с | tотк, с | In, кА |
|
| |
| вводы | 110 | 0,02 | 0,055 | 2,0 | 2,055 | 1,388 | 1,3882(2,055+0,02) | 3,998 |
| 2х27,5 | 0,02 | 0,065 | 1,0 | 1,065 | 2,705 | 2,7052(1,065+0,02) | 7,939 | |
| 10 | 0,03 | 0,025 | 1,0 | 1,025 | 5,433 | 5,4332(1,025+0,03) | 31,141 | |
| фидеры | 2х27,5 | 0,02 | 0,065 | 0,5 | 0,565 | 2,705 | 2,7052(0,565+0,02) | 4,280 |
| 10 | 0,03 | 0,025 | 0,5 | 0,525 | 5,433 | 5,4332(0,525+0,03) | 16,382 |
3.2 Проверка шин и токоведущих элементов
Шины открытых РУ 110 кВ и 2х27,5 кВ выполняют сталеалюминевыми гибкими проводами марки АС.
Проверка гибких шин РУ – 110 кВ и РУ 2х27,5 кВ.
Проверка на термическую стойкость выполняется по формуле:
где:
- минимальное сечение, термическое устойчивое при КЗ, мм2
Минимальное сечение, при котором протекание тока КЗ не вызывает нагрев проводника выше допустимой температуры:
где:
- величина теплового импульса;
С – константа, значение которой для алюминиевых шин равно 90,
.
Проверка по условию отсутствия коронирования
где: E0 – максимальное значение начальной критической напряженности электрического поля, при котором возникает разряд в виде короны, кВ/см,
где: m – коэффициент, учитывающий шероховатость поверхности провода (для многопроволочных проводов m = 0.82);
rпр – радиус провода, см.
E – напряжённость электрического поля около поверхности провода, кВ/см,
где U – линейное напряжение, кВ;
Dср – среднее геометрическое расстояние между проводами фаз, см.
При горизонтальном расположении фаз
.
Здесь D – расстояние между соседними фазами, см. Для сборных шин приняты расстояния между проводами разных фаз –1,6 и 3,0 м для напряжений 35 и 110 кВ соответственно.
Вводы и перемычка ТП (110 кВ), тип шин АС – 700 [4] по термической стойкости:
700мм2 > 22,217мм2
по условию отсутствия коронирования
кВ/см;
кВ/см;
Вводы ВН понижающего тягового тр-ра(110 кВ), тип шин АС – 120 [4]
по термической стойкости:
120мм2 > 22,217мм2
по условию отсутствия коронирования
кВ/см;
кВ/см;
Вводы ВН районного понижающего тр-ра(110 кВ), тип шин АС – 70 [4]
по термической стойкости:
70мм2 > 22,217мм2
по условию отсутствия коронирования
кВ/см;
кВ/см;
Ввод НН тягового понижающего тр-ра(2х27,5), тип шин АС – 330 [4]
по термической стойкости:
330мм2 > 31,307мм2
по условию отсутствия коронирования
кВ/см;
кВ/см;
Сборные шины НН(2х27,5), тип шин АС – 500 [4]
по термической стойкости:
500мм2 > 31,307мм2
по условию отсутствия коронирования
кВ/см;
кВ/см;
Фидеры контактной сети (2х27,5), тип шин АС – 150 [4]
по термической стойкости:
150мм2 > 22,987мм2
по условию отсутствия коронирования
кВ/см;
кВ/см;
Выбор жестких шин РУ – 10 кВ.
1. Проверка на электродинамическую устойчивость:
где:
- механическое напряжение, возникающие в шинах при КЗ
где l – расстояние между соседними опорными изоляторами, м ( РУ - 10 кВ: l = 1м);
а – расстояние между осями шин соседних фаз, м ( РУ - 10 кВ: а = 0.25 м );
iу – ударный ток трёхфазного короткого замыкания, кА;
W – момент сопротивления шины относительно оси, перпендикулярной действию усилия, м3
при расположении шин на ребро:
, м3
при расположении шин плашмя:
, м3
где: b и h – толщина и ширина шины, м
Вводы НН районного понижающего тр-ра(10 кВ),, тип шин А - 100 8
по термической стойкости:















