150672 (621326), страница 3
Текст из файла (страница 3)
ТВ-35-400/5I1ном = 400 А; Uном = 35 кВ;
РУ-10кВ:
Вводы НН понижающего трансформатора:Iраб max = 1385,64 А;
GDS-10-1500/5 I1ном = 1500 А; Uном = 10 кВ;
Секционный выключатель: Iраб max = 1293,26 А;
GDS-10-1500/5 I1ном = 1500 А; Uном = 10 кВ;
Фидеры районных потребителей:Iраб max = 112,58 А;
GDS-10-150/5 I1ном = 150 А; Uном = 10 кВ;
Выбор трансформаторов напряжения.
РУ-110 кВ.
Перемычка транзитной ТП
Три однофазныхТН: 3хЗНОГ-110
РУ-2х27,5 кВ.
Шины тягового РУ-2х27,5 кВ
Четыре однофазных ТН: 4ЗНОЛ-35
РУ-10 кВ.
Шина районного РУ-10 кВ
Однофазные ТН: 3хНОЛ-10
Выбор ограничителей перенапряжения.
РУ-110 кВ
ОПН-У/ТЕL-110-УХЛ1
Uн = Uн.уст = 110 кВ
РУ-2х27,5 кВ
ОПН-У/TEL-27,5-УХЛ1
Uн = Uн.уст = 27,5 кВ
РУ-10 кВ
ОПН-Т/TEL-10-УХЛ1
Uн = Uн.уст = 10 кВ
Глава 2. Расчёт токов короткого замыкания
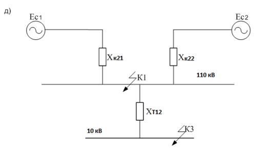
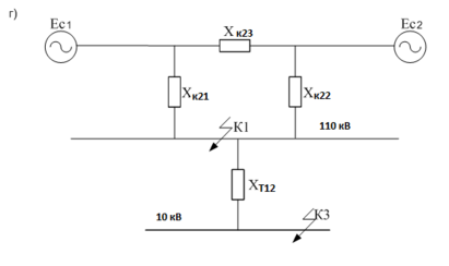
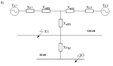
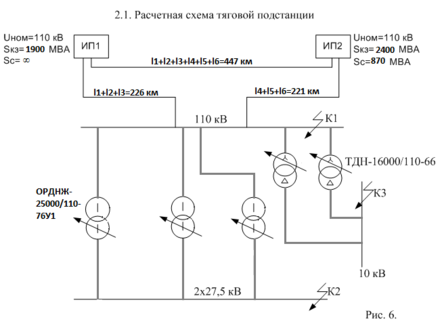
2.1 Расчетная схема тяговой подстанции
2.2 Электрическая схема замещения
2.3 Расчёт сопротивлений элементов схемы замещения
Расчет сопротивлений системы
По расчётной схеме (рис.6) и схеме замещения (рис.7.) найдём относительные сопротивления энергосистемы:
где:
- базисная мощность, принимаем 100 МВА;
- мощность короткого замыкания, МВА.
Относительные сопротивления ЛЭП:
где:
- удельное сопротивление проводов 1 км линии,
=0,4 Ом/км;
l – длина линии, км.
Относительные сопротивления обмоток районного трансформатора:
где:
- номинальная мощность трансформатора, МВА.
Преобразуем схему замещения до точки К3 (Рис.8.):
Преобразуем треугольник сопротивлений
в эквивалентную звезду (рис.8.б):
Звезду сопротивлений
преобразуем в треугольник (рис.8.г):
Убираем ветвь, содержащую сопротивление
, так как точки источников питания равнопотенциальны, то ток через эту ветвь не потечёт и сопротивлением
можно пренебречь. После преобразования получим схему:
Преобразуем схему замещения до точки К3:
Преобразуем звезду сопротивлений
в треугольник (рис.8.е):
Убираем ветвь, содержащую сопротивление
, так как точки источников питания равнопотенциальны, то ток через эту ветвь не потечёт и сопротивлением
можно пренебречь.
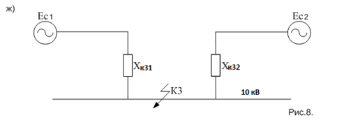
После преобразования получим схему (рис.8.ж).
2.4 Расчёт токов короткого замыкания на шинах РУ
Расчет токов короткого замыкания на шинах ОРУ 110 кВ
Проверяем на удалённость точку короткого замыкания К1:
следовательно, короткое замыкание удалённое от первого источника питания.
следовательно, короткое замыкание удалённое от второго источника питания.
где:
- мощность источника, МВА
При расчёте токов короткого замыкания от первого и второго источников используем приближенный метод, так как короткое замыкание удалённое.
Расчёт периодической составляющей.
кА;
кА;
кА.
Расчёт апериодической составляющей.
Апериодическую составляющую определим по формуле:
,
где:
- время отключения тока короткого замыкания;
- собственное время отключения выключателя; для выключателя РМ-121-20/1200
=0,025 с;
- постоянная времени затухания, равная 0,02 сек [1];
- минимальное время срабатывания релейной защиты
=0,01 с;
= 0,025+0,01=0,035 с.
кА.
Определение ударного тока.
=3,160 кА;
где:
- ударный коэффициент, равный 1,61 [1].
Определение полного тока короткого замыкания.
кА.
Ток однофазного к. з.
Расчет токов короткого замыкания на шинах РУ 10 кВ
Проверяем на удалённость точку короткого замыкания К3:
следовательно, короткое замыкание удалённое от первого источника питания.
следовательно, короткое замыкание удалённое от второго источника питания.
Где:
- мощность источника, МВА
При расчёте токов короткого замыкания от первого и второго источников используем приближенный метод, так как короткое замыкание удалённое.
Расчёт периодической составляющей.
кА;
кА;
кА.
Расчёт апериодической составляющей.
Апериодическую составляющую определим по формуле:
,
где:
- время отключения тока короткого замыкания;
- собственное время отключения выключателя;
для выключателя BB/TEL-10/1600
=0,015 с;
- постоянная времени затухания, равная 0,03 сек [1];
- минимальное время срабатывания релейной защиты
=0,01 с;
= 0,015+0,01=0,025 с.
кА.
Определение ударного тока.
=13,215 кА;
где:
- ударный коэффициент, равный 1,72 [1].
Определение полного тока короткого замыкания.
кА.
Расчет токов короткого замыкания на шинах РУ 2х27,5 кВ
Определение тока короткого замыкания между контактным проводом и рельсовой цепью (периодическая составляющая):
где:
и
- сопротивление фазы энергосистемы и трансформатора;
n – количество работающих трансформаторов;
- мощность короткого замыкания на первичной стороне понижающего трансформатора, МВА.
где:
- напряжение КЗ в %.
Определение тока короткого замыкания между контактным и питающим проводом (периодическая составляющая):
где:
и
- сопротивление фазы энергосистемы и трансформатора;
n – количество работающих трансформаторов;
- мощность короткого замыкания на первичной стороне понижающего трансформатора, МВА.
где:
- напряжение КЗ в %.
так как
, то в дальнейших расчетах периодическую составляющую будем принимать равной
.
Расчёт апериодической составляющей.
Апериодическую составляющую определим по формуле:
,
где:
- время отключения тока короткого замыкания;
- собственное время отключения выключателя;
для выключателя ВГБЭ-35/1000
=0,04 с;
- постоянная времени затухания, равная 0,02 сек [1];
- минимальное время срабатывания релейной защиты
=0,01 с;
= 0,04+0,01=0,05 с.
кА.
Определение ударного тока.
=6,121 кА;
где:
- ударный коэффициент, равный 1,6 [1].
Определение полного тока короткого замыкания.
кА.
2.5 Выбор трансформатора собственных нужд
На тяговой подстанции устанавливают два ТСН с вторичным напряжением 380/220 В, каждый из которых рассчитан на полную мощность собственных нужд.
Питание ТСН на тяговых подстанциях переменного тока осуществляем от шин 2 27,5 кВ.
Необходимая мощность для питания собственных нужд переменного тока может быть определена суммированием всех мощностей потребителей подстанции.
Расчётная мощность для питания собственных нужд (мощность ТСН) определяется:
Расчётную мощность ТСН определим по формуле:
где: Sу – установленная мощность ТСН:
где:
- суммарная активная мощность, кВт;
- суммарная реактивная мощность, кВАр.
где:
- коэффициент использования установленной мощности;
- заданная мощность собственных нужд;
- тангенс конкретного вида собственных нужд.
Мощность подогрева элегаза и приводов высоковольтных выключателей:
Таблица №4.
| Тип выключателя | Рэлегаза, кВт | Рпривода, кВт | Кол-во выкл-ей | Робщ, кВт |
| РМ – 121 | 4,8 | 0,7 | 6 | 33 |
| ВГБЭ – 35 | 0,8 | 0,8 | 12 | 19,2 |
| Итого: | 52,2 |
Данные по цепям собственных нужд:
Таблица №5.
| Наименование потребителя | ки | cos | tg | P, кВт | Pу, кВт | Qу, кВА | |
| Рабочее освещение | 0,7 | 1 | 0 | 0 | 24 | 16,8 | 0 |
| Моторные нагрузки | 0,75 | 0,8 | 36,9 | 0,75 | 35 | 26,3 | 19,7 |
| Печи отопления и калориферы | 0,65 | 1 | 0 | 0 | 23 | 15 | 0 |
| Потребители СЦБ | 0,75 | 0,8 | 36,9 | 0,75 | 42 | 31,5 | 23,6 |
| Зарядно-подзарядный агрегат | 0.7 | 1 | 0 | 0 | 9,3 | 6,5 | 0 |
| Итого: | 96,1 | 43,3 |
кВАр;
По рассчитанной мощности выбираем ТСН типа: ТМ –160/27,5 – 74 У1.
Технические характеристики трансформатора ТМ – 160/27,5 – 74 У1.
Таблица № 6
| Тип трансформатора | Номинальное напряжение обмоток , кВ | Потери, кВт | uК, % | IХ,% | Схема и группа соединения обмоток | |||||
| ВН | НН | РХ | РК | |||||||
| ТМ –160/27,5 – 74 У1 | 27,5 | 0,4 | 0,66 | 2,65 | 6,5 | 2,4 | Y/Y0-0 | |||
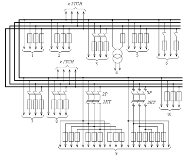
2.6 Схемы питания потребителей собственных нужд
Питание потребителей собственных нужд переменного тока осуществляется от системы сборных шин 380/220 В. В качестве резервного источника электроэнергии собственных нужд переменного тока используют дизель – генератор.
Рис.3. Принципиальная схема питания СН переменного тока открытой части тяговой подстанции: фидеры: 1 и 10 – шкафа СН в здании подстанции; 2 – обдува понижающих трансформаторов; 3 – ВЛСЦБ; 4 – освещения камер 10 кВ и СЦБ; 5 – резервный; 6 – освещения открытой части подстанции; 7 – передвижного масляного хозяйства; 8 – питания дистанций контактной сети; 9 – подогрева элегаза и приводов высоковольтных выключателей и ячеек КРУН.















