150071 (621200)
Текст из файла
Министерство высшего и профессионального образования
Российской Федерации
Иркутский Государственный Технический Университет
Курсовая работа
По электротехнике и электронике
Анализ сложных электрических цепей постоянного тока и однофазного переменного тока
Выполнил:
Проверила:
Василевич М.Р.
Иркутск 2006г
Содержание:
-
Анализ электрических цепей постоянного тока
-
Расчёт токов с помощью законов Кирхгофа
-
Расчёт токов методом контурных токов
-
Расчёт токов методом узлового напряжения
-
Исходная таблица расчётов токов
-
Потенциальная диаграмма для контура с двумя Э.Д.С
-
Баланс мощности
-
Определение показания вольтметра
-
Анализ электрических цепей переменного тока
-
Расчёт токов с помощью законов Кирхгофа
-
Расчёт токов методом контурных токов
-
Расчёт токов методом узлового напряжения
-
Исходная таблица расчётов токов
-
Векторная диаграмма токов и топографическая диаграмма напряжений на комплексной плоскости
-
Определение показания вольтметра
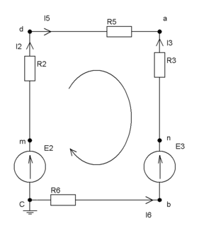
1. Анализ электрических цепей постоянного тока
=9 Ом
=7,5 Ом
=12 Ом
=22,5 Ом
=315 Ом
=10,5 Ом
=0
=12 Ом
=-
=15 В
=33 В
=-
=2 В
=0 В
В предложенной электрической цепи заменяем источники тока на источники ЭДС.
2
)Выбираем условно положительное направление токов.
3)Выбираем направление обхода независимых контуров.
Находим эквиваленты:
=
*
/ (
+
) =
21
=
+
=0+12=12 Ом
=
+
=15+2=17
=
+
=33+0=33
1.1 Расчёт токов с помощью законов Кирхгофа
Записываем систему уравнений для расчета электрических цепей с помощью законов Кирхгофа. По 1 закону составляем (у-1) уравнение, где у количество узлов. По 2 закону Кирхгофа составляем [b-(y-1)] уравнение, где b – количество ветвей.
a)
+
+
=0
b)
-
+
=0
c)-
-
-
=0
I)
-
+
=
II)
-
-
=-
III)-
+
-
=-
Рассчитываем систему уравнений с помощью ЭВМ, векторы решения находятся в приложении 1.
(Данные расчета находятся в приложении 1)
После расчета на ЭВМ записываем:
=1.29 A
=-0.80 A
=0.77 A
=-0.52 A
=1.32 A
=0.03 A
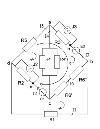
1.2 Расчёт токов методом контурных токов
Находим действующие в цепи токи с помощью метода контурных токов. Предполагается, что каждый контурный ток имеет свое собственное контурное сопротивление, которое равно арифметической сумме всех сопротивлений входящих в контур. Контурное ЭДС равно сумме всех ЭДС входящих в контур.
В каждом независимом контуре рассматривают независимые и граничащие ветви. В каждой граничащей ветви находят общее сопротивление, которое равно сопротивлению этой ветви. Составляют систему уравнений, количество которых равно количеству контурных токов. В результате расчета находят контурные токи и переходят к действующим.
1) Предположим, что в каждом независимом контуре течет свой контурный ток
,
,
. Выберем произвольно положительное направление обхода токов в одно направление.
2)Находим полно контурное сопротивление всех контурных токов.
=
+
+
=7,5+10,5+21=39 Ом
=
+
+
=21+12+12=45 Ом
=
+
+
=9+7,5+12=28,5 Ом
Находим общее сопротивление
=
=
=
=
=
=
Находим полные контурные ЭДС
=
=
=-
Составляем систему уравнений для нахождения контурных токов
Согласно второму закону Кирхгофа
-
-
=
-
+
-
=
-
-
+
=
(Данные расчета находятся в приложении 2)
После расчета на ЭВМ записываем:
=-0.52455258749889799877 (А)
=-1.3224896411883981310 (А)
=-1.2913691263334214934 (А)
4.Ток в независимой цепи равен контурному току с учетом знаков, а ток в зависимой цепи равен алгебраической сумме.
=-I33=1.29 A
=I11-I33=-0.52455258749889799877-(-1.2913691263334214934) =0,77 A
=-I22=1.32 A
=I22-I11=-1.3224896411883981310-(-0.52455258749889799877) -0,8 A
=I11=-0.52 A
=I33-I22=-1.2913691263334214934-(-1.3224896411883981310) =0,03 A
В результате токи равны:
=1.29 A
=0,77 A
=1.32 A
= -0,8 A
= -0.52 A
= 0,03 A
1.3 Расчёт токов методом узлового напряжения
Проверяем правильность нахождения токов в заданной электрической цепи методом узловых потенциалов. Согласно этому методу предполагается, что в каждом узле схемы имеется свой узловой ток который равен алгебраической сумме всех токов за счет проводимости ветвей. Этот метод основан на первом законе Кирхгофа и законе Ома.
Заземляем узел 3, φ3=0
Если в электрической схеме заземляется один из узлов, потенциал этой точки равен 0, а тока распределение не меняется.
Находим собственные проводимости ветвей присоединенных к оставшимся узлам 1,2,4. Собственная проводимость ветвей равна арифметической сумме проводимостей ветвей присоединенных к соответствующим узлам.
Находим взаимные проводимости, которые равны проводимости общих ветвей между соседними узлами.
Находим полный узловой ток, который равен сумме произведений ЭДС на соответствующую проводимость.
Составляем уравнение в соответствии с первым законом Кирхгофа.
(Данные расчета находятся в приложении 3)
После расчета на ЭВМ записываем:
=16,756645482734525139
-0,37345273475483642976
11,248845822938816704
-
По закону Ома находим искомые токи.
=(
-
)/
=(11,248845822938816704-( -0,37345273475483642976))/9=1,291367 A
=(
-
+
)/
=((0,083333-11,248845822938816704)+17)/7,5=0,777932 A
=(
-
+
)/
=(0-,37345273475483642976-16,756645482734525139+33)/12= 1,322492 A
=(
-
)/
=(0,083333-16,756645482734525139)/21=-0,79397 A
=(
-
)/
=(11,248845822938816704-16,756645482734525139)/10,5=-0,52455 A
=(
-
)/
=(0,083333-( -0,37345273475483642976))/12=0,038065 A
Округляем искомые токи до сотых долей:
=1,29 A
=0,78 A
=1,32 A
=-0,79 A
=-0,52 A
=0,04 A
1.4 Исходная таблица расчётов токов
V Составляем исходную таблицу расчетов токов всеми методами
| I токи Метод | I1,A | I2,A | I3,A | I4,A | I5,A | I6,A |
| Закон Кирхгофа | 1,29 | 0,77 | 1,32 | -0,8 | -0,52 | 0,03 |
| Контурных Токов | 1,29 | 0,77 | 1,32 | -0,8 | -0,52 | 0,03 |
| Узловых Потенциалов | 1,29 | 0,78 | 1,32 | -0,79 | -0,52 | 0,04 |
1.5 Потенциальная диаграмма для контура с двумя Э.Д.С
VI Строим потенциальную диаграмму
∑R=
=42 Ом
|
|
|
|
|
|
|
|
|
|
|
|
|
|
|
|
|
|
|
|
|
1.6Определение показания вольтметра
VII Находим показания вольтметра по второму закону Кирхгофа
pV=
-17+33+0,77*7.5+(-0,52)*10.5-1,32*12=
=0.475 В
1.7 Баланс мощности
XIII Составляем баланс мощности
56.62Вт=56.65Вт
2. Анализ электрических цепей переменного тока
1) Начертим электрическую цепь без ваттметра и записать данные.
=40.5 мГн
=0 мГн
=35.4 мкФ
=53 мкФ
=25 Ом
f=150 Гц
=70.5 cos(ωt+275)
’=68.5 cos(ωt-174)
’=56 sin(ωt-170)
2)Найдем сопротивление элементов входящих в цепь.
Ом
Ом
Ом
Ом
3) Находим комплексы ЭДС, входящие в цепь.
Ė= Ė’+ Ė’’
70.5 В
68.5 В
=56 В
2.1 Расчёт токов с помощью законов Кирхгофа
4)Производим расчет предложенной схемы методом законов Кирхгофа.
Выбираем условно положительное направление токов. Рассчитываем искомые токи.
Записываем систему уравнений для мгновенных значений токов и напряжений в соответствии с первым и вторым законами Кирхгофа в интегро-дифференциальной форме, причем по первому закону Кирхгофа составляем (у-1) –уравнений, а по второму закону Кирхгофа –[b-(y-1)]-уравнений.
(у-1)=1
[b-(y-1)]=2
Или в комплексной форме:
Решаем данную систему уравнений с помощью ЭВМ.
(Данные расчета находятся в приложении 4)
После расчета на ЭВМ записываем значения комплексных токов:
[A]
[A]
Характеристики
Тип файла документ
Документы такого типа открываются такими программами, как Microsoft Office Word на компьютерах Windows, Apple Pages на компьютерах Mac, Open Office - бесплатная альтернатива на различных платформах, в том числе Linux. Наиболее простым и современным решением будут Google документы, так как открываются онлайн без скачивания прямо в браузере на любой платформе. Существуют российские качественные аналоги, например от Яндекса.
Будьте внимательны на мобильных устройствах, так как там используются упрощённый функционал даже в официальном приложении от Microsoft, поэтому для просмотра скачивайте PDF-версию. А если нужно редактировать файл, то используйте оригинальный файл.
Файлы такого типа обычно разбиты на страницы, а текст может быть форматированным (жирный, курсив, выбор шрифта, таблицы и т.п.), а также в него можно добавлять изображения. Формат идеально подходит для рефератов, докладов и РПЗ курсовых проектов, которые необходимо распечатать. Кстати перед печатью также сохраняйте файл в PDF, так как принтер может начудить со шрифтами.















