150071 (621200), страница 2
Текст из файла (страница 2)
=
=4.69 [A]
Находим действующие значения токов:
=6.37 [A]
=2.2 [A]
=4.69 [A]
2.2 Расчёт токов методом контурных токов
5. Производим расчет данной схемы методом контурных токов.
Находим полные контурные сопротивления:
j(38.15-29.99)+25=25+8.16j [Ом]
j(0-20.03)+25=25-20.03j [Ом]
Находим взаимное сопротивление:
=25 [Ом]
Находим комплексы полных контурных ЭДС:
Записываем систему уравнений:
Решаем систему уравнений с помощью ЭВМ.
(Данные расчета находятся в приложении 5)
После расчета на ЭВМ Записываем значения контурных токов:
=3.08+5.57j [A]
=1.04+4.75j [A]
Причем контурный ток
равен току в независимой ветви, т.е. току
. Контурный ток
равен току
в независимой ветви, но направлен навстречу. Искомый ток
=
-
.
Таким образом:
=3.08+5.57j [A]
=0.24+0.82j [A]
=-1.04-4.75j [A]
2.3Расчёт токов методом узлового напряжения
6) Проверяем правильность нахождения расчета методом узловых потенциалов.
Для этого узел 2 заземляем, а для остальных составляем систему уравнений.
φ2=0
Находим полную комплексную проводимость узла.
=
0.04-0.07j
(Данные расчета находятся в приложении 6)
Находим комплекс узлового тока.
=
=
(Данные расчета находятся в приложении 7)
Находим комплексный потенциал:
В результате решения этого уравнения находим комплекс потенциала
и по закону Ома находим искомые токи.
(Данные расчета находятся в приложении 8)
По закону Ома находим искомые токи:
=
[A]
(Данные расчета находятся в приложении 9)
=
[A]
(Данные расчета находятся в приложении 10)
=
[A]
(Данные расчета находятся в приложении 11)
2.4 Исходная таблица расчётов токов
7)Составляем сводную таблицу искомых токов:
| токи Метод |
|
|
|
| Законы Кирхгофа | 3,08+5,57j | 2.04+0.82j | -1.04-4.75j |
| Контурных Токов | 3,08+5,57j | 2.04+0.82j | -1.04-4.75j |
| Узловых Потенциалов | 3,08+5,57j | 2.04+0.82j | -1.04-4.75j |
2.5 Векторная диаграмма токов и топографическая диаграмма напряжений на комплексной плоскости
8) Строим на комплексной плоскости векторную диаграмму токов и топографическую диаграмму напряжений и график изменения тока в неразветвленной части цепи.
-
[B]
[B]
-
[B] -
[B] -
[B]
=
=3.08+5.57j=6.36
[A]
=
[A]
рад
(Данные расчета находятся в приложении 12)
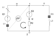
2.6 Определение показания вольтметра
9)Определяем показания вольтметра по второму закону Кирхгофа:
pV-
pV=
+
=44.06-41.27j+(2.04+0.82j)*25=95.06-20.77j
pV=
=97 B
Приложения
Приложение 1:
Приложение 2:
Приложение 3:
Приложение 4:
Приложение 5:
Приложение 6:
Приложение 7:
Приложение 8:
Приложение 9:
Приложение 10:
Приложение 11:
Приложение 12:
График изменения тока в неразветвленной части цепи
[B]
[B]
[B]
[B]














