145008 (620878), страница 4
Текст из файла (страница 4)
,
Определяем критические напряжения:
,
Где
,
кН/см2.
Размеры отсека
и
Предельное значение этого отношения находим по табл. 24 СНиПа II-23-81*, в зависимости от значения коэффициента , учитывающего степень упругого защемления стенки в поясах:
,
где = 0,8, коэффициент принимаемый по табл. 22 СНиПа II-23-81*;
Тогда
.
Расчет на местную устойчивость стенки будем проводить по п. 7.6. в СНиПа II-23-81*.
Критические нормальные напряжения:
кН/см2;
Определяем
, подставляя вместо а значение а/2:
кН/см2,
где
.
С учетом этого, по формуле (79) СНиПа II-23-81* получим:
.
Проверка показала, что устойчивость стенки обеспечена и постановка ребер жесткости на расстоянии
см возможна.
Помимо проверки устойчивости стенки в области больших нормальных напряжений необходимо также проверить ее устойчивость и в области больших касательных напряжений - вблизи от опоры балки. Проверим на устойчивость стенки в сечении 3-3, для этого определяем средние значения M3 и Q3 на расстоянии х3 = 125 см от опоры (под балкой настила), что почти совпадает с рекомендацией расстояния в
от края отсека.
В этом сечении возникают следующие усилия:
кНм,
кН.
И соответствующие этим усилиям напряжения будут равны:
кН/см2,
кН/см2.
Проверим местные напряжения в стенке под балками настила:
,
Определяем критические напряжения:
,
Где
,
кН/см2.
Размеры отсека
и
Предельное значение этого отношения находим по табл. 24 СНиПа II-23-81.
,
Тогда
.
Расчет на местную устойчивость стенки будем проводить по п. 7.6. в СНиПа II-23-81*.
Критические нормальные напряжения:
кН/см2;
Определяем
, подставляя вместо а значение а/2:
кН/см2,
где
.
С учетом этого, по формуле (79) СНиПа II-23-81* получим:
.
Обе проверки показали, что запроектированная балка удовлетворяет требованиям прочности, прогиба, общей и местной устойчивости.
3.4 Расчет поясных швов главной балки
Так как балка работает с учетом пластических деформаций, то швы выполняем двухсторонние, автоматической сваркой в лодочку, сварной проволокой Св-08А.
Катет шва определим под первой от опоры балкой настила, где сдвигающая сила максимальна, то есть в сечении х = 25 см.
Рассчитывать катет будем по формуле:
,
где n = 1 при односторонних швах, n = 2 при двухсторонних швах;
(Rw)min – произведение глубины проплавления на расчетное сопротивление для расчетного сечения.
Из пункта 3.2.1 возьмем уже рассчитанные величины:
Iх = 1065071 см4; Sfх = 5944,32 cм3; F = 150,52 кН; lloc = 18,3 см.
кН;
По табл. 4 СНиП II-23-81* определим значение нормативного сопротивления металла шва по временному сопротивлению Rwun = 41 кН/см2. Тогда согласно табл. 4 СНиП II-23-81* расчетное сопротивление углового шва условному срезу по металлу шва:
кН/см2,
где wm = 1,25, - коэффициент надежности по материалу шва.
По табл. 51 СНиП II-23-81* для стали С255 определим временное сопротивление стали разрыву Run = 37 кН/см2. Тогда согласно СНиП II-23-81* расчетное сопротивление углового шва условному срезу по металлу границы сплавления:
кН/см2.
По табл. 34 СНиП II-23-81* для выбранного типа сварки примем соответствующие коэффициенты для расчета углового шва:
f = 1,1 – по металлу шва;
z = 1,15 – по металлу границы сплавления.
Определим, какое сечение в соединении является расчетным (более опасное):
кН/см2, расчетным является сечение по металлу границы сплавления.
см.
По табл. 38 СНиП II-23-81* для пояса толщиной 24 мм принимаем катет шва, равный минимальному kf = 7 мм, что больше, получившегося по расчету – 2,9 мм.
3.5 Расчет опорного ребра главной балки
Размеры опорных ребер определим из расчета на смятие торца ребра:
,
где F - опорная реакция балки N (будет равна значению поперечной силы на торце балки, найденной в пункте 3):
кН;
Rp – расчетное сопротивление смятию торцевой поверхности, по табл. 1 СНиПа II-23-81* находим:
кН/см2,
где по табл. 51 СНиП II-23-81* для стали С255 определим временное сопротивление стали разрыву Run = 37 кН/см2; по табл. 2* СНиП II-23-81* для стали по ГОСТу 27772-88, находим, что коэффициент надежности по материалу m = 1,025.
Найдем требуемую площадь опорного ребра:
см2.
Уже принятая ширина пояса bfx = 36 cм, следовательно толщину ребра определим, как
см,
принимая окончательно tp = 12 мм.
Тогда
см2
см2,
сечение подобранного торца балки проходит проверку на смятие.
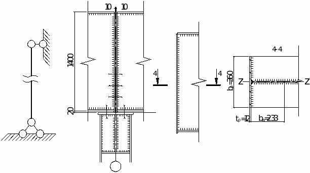
Проверим опорный участок балки на устойчивость из плоскости балки, как условного опорного стержня, включающего в площадь своего сечения опорные ребра и часть стенки балки шириной bw.
Расчетная схема на устойчивость опорного участка главной балки
см.
Площадь расчетного сечения опорной части балки:
см2.
Момент инерции сечения относительно оси z-z:
см4.
Радиус инерции сечения:
см.
Гибкость:
.
Условная гибкость:
.
Условие устойчивости можно записать в виде:
,
где = 0,97025 - коэффициент продольного изгиба балки (по табл. 72 СНиПа II-23-81*),
кН/см2 < Ryc = 23 кН/см2,
то есть принятая опорная стойка главной балки устойчива.
Рассчитаем прикрепление опорного ребра к стенке балки двухсторонними швами с помощью полуавтоматической сварки проволокой Св-08А при вертикальном расположении шва.
Согласно табл. 4 СНиП II-23-81* расчетное сопротивление углового шва условному срезу по металлу шва:
кН/см2,
где wm = 1,25, - коэффициент надежности по материалу шва.
По СНиП II-23-81* расчетное сопротивление углового шва условному срезу по металлу границы сплавления:
кН/см2.
По табл. 34 СНиП II-23-81 для выбранного типа сварки примем соответствующие коэффициенты для расчета углового шва:
f = 0,9 – по металлу шва;
z = 1,05 – по металлу границы сплавления.
Определим, какое сечение в соединении является расчетным:
кН/см2, расчетным является сечение по металлу шва.
Определим катет сварных швов:
см.
Полученное значение катета шва больше минимального kfmin = 5 мм, поэтому окончательно принимаем kf = 7 мм.
Проверяем длину рабочей части шва
Ребро привариваем к стенке по всей высоте сплошными швами.
3.6 Проектирование стыка главной балки на высокопрочных болтах
Очевидно, что стык необходим по середине балки, где Мmax = 535168 кН·см и Q = 0.
По табл. 61 СНиП II-23-81* выбираем высокопрочные болты для соединения d = 24 мм из стали 40Х "селект" с наименьшим временным сопротивлением Rbun = 110 кН/см2 и площадью сечения болта нетто Abn = 3,52 см2 (табл. 62). По табл. 36 СНиП II-23-81* определяем, что при газопламенной обработке соединяемых поверхностей и при регулировании натяжения болтов по моменту коэффициент трения = 0,42, коэффициент надежности h = 1,12 (при разности номинальных диаметров отверстий и болтов = 1 – 4).
Расчетное усилие, которое может быть воспринято каждой поверхностью трения соединяемых элементов, стянутых одним высокопрочным болтом, определим по формуле
,
где Rbh – расчетное сопротивление высокопрочного болта, принимаемое по формуле (3) в СНиПе II-23-81*:
кН/см2;
b = 1,0 (при количестве болтов больше 10) коэффициент условий работы соединения.
кН.
Стык поясов
Перекрещиваем тремя накладками каждый пояс балки сечением 55014 мм и 226014 мм. Общая площадь сечения
см2 > 55·2,4 = 132 см2.
Определим усилие в поясе:
кН.
Количество высокопрочных болтов в соединении стыков поясов:
,
принимаем n = 18 болтов и размещаем их согласно рис. на стр. 40.
Размещение высокопрочных болтов на стыке поясов главной балки.
Стык стенки.
Стенку перекрываем двумя вертикальными накладками сечением 360130010 мм.
Момент, действующий на стенку:
кН·см.
Расстояние между крайними по высоте рядами болтов принимаем:
мм.
Вычислим коэффициент стыка :
,
где m – число вертикальных рядов болтов на полунакладке.
Определяем, что число рядов болтов по вертикали равно 9, что соответствует шагу рядов болтов по высоте 150 мм (8150 = 1200 мм).
Проверим стык стенки по формуле:
кН < Qbh·k = 204 кН.
Размещение высокопрочных болтов на стыке стенки главной балки.
Проверим ослабление нижнего растянутого пояса отверстиями под болты диаметром do = 26 мм (на 2 мм больше диаметра болта).
Пояс ослаблен двумя отверстиями по краю стыка, поэтому площадь сечения пояса нетто:
см2,
а площадь сечения пояса брутто:
см2.
Согласно п.11.14 СНиПа II-23-81*:
см2,
то есть ослабление пояса можно не учитывать.
Проверим ослабление накладок в середине стыка четырьмя отверстиями:
см2,
следовательно, ослабление накладок можно не учитывать.
3.7 Проектирование сварного стыка главной балки
















