144914 (620796)
Текст из файла
Федеральное агентство по образованию
Государственное образовательное учреждение высшего профессионального образования
«Пензенский Государственный Университет Архитектуры и Строительства»
Инженерно-строительный институт
Кафедра Строительные конструкции
Пояснительная записка
к курсовому проекту на тему:
Проектирование одноэтажного каркасного здания из деревянных конструкций
Автор проекта: Эльдар
Специальность: 2903 Группа ПГС-51
Пенза, 2009
1. Компоновка конструктивного остова здания
Необходимо разработать проект одноэтажного каркасного здания из деревянных конструкций (надземная часть). Здание предназначено для использования в качестве спортивного корпуса. Предусматривается, что строительство будет производиться в III снеговом районе и IV ветровом районе. Ширина здания в осях 42 м., длина здания 66 м., шаг поперечных рам 6 м., полезная высота 11 м. В качестве покрытия будет использоваться плоская металлическая кровля. Материал из которого изготовляются несущие конструкции лиственница. Рама трех шарнирная клеедощатая. В качестве ограждающих конструкций будут использоваться трехслойные плиты с заполнителем из пенопласта. Простота изготовления, надежность и экономичность арок способствовала ее применению в покрытии проектируемого здания.
Клееные деревянные арки являются более эффективными как с экономической, так и с эстетической точки зрения по сравнению с балочными конструкциями. Они имеют наиболее широкий диапазон применения в зданиях и сооружениях различного назначения. Арочные конструкции используются в покрытиях производственных, складских, зрелищных, выставочных, спортивных, зрелищных, общественных и других зданий и сооружений как больших, так и малых пролетов.
Арки являются распорными конструкциями. Наличие распора уменьшает расчетные изгибающие моменты в них по сравнению с моментами балочных конструкций, что в свою очередь приводит к уменьшению рабочих сечений, а, следовательно, к снижению расхода материала. Распор воспринят стальной затяжкой.
Так как пролет более 30 м, то клееная деревянная арка запроектирована трех шарнирной из условия изготовления и транспортировки и собирается из двух гнутых элементов. Очертание арки круговое, описанное по дуге окружности вокруг одного центра.
Основные узловые соединения трех шарнирной арки – опорные и коньковые шарниры. В большепролетных арках с затяжками предусматриваются – стыки затяжек и узлы крепления подвесок. Опорные и коньковые шарниры выполнены с применением валиковых шарниров.
2. Проектирование панели со сплошным срединным слоем
Требуется запроектировать утепленную панель покрытия производственного здания. Панели укладываются непосредственно на несущие конструкции, устанавливаемые с шагом 6 м. В целях максимальной сборности принимаем размеры панели в плане 3000x6000 мм. Верхняя обшивка принята из алюминиевого листа толщиной 1 мм., а нижняя из стали толщиной 1 мм. Средний слой – из полихлорвинилового пенопласта марки ПХВ-1 с объемной массой 100 кг/м3. Обрамляющие элементы панели выполнены из гнутых фанерных профилей швеллерного типа высотой 200 мм.
2.1 Выбор конструкции и назначение основных размеров
Рис.1 Поперечное сечение панели.
Общую высоту панели назначаем в пределах
с учетом стандартного размера высоты обрамляющего элемента (швеллера) и с соблюдением условия, что
. Принимаем h=200+1+1=202 мм., что составляет примерно
. Расстояние между осями обшивок h0=201 мм.
В целях экономии материала срединного слоя (при hр>80 мм.) внутри его выполняются пустоты, располагаемые вдоль длины панели. Ширину пустот принимаем b0=200 мм. (< 250 мм.).
Расстояние сп от обшивки до пустоты, принимаем в пределах
, назначаем сп=35 мм.
Толщина пенопласта d между пустотами пенопласта принята равной 45 мм, что дает возможность равномерно распределить пустоты по ширине панели и отвечает требованию чтобы оно было больше 40 мм. и больше
2.2 Подсчет нагрузок
Постоянную нагрузку от покрытия подсчитываем по фактическому весу всех элементов (обшивок, обрамления и срединного слоя) панели. Результаты подсчета приведены в таблице 1.
Сбор нагрузок
| № п/п | Вид нагрузки | Нормативная qн, кН/м2 |
| Расчетная qн, кН/м2 |
| 1 2 3 4 | Постоянные нагрузки –верхняя обшивка (алюминий) –утеплитель (пенопласт –обрамление (фанерный швеллер) –нижняя обшивка (сталь) Итого постоянная | 0,026 0,028 0,029 0,0785 0,231 | 1,1 1,2 1,1 1,1 | 0,0286 0,0289 0,031 0,0864 0,264 |
| Временная нагрузка –снег | 1,26 | 1,8 | ||
| Всего | 1,491 | 2,064 |
2.3 Определение геометрических характеристик
Прежде чем определить геометрические характеристики, проверим, к какому типу относится панель. Для этого проверим условия:
,
где
.
Условия выполняются, следовательно, панель относится к четвертому типу (согласно классификации [1]), то есть к панелям со сплошным срединным слоем. Для таких панелей обрамляющие ребра, расположенные по контуру, в работе не учитываются. Геометрические характеристики подсчитывают без учета срединного слоя для расчетной полосы, равного 1 м. Принимая во внимание, что обшивки сделаны из различного материала, то все геометрические характеристики будем приводить к материалу верхней обшивки.
Приведенный статический момент
.
Площадь, приведенная к материалу верхней обшивки
.
Определяем положение нейтральной оси
.
Приведенный момент инерции относительно нейтральной оси
Приведенный момент сопротивления
,
.
2.4 Определение расчетных усилий
Проверяем, не относится ли панель к гибким пластинам, используя выражения:
;
886,65<7153, следовательно, панель не относится к гибким пластинам. Рассчитываем панель, как свободнолежащую балку на двух опорах с расчетным пролетом
.
2.5 Проверка несущей способности панели
Проверка прочности растянутой обшивки:
Так как толщина сжатой обшивки меньше 4 мм., то прочность ее проверяем с учетом начальной кривизны по формуле
,
где
.
Проверка прочности срединного слоя
-по нормальным напряжениям
где
;
-по касательным напряжениям
-по эквивалентным напряжениям
2.6 Проверка прогибов панели
Изгибная жесткость панели с учетом податливости срединного слоя равна:
,
где
.
Проверяем прогиб панели по формуле:
.
2.7 Расчет на местные нагрузки
В качестве местной нагрузки принимаем монтажный груз Pн=1000 Н с коэффициентом надежности
. Интенсивность действия местной нагрузки
Радиус приведенного круга:
.
Значения коэффициентов
при характеристике
1)
;
.
2)
;
.
Проверяем прочность:
а) по нормальным напряжениям в обшивке:
,
.
б) по касательным напряжениям в обшивке:
,
в) по нормальным сжимающим напряжениям в срединном слое:
.
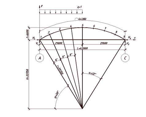
3. Проектирование круговой арки
Трехшарнирные арки являются статически определимыми системами, поэтому определение усилий в них не вызывает каких-либо трудностей. Весь статический расчет будем производить в следующей последовательности:
-
выбор геометрической схемы;
-
подсчет нагрузок и выявление характера их действия;
-
определение усилий в сечениях и составление сводной таблицы усилий.
-
Выбор геометрической схемы
За геометрическую схему, а в равной степени и за расчетную схему арки принимают линию, соединяющую центры тяжести сечений, т.е. геометрическую ось арки (рис.2).
Для арки с затяжкой геометрический расчет сводится к следующему.
При известной величине пролета l=42 м. и принятой стреле подъема f=6 м. радиус кривизны r арки кругового очертания определяется по формуле
Центральный угол раскрытия
выполняется по формуле
Длину дуги арки S определим выражением
Рис.2 Расчетная схема арки
-
Подсчет нагрузок
1. Постоянная нагрузка от покрытия подсчитывается по фактическому весу всех элементов (обшивок, обрамления и среднего слоя) панели. Для возможности дальнейшего сравнения нескольких вариантов в расчетах будем использовать нормативное значение нагрузки
и с учетом коэффициента надежности расчетное значение
.
2. Снеговую нагрузку будем подсчитывать по [10].
Вариант 1. При равномерно распределенной снеговой нагрузке интенсивностью
(
=1,6–коэффициент надежности по нагрузке, согласно [10] при
).
Вариант 2. При распределенной по треугольнику треугольной нагрузке с максимальной ординатой
3. Ветровая нагрузка определяется по [10].
Характер действия ветровой нагрузки показан на рис.2.
Интенсивность ветровой нагрузки подсчитывается по формулам:
где
– скоростной напор для второго района;
C–аэродинамический коэффициент;
B–коэффициент, учитывающий изменение скоростного напора по высоте (для местности типа B [10 табл.6] при высоте H=11м. К=0,44 ; при H=15,2 м. К=0,61 ; при H=17 м. К=0,68; другие значения К находятся по интерполяции);
–коэффициент надежности по нагрузке, равный 1,4.
Рис.3 Схема ветровой нагрузки на арку.
Для каждой зоны (см. рис.3 ) принимаем средние значения коэффициентов Ci и Ki.
При
и
имеем Ce1= -0,2; Ce2= -0,8; Ce3= -0,4.
Другие коэффициенты показаны на рис.16.
4. Собственный вес арки подсчитываем по формуле
где qн и pн – соответственно постоянная (вес покрытия) и временная (снег) нагрузки, действующие на арку;
Kс.в – коэффициент собственного веса, для арки принимаем равным 4.
Величина распределенной нагрузки от собственного веса:
– нормативная
– расчетная
На 1 м2 горизонтальной проекции
Погонные нагрузки на арку при шаге 6 м.:
– постоянная
– снеговая:
Вариант 1
Вариант 2
– ветровая:
Полная расчетная схема рамы дана на л. 1.
3.3 Определение усилий в сечениях арки
Усилия
в сечениях арки подсчитываем с помощью ЭВМ по программе “Арка”.
По результатам распечатки находим расчетные значения усилий M, Q, N при различных видах загружения и различных сочетаниях нагрузок. Результаты расчета приведены в таблице 3.
Таблица 3.
| L | f | r | n | Нагрузки | |||||||
| q | s1 | s2 | s3 | w1 | w2 | w3 | w4 | ||||
| 42.00 | 6.00 | 39.75 | 5 | 3.10 | 9.45 | 19.20 | 9.60 | 0.49 | 2.19 | 2.19 | 0.98 |
-
Конструктивный расчет арки
-
Подбор сечения арки
Сечение арки принимаем прямоугольным, склеенным из досок плашмя. Задаемся, согласно рекомендациям СНиП, высотой арки равной
, и уточняем ее, исходя из целого числа склеиваемых досок. Принимаем 28 досок толщиной
42 мм. и шириной 192 мм (что соответствует нестроганным стандартным доскам 200x50 мм.). Тогда размеры сечения будут
=1176x192 мм. Древесина принята первого сорта, для которой
14 МПа,
1,6 МПа. С учетом коэффициентов mп=1,2, mб=0,85 (при h=117 см.), mсл=0,95 (при
42 мм.) и mгн=1,0 (при
946>500) величина расчетного сопротивления будет равна
Для принятого сечения имеем
4.2 Проверка прочности сечений
Проверяем прочность наиболее нагруженного сечения (с максимальным изгибающим моментом) т.е. сечения 3, где M=-286.8 кН м, N=-299.434 кН.
Находим значение коэффициента
, для чего сначала подсчитываем коэффициент
по формуле
Проверяем прочность сечения по формуле
Вывод: Прочность сечения обеспечена.
Проверяем клеевые швы на скалывание:
Вывод: Прочность клеевых швов на скалывание обеспечена.
Проверку устойчивости арки производим по формуле
.
Считаем, что арка раскреплена по верхней кромке связями, которые ставятся через 3 м. Нижняя кромка не имеет раскреплений, т.е. вертикальные и горизонтальные связи по нижним поясам отсутствуют. Учитывая, что расчетная нагрузка в проверяемом выше сечении создает положительные изгибающие моменты, за расчетный участок lр принимаем расстояние между связями, т.е. lр=3000 мм.
Подсчитываем коэффициенты:
при гибкости
(коэффициент kф принят равным 1,0 ввиду небольшого изменения моментов на концах рассматриваемого участка lр).
Проверяем устойчивость арки
Вывод: Устойчивость обеспечена.
Однако арку необходимо проверить еще на устойчивость плоской формы деформирования с учетом сочетания нагрузок, которые вызывают отрицательные изгибающие моменты (растяжение в верхней кромке и сжатие в нижней). Расчетные усилия будут равны: M=-286,8 кНм, N=-299,434 кН.
Для такого случая имеем:
Величины коэффициентов, учитывающих закрепление из плоскости деформирования со стороны растянутой от момента М кромки. При m>4 (в нашем случае
) они имеют следующие значения:
где
-центральный угол, рад, определяющий участок
Проверяем устойчивость арки:
7153>Характеристики
Тип файла документ
Документы такого типа открываются такими программами, как Microsoft Office Word на компьютерах Windows, Apple Pages на компьютерах Mac, Open Office - бесплатная альтернатива на различных платформах, в том числе Linux. Наиболее простым и современным решением будут Google документы, так как открываются онлайн без скачивания прямо в браузере на любой платформе. Существуют российские качественные аналоги, например от Яндекса.
Будьте внимательны на мобильных устройствах, так как там используются упрощённый функционал даже в официальном приложении от Microsoft, поэтому для просмотра скачивайте PDF-версию. А если нужно редактировать файл, то используйте оригинальный файл.
Файлы такого типа обычно разбиты на страницы, а текст может быть форматированным (жирный, курсив, выбор шрифта, таблицы и т.п.), а также в него можно добавлять изображения. Формат идеально подходит для рефератов, докладов и РПЗ курсовых проектов, которые необходимо распечатать. Кстати перед печатью также сохраняйте файл в PDF, так как принтер может начудить со шрифтами.
















