144483 (620600)
Текст из файла
Содержание
Введение
1. Устройство, принцип работы тормозов, регулировка тормозов
1.1 Тормоза ТКТ с короткоходовым электромагнитом МО
1.2 Тормоза ТКТГ с электрогидравлическими толкателями ТЭГ-25
2. Неисправности тормозов, техническое обслуживание
3. Обязанности крановщика при выполнении технического обслуживания и ремонта крана
4. Экономический раздел
Список использованных источников
Графическая часть
Введение
Одним из важных средств технического прогресса в промышленности и на транспорте является комплексная механизация трудоемких производственных процессов, без которой невозможны высокие темпы дальнейшего роста производительности труда. Известно, что простейший процесс производства вызывает необходимость пространственного перемещения грузов (предметов труда).
Всякая транспортная операция, так же как и передача грузов с одного вида транспорта на другой начинается и заканчивается, погрузочно-разгрузочными работами. Механизация тяжелых и трудоемких процессов – один из важнейших путей повышения производительности труда.
Комплексная механизация строительных работ, превращение стройки в непрерывный процесс монтажной сборки зданий и сооружений из изготовленных в заводских условиях узлов, конструкций и дет\алей, в первую очередь, сказались на профессии машиниста башенного крана, повысили ее значение, авторитет среди других строительных профессий.
В строительстве многоэтажного жилого здания, коммерческого объекта либо промышленного сооружения, где требуется регулярное поднятие и перемещение грузов значительной тяжести, без применения башенных кранов обойтись невозможно. Краны применяют для выполнения погрузочно-разгрузочных работ в портах, на причалах, складах и базах, строительных и монтажных площадках. Они участвуют в процессе монтажа промышленного оборудования и магистральных трубопроводов. С их помощью производят работы по ремонту линий электропередачи, мостов, зданий, сооружений и др.
Трудно переоценить значение кранов в строительном деле, выполняя практически все перемещения грузов по строительному объекту кран является ключевой и незаменимой частью строительства. Недаром непременным элементом современного пейзажа стал подъемный кран. Ведь именно с помощью башенного крана, мощной, мобильной и универсальной машины ведется основной монтаж строительных конструкций - ведущий процесс, который задает ритм, определяет последовательность производства остальных видов работ на стройке.
1. Устройство, принцип работы тормозов, регулировка тормозов
1.1 Тормоза ТКТ с короткоходовым электромагнитом МО
Тормоз колодочный ТКТ (ТК - тормоз колодочный, Т - с электромагнитным приводом переменного тока) предназначен для остановки и удержания валов механизмов подъемно-транспортного и другого оборудования в заторможенном состоянии при неработающем электродвигателе.
В зависимости от рода тока тормозные электромагниты делятся на: 1) переменного трехфазного тока — тип КМТ; 2) переменного однофазного тока — тип МО; 3) постоянного тока — типы КМП, ВМ, МП и А.
Тормозные электромагниты изготовляют коротко- и длинноходовыми. Ходом электромагнита называется расстояние, на которое перемещается подвижная часть электромагнита при включении и отключении тока.
Принцип работы тормоза основан на использовании силы трения, возникающей от воздействия тормозного усилия между поверхностями двух деталей, одна из которых жестко связана с затормаживаемым валом, а вторая соединена с корпусом машины. Колодки двухколодочного тормоза расположены диаметрально относительно шкива и создают равное, но противоположное давление на вал, что исключает изгибающий момент.
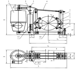
На рисунке 1 показан автоматический, т.е. замыкающийся автоматически при выключении тока, двухколодочный пружинный тормоз типа ТКТ с короткоходовым электромагнитом переменного тока МО.
Рисунок 1 - Колодочный тормоз с короткоходовым электромагнитом МО:
1, 5 – вертикальные рычаги; 2 – скоба; 3 – короткоходовой электромагнит; 4 – якорь; 6 – головка болта; 7, 9 – пружины (основная и вспомогательная); 8 – шток; 10 – основание; 11 – колодки.
Вертикальные рычаги тормоза шарнирно соединены с основанием, а колодки шарнирно с этими рычагами. К верхнему концу рычага жестко прикреплена скоба, внутри которой расположены шток и пружина. На штоке, между скобой и концом рычага расположена вспомогательная пружина. Пружина, установленная между скобой и гайками, навинченными на шток, служит для замыкания тормоза, а вспомогательная пружина способствует отходу рычага с колодкой от тормозного шкива при растормаживании.
Короткоходовой электромагнит с якорем закреплен на рычаге, а его центр тяжести расположен справа от оси рычага. Поэтому момент, создаваемый силой тяжести электромагнита, стремится поворачивать рычаг по часовой стрелке и, следовательно, отводить правую колодку от тормозного шкива. При выключенном электромагните сжатая рабочая пружина с помощью скобы и штока стягивает верхние концы рычагов, вследствие чего обе колодки прижимаются к тормозному шкиву, и тормоз замыкается. При включении электромагнита якорь, притягиваясь к сердечнику, поворачивается по часовой стрелке относительно оси своего шарнира и нажимает на конец штока тормоза. В результате пружина сжимается еще больше, рычаги поворачиваются относительно своих нижних шарниров, и обе колодки отходят от тормозного шкива. Угол поворота рычага, определяющий величину радиального отхода правой колодки, зависит от величины зазора между головкой болта и его упором. Зазор этот устанавливается с таким расчетом, чтобы обеспечивался радиальный отход колодки на заданную величину. Для устранения возможности поворота колодок после их отхода от шкива в них установлены подпружиненные фиксаторы трения.
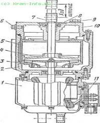
Рассмотрим однофазные магниты типа МО (рис.2).
Рисунок 2 - Тормозные электромагниты однофазный электромагнит МО:
1 — ярмо, 2 — короткозамкнутый виток, 3 — угольники, 4 — крышка катушки. 5, 12 — катушка, 6, IS — якорь, 7 — поперечная планка, 8 — щеки якоря, 9 — ось, 10 — стойка, 11 — корпус, 14 — штырь, 15 — втулка, 16 — пружина, 17 — крышка, 18 — шток тормоза
Тормозные электромагниты имеют две основные части: магнитопровод и обмотку возбуждения (катушку). Магнитопровод состоит из неподвижного ярма 1 и подвижного якоря 6, которые набираются из собранных в пакет изолированных листов электротехнической стали.
Пакет ярма склепан с двумя угольниками 3 и двумя опорными стойками 10. Катушка 5 электромагнита крепится на ярме с помощью крышки 4. На ярме укреплен короткозамкнутый виток 2, служащий для устранения вибрации и гудения электромагнита.
Пакет якоря склепан с двумя щеками 8, которые через ось 9 шарнирно соединены со стойками 10. В прорези щек установлена поперечная планка 7. Планка при повороте якоря упирается в шток тормоза и перемещает его, обеспечивая отход колодок тормоза от шкива и растормаживание механизма.
При прохождении тока через укрепленную на ярме катушку возникает магнитное поле, под действием которого якорь притягивается к ярму и через систему рычагов растормаживает тормоз. Собственное время втягивания якоря составляет около 0,03 с, а время отпадания — около 0,015 с. Число включений магнитов допускается не более 300 в час при ПВ 40%.
Для устранения вибрации в магнитах типа МО применяют успокоитель в виде короткозамкнутого витка или кольца из толстой медной проволоки, вставленного в пазы подвижной части магнитопровода. Под действием переменного магнитного потока в этом витке индуктируется своя ЭДС и возникает довольно значительный ток, протекающий по короткозамкнутому витку. Благодаря этому электромагнит работает спокойно, без шума. При разрыве короткозамкнутого витка тормозной магнит будет сильно гудеть.
Однако, всем электромагнитам свойствен существенный недостаток: в начале движения якоря, когда требуется наибольшее усилие, магниты дают наименьшее усилие, а в конце хода, когда необходимо уменьшить усилие для ослабления удара, магнит развивает наибольшую силу.
У тормозных электромагнитов переменного тока могут сгореть катушки, если магнит включен, а сердечник не замкнулся (например, вследствие перекоса или заклинивания, при попадании грязи на поверхности ярма и сердечника), поэтому в настоящее время широкое распространение на кранах получают тормоза с электрогидравлическими толкателями.
1.2 Тормоза ТКТГ с электрогидравлическими толкателями ТЭГ-25
Тормоза с электрогидравлическими толкателями (рис.3), свободны от недостатков, присущих электромагнитам, и обладают большей надежностью. Шток тормоза здесь также шарнирно соединен с большим плечом двуплечего рычага, установленного на тормозном рычаге. С меньшим плечом рычага соединена тяга, прикрепленная гайками к тормозному рычагу. Замыкание тормоза осуществляется усилием вертикальных пружин. При движении штока толкателя вверх рычаг поворачивается, сжимая пружины, а рычаг вместе с тормозной колодкой отходит от шкива до тех пор, пока упор не дойдет до основания. Затем отходит от колодки рычаг. Возврат поршня в исходное положение происходит под воздействием пружины.
Рисунок 3 – Тормоз ТКТГ
Устройство и принцип работы. Тормоз состоит из следующих основных частей: электрогидравлического толкателя 1, механической части. Механическая часть состоит из: опорной рамы 10, тормозной пружины в сборе с защитным кожухом 11 с таблицей тормозного момента, регулировочного болта пружины 3, верхнего рычага 2, тормозного и вспомогательного рычага 5, регулировочной тяги 4, тормозных колодок 6 с тормозными накладками 7, регулировочного болта колодки 8, регулировочного болта балансировки 9.
При выключенном электрогидравлическом толкателе под действием сжатой пружины рычаги прижимают колодки к поверхности тормозного шкива. Шток электрогидравлического толкателя при этом находится в нижнем положении. При включении электрогидравлического толкателя, его поршень выдвигает вверх шток. Рычаги, освободившись от действия пружин, расходятся, растормаживая шкив.
В электрогидравлических толкателях (ЭГТ) используется принцип создания гидравлического давления под поршнем, шток поршня получает при этом прямолинейное движение (рис. 4).
Рисунок 4 - Электрогидравлические толкатели типа ТЭГ:
1 - электродвигатель, 2 - корпус, 3 - центробежный насос, 4 - поршень, 5 - цилиндр, 6 - контрольная пробка, 7 - шток, 8 - резиновое уплотнение, 9 - пробка заливного отверстия, 10 - крышка,11 - панель зажинов
Электрогидравлический толкатель состоит из короткозамкнутого электродвигателя 1 и корпуса 2 с крышкой 10. На валу электродвигателя закреплен центробежный насос 3. В цилиндре 5 перемещается поршень 4. Шток 7 поршня соединяется с рычажной системой тормоза. На верхней крышке установлено резиновое манжетное уплотнение 8, препятствующее выходу масла при движении штока. Для подключения электродвигателя предназначена панель зажимов 11. Масло в электрогидравлический толкатель заливают через верхнее заливное отверстие, закрываемое пробкой 9. Пробка 6 служит для контроля уровня масла. Места соединения корпусных деталей толкателя уплотнены маслостойкими резиновыми кольцами.
Толкатель устанавливается вертикально штоком вверх, допустимое отклонение ± 15° при условии направления нагрузки вдоль оси штока.
Перед установкой электрогидравлических толкателей следует проверить сопротивление изоляции обмотки статора относительно корпуса электродвигателя и между фазами обмотки. Проверку изоляции следует производить мегомметром с напряжением 500 В. Сопротивление изоляции в холодном состоянии должно быть не менее 20 МОм. При меньшем сопротивлении изоляции двигатель нужно просушить при температуре не выше 100 °С, предварительно сняв его с толкателя. В горячем состоянии сопротивление изоляции должно быть не ниже 0,5 МОм. Далее нужно проверить, полностью ли заполнен толкатель рабочей жидкостью (трансформаторным маслом), и при необходимости долить сухое трансформаторное масло. Масло должно обладать электроизоляционным свойством — пробивное напряжение его должно быть не менее 20 кВ/мм. Причиной снижения пробивного напряжения может быть только попадание влаги или проводящей жидкости в масло. В этом случае масло требуется заменить, проверив изоляцию обмоток.
В сравнении с тормозными электромагнитами электрогидравлические толкатели обладают рядом преимуществ: размеры и масса их меньше по сравнению с аналогичными по рабочим параметрам электромагнитами, потребление электроэнергии также в несколько раз меньше. Величина напорного усилия гидротолкателя не зависит от положения поршня, в то время как у электромагнита усилие резко изменяется в зависимости от величины воздушного зазора между ярмом и якорем. С повышением внешней! нагрузки до величины максимального упорного усилия толкателя поршень останавливается. При этом не происходит ни перегрузки двигателя, ни механических повреждений элементов толкателя. С помощью электрогидравлического толкателя можно получать малые скорости привода.
К недостаткам электрогидравлических толкателей относятся существенное уменьшение усилия на штоке при отклонении геометрической оси толкателя от вертикали, большее по сравнению с электромагнитным приводом время срабатывания и изменение его величины в зависимости от температуры окружающего воздуха.
Тормоз регулируют в следующих случаях: когда он не затормаживает механизм при выключении двигателя или, наоборот, резко затормаживает механизм. При регулировании тормозов соблюдают следующую последовательность:
- устанавливают нормальный ход якоря электромагнита;
Характеристики
Тип файла документ
Документы такого типа открываются такими программами, как Microsoft Office Word на компьютерах Windows, Apple Pages на компьютерах Mac, Open Office - бесплатная альтернатива на различных платформах, в том числе Linux. Наиболее простым и современным решением будут Google документы, так как открываются онлайн без скачивания прямо в браузере на любой платформе. Существуют российские качественные аналоги, например от Яндекса.
Будьте внимательны на мобильных устройствах, так как там используются упрощённый функционал даже в официальном приложении от Microsoft, поэтому для просмотра скачивайте PDF-версию. А если нужно редактировать файл, то используйте оригинальный файл.
Файлы такого типа обычно разбиты на страницы, а текст может быть форматированным (жирный, курсив, выбор шрифта, таблицы и т.п.), а также в него можно добавлять изображения. Формат идеально подходит для рефератов, докладов и РПЗ курсовых проектов, которые необходимо распечатать. Кстати перед печатью также сохраняйте файл в PDF, так как принтер может начудить со шрифтами.
















