144356 (620536), страница 7
Текст из файла (страница 7)
Минимальная рабочая высота плитной части:
H0мин = - 0.25 * (hкол + bкол) + 0.5 * (N / (0.85 * b2 * b9 * Rbt + P))0.5,
H0 = - 0.25 * (0.8 + 0.4) + 0.5 * (734.7 / (0.85 * 1 * 1 * 900 + 121.74))0.5 = 0.155 м.
Минимальная высота плитной части:
Hмин = H0 + а,
где а – расстояние от подошвы фундамента до центра тяжести рабочей арматуры плитной части.
Hмин = 0.155 + 0.05 = 0.205 м.
Вылет плитной части по длине:
lв = (l - lп) / 2,
lв = (3 - 1.5) / 2 = 0.75 м.
Вылет плитной части по ширине:
bв = (b - bп) / 2,
bв = (2.4 - 0.9) / 2 = 0.75 м.
Принимаем фундамент Ф7-1-3-1 с подошвой 3 * 2.4 м, одноступенчатый в двух направлениях, с подколонником размером 1.5 * 0.9 м, высотой 1.5 м, высотой плитной части H = 450 мм:
- по длине фундамента – 1 ступень высотой h1 = 450 мм, вылетом l1 = 750 мм,
- по ширине фундамента – 1 ступень высотой h1 = 450 мм, вылетом l1 = 750 мм.
7.3.2 Проверка плитной части фундамента на продавливание
Проверим условие:
hn - hз < bw + 0.075
где hn – высота подколонника:
hn = Hf - H,
hn = 1.5 - 0.45 = 1.05 м.
1.05 - 0.9 = 0.15 < 0.175 + 0.075 = 0.25, следовательно, необходимо произвести расчет на продавливание фундамента колонной дна стакана и на раскалывание фундамента колонной при действии только расчетной нормальной силой N0’.
а) Расчет на продавливание фундамента колонной дна стакана
Прочность фундамента на продавливание колонной дна стакана обеспечена при выполнении условия:
N0’ ≤ b * l * Rbt / (’ * A0) + Um * hbot,0,
где N0’ = A0 * Pmax,
A0 – площадь многоугольника продавливания:
А0 = 0.5 * b * (l - lс - 2 * hbot.0) - 0.25 * (b - bc - 2 * hbot.0)2,
lс, bc – длина и ширина стакана:
hbot.0 – рабочая высота дна стакана:
hbot.0 = hbot - а,
hbot.0 = 0.55 - 0.05 = 0.5 м.
А0 = 0.5 * 2.4 * (3 - 0.9 - 2 * 0.5) - 0.25 * (2.4 - 0.5 - 2 * 0.5)2 = 1.118 м2,
N0’ = 1.118 * 199 = 224.48 кН.
Um – средний размер грани и пирамиды, образующейся при продавливании, в пределах рабочей высоты:
Um = bc + hbot,0,
Um = 0.5 + 0.5 = 1 м.
’ – коэффициент, учитывающий частичную передачу продольной силы на плитную часть фундамента через стенки стакана:
’ = 1 - 0.4* Rbt * Ащ / N0’ ≥ 0.85,
Ащ – площадь боковой поверхности колонны, заделанной в стакан фундамента:
Ащ = 2 * hз * (bкол + hкол),
Ащ = 2 * 0.9 * (0.4 + 0.8) = 2.16 м2.
’ = 1 - 0.4 * 900 * 2.16 / 224.48 = -2 < 0.85 принимаем ’ = 0.85.
N0’ = 224.48 ≤ 0.4 * 0.8 * 900 / (0.85 * 1.118) + 1 * 0.5 = 305.56 кН - условие выполняется, следовательно, прочность фундамента на продавливание колонной дна стакана обеспечена.
б) Расчет на раскалывание фундамента
Расчет на раскалывание фундамента производим на действие расчетной нормальной силы.
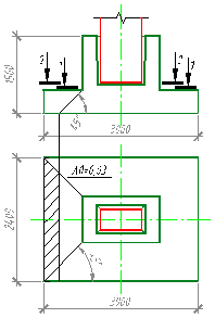
Площади вертикальных сечений фундамента в плоскостях, проходящих по осям колонны параллельно длинной и короткой сторонам подошвы фундамента, за вычетом стакана фундамента, соответственно (см. рисунок 8):
Рисунок 8. Схема к определению площадей вертикальных сечений фундамента
Afl = 2.05 м2,
Afb = 1.53 м2.
bкол / hкол = 0.4 / 0.8 = 0.5 < Afb / Afl = 1.53 / 2.05 = 0.75, следовательно, проверку фундамента по прочности на раскалывание производим из условия:
N ≤ 0.975 * Afl * Rbt * (1 + bкол / hкол),
N = 734.7 кН < 0.975 * Afl * Rbt * (1 + bкол / hкол) = 0.975 * 2.05 * 900 * (1 + 0.4 / 0.8) = 2698 кН - условие выполняется, следовательно, прочность фундамента на раскалывание обеспечена.
в) Проверка ступени по прочности на продавливание
Условие прочности ступени на продавливание:
F < Rbt * bm1 * b2 * h01,
где bm1 = h01 + bп = 0.4 + 0.9 = 1.3 м,
F – расчетная продавливающая сила:
F = A0 * Pmax,
где А0 = 0.63 м2 – площадь многоугольника продавливания (см рисунок 9).
F = 0.63 * 199 = 125.37 кН.
F = 125.37 кН < Rbt * bm1 * b2 * h01 = 900 *1.3 * 0.9 * 0.4 = 421.2 кН - условие выполняется, следовательно, прочность ступени на продавливание обеспечена.
Рисунок 9. Схема к определению площади продавливания
7.3.3 Армирование подошвы фундамента
Армирование подошвы фундамента размером 3 м * 2.4 м производится одной сеткой С1 с рабочими стержнями с шагом S = 200 мм в продольном и поперечном направлениях.
Площадь сечения арматуры на всю ширину (длину) подошвы фундамента:
Asl(sb) = Mbi(li) / (0.9 * Rs * h0i),
где Mbi(li) – изгибающий момент в i - ом сечении фундамента проходящий через центр тяжести сечения и параллельный стороне b (l):
Mbi = Nсоот * cli2 / (2 * l) * (1 + 6 * e0 / l - 4 * (e0 * cli / l2)),
Mli = Nсоот * cbi2 / (2 * b),
cli (cbi) – расстояние от наиболее нагруженного края до рассматриваемого сечения,
е0 – эксцентриситет:
е0 = (Mmax + Qсоот * d) / (Nсоот + 20 * b * l * d),
h0i – рабочая высота плитной части фундамента в i - ом сечении.
Сечение на границе первой ступени и подколонника:
h01 =0.4 м,
cl1 = 0.75 м,
cb1 = 0.75 м,
е0 = (322.5 + 38.9 * 1.65) / (734.7 + 20 * 2.4 * 3 * 1.65) = 0.398 м,
Mb1 = 734.7 * 0.752 / (2 * 3) * (1 + 6 * 0.398 / 3 - 4 * (0.398 * 0.75 / 32)) = 114.567 кН,
Ml1 = 734.7 * 0.752 / (2 * 2.4) = 86.098 кН,
Asl1 = 114.57 / (0.9 * 0.355 * 0.4) = 896 мм2,
Asb1 = 86.098 / (0.9 * 0.355 * 0.4) = 674 мм2.
Количество стержней в сетке по длине и ширине:
nl(b) = b (l) / S,
nl = 2400 / 200 = 12 шт,
nb = 3000 / 200 = 15 шт.
Минимальный диаметр стержней в сетке по длине и ширине:
dsl(b) = (4 * Asl1(sb1) / (π * nl(b))0.5,
dsl = (4 * 896 / (π * 12)0.5 = 9.8 мм.
dsb = (4 * 674 / (π * 15)0.5 = 7.6 мм.
Принимаем сетку С1 –
.
7.4 Расчёт и конструирование подколонника
7.4.1 Проверка прочности подколонника по нормальным сечениям
Проверка прочности подколонника проводится по двум сечениям: в уровне плитной части (сечение 1-1) и в уровне торца колонны (сечение 2-2) (см. рисунок 9).
а) Сечение 1-1
Случайный эксцентриситет:
ea = lп / 30,
ea = 1.5 / 30 = 0.05 м.
Приведенный момент в сечении:
M1 = Мmax + Ncooт * ea + Qcooт * hп,
M1 = 322.5 + 734.7 * 0.05 + 38.9 * 1.05 = 400.08 кН*м.
Эксцентриситет продольного усилия:
е1 = M1 / Nсоот + еа,
е1 = 400.08 / 734.7 + 0.05 = 0.595 м.
Площадь сжатой зоны:
Аbc = bп * lп * (1 - 2 * * е1 / lп),
Аbc = 0.9 * 1.5 * (1 - 2 * 1 * 0.595 / 1.5) = 0.279 м2.
Проверяем условие прочности подколонника в уровне плитной части:
Nсоот < b3 * b9 * Rb * Abc,
b3 * b9 * Rb * ABC = 0.85 * 0.9 * 11500 * 0.279 = 2454 кН.
Nсоот = 734.7 кН < b3 * b9 * Rb * Abc = 2454 кН - условие выполняется, следовательно подколонник между сечениями 1-1 и 2-2 армируется конструктивно.
б) Сечение 2-2
Сечение 2-2 в уровне торца колонны коробчатое, приводим его к эквивалентному двутавровому с высотой полки, толщиной стенки и шириной стенки:
hf = hf’ = lw1 = lw = 0.275 м;
b = 2 * bw1 = 2 * bw = 2 * 0.175 = 0.35 м;
bf = bf’ = bп = 0.9 м.
Площадь боковой поверхности колонны, заделанной в стакан фундамента: Ащ = 2.16 м2.
Коэффициент, учитывающий частичную передачу продольной силы на плитную часть фундамента через стенки стакана: ’ = 0.85.
Продольная сила, передаваемая через бетон замоноличивания на стенки стакана:
N
min
c = 0.4 * Rbt * b2 * Aщ,Nc = (1 - ’) * Nсоот,
Nc = 0.4 * 900 * 0.9 * 2.16 = 699.84 кН,
Nc = (1 - 0.85) * 734.7 = 110.21 кН.
Nc = 110.21 кН.
Проверяем условие:
Nс < Rb * bf’ * hf’,
Nс = 110.21 кН < Rb * bf’ * hf’= 1150 * 0.9 * 0.275 = 284.625 кН - условие выполняется, следовательно, граница сжатой зона проходит в полке, и сечение рассчитывается как прямоугольное с шириной b = 0.9 м.
Приведенный момент в сечении:
M2 = Мmax - Nc * ea + Qcooт * hс,
M2 = 322.5 + 110.21 * 0.05 + 38.9 * 0.8 =359.13 кН*м.
Эксцентриситет продольного усилия:
е1 = M2 / Nс + еа,
е1 = 359.13 / 110.21 + 0.05 = 3.309 м.
Площадь сжатой зоны:
Аbc = bп * lп * (1 - 2 * * е1 / lп),
Аbc = 0.9 * 1.5 * (1 - 2 * 1 * 3.309 / 1.5) = -4.6 < 0, следовательно, сила приложения находится за пределами сечения подколонника.
αn = Nсоот / (Rb * b * h0) = 734.7 / (11500 * 0.9 * 1.45) = 0.049.
ξR = 0.531
αn = 0.049 < ξR =0.531
Расчет ведем для случая αn ≤ ξR:
As = As’ = Rb * b * h0 * (αm - αn * (1 - αn / 2) / (Rs * (1 - δ)),
αm = (M2 + Nс * (h0 - as’) / 2) / (Rb * b * h02) = (359.13 + 110.21 * (1.45 - 0.05) / 2) / (11500 * 0.9 * 1.452) = 0.02.
δ = as′ / h0 = 5 / 145 = 0.035.
As = As’ = 11.5 * 104 * 0.9 * 1.45 * (0.02 - 0.154 * (1 - 0.154 / 2)) / (355 * (1 - 0.035)) = - 53 cм2.
Принимаем:
2 каркаса КР1 4 12 А400 с Аs’ = Аs = 0.000452 м2> 0.0004 * Aп = 0.0004 * 1.03 = 0.000412 м2,
2 каркаса КР2 4 12 А400 с Аs’ = Аs = 0.000452 м2> 0.0004 * Aп = 0.0004 * 1.03 = 0.000412 м2.
7.4.2 Проверка прочности подколонника по наклонным сечениям
Проверку прочности подколонника проводим по одному из двух наклонных сечений: 3-3 или 4-4, в зависимости от величины расчетного эксцентриситета.
Расчетный эксцентриситет:
е’ = (Мmax + Qсоот * hc) / Nсоот,
е’ = (322.5 + 38.9 * 0.95) / 734.7 = 0.489 м.
е’ = 0.489 м > hкол / 2 = 0.8 / 2 = 0.4 м, тогда расчетное сечение 4-4 с расчётным моментом:
МВ = Мmax + Qсоот * hc - 0.7 * Nсоот * е’,
МВ = 322.5 + 38.9 * 0.95 - 0.7 * 734.7 * 0.489 = 107.97 кН*м.
Площадь рабочей арматуры одной сетки С2:
Аs = МВ / (Rs * zi),
где zi – расстояние от каждого ряда сетки С2 до торца колонны.
zi = z1 + z2 + z3 + z4 + z5 = 0.2 + 0.4 + 0.6 + 0.8 = 2 м.
Аs = 107.97 / (35.5 * 2) = 1.52 см2.
Так как полученная по расчету площадь меньше предельно допустимой, то принимаем минимально допустимое армирование на одну сетку C2 – 4 8 А400 с Аs = 2.01 см2.
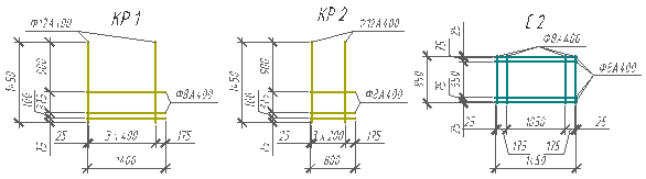
7.4.3 Армирование подколонника
Подколонник фундамента армируется четырьмя вертикальными каркасами КР1, КР2 образующих пространственный каркас и пятью горизонтальными сетками С2 (рисунок 10).
Сетки С2 располагаются горизонтально по высоте от верха фундамента с шагом 200 мм. Стержни сеток С2 расположены с таким расчетом, что стержни продольной арматуры каркасов КР1, КР2 подколонника проходят внутри ячеек сетки. Толщина защитного слоя бетона для рабочей арматуры подколонника 50 мм в поперечном и продольном направлениях.
Рисунок 10. Изделия для армирования подколонника
Список использованных источников
-
ГОСТ 11118-73. Панели из автоклавных ячеистых бетонов для наружных стен зданий. Технические требования. Москва.
-
ГОСТ 13840-68*. Канаты стальные арматурные 17. Технические условия. Издательство стандартов. Москва.
-
ГОСТ 14098-91. Соединения сварные арматуры и закладных изделий железобетонных конструкций типы, конструкции и размеры.
-
ГОСТ 23279-85. Сетки арматурные сварные для железобетонных конструкций и изделий. Москва. Госстрой СССР. 1985.
-
ГОСТ 5781-82. Сталь горячекатаная для армирования железобетонных конструкций. Технические условия.
-
ГОСТ 6727-80*. Проволока из низкоуглеродистой стали холоднотянутая для армирования железобетонных конструкций. Технические условия. Госстрой СССР. Москва. 1994.
-
Пособие по проектированию бетонных и железобетонных конструкций из тяжелого бетона без предварительного напряжения арматуры (к СП 52-101-2003). ГУП НИИЖБ Госстроя России. Москва. 2005.
-
Пособие по проектированию предварительно напряженных железобетонных конструкций из тяжелого бетона (к СП 52-102-2004). ГУП НИИЖБ Госстроя РФ.
-
Серия 1.412.1-16. Фундаменты монолитные железобетонные на естественном основании под типовые железобетонные колонны одноэтажных и многоэтажных зданий.
-
Серия 1.424.1-5. Колонны железобетонные прямоугольного сечения для одноэтажных производственных зданий высотой 8,4-14,4 м оборудованных мостовыми опорными кранами грузоподъемностью до 32 тонн.
-
Серия 1.463.1-16. Фермы стропильные железобетонные сегментные для покрытий одноэтажных производственных зданий пролетами 18 и 24 м.
-
СНиП 2.01.07-85*. Нагрузки и воздействия. Минстрой РФ. Москва. 1996.
-
СНиП 52-01-2003. Бетонные и железобетонные конструкции Основные положения. ГУП НИИЖБ Госстроя России. Москва. 2004.
-
СП 52-101-2003. Бетонные и железобетонные конструкции без предварительного напряжения арматуры. ГУП НИИЖБ Госстроя России.
-
СП 52-102-2004. Предварительно напряженные железобетонные конструкции. ГУП НИИЖБ Госстроя России.
-
Железобетонные конструкции. Байков В. Н., Сигалов Э. Е. Москва. Стройиздат. 1985.
-
Строительные конструкции. Учебное пособие. Малбиев С.А., Телоян А.Л., Лопатин А.Н. Пермь. 2006.
















