144337 (620518), страница 9
Текст из файла (страница 9)
Поперечная сила
6.2 Подбор сечения подкрановой балки
Подбор сечения ведется по результатам статического расчета ПБ. Принимаем сталь марки С255 (t=10-20мм, Ry=240МПа).
6.2.1 Определение высоты подкрановой балки
По условию прочности определяют требуемый момент сопротивления балки:
Толщину стенки tω, мм принимаем по эмпирической формуле:
принимаем толщину стенки 12мм
где: h – высота подкрановой балки в метрах
Оптимальная высота подкрановой балки:
Т.к. нагрузка на подкрановую балку подвижна, ее сечение постоянно по длине.
По жесткости:
где: [f/l] – относительный прогиб по табл.19 [5] равен 1/400
= 370 кН – нормативное значение максимального давления от колеса мостового крана;
Принимаем hб=90см.
6.2.2 Определение размеров поясов
Требуемый момент инерции подкрановой балки определяют по выбранной высоте:
момент инерции поясов выражают через площади поясных листов, пренебрегая при этом собственным моментом инерции поясов относительно горизонтальной оси:
(зададимся толщиной полок 1,8 см, тогда высота стенки 86,4см)
отсюда площадь поясного листа
,
по ранее принятой толщине пояса (tf=1,8мм) определяем ширину пояса:
Из условия
принимаем пояс из листа сечением 18х300мм, Аf=54см2
В сжатом поясе должна быть обеспечена местная устойчивость свеса:
<
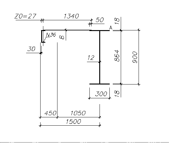
6.2.3. Выбор элементов тормозной балки
Тормозная балка состоит из верхнего пояса ПБ, горизонтального листа из рифленой стали толщиной 8мм и швеллера № 36.
Рис. 6.4. – Размеры подкрановой и тормозной балок
6.2.4 Определение геометрических характеристик подкрановых конструкций
| Элемент сечения | Угол поворота | Зеркально |
| Лист 864 x 12 | 90.0 | |
| Лист 300 x 18 | ||
| Лист 300 x 18 | ||
| Лист 1340 x 8 | ||
| Швеллеp с уклоном полок по ГОСТ 8240-89 36 |
Габариты сечения 1616.9 x 908.0 мм
Геометрические характеристики сечения
| Параметр | Значение | ||
| A | Площадь поперечного сечения | 372.28 | см2 |
| | Угол наклона главных осей инерции | 70.856 | град |
| Iy | Момент инерции относительно центральной оси Y1 параллельной оси Y | 438369.28 | см4 |
| Iz | Момент инерции относительно центральной оси Z1 параллельной оси Z | 1229290.415 | см4 |
| It | Момент инерции при свободном кручении | 197.914 | см4 |
| iy | Радиус инерции относительно оси Y1 | 34.315 | см |
| iz | Радиус инерции относительно оси Z1 | 57.464 | см |
| Wu+ | Максимальный момент сопротивления относительно оси U | 12463.716 | см3 |
| Wu- | Минимальный момент сопротивления относительно оси U | 17848.0 | см3 |
| Wv+ | Максимальный момент сопротивления относительно оси V | 6680.949 | см3 |
| Wv- | Минимальный момент сопротивления относительно оси V | 7257.658 | см3 |
| Wpl,u | Пластический момент сопротивления относительно оси U | 19718.202 | см3 |
| Wpl,v | Пластический момент сопротивления относительно оси V | 9662.616 | см3 |
| Iu | Максимальный момент инерции | 1337667.823 | см4 |
| Iv | Минимальный момент инерции | 329991.872 | см4 |
| iu | Максимальный радиус инерции | 59.943 | см |
| iv | Минимальный радиус инерции | 29.773 | см |
| au+ | Ядровое расстояние вдоль положительного направления оси Y(U) | 33.479 | см |
| au- | Ядровое расстояние вдоль отрицательного направления оси Y(U) | 47.942 | см |
| av+ | Ядровое расстояние вдоль положительного направления оси Z(V) | 17.946 | см |
| av- | Ядровое расстояние вдоль отрицательного направления оси Z(V) | 19.495 | см |
| yM | Координата центра тяжести по оси Y | -42.831 | см |
| zM | Координата центра тяжести по оси Z | -61.946 | см |
| Элемент сечения | Угол поворота | Зеркально |
| Лист 864 x 12 | 90.0 | |
| Лист 300 x 18 | ||
| Лист 300 x 18 |
Габариты сечения 300.0 x 900.0 мм
Геометрические характеристики сечения
| Параметр | Значение | ||
| A | Площадь поперечного сечения | 211.68 | см2 |
| | Угол наклона главных осей инерции | 0.0 | град |
| Iy | Момент инерции относительно центральной оси Y1 параллельной оси Y | 274565.894 | см4 |
| Iz | Момент инерции относительно центральной оси Z1 параллельной оси Z | 8112.442 | см4 |
| It | Момент инерции при свободном кручении | 156.49 | см4 |
| iy | Радиус инерции относительно оси Y1 | 36.015 | см |
| iz | Радиус инерции относительно оси Z1 | 6.191 | см |
| Wu+ | Максимальный момент сопротивления относительно оси U | 6101.464 | см3 |
| Wu- | Минимальный момент сопротивления относительно оси U | 6101.464 | см3 |
| Wv+ | Максимальный момент сопротивления относительно оси V | 540.829 | см3 |
| Wv- | Минимальный момент сопротивления относительно оси V | 540.829 | см3 |
| Wpl,u | Пластический момент сопротивления относительно оси U | 7002.288 | см3 |
| Wpl,v | Пластический момент сопротивления относительно оси V | 841.104 | см3 |
| Iu | Максимальный момент инерции | 274565.894 | см4 |
| Iv | Минимальный момент инерции | 8112.442 | см4 |
| iu | Максимальный радиус инерции | 36.015 | см |
| iv | Минимальный радиус инерции | 6.191 | см |
| au+ | Ядровое расстояние вдоль положительного направления оси Y(U) | 28.824 | см |
| au- | Ядровое расстояние вдоль отрицательного направления оси Y(U) | 28.824 | см |
| av+ | Ядровое расстояние вдоль положительного направления оси Z(V) | 2.555 | см |
| av- | Ядровое расстояние вдоль отрицательного направления оси Z(V) | 2.555 | см |
| yM | Координата центра тяжести по оси Y | 0.0 | см |
| zM | Координата центра тяжести по оси Z | -45.0 | см |
Проверим нормальное напряжение в верхнем поясе (точка А):















