85586 (612518)
Текст из файла
Министерство Образования Российской Федерации
ИрГТУ
Кафедра АПП
Курсовая работа
по математике
Выполнил: студент группы АТП-05-1
Поверил: профессор
Баев А. В.
Иркутск
2007 г
Задание.
-
Для заданной электрической цепи составить дифференциальные уравнения при входном воздействии типа скачка.
-
Применить к полученному уравнению преобразование Лапласа при нулевых начальных условиях.
-
Решить уравнение операторным методом.
-
Построить переходный процесс.
-
Записать выражение и построить частотные характеристики цепи: АЧХ, ФЧХ, ДЧХ, МЧХ и АФЧХ (амплитудно-фазовую характеристику).
-
Описать динамику вашей цепи в терминах пространства состояния.
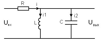
Схема электрической цепи
Дано:
R = 5
L = 10
C = 12
;
При подстановке данных получаем окончательное дифференциальное уравнение:
Применим преобразование Лапласа и запишем передаточную функцию для данной цепи
Решаем характеристическое уравнение:
График переходного процесса
Заменим P = jω, получая комплексную переменную:
Решаем алгебраически:
АФЧХ :
ДЧХ :
ФЧХ :
С помощью MathCAD строим все виды характеристик цепи:
Графики частотных характеристик цепи:
ДЧХ и МЧХ:
АЧХ:
ФЧХ:
АФЧХ:
Опишем динамику нашей цепи в терминах пространства состояния.
Компактная форма:
Составляем матрицу A:
Составляем матрицу единичную матрицу Ep:
Выражение для передаточной функции:
Составляем матрицу из алгебраического дополнения:
Составляем транспонированную матрицу:
Находим определитель ∆
Выражение для передаточной функции:
При подстановке данных, получаем:
Дискретная форма.
Передаточная функция равна:
Находим корни корни характеристического уравнения:
Из таблицы оригиналов и значений:
Произведем подстановку данных:
Разделим числитель и знаменатель на z в max степени:
Следовательно:
где m- максимальная степень z, L- максимальная степень z в знаменателе:
Находим, целю часть:
Следовательно:
График дискретной функции :
Характеристики
Тип файла документ
Документы такого типа открываются такими программами, как Microsoft Office Word на компьютерах Windows, Apple Pages на компьютерах Mac, Open Office - бесплатная альтернатива на различных платформах, в том числе Linux. Наиболее простым и современным решением будут Google документы, так как открываются онлайн без скачивания прямо в браузере на любой платформе. Существуют российские качественные аналоги, например от Яндекса.
Будьте внимательны на мобильных устройствах, так как там используются упрощённый функционал даже в официальном приложении от Microsoft, поэтому для просмотра скачивайте PDF-версию. А если нужно редактировать файл, то используйте оригинальный файл.
Файлы такого типа обычно разбиты на страницы, а текст может быть форматированным (жирный, курсив, выбор шрифта, таблицы и т.п.), а также в него можно добавлять изображения. Формат идеально подходит для рефератов, докладов и РПЗ курсовых проектов, которые необходимо распечатать. Кстати перед печатью также сохраняйте файл в PDF, так как принтер может начудить со шрифтами.
















