49841 (609319)
Текст из файла
Міністерство освіти і науки України
ДЕРЖАВНИЙ ВИЩИЙ НАВЧАЛЬНИЙ ЗАКЛАД
"КИЇВСЬКЙ НАЦІОНАЛЬНИЙ ЕКОНОМІЧНИЙ УНІВЕРСИТЕТ ІМЕНІ ВАДИМА ГЕТЬМАНА"
РОМЕНСЬКИЙ КОЛЕДЖ
Спеціальність: 5.091504 "Обслуговування комп’ютерних та інтелектуальних систем та мереж"
Курсовий проект з предмету:
Мікропроцесорні системи
Тема: "Розробити схему електричну принципову модуля
на базі 8-розрядного МП"
РК КНЕУ. КП.5.091504.009 ПЗ
Перевірив викладач Шокота Т.А.
Виконав:
студент гр. К 3-2 Лакиза Н.С.
2007
Зміст
Вступ 3
1. Загальний розділ 6
1.1. Призначення проектуємого пристрою 6
1.2. Технічні характеристики 10
1.3. Розробка і обґрунтування схеми електричної структурної 11
2. Спеціальний розділ 13
2.1. Вибір і обґрунтування елементної бази 13
2.2. Принцип роботи окремих ВІС з використанням часових діаграм 16
2.3. Принцип роботи пристрою згідно схеми електричної принципової 21
3. Експлуатаційний розділ 23
3.1. Ініціалізація програмуємих ВІС 23
3.2. Тест перевірки окремих вузлів або пристрою 23
3.3. Розрахунок надійності пристрою 26
Література 30
Вступ
Безупинне удосконалення технології і схемотехніки великих інтегральних мікросхем (ВІС) обумовило створення і розвиток одних з найбільш універсальних ВІС - мікропроцесорів. До сьогоднішнього часу вітчизняною промисловістю і закордонними фірмами випускається велике число комплектів мікропроцесорних ВІС, що відрізняються швидкодією, потужністю споживання, розрядністю й іншими характеристиками, а також функціональним набором схем у комплекті. Функціональний склад комплектів мікропроцесорних ВІС і їх основні характеристики визначалися на основі аналізу різних варіантів застосування мікропроцесорів і оптимізації алгоритмів керування з урахуванням вимог до продуктивності й обсягу адресуємої пам'яті.
Високий рівень технічних характеристик мікропроцесорних ВІС і порівняно низька вартість у розрахунку на одиницю оброблюваної інформації стимулювали швидке впровадження мікропроцесорів у побутову, промислову і спеціальну радіоелектронну апаратуру.
Мікропроцесор (МП) - програмно-управляючий пристрій, призначений для обробки цифрової інформації і керування процесом цієї обробки, виконаний у виді однієї (чи декількох) інтегральної схеми з високим ступенем інтеграції електронних елементів.
Продуктивність мікропроцесорів безупинно зростає в міру удосконалення мікроелектронної технології й архітектури. У найбільш досконалих мікропроцесорах вона вже з початку 80-х років не поступається продуктивності процесорам звичайних міні-ЕОМ середньої обчислювальної потужності.
Процесори ЕОМ мають складну логічну структуру і містять велику кількість електронних елементів з безліччю розгалужених зв'язків між ними. Для підвищення продуктивності процесора необхідно розвивати всі його апаратні ресурси. Можливості однокристальних мікропроцесорів визначає мікроелектронна технологія на визначеному рівні розвитку. Тому, щоб збільшити продуктивність процесорів, використовують їх реалізацію у вигляді багатокристальних, а також секційних багатокристальних мікропроцесорів.
Багатокристальні МП можна одержати в тому випадку, коли відбувається поділ логічної схеми процесора на окремі функціонально закінчені частини, кожна з яких реалізується у виді інтегральної схеми.
Необхідність виконання складних функцій керування призвела до створення мікроконтролерів - керуючих пристроїв, виконаних на одному чи декількох кристалах. Мікроконтролери виконують функції логічного аналізу і керування (тому за рахунок виключення арифметичних операцій можна зменшити їхню апаратну складність чи розвинути функції логічного керування).
Архітектура мікропроцесора - функціональні можливості апаратних електронних засобів мікропроцесора, використовувані для представлення даних, машинних операцій, опису алгоритмів і процесів обчислень.
Архітектура поєднує апаратні, мікропрограмні і програмні засоби обчислювальної техніки і дозволяє чітко виділити те, що, при створенні конкретної мікропроцесорної системи і використанні можливостей мікропроцесорного комплекту, ВІС повинні бути реалізовані користувачем програмним способом і додатковими апаратними засобами.
Розробляючи програмне забезпечення для мікро-ЕОМ, програміст повинен знати архітектурні особливості і технічні характеристики мікро-ЕОМ. Ця вимога необхідна при використанні мови асемблера, але вона може виявитися істотною і при використанні мови високого рівня. Однак програміст може знатися в апаратному забезпеченні, і тим більше в схемотехнічних елементах мікро-ЕОМ не настільки детально, як інженер-розроблювач мікропроцесорних пристроїв. На відміну від останнього програміст може мати потребу в з'ясуванні і розумінні лише елементів і характеристик обчислювальної машини, що явно відбиваються в програмах і (або) повинні бути враховані при розробці і виконанні програм. До таких елементів і характеристик мікро-ЕОМ варто віднести, зокрема, число й імена програмно-доступних регістрів, розрядність машинного слова, систему команд, доступний розмір і адреси оперативної пам'яті, швидкодію процесора, схему обробки переривань, способи адресації оперативної пам'яті і зовнішніх пристроїв. Сукупність подібних зведень являє собою модель мікро-ЕОМ з погляду програміста.
Для ефективного використання мікро-ЕОМ споживач повинен володіти мовами програмування різного рівня. Задачі системного програмування, наприклад, досить часто вимагають застосування мови асемблера, яка дає можливість найбільш повно і раціонально використовувати апаратні і програмні ресурси мікро-ЕОМ.
У даному курсовому проекті розроблено схему електричну принципову процесорного модуля з використанням мікропроцесора КР580ВМ80А
1. Загальний розділ
1.1. Призначення проектуємого пристрою
У курсовому проекті прийняті наступні скорочення:
БА - буфер адреси;
БД - буфер даних;
ВІС - велика інтегральна схема;
ОС - обчислювальна система;
ГТІ - генератор тактових імпульсів;
ЗП - запам'ятовуючий пристрій;
ІС - інтегральна схема;
МС - мікросхема;
МА - магістраль адреси;
МД - магістраль даних;
МК - магістраль керування;
МП - мікропроцесор;
МПС - мікропроцесорна система;
ОЗП - оперативно-запам'ятовуючий пристрій;
ПДП - прямий доступ у пам'ять;
ПЗП - постійно-запам'ятовуючий пристрій;
ЦП - центральний процесор;
ПВВ - пристрій введення-виведення;
ЕОМ - електронно-обчислювальна машина;
ЧТП - читання пам'яті;
ЗПП - запис у пам'ять;
ЗПВВ - запис у пристрої введення/виведення;
ППРЕ - підтвердження переривання
Розробка архітектури МПС.
Проектування нової мікро-ЕОМ звичайно починається з опису її архітектури, що представляє собою модель мікро-ЕОМ з точки зору програміста. Модель у процесі проектування перетворюється в структуру мікро-ЕОМ, що визначає склад, призначення і взаємозв'язки необхідних апаратурних компонентів, що реалізують бажану архітектуру.
Останнім часом найбільше поширення одержав принцип модульної організації обчислювальних систем. Серед способів організації зв'язку елементів всередині модулів і між модулями в системі можна виділити два: за допомогою довільних зв'язків, що реалізують принцип "кожний з кожним", і за допомогою упорядкованих зв'язків (магістральний), що дозволяє мінімізувати число зв'язків.
Найбільш розповсюдженою є схема мікро-ЕОМ, що має дві чи три загальні магістралі, до яких під впливом пристрою керування можуть по черзі підключатися вхідні в мікропроцесор вузли. Така структура вимагає обмеженого числа зовнішніх контактів, але обмін інформацією між вузлами і блоками повинен здійснюватися у визначеній послідовності.
У мікро-ЕОМ процесор будується на ВІС, що утворює базовий МП-комплект. Процесор мікро-ЕОМ може бути реалізований у вигляді однієї (однокристальний мікропроцесор) чи декількох ВІС (багатокристальний мікропроцесор).
Відповідно до розробки спеціалізованих ІС для різних блоків мікро-ЕОМ структурна схема її може бути представлена як сукупність
функціональних блоків, з'єднаних між собою відповідно до вимог інтерфейсів. У приведеній схемі обробку інформації здійснює мікропроцесор, синхронізуємий тактовими імпульсами пристрою синхронізації. Обмін інформацією між мікропроцесором і іншими блоками мікро-ЕОМ здійснюється по трьох магістралях: адресної, даних і керуючої.
Структура МП системи представлена на рисунку 1.1.1.
Рисунок 1.1.1. – Узагальнена структура мікропроцесорної системи
На рисунку 1.1.1. прийнято наступні умовні позначення:
ЦП - центральний процесор на основі мікропроцесора;
ЗП - напівпровідникова пам'ять (ОЗП, ПЗП);
МІК - модуль інтерфейсу користувача;
МКП - модуль контролерів переривань і ПДП;
МІЗ - модуль інтерфейсу зв'язку;
МЗО - модуль зв'язку з об'єктом;
Системна шина містить у собі три магістралі: адресну, даних і керування.
проводиться звертання до пристроїв пам'яті, введення/виведення й інших зовнішніх пристроїв, підключених до мікропроцесора. Оброблена інформація і результати обчислень передаються по магістралі даних (МД). Магістраль керування (МК) передає керуючі сигнали на всі блоки мікро-ЕОМ, та настроює на потрібний режим пристрої, що беруть участь у виконуванні команд.
Використання в мікро-ЕОМ трьох магістралей забезпечує високу швидкодію і спрощує процес обчислень. Можлива побудова мікро-ЕОМ з однією чи двома магістралями, по яких послідовно передаються код адреси й оброблювана інформація, але при цьому збільшується час виконання команд й ускладнюється організація обміну даними між вузлами.
Вибір мікропроцесора і системного контролера.
Одним з основних критеріїв при виборі МП є швидкодія. Так як до проектованої системи не пред'являються високі вимоги, то можна вибрати мікропроцесор із середньою швидкодією. Виберемо мікропроцесор із МПК серії КР580.
Мікропроцесорний комплект серії КР580 є одним з розповсюджених комплектів ВІС, що дозволяє створювати ефективні обчислювальні пристрої, орієнтовані на реалізацію обчислювальних задач і використання їх як пристроїв керування. Основу комплекту складає однокристальний МП КР580ВМ80. Крім МП до складу серії КР580 входить велике число ВІС, що дозволяють відносно просто підключати до МП різні пристрої, організовувати швидкий обмін інформацією між блоками ЕОМ. Розглянемо особливостей побудови мікро-ЕОМ на прикладі МПК серії КР580.
Мікропроцесорний комплект КР580 містить у собі мікросхеми:
Мікропроцесорна ВІС.
Програмований пристрій введення-виведення рівнобіжної інформації різного формату КР580ВВ55.
Програмований блок пріоритетного переривання КР580ВН59.
Програмований пристрій прямого доступу до пам'яті КР580ВТ57.
Інтегральний таймер КР580ВИ53.
Універсальний синхронно-асинхронний програмований прийомо-передавач КР580ВВ51.
Програмований контролер клавіатури КР580ВВ79.
Системний контролер КР580ВК28.
Схеми виконані по n-МОП технології, вхідні і вихідні сигнали відповідають рівням роботи ТТЛ-схем. Мікро-ЕОМ, побудована на базі комплекту, працює з тактовою частотою до 2 Мгц. Схеми програмуються за допомогою фіксованого набору команд МП ВІС КР580ВМ80.
Мікропроцесорна ВІС КР580ВМ80 являє собою однокристальний 8-розрядний МП із двома магістралями: однонапрямленою 16-розрядною адресною магістраллю (МА), двонаправленою 8-розрядною магістраллю даних (МД), і 12 сигналами керування (шість вхідних і шість вихідних). МП застосовується як центральний процесор у пристроях обробки даних і керування. Канал адреси забезпечує пряму адресацію зовнішньої пам'яті обсягом до 65535 байт, 256 пристроїв введення і 256 пристроїв виведення.
Мікропроцесорна ВІС розрахована на виконання логічних і арифметичних операцій з 8-розрядними числами в двійковій і десятковій системах числення, а також операцій з подвійною розрядністю (з 16-розрядними числами).
Як системний контролер буде використовуватися ВІС КР580ВК28, яка необхідна для фіксації слова - стану МП, вироблення системних керуючих сигналів, буферизації шини даних МП і керування напрямком передачі даних.
1.2. Технічні характеристики
Проектована МП система має наступні основні технічні характеристики:
Елементна база - мікросхеми серій К580.
Базовий комплект - ВІС серії К580.
Центральний процесор - КР580ВМ80А.
Розрядність шини адреси - 1 б біт.
Розрядність шини даних - 8 біт.
Число команд - 244.
Формати команд - нуль-, одне - і двохадресні.
Розрядність команд - 8,16, 24 біт.
Формат даних - двійкові числа з фіксованою комою.
Способи адресації - пряма, непряма, безпосередня, неявна
Число 8-розрядних регістрів загального призначення - 6.
Час виконання команд додавання R-R - не більш 2 мкс.
Число адресуємих регістрів введення-виведення - 256.
Обсяг адресуємої пам'яті - 64 К байт.
Ємність ПЗП - 16 К байт,
Ємність ОЗП - 64 К байт.
Продуктивність - 110 тис. оп/с.
Система переривань - програмно-пріоритетна з 8 лініями апаратного переривання.
Час реакції на переривання - 18 мкс.
Параметри вхідних і вихідних сигналів сумісні з ТТЛ-рівнями.
1.3. Розробка і обґрунтування схеми електричної структурної
Схему електричну структурну пристрою розглянемо на прикладі мікросхеми КР1810ВБ89 (рисунок 1.3.1) призначеної для реалізації пріоритетного безконфліктного доступу до системної шини мультипроцесорної системи. Арбітр шини дешифрує стан мультипроцесора, виробляє керуючі сигнали для організації доступу до шини типу Мультибас і керує контролерами шини й регістрами для фіксації адреси.
Арбітр шини складається з наступних функціональних блоків: дешифратора станів, що декодує стан мікропроцесора і формує сигнали, що надходять на схеми арбітражу й інтерфейсу системної шини; схеми арбітражу керуючої разом зі схемами арбітражу інших арбітрів пріоритетним доступом; схеми інтерфейсу системної шини, що виробляє сигнали запиту на захоплення системної шини і приймаючого сигналів підтвердження захоплення; схеми керування і синхронізації; схеми керування контролером шини й фіксаторами адреси.
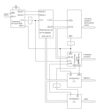
Рисунок 1.3.1. - Структурна схема процесорного модуля
2. Спеціальний розділ
2.1. Вибір і обґрунтування елементної бази
Системний контролер і шинний формувач КР580ВК28.
Системний контролер і шинний формувач КР580ВК28 призначено для фіксації слова-стану МП, вироблення системних керуючих сигналів, буферизації шини даних МП і керування напрямком передачі даних.
Структурна схема системного контролера і шинного формувача (СКФ) приведена на рис.2.1.1. До складу СКФ входять: шинний формувач-підсилювач (BF), що забезпечує збільшення навантажувальної здатності системної інформаційної шини; регістр (RG) для запису і збереження слова-стану МП; комбінаційна схема (PLA) для формування вихідних керуючих сигналів.
Характеристики
Тип файла документ
Документы такого типа открываются такими программами, как Microsoft Office Word на компьютерах Windows, Apple Pages на компьютерах Mac, Open Office - бесплатная альтернатива на различных платформах, в том числе Linux. Наиболее простым и современным решением будут Google документы, так как открываются онлайн без скачивания прямо в браузере на любой платформе. Существуют российские качественные аналоги, например от Яндекса.
Будьте внимательны на мобильных устройствах, так как там используются упрощённый функционал даже в официальном приложении от Microsoft, поэтому для просмотра скачивайте PDF-версию. А если нужно редактировать файл, то используйте оригинальный файл.
Файлы такого типа обычно разбиты на страницы, а текст может быть форматированным (жирный, курсив, выбор шрифта, таблицы и т.п.), а также в него можно добавлять изображения. Формат идеально подходит для рефератов, докладов и РПЗ курсовых проектов, которые необходимо распечатать. Кстати перед печатью также сохраняйте файл в PDF, так как принтер может начудить со шрифтами.















