49841 (609319), страница 2
Текст из файла (страница 2)
Рисунок 2.1.1. - Структурна схема системного контролера і шинного формувача (СКФ).
Призначення вхідних, вихідних, вихідних і керуючих сигналів СКФ приведені при описі виводів мікросхеми в табл.2.1.1.
Таблиця 2.1.1. - Опис виводів СКФ
| Позначення виводу | Номер контакту | Призначення виводу |
| D(7 - 0) | 8; 21; 19; 6; 10; 12; | Входи/виходи даних |
| 17; 15 | (з боку МП) | |
| STSTB | 1 | Строб стану (від ГТИ) |
| DBIN | 4 | Вхід сигналу "ПРИЙОМ" від МП |
| WR | 3 | Вхід сигналу "ВИДАЧА" від МП |
| HLDA | 2 | Вхід сигналу "ПІДТВЕРДЖЕННЯ ЗАХОПЛЕННЯ" від МП |
| DB(7 - 0) | 7; 20; 18; 5; 9; 11; 16; 13 | Входи/виходи інформаційної системної шини |
| MEMR | 24 | Читання пам'яті |
| MEMW | 26 | Запис у пам'ять |
| I/OR | 25 | Читання з ВУ |
| I/OW | 27 | Запис у ВУ |
| BUSEN | 22 | Дозвіл роботи шин - сигнал Н-рівня, що установлює усі виходи у високоімпедансний стан |
| INTA | 23 | Підтвердження переривання - сигнал L-рівня, використову-ваний для стробування введення адреси підпрограми обслуговування переривання |
| Ucc | 28 | Напруга живлення (+5В) |
Підключення СКФ до МП наведено на рисунку 2.1.2.
Рисунок 2.1.2. - Схема підключення СКФ до МП
По сигналу STSTB, що виробляється ГТІ, відбувається запис слова-стану в регістр збереження, а потім видача його на комбінаційну схему, що формує керуючі сигнали.
Буферні регістри КР580ИР82 і КР580ИР83.
Буферні регістри КР580ИР82 і КР580ИР83 являють собою 8-розрядні паралельні регістри з тристабільними виходами. Вони використовуються для реалізації схем фіксації, буферизації і мульти-плексування в мікропроцесорних системах на базі МП КР580ИК80А та К1810ВМ86. На виходах мікросхеми КР580ИР82 генеруються не інвертовані вхідні дані, а на виходах мікросхеми КР580ИР83 - інвертовані.
Запис вхідних даних у буферні регістри виробляється при переході сигналу STB с Н-рівня в L-рівень. При Н-рівні сигналу ОЕ виходи буферних регістрів знаходяться у високоімпедансному стані.
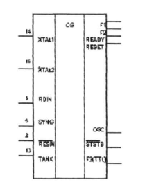
Генератор тактових сигналів КР580ГФ24.
Мікропроцесорна інтегральна мікросхема КР580ГФ24 використовується як генератор тактових синхросерій F1 і F2 для мікропроцесора КР580ИК80А. Крім того, генератор виробляє сигнали початкової установки мікропроцесора RESET і готовності READY, які синхронізовані тактовими імпульсами, і строб STSTB, використовуваний для фіксації слова станів у системному контролері.
На рисунку 2.1.2. приведене умовне позначення генератора тактових сигналів КР580ГФ24 на електричній схемі.
Рисунок 2.1.2. - Позначення КР580ГФ24 на схемі електричній принциповій.
2.2. Принцип роботи окремих ВІС з використанням часових діаграм
В серії К580 процесор разом з пристроєм керування реалізований у вигляді окремої ВІС і має фіксовані розрядність і систему команд, "зашиту" у ВІС МП.
Схематичне зображення і позначення на електричній схемі приведене рисунку 2.2.1.
Рисунок 2.2.1. - Позначення мікропроцесора КР580ВМ80А на електричній схемі.
Функціональне призначення виводів МП КР580ВМ80А приведено в таблиці 2.2.1.
Таблиця 2.2.1. Функціональне призначення виводів МП.
| Вивід | Позначення | Тип виводу | Функціональне призначення виводів |
| 1,25- 27, 29-40 | Аю, Ао-А2> Аз-А9ї Аі5, Ai2-A14s ^п | Виходи | Канал адреси |
| 2 | GND | - | Загальний |
| 3-10 | D4-D7, D3-D0 | Входи (виходи) | Канал даних |
| 11 | UTO | - | Напруга живлення - 5 V |
| 12 | RESET | Вхід | Установка в початковий стан |
| 13 | HOLD | Вхід | Захоплення |
| 14 | INT | Вхід | Запит переривання |
| 15,22 | Сь С2 | Входи | Тактові імпульси |
| 16 | ШТЕ | Вихід | Дозвіл переривання |
| 17 | DBIN | Вихід | Прийом інформації |
| 18 | -WR | Вихід | Видача інформації |
| 19 | SYNC | Вихід | Сигнал синхронізації |
| 20 | Ucci | - | Напруга живлення +5 V |
| 21 | HLDA | Вихід | Підтвердження захоплення |
| 23 | RDY | Вхід | Сигнал "Готовність" |
| 24 | WATT | Вихід | Сигнал "Чекання" |
| 28 | '"Цвда | - | Напруга живлення +12 V |
Цикл команд МП складається з машинних циклів, число яких для різних команд неоднакове і коливається в межах від одного до трьох. Машинний цикл потрібно кожного разу, коли ЦП звертається до пам'яті чи до порту вводу/виводу. На кожен байт обраної команди приділяється один машинний цикл, що містить три-п'ять тактів. На рис.2.2.2. показаний цикл команди з трьома звертаннями до пам'яті, що складається з трьох машинних циклів.
Рисунок 2.2.2. - Цикли і стани МП
Спочатку кожного машинного циклу ЦП видає на шину даних вісім розрядів інформації, що характеризує стан внутрішніх вузлів МП. Ця інформація знаходиться на шині даних протягом дії сигналу SYNC, що завжди з'являється в першому такті будь-якого машинного циклу. Інформація про стан МП по сигналу стробу видачі слова стану записується в спеціальний зовнішній регістр стану і зберігається в ньому до появи наступного стробу, тобто протягом усього часу машинного циклу, що залишився. Строб видачі слова стану формується поза МП логічним перемножуванням сигналів Ф1 і SYNC, як показано на рисунку 2.2.3. Таким чином, шина даних протягом короткого проміжку часу використовується для видачі і запису в зовнішній регістр слова стану внутрішніх вузлів МП, в інший час – за своїм прямим призначенням.
Рисунок 2.2.3. - Видача слова стану внутрішніх вузлів МП
Здавалося б природним для видачі інформації про стан МП використовувати додаткові висновки, аналогічні тим, що використовуються для видачі сигналів WR, DBIN, SYNC і ін., однак припустиме число виводів, що підключаються до одного кристала ІМС, дуже обмежено. Штучне мультиплексування шини даних дозволяє зменшити число виводів МП.
Інформація про стан внутрішніх вузлів МП показує, які дії будуть виконуватися протягом поточного машинного циклу. Існує 10 різновидів машинних циклів і відповідних їм різних слів стану МП, приведених у табл.2.2.2, де кожен розряд слова формує відповідний сигнал. Назви і призначення цих сигналів зазначені в табл.2.2.З.
Таблиця 2.2.2. Значення розрядів слова стану МП
для різних машинних циклів.
| № п/п | Тип машинного циклу | D7 | D6 | D5 | D4 | D3 | D2 | D1 | DO |
| 1. | Вибір команди (Мі) | 1 | 0 | 1 | 0 | 0 | 0 | 1 | 0 |
| 2. | Читання з пам'яті | 1 | 0 | 0 | 0 | 0 | 0 | 1 | 0 |
| 3. | Запис у пам'ять | 0 | 0 | 0 | 0 | 0 | 0 | 0 | 0 |
| 4. | Читання стека | 1 | 0 | 0 | 0 | 0 | 1 | 1 | 0 |
| 5. | Запис у стек | 0 | 0 | 0 | 0 | 0 | 1 | 0 | 0 |
| 6. | Уведення | 0 | 1 | 0 | 0 | 0 | 0 | 1 | 0 |
| 7. | Висновок | 0 | 0 | 0 | 1 | 0 | 0 | 0 | 0 |
| 8. | Підтвердження | ||||||||
| Дозволу переривання | 0 | 0 | 1 | 0 | 0 | 0 | 1 | 1 | |
| 9. | Підтвердження | ||||||||
| зупинки | 1 | 0 | 0 | 0 | 1 | 0 | 1 | 0 | |
| 10. | Підтвердження | ||||||||
| переривання зупинці | 0 | 0 | 1 | 0 | 1 | 0 | 1 | 1 |
Таблиця 2.2.3. Призначення розрядів слова стану МП.
| Розряд | Позначення і найменування сигналу | Призначення розряду | ||
| D7 | MEMR | Читання з пам'яті | Вказує на те, що в даному циклі буде вироблятися читання з пам'яті | |
| D6 | ЮТ | Введения | На шинах адресу установлений номер пристрою введення. Передбачається введення інформації в ЦП | |
| D5 | Ml | Вибір першого байта | Поточний цикл служить для вибору першого байта команди | |
| D4 | OUT | Висновок | На шинах адресу установлений номер пристрою виведення. Передбачається виведення інформації при сигналі WR | |
| D3 | HLTA | Підтвердження зупинки | Відгук на команду HLT. Підтверджує зупинку | |
| D2 | STACK | Стік | На шинах адресу встановлена адреса з покажчика стека | |
| Dl | WO | Запис чи виведення | На шинах даних знаходиться інформація для запису в пам'ять чи для виведення на зовнішній пристрій | |
| DO | ШТА | Підтвердження Переривання | Стробування номера запиту на переривання при дійсному сигналі DBIN | |
Формування керуючих сигналів.
Взаємодія МП із пам'яттю і пристроями введення-виведення здійснюється по сигналах шини керування. Частина сигналів надходить на цю шину безпосередньо. Інша частина сигналів, такі як I/OR, I/OW, MEMR, MEMW, формується відповідно до інформації, збереженої в регістрі слова стану fPSWY.
2.3. Принцип роботи пристрою згідно схеми електричної принципової
Блок процесора містить у собі МП ВІС D3, генератор тактових імпульсів D2, системний контролер D6, підсилювачі MA D4 і D5, підсилювач сигналів МП ВІС D7.
















