45710 (607769), страница 2
Текст из файла (страница 2)
Рис. 5 Спектральные характеристики излучателей:
а – светодиод
б – лазер
Детекторами излучения служат фотодиоды. Существует ряд типов фотодиодов, различающихся по чувствительности и быстродействию. Простейшие фотодиоды имеют низкую чувствительность и большое время отклика. Большим быстродействием обладают диоды, у которых время отклика измеряется единицами наносекунд при приложенном напряжении от единиц до десятков вольт. Лавинные диоды обладают максимальной чувствительностью, но требуют приложения напряжения в сотни вольт, и их характеристики сильно зависят от температуры. Зависимость чувствительности фотодиодов от длины волны имеет явно выраженные максимумы на длинах волн, определяемых материалом полупроводника. Самые дешевые кремниевые фотодиоды имеют максимальную чувствительность в диапазоне 800-900 нм, резко спадающую уже на 1000 нм. Для более длинноволновых диапазонов используют германий и арсенид индия и галлия.
На основе излучателей и детекторов выпускают готовые компоненты – передатчики, приемники и приемопередатчики. Эти компоненты имеют внешний электрический интерфейс ТТЛ или ЭСЛ. Оптический интерфейс – коннектор определенного типа, который часто устанавливают на отрезок волокна, приклеенный непосредственно к кристаллу излучателя или детектора.
Передатчик (transmitter) представляет собой излучатель со схемой управления. Основными оптическими параметрами передатчика являются выходная мощность, длина волны, спектральная ширина, быстродействие и долговечность. Мощность передатчиков указывают для конкретных типов волокон (чтобы в расчетах не учитывать диаграмму направленности, диаметр и апертуру излучателя).
Приемник (receiver) – это детектор с усилителем-формирователем. Приемник характеризуется диапазоном принимаемых волн, чувствительностью, динамическим диапазоном и быстродействием (полосой пропускания).
Поскольку в сетях всегда используется двунаправленная связь, выпускают и трансиверы (transceiver) – сборку передатчика и приемника с согласованными параметрами.
Топология соединений
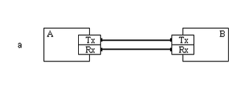
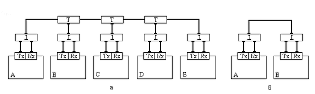
Оптоволоконная передача допускает разнообразие топологий соединения устройств. Каждое устройство с оптическим портом, как правило, имеет приемник и передатчик каждый со своим коннектором. Наиболее простая и распространенная топология соединений – двухточечная (рис. 6, а). Здесь выход передатчика одного порта соединяется отдельным волокном с входом противоположного порта. Таким образом, для дуплексной связи необходимо два волокна. На основе двухточечного соединения строится и звездообразная топология (рис. 6, б), где каждый порт периферийного устройства соединяется парой волокон с отдельным портом центрального устройства, которое может быть как активным, так и пассивным.
В кольцевой топологии выход передатчика одного устройства соединяется с входом следующего и так далее до замыкания кольца. Для того чтобы устройства могли обмениваться информацией по кольцу, они все должны быть включены и исправны, что не всегда достижимо. Для возможности работы кольца при отключении отдельных устройств, применяют обходные коммутаторы (bypass switch).
Рис. 6 Топология соединений: а – двухточечная, б – звездообразная
Обходной (он же проходной) коммутатор представляет собой пассивное управляемое устройство, включаемое между линиями связи и коннекторами приемника и передатчика устройства. Он имеет поворотное зеркало с электрическим приводом. При наличии управляющего напряжения зеркало принимает такое положение, при котором станция включена в кольцо. При отсутствии управляющего напряжения зеркало поворачивается так, что кольцо замыкается, минуя станцию, и, кроме того, в тестовых целях приемник станции подключается к ее передатчику. Под пассивностью коммутатора подразумевается то, что он не имеет собственных приемников и передатчиков, а также усилительных схем.
С оптоволокном также возможна организация разделяемой среды передачи на чисто пассивных элементах-разветвителях. Разветвителъ (coupler) представляет собой многопортовое устройство для распределения оптической мощности (здесь под портом понимается точка подключения волокна). Световая энергия, поступающая на один из портов, распределяется между другими портами в заданном соотношении. В реальном разветвителе присутствуют и различные потери, так что сумма выходных мощностей будет меньше входной. Разветвители реализуются с помощью сварки узла из нескольких волокон или с помощью направленных отражателей.
Т-разветвителъ имеет 3 порта, такие разветвители можно соединять в цепь, реализуя шинную топологию с разделяемым доступом к среде передачи (рис. 7, а). Для того чтобы в цепочку можно было соединять значительное количество абонентов, разветвители должны большую часть мощности пропускать насквозь, а к абонентам ответвлять меньшую. Абоненты, имеющие раздельные коннекторы приемников и передатчиков, должны подключаться к шине через дополнительные разветвители. В такой сети потери между абонентами сильно зависят от их взаимного расположения в цепочке, в результате чего повышаются требования к ширине динамического диапазона приемников. С ростом количества абонентов потери (в децибелах) растут линейно.
Рис. 7 Применение T-разветвителей: а – оптическая шина, б – двухточечное соединение
Рис. 8 График зависимости потерь от числа абонентов
В разветвителе “звезда” свет, входящий в любой порт, равномерно распределяется между всеми остальными. На основе такого разветвителя может строиться сеть с разделяемой средой передачи и звездообразной топологией. Здесь рост потерь с увеличением числа узлов происходит гораздо медленнее, но расплатой является большая потребность в оптическом кабеле — от каждого абонента к разветвителю идет пара волокон. На рис. 8 приведены графики потерь для сетей с идеальными (без внутренних потерь) и реальными разветвителями обоих типов.
Оптоволоконные кабели
Оптоволокно само по себе очень хрупкое и для использования требует дополнительной защиты от внешних воздействий. Кабели, применяемые в сетях, используют одномодовые и многомодовые волокна с номинальным диаметром оболочки 125 мкм в покрытии с наружным диаметром 250 мкм, которые могут быть заключены и в 900-мкм буфер. Оптический кабель состоит из одного или нескольких волокон, буферной оболочки, силовых элементов и внешней оболочки. В зависимости от внешних воздействий, которым должен противостоять кабель, эти элементы выполняются по-разному.
По количеству волокон кабели подразделяют на симплексные (одножильные), дуплексные (2 волокна) и многожильные (от 4 до нескольких сотен волокон). В многожильных кабелях обычно применяются однотипные волокна, хотя производители кабеля под заказ могут комплектовать его и разнотипными (ММ и SM) волокнами. Ориентировочные значения основных параметров волокон приведены в табл. 1. Наиболее популярно многомодовое волокно 62,5/125, однако его полосы пропускания на волнах 850 нм недостаточно для организации длинных магистралей Gigabit Ethernet. Волокно 100/140, указанное в спецификации Token Ring, применяется ограниченно. Из одномодовых больше распространено волокно 9,5/125.
Таблица 1. Основные параметры оптических волокон
| ВОЛОКНО | ЗАТУХАНИЕ, дБ/км | ПОЛОСА ПРОПУСКАНИЯ, МГц*км | АПЕРТУРА | ||||
| мкм/мкм | 850 нм | 1300 нм | 1550 нм | 850 нм | 1300 нм | NA | |
| 8/125, 9,5/125 | - | 0,35 | 0,22 | - | - | 0,1 | |
| 50/125 | 2,7-3,5 | 0,7-2,0 | - | 400-500 | 400-500 | 0,20 | |
| 62,5/125 | 2,7-3,5 | 0,7-1,5 | - | 160-200 | 400-500 | 0,275 | |
| 100/140 | 5,0 | 4,0 | - | 100 | 200 | 0,29 | |
Волокна характеризуются и более подробными геометрическими параметрами (допуски диаметров, эксцентриситет, некруглость), но их приводят не во всех спецификациях и в практических расчетах они не фигурируют.
Буфер отделяет волокно от остальных элементов кабеля и является первой ступенью защиты волокна. Буфер может быть плотным или пустотелым. Плотный буфер (tight buffer) заполняет все пространство между покрытием и внешней оболочкой кабеля. Простейшим плотным буфером является 900-мкм защитное покрытие волокна. Плотный буфер обеспечивает хорошую защиту волокна от давления и ударов, кабель в плотном буфере имеет небольшой диаметр и допускает изгиб с относительно небольшим радиусом. Недостатком плотного буфера является чувствительность кабеля к изменению температуры: из-за разницы в коэффициентах теплового расширения волокна (малый) и буфера (большой) при охлаждении буфер будет «съеживаться», что может вызвать микроизгибы волокна. Кабель с плотным буфером применяют в основном для разводки внутри помещений и изготовления коммутационных шнуров.
В кабеле с пустотелым буфером (loose tube) волокна свободно располагаются в полости буфера — жесткой пластиковой трубки, а оставшееся пространство может быть заполнено гидрофобным гелем. Такая конструкция более громоздка, но обеспечивает большую устойчивость к растяжению и изменениям температуры. Здесь волокна имеют длину большую, чем длина кабеля, поэтому деформации оболочки не затрагивают само волокно. В зависимости от назначения и числа волокон профиль буфера может иметь различную форму.
Силовые элементы обеспечивают требуемую механическую прочность кабеля, принимая на себя растягивающие нагрузки. В качестве силовых элементов используют кевларовые нити, стальные стержни, стренги из скрученной стальной проволоки, стеклопластиковые стержни. Самую высокую прочность имеет стальная проволока, но для полностью непроводящих кабелей она неприменима.
Внешняя оболочка защищает всю конструкцию кабеля от влаги, химических и механических воздействий. Кабели для тяжелых условий эксплуатации могут иметь многослойную оболочку, включающую и бронирующую рубашку из стальной ленты или проволоки. Материал внешней оболочки определяет защищенность кабеля от тех или иных воздействий, а также горючесть кабеля и токсичность выделяемого дыма.
В локальных сетях применяют кабели наружной, внутренней и универсальной прокладки. Наружные (outdoor) кабели отличаются лучшей защищенностью от внешних воздействий и более широким диапазоном допустимых температур. Однако по противопожарным нормам их не разрешается использовать внутри помещения, поскольку при горении они выделяют токсичный дым. По этой причине длина прокладки такого кабеля внутри помещения ограничивается 15 м — далее должна быть распределительная коробка, в которой этот кабель стыкуется с внутренним.
Внутренний (indoor) кабель, как правило, менее защищен, но и менее опасен при возгорании. Универсальный (indoor/outdoor) кабель сочетает в себе защищенность и безвредность, но, как правило, он дороже специализированного.
Распределительный (distribution) кабель состоит из множества волокон (часто в 900-мкм буфере), его разделывают в распределительных коробках и панелях, корпуса которых защищают волокна от механических воздействий.
В общих спецификациях на оптический кабель указывают, следующие параметры (приводятся без обозначений, в силу неоднозначностей разных классификаций):
назначение кабеля, его защищенность, наличие электропроводящих элементов, возможные способы прокладки;
тип и количество волокон;















