151686 (598952)
Текст из файла
План лекції
з навчальної дисципліни
ФІЗИКА
Тема ЕМІСІЯ ЕЛЕКТРОНІВ
ОРГАНІЗАЦІЙНО-МЕТОДИЧНІ ВКАЗІВКИ ДО ПРОВЕДЕННЯ ЛЕКЦІЇ
Явище термоелектронної емісії вивчається після теми „Закони постійного струму”. Тому слід враховувати, що курсантам відомо: в металах є дуже багато вільних електронів, які рухаються хаотично і з різними (великими) швидкостями. Крім цього необхідно виділити, що вільні електрони в металі подібні молекулам ідеального газу і мають максвелівський розподіл по швидкостям. Отже в металі є частина електронів, яка рухається з швидкостями більшими ніж їх середня швидкість. Саме ці електрони і можуть вилітати із металу. Необхідно також звернути особливу увагу на практичне заняття матеріалу, що вивчається, і показати різні типи електронних ламп, електронно-променевих трубок тощо.
ВСТУП
На практиці, в тому числі в військовій техніці зв’язку широко застосовуються електронні лампи, електронно-променеві трубки різного призначення й інші прилади, в яких використовується явище термоелектронної емісії. Важливою характеристикою явища термоелектронної емісії є робота виходу електрона, а також струм насичення термоемісії. Ці та інші характеристики термоемісії і будуть розглянуті в даній лекції. Крім цього будуть розглянуті питання, які існують інші види електронної емісії і як вони враховуються і використовуються на практиці.
РОБОТА ВИХОДУ ЕЛЕКТРОНІВ ІЗ МЕТАЛУ
Для розуміння явища термоелектронної емісії, а також інших електронних явищ важливе значення має поняття роботи виходу електрона. Розглянемо це поняття.
Дослідами було виявлено, що вільними зарядами в металах являються електрони, причому вільних електронів в металах дуже багато
і рухаються вони хаотично (подібно молекулам ідеального газу) з великими швидкостями
. Отже, якщо швидкість будь-якого електрона буде перпендикулярна поверхні металу і він має запас кінетичної енергії, то електрон вилетить із металу і знаходитиметься поза металом певний час і потім повернеться в метал.
Розглянемо природу сил, які перешкоджають виходу електрона із метала.
При вилітанні електрона із нейтрального провідника в металі виникає індукований додатній заряд, рівний заряду електрона: кулонівська сила взаємодії притягає електрон до металу, тому електрон буде рухатись рівносповільнено, на якійсь віддалі (
) зупинеться, а потім буде рухатись до металу ( рис. I).
Рис. 1
2. На відстані
електрон буде найбільший час, тому навколо металу виникне електронна хмара, заряджена буде негативно, а поверхня металу буде заряджена позитивно і знаходитиметься під потенціалом +, який називається потенціалом виходу, або граничним потенціалом.
Таким чином: на межі метал-вакуум виникає своєрідний конденсатор, поле якого протидіє вилітанню електронів із металу.
Ці дві причини перешкоджають вилітанню електрона із металу, і щоб електрон вилетів йому необхідно виконати певну роботу для подолання сили протидії.
Найменша робота, необхідна для того, щоб електрон вилетів із твердого тіла, або рідини в вакуум називається роботою виходу електрона.
Так, як
,
причому
, то A = e, де - потенціал виходу. В СІ робота виходу вимірюється в джоулях, а на практиці в електрон-вольтах.
Один електронвольт- це енергія, яку одержує електрон, пролетівши різницю потенціалів в I В.
Отже, для того, щоб електрон вилетів із твердого тіла, чи рідини йому необхідно надати енергію хоча б рівну роботі виходу. З цього випливає, що тіло є для електрона потенціальною ямою, яку він не може вільно залишити. Причому потенціальна енергія електрона
(заряд електрона негативний), а потенціальна енергія електрона в вакуумі
. Тому схематично положення електрона в твердому тілі чи рідині зображається за допомогою потенціальної ями, в якій по осі Y відкладається потенціальна енергія, а по осі X- лінійні розміри тіла (рис. 2).
Рис. 2
Згідно класичної фізики електрони в металі подібні молекулам ідеального газу і їх кінетична енергія
,
а при T = 0,
і всі електрони знаходяться на дні потенціальної ями, при цьому робота виходу електрона дорівнює глибині потенціальної ями (рис. 3).
Рис. 3
Але в металів немає нерухомих електронів. І згідно квантової механіки. навіть при T = 0електрони мають значну кінетичну енергію. Причому найбільшу кінетичну енергію при абсолютному нулеві температури називають енергією фермі -
, тому робота виходу
.
Для різних металів робота виходу електрона неоднакова і значною мірою залежить від стану його поверхні, та від природи абсорбованих поверхнею металу атомів і молекул. Наприклад: для чистого вольфраму А=4,5 еВ, а якщо на вольфрам нанести тонкий шар барію, то А=1,36 еВ.
ТЕРМОЕЛЕКТРОННА ЕМІСІЯ. НАЙПРОСТІШІ ЕЛЕКТРОВАКУУМНІ ПРИЛАДИ
Явище виривання електронів з металів називають емісією. Емісія електронів може відбуватись під дією різних причин.
Термоелектронною називають емісію, зумовлену тепловим рухом електронів.
В металах концентрація електронів велика і в наслідок хаотичного руху окремі електрони час від часу можуть мати кінетичну енергію
рівну або більшу роботі виходу і вилітатимуть з металу.
При кімнатних температурах дуже мала частина електронів вилетіти із металу. З підвищенням температури швидкість електронів зростає і число електронів, що вилітають із металу. Це явище повністю аналогічне процесу випаровування молекул із нагрітої рідини.
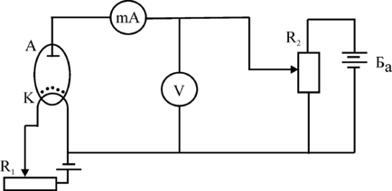
Дослідження термоелектронної емісії зручно проводити з допомогою схеми, зображеної на рис. 4.
Рис. 4
В скляний балон, з якого відкачане повітря, впаяні два електроди – холодний анод А і катод К (лампа-діод). Катод являє собою спіраль з досліджуваного матеріалу, нагрівається від батареї Бн. З нагрітого катода вилітають електрони і навколо катоду утворюється просторовий заряд – електронна „хмара”. З допомогою Ба та потенціометра
між катодом і анодом можна створювати різну напругу
, яка вимірюється вольтметром. Під дією прикладеної між катодом і анодом напруги, електрони, що вилетіли з катода рухаються до аноду і створюють струм
, який вимірюється міліамперметром. Змінюючи напругу
і вимірюючи
будують залежність
Залежність анодного струму
від напруги, прикладеної між катодом і анодом
називають вольт-амперною характеристикою термоелектронної емісії (ВАХ). Досліди показують, що залежність між силою анодного струму та напругою (рис. 5) має нелінійний характер, тобто закон Ома не виконується.
Рис. 5
Це пояснюється тим, що при малих напругах тільки частина електронів просторового заряду біля катода під дією поля досягає аноду. Але чим більше буде напруга, тим більше буде електронів з „хмари” досягати аноду. Причому початкові ділянки вольт-амперних характеристик діодів для різних температур однакові. Теоретичні дослідження (Богуславський і Ленглюр) показали, що в області просторового заряду залежність термоелектронного струму від напруги (АВ) має вигляд:
закон степені 3/2,
де К-стала, яка характеризує розміри і форму електродів і не залежить від температури катода. А починаючи з деякої напруги
всі електрони, що вилітають з катода, досягають анода, просторового заряду навколо катоду немає, тому при збільшенні напруги анодний струм залишається сталим – це максимальне значення анодного струму називають струмом насичення
. Відношення струму насичення до площі катода S називають густиною струму насичення.
За допомогою квантової фізики Річардсон і Дешман отримали вираз для густини струму насичення.
/ I /
де B- стала величина, e - робота виходу електрону з металу, к - стала Больцмана, Т- абсолютна температура катоду.
Формулу / I / називають формулою Річардсона-Дешмана. Із цієї формули слідує, що густина струму насичення різко збільшується. Із збільшенням температури катоду та з зменшенням роботи виходу електрона.
Наприклад, як показують розрахунки, для чистої поверхні вольфраму (e = 4,5eB) при збільшенні температури з
густина струму насичення збільшується в
раз, а коли при сталій температурі Т=1000 К порівняти густину струму насичення при
і
, то густина струму збільшується в
раз.
Досліди показують, що реальна густина струму насичення менша, ніж та, що одержується за формулою / I / , це пояснюється тим, що частина електронів, що вилетіла з катоду повертається знову на катод. Тому замість сталої B в формулу вводять
,
де - так званий коефіцієнт відбивання Шотткі.
Явище термоелектронної емісії широко використовується на практиці в електронних лампах, електронно-променевих трубках й інших електровакуумних приладах. Найпростішими електровакуумними приладами є лампи діод і тріод.
Як відмічалось, лампа діод являє собою скляний або металевий балон, з якого відкачане повітря і в якому розміщені два електроди анод та катод, який може нагріватися:
Особливістю діода є те, що він пропускає струм лише в одному напрямку і широко використовується для випрямлення змінного струму, а також детектування сигналів.
Більш складною є лампа тріод - третім електродом є керуюча сітка, з допомогою можна керувати анодним струмом, тому сітка називається керуючою.
Характеристики
Тип файла документ
Документы такого типа открываются такими программами, как Microsoft Office Word на компьютерах Windows, Apple Pages на компьютерах Mac, Open Office - бесплатная альтернатива на различных платформах, в том числе Linux. Наиболее простым и современным решением будут Google документы, так как открываются онлайн без скачивания прямо в браузере на любой платформе. Существуют российские качественные аналоги, например от Яндекса.
Будьте внимательны на мобильных устройствах, так как там используются упрощённый функционал даже в официальном приложении от Microsoft, поэтому для просмотра скачивайте PDF-версию. А если нужно редактировать файл, то используйте оригинальный файл.
Файлы такого типа обычно разбиты на страницы, а текст может быть форматированным (жирный, курсив, выбор шрифта, таблицы и т.п.), а также в него можно добавлять изображения. Формат идеально подходит для рефератов, докладов и РПЗ курсовых проектов, которые необходимо распечатать. Кстати перед печатью также сохраняйте файл в PDF, так как принтер может начудить со шрифтами.















