151599 (598944), страница 9
Текст из файла (страница 9)
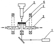
Рисунок 26. Схема установки для визуального наблюдения и фотографирования структуры в тонких слоях магнитных жидкостей; 1 - осветитель, 2 - ячейка с магнитной жидкостью, 3 - термостатирующая рубашка, 4 - катушки Гельмгольца, 5 - микроскоп с фотонасадкой .
Рисунок 27. Зависимость угла рассеяния 0 при первом дифракционном максимуме и параметра гексагональной решетки 1, определенного оптическим микроскопом, от напряженности магнитного поля.
Наблюдения в оптический микроскоп из соотношения
, от напряженности поля. На рис.27 показана зависимость угла рассеяния и периода гексагональной решетки от напряженности поля путем обсчета одной из серий экспериментов для образца N1.
Из рисунка видно, что в соответствии с ростом радиуса дифракционного кольца происходит уменьшение параметра гексагональной решетки. Интересные особенности в эксперименте наблюдаются при изменении направления поля относительно лазерного луча, а также при его выключении [159]. При изменении направления магнитного поля происходит трансформация дифракционного кольца в систему светлых пятен, которые, при превышении угла между нормалью к слою и направлением поля 10 -15° сливаются в полуокружность. При этом радиус полуокружности с ростом этого угла увеличивается. При выключении магнитного поля наблюдается несколько пульсаций интенсивности дифракционного кольца, полученного при использовании образца N1 (рис.28), после чего оно расплывается к центру и появляются два-три новых, концентрических с первым и превышающих его по диаметру.
Рисунок 28. Пульсации интенсивности первого дифракционного максимума при выключении поля. Напряженность поля в момент его выключения 2,8 кА/м, толщина слоя 3 0 мкм.
Впоследствии дифракционная картина трансформируется в однородное пятно, диаметр которого в течение определенного времени уменьшается до некоторого предельного значения. Для образца N2 такие пульсации как правило отсутствуют, после выключения поля дифракционное кольцо становится ярче и может сохраняться в течение 1-2 минут. И, наконец, в случае наблюдения дифракции при использовании образца N3, после выключения поля происходит уменьшение диаметра дифракционного кольца в течение нескольких секунд, вплоть до его стягивания в светлое пятно.
Как следует из наблюдений в оптический микроскоп, причиной возникновения дифракции света в двух первых образцах является система игольчатых агрегатов, расположенных в узлах гексагональной решетки (Рис.29). В третьем образце дифракционные явления возникают благодаря лабиринтной структуре, аналогичной доменной структуре наблюдающейся в тонких пленках ферромагнетиков (рис.30). Дифракция света в этом случае наблюдается благодаря одинаковой толщине лабиринтных ветвей и расстояний между ними, которые однако хаотически распределены по направлениям.
Рисунок 29. Гексагональная структурная решетка, образующаяся в плоском слое МЖ с микрокапельной структурой в поперечном магнитном поле (образцы №1 и №2).
Рисунок 30. Лабиринтная структурная решетка плоского слоя МЖ с микрокапельной структурой в поперечном магнитном поле (образец №3).
Явление дифракции света на гексагональной структуре рассматривалось ранее в работе [161]. Интенсивность дифрагированного света определяется значениями функций интерференции на сфере Эвальда [162] из построения которых вытекает условие для углового диаметра дифракционного круга =7/2l (l - расстояние между соседними агрегатами). Расчет значений 1 при использовании экспериментальных результатов дал значения, удовлетворительно согласующиеся с данными, полученными с помощью оптического микроскопа. Заметим, что минимум на зависимостях радиуса дифракционного кольца от напряженности поля (рис.30, 27) наблюдаются лишь после предварительной "тренировки" образца в магнитном поле с предельным значением напряженности.
Рисунок 30. Зависимость радиуса первого дифракционного кольца от напряженности магнитного поля (расстояние от слоя МЖ до экрана 37 см).
В этом случае после выключения поля в образце наблюдается множество мелких микрокапель размером меньше равновесного, которые при повторном увеличении поля сначала укрупняются за счет объединения (в большинстве случаев попарного). Дальнейшее увеличение углового диаметра кольца связано с увеличением числа агрегатов, а следовательно, с уменьшением 1. Увеличение числа агрегатов возможно за счет двух процессов: деления агрегатов при определенном значении напряженности поля, или возникновения новых агрегатов из менее концентрированной фазы. Исследование первого процесса при полном отсутствии второго в последующем достаточно подробно проведено в [160], где приведены основные теоретические соотношения, позволяющие описать такое поведение микрокапельных образований. В исследованных нами жидкостях, как правило, наблюдался также рост новых агрегатов из слабо концентрированной фазы. Обсуждение зависимости периода конденсационной структуры от напряженности поля для этого случае проведено нами в работе [163] на основе теоретических представлений А.О. Цеберса, которыми ранее была показана [78,164,165] необходимость учета в подобных ситуациях энергии собственного магнитного поля структурной решетки и поверхностной энергии границы раздела конденсированной и разбавленной фаз. При этом, зависимость периода структуры от магнитного переохлаждения рассмотрена для состояний, далеких от критического фазового расслоения системы. В этом случае толщиной переходного слоя между концентрированной и разбавленными фазами можно пренебречь и поверхностную энергию границы раздела фаз оценивать путем введения коэффициента поверхностного натяжения 0. Рассмотрена полосовая конденсационная структура с периодом 1 и границами раздела фаз, параллельными напряженности поля, расположенная в плоской щели. Доли объема, занятые разбавленной и концентрированной фазами, равны 1г/1 и 12/1 соответственно. Тогда средняя напряженность магнитного поля в щели равна
, где
- средняя намагниченность структуры, равная
,
и
- намагниченности фаз. Помимо поля
вблизи границ щели существует периодическое поле, обусловленное чередованием их участков, смоченных концентрированной и разбавленной фазами, обладающих разными намагниченностями. Вклад в термодинамический потенциал системы
, обусловленный отличием истинной напряженности поля
от средней –
, учтем с точностью до членов второго порядка по дH включительно. Тогда условия непрерывности магнитостатического потенциала
и нормальной компоненты магнитной индукции на границах щели
для членов разложения термодинамического потенциала
, до второго порядка по
включительно дают:
(4..30)
Отсюда видно, что вклад в термодинамический потенциал, обусловленный периодическим распределением напряженности поля вблизи торцов полос концентрированной и разбавленной фаз находится как собственная энергия этого поля.
Отметим, что значения магнитной проницаемости, вообще говоря, различны для каждой из фаз.
Явный вид выражения (4.30) находится путем решения магнитостатической задачи для поля, создаваемого периодическим распределением фиктивных магнитных зарядов на границах слоя. Тогда, пренебрегая магнитными восприимчивостями фаз, что, как показали результаты [164,165] по-видимому, не вносит качественных особенностей в рассматриваемое явление, получаем соотношение для магнитостатической энергии (4.30) на единицу объема структуры
(4.31)
где h - толщина слоя. Так как для наблюдаемых в эксперименте ситуаций h>1, то соотношение (4.31) можно упростить и энергию магнитного взаимодействия торцов структуры при h > 1 можно записать в виде (h=2h1)
(4.32)
В результате термодинамический потенциал единицы объема полосовой структуры разбавленной и концентрированной фаз с учетом вклада поверхности энергии границ их раздела определяется соотношением
(4.33)
Объемные доли разбавленной и концентрированной фаз l1 и l2 выражаются через числовую концентрацию ферроколоида n и концентрации фаз n1 и n2 согласно правилу рычага
,
Реализуемая в эксперименте структура вследствие условия постоянства средней магнитной индукции
(м\ соответствует минимуму ее свободной энергии
относительно переменных n1, n2 и 1 . Дифференцирование дает следующую систему уравнений для определения параметров равновесной структуры:
(4.34)
(4.35)
(4.36)
Соотношения (4.34) и (4.35) показывают, что химические потенциалы фаз одинаковы, т.е. 1=2=e. Отсюда из соотношений (4.34) и (4.35) для разности осмотических давлений фаз p =n-f получаем
(4.37)
Из соотношения (4.37) видно, что в области малых магнитных переохлаждений, когда объемная доля концентрированной фазы l2/l мала, осмотическое давление разбавленной фазы меньше, чем концентрированной .
Соотношения (4.36) и (4.37) позволяют связать параметры полосовой структуры с магнитным переохлаждением системы. Так, из условия равновесия фаз
вытекает соотношение для изменения осмотического давления насыщенной разбавленной фазы с напряженностью поля [80]:
(4.38)
Поскольку удельная намагниченность разбавленной фазы М1/n1 меньше концентрированной М2 /n2, то из соотношения (4.38) видно, что давление насыщения разбавленной фазы с ростом напряженности поля уменьшается. В начальной области возникновения структуры условие равенства химических потенциалов фаз
дает соотношение для избыточных по отношению к равновесному осмотических давлений фаз в виде
p1 –p2 =δp1 –δp2=δp1 n2 (1/n2-1/n1 ) (4.39)
Так как р1- р2 < 0, то из последнего соотношения видно, что осмотическое давление разбавленной фазы в полосовой структуре больше давления насыщения при данной напряженности поля на величину δp1>0. Подобное переохлаждение соответствует давлению насыщения при некоторой меньшей напряженности поля, т.е.
рн(Н -δH) = pH(H) + δpl .
Отсюда соотношение (4.38) позволяет связать δp1 с магнитным переохлаждением выражением















