151599 (598944), страница 6
Текст из файла (страница 6)
§1. Структурные образования в магнитных жидкостях
Наличие вокруг дисперсных частиц защитных оболочек, препятствующих необратимой коагуляции не исключает возможности объединения частиц в агрегаты, когда расстояние между ними соответствует второму минимуму энергии взаимодействия при сохранении барьера отталкивания, а также в случае малой глубины первого минимума. Действительно, микроскопические наблюдения показывают наличие даже в наиболее устойчивых к агрегированию МЖ типа магнетит в керосине с олеиновой кислотой структурных образований из исперсных частиц.
Де Жен и Пинкус [33 МД] рассмотрели коллоид, состоящий из идентичных ферромагнитных частиц, взвешенных в пассивной по отношению к магнитному полю жидкости. Для характеристики дипольного взаимодействия, приводящего к агрегированию использован параметр, называемый константой спаривания
. Было предположено, что при условии
происходит агрегирование с образованием для верхнего предела плотности решетки антиферромагнитного типа. Теоретические разработки условия появления агрегатов в магнитных коллоидах также проводились в ряде других работ (например, в [21,34,35]), экспериментальное исследование этого явления предпринималось в работах [37,33, 38, 39,40,41,42,43,44,45] и др. Развитие экспериментальных работ в области физики магнитных коллоидов привело к появлению представления об агрегировании в МЖ как возникновении гетерофазных включений. По-видимому, впервые оно было сформулировано В.В.Чекановым [75] , где образование агрегатов рассматривалось им как появление новой фазы из раствора, близкого к насыщению. В [76] возникновение агрегатов, интерпретированное как фазовый переход в магнитных коллоидах, рассмотрено на основе общих представлений гетерогенных систем. Из условия равновесия свободных частиц с агрегатами получен аналог уравнения Клапейрона-Клаузиса – зависимость напряженности магнитного поля, при которой начинается фазовый переход, от температуры при постоянных давлении и концентрации:
, ( )
где
- теплота растворения, отнесенная к одной частице,
-магнитный момент частицы.
Термодинамическая модель магнитной жидкости, показывающая, что при определенных значениях концентрации, температуры и напряженности магнитного поля появляется возможность расслоения МЖ на высоко- и слабоконцентрированные фазы, построена в работах А.О. Цеберса [77,78].
При этом, как, по-видимому, было впервые указано в [65], агрегаты могут быть разделены на два типа микрокапельные, имеющие упругую оболочку, и квазитвердые, иногда хлопьевидные, реже - напоминающие кристаллические образования.
§2. Магнитная жидкость с микрокапельной структурой
Наиболее распространенными в жидкостях на основе керосина являются микрокапельные агрегаты. По-видимому, образование микрокапельной структуры является уникальным процессом, характерным только для дисперсных систем с магни-тодипольными частицами. Попытка теоретического обоснования физического механизма этого процесса неоднократно предпринималась в ряде работ [38,76,82,138,139], среди которых следует отметить работу А.О. Цеберса [138], где в основу положено явление вытеснительной флокуляции. Вытеснительная флокуляция может иметь место, если дисперсные частицы находятся в растворе достаточно крупных молекул [140]. В этом случае, при сближении дисперсных частиц до расстояний, меньших диаметра растворенных клубков, последние не в состоянии заполнить зазор между частицами, который играет роль своеобразной мембраны, и осмотическое давление раствора создает силу, приводящую к притяжению частиц. При этом, при наличии магнитных межчастичных взаимодействий значение критической концентрации растворенных клубков, соответствующее началу агрегирования уменьшается. Действительно, возникновение микрокпельных агрегатов наблюдается в магнитных жидкостях при разбавлении их чистым ПАВ или его раствором в дисперсионной среде [134] . Вместе с тем, является установленным фактом и возможность возникновения микрокапельной структуры при разбавлении МЖ чистым растворителем. По-видимому, причиной этого являются процессы мицелообразования ПАВ в результате добавления керосина в магнитную жидкость. Как было указано в Гл. 1, именно с возникновением микрокапельной структуры при изменении концентрации магнитной жидкости на основе керосина путем ее последовательного разбавления связаны особенности концентрационной зависимости ее магнитной восприимчивости. В этом случае возникновение микрокапель было рассмотрено в рамках фазового перехода, так как налицо возникновение новой, более концентрированной фазы с наличием межфазной поверхности. Следует отметить, что концентрация частиц в микрокаплях может быть значительно выше, чем в омывающей их среде, а магнитная проницаемость микрокапель достигает нескольких десятков единиц.
Для исследования особенностей физических свойств магнитных жидкостей, обусловленных наличием микрокапельных агрегатов в [141] была разработана методика получения в МЖ на основе керосина хорошо развитой микрокапельной структуры. Это достигалось путем смешивания МЖ с минеральным маслом при различном соотношении их объемов. Смесь подогревалась до температуры 315 - 320 К и перемешивалась в течении 15-20 минут с помощью электромеханической мешалки. В результате этого была получена жидкость, содержащая множество мелких (2-7 мкм) капельных агрегатов, имеющих более высокое содержание магнетита, чем омывающая их среда. Такая магнитная жидкость может быть идентифицирована как магнитная эмульсия, уникальность которой состоит в том, что и эмульгированные капли и омывающая их среда одинаковы по природе и отличаются лишь плотностью. С другой стороны, достаточно высокое объемное содержание микрокапельных агрегатов в полученной таким способом среде приводит к особенностям оптических и магнитных свойств, обусловленных поведением микрокапель в магнитных и электрических полях. Подобные эффекты в той или иной мере могут наблюдаться и в магнитных жидкостях, в которых возможно самопроизвольное возникновение микрокапель под воздействием различных факторов.
2.1 Оптические эффекты в магнитной жидкости с микрокапельной структурой в сдвиговом течении
Деформация микрокапельных агрегатов в магнитном и электрическом полях, а также под действием сдвиговых напряжений приводит к структурной анизотропии в магнитной жидкости. Вследствие соизмеримости поперечных размеров вытянутых агрегатов с длиной световой волны, они становятся причиной дифракционного рассеяния света. Наблюдающееся в этом случае рассеяние света является анизотропным и может быть использовано для изучения характера структуры МЖ и динамики ее изменения [69]. Наличие распределения микрокапель по размерам и отсутствие трансляционного упорядочения вытянутых агрегатов определяет вид индикатрисы рассеяния, характерный для нерегулярной структуры [142]. Анализ экспериментально полученных индикатрис светорассеяния позволяет определить наиболее вероятную толщину агрегатов и ее зависимость от внешних воздействий.
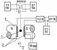
Подобный эффект был обнаружен и при наличии в магнитной жидкости с микрокапельной структурой сдвигового течения [143]. При этом, при дополнительном воздействии магнитного поля, возможно возникновение более упорядоченной структурной решетки, дающей в проходящем свете четкую дифракционную картину. Изучение формирования структурной решетки при таких условиях проводилось с помощью исследования дифракционного светорассеяния, для чего использовалась установка, приведенная на рисунке 19).
Рисунок 19. Схема вибрационного магнетометра для исследования магнитных свойств магнитных жидкостей в сильных магнитных полях (H = 10ч800 кА/м); 1 -контейнер с магнитной жидкостью, 2 - измерительные катушки, 3 - электромагнит ФЛ-1, 4 - вибратор (остальные пояснения в тексте).
Сдвиговое течение создавалось между двумя прозрачными дисками с тонким слоем (30-40 мкм) МЖ между ними. Луч гелий-неонового лазера направлен перпендикулярно дискам с смещением от их центров на расстояние 0,5 см. При вращении одного из дисков в областях, эксцентрично расположенных относительно оси вращения, в плоскости, перпендикулярной оси, течение является куэтовским, а в плоскости, проходящей через нее, близким к куэтовскому (при малых толщинах образцов). Этим составляющим скорости соответствуют две компоненты градиента скорости с преобладанием второй. Результирующий градиент, направленный под непрямым углом к плоскости диска, обеспечивает деформацию сдвига, имеющую вязкостную природу [144]. Под действием сдвигового напряжения происходит деформация капель, величина которой определяется значением скорости сдвига, межфазного натяжения и вязкости среды [144,145]. Как показано в работе [144] в этом случае капля принимает форму вытянутого сфероида, соотношение осей которого удовлетворяет уравнению:
(4.1)
где а - длина главной оси, b - длина короткой оси, ф - вязкость дисперсной фазы, с - вязкость дисперсионной среды, G -скорость сдвига, 0- коэффициент межфазного натяжения.
В результате деформации капель структура образца становится анизотропной в любой небольшой области, смещенной относительно оси вращения. Это приводит к изменению характера рассеяния света. При отсутствии вращения на экране, перпендикулярном лучу, наблюдается свечение, имеющее вид ореола, обусловленное дифракционным рассеянием света на полидисперсных каплях, хаотически разбросанных по образцу. При наличии сдвига ореол преобразуется в размытую полосу, простирающуюся в стороны от луча, перпендикулярно большим полуосям деформированных капель. В этом случае система деформированных потоком агрегатов аналогична нерегулярной дифракционной решетке, параметры которой определяет индикатриса рассеяния, т.е. зависимость интенсивности рассеянного света I от угла рассеяния . На рисунке 20 представлены индикатрисы рассеяния, полученные при различных скоростях сдвига, анализ которых позволяет сделать вывод о характере процесса формирования анизотропной структуры в сдвиговом течении.
Рисунок 20. Индикатрисы рассеяния, полученные при различных значениях скорости сдвига; 1 - 66, 2 -53, 3 - 43, 4 - 36, 5 - 31, 6-27 с-1.
Следуя [69] где, как уже указывалось, изучались процессы деформации микрокапельных агрегатов в магнитном поле, предположим, что в нашем случае толщина агрегатов также может удовлетворять статистическому распределению Лоренца:
(4.2)
а индикатриса рассеяния имеет вид:
(4.3)
где в0 - наиболее вероятная толщина агрегатов, *- полуширина кривой распределения на половине высоты, n - показатель преломления жидкости,
, - длина волны света в вакууме. Использование формулы (4.3) позволяет рассчитать структурные параметры деформированных агрегатов по экспериментально найденной зависимости I (), а анализ семейства таких кривых, соответствуюших различным скоростям сдвига, позволяет установить зависимость наиболее вероятной толщины агрегата от величины скорости сдвига.
Интерес представляют также прямые исследования зависимости интенсивности анизотропного светорассеяния от скорости сдвига в области, соответствующей фиксированному углу рассеяния. На рисунке 21 показана зависимость относительной величины I/I0 интенсивности светорассеяния от градиента скорости при угле рассеяния = 10°.














