150216 (598860), страница 117
Текст из файла (страница 117)
ПРИЛОЖЕНИЕ Д
(обязательное)
Уровни гармоник для испытания приемников
Рекомендуемые значения для сетей с частотой 50 Гц*
Таблица Д.1
| Порядок гармоники | Частота, Гц | Уровень, % от Uном | Порядок гармоники | Частота, Гц | Уровень, % от Uном |
| 2 | 100 | 2,0 | 13 | 650 | 5,0 |
| 3 | 150 | 7,0 | 15 | 750 | 0,5 |
| 4 | 200 | 1,5 | 17 | 850 | 2,0 |
| 5 | 250 | 8,0 | 19 | 950 | 2,0 |
| 6 | 300 | 1,0 | 23 | 1150 | 1,5 |
| 7 | 350 | 7,0 | 25 | 1250 | 1,5 |
| 8 | 400 | 0,8 | 29 | 1450 | 0,8 |
| 9 | 450 | 1,2 | 31 | 1550 | 0,8 |
| 10 | 500 | 0,7 | 35 | 1750 | 0,7 |
| И | 550 | 5,0 | 37 | 1850 | 0,7 |
__________________
* Для сетей с частотой 60 Гц значения, установленные для частоты, следует умножить на 1,2.
Примечание — Уровень каждой гармоники между 600 и 2000 Гц, не указанный выше, составляет 0,3 % от Uном.
ПРИЛОЖЕНИЕ Е
(обязательное)
Комбинации параметров для испытаний в рабочем и нерабочем состояниях
Таблица Е.1
| Уровень гармоник | Температура, °С | Испытание в рабочем состоянии | Испытание в нерабочем состоянии | |||||
| Управляющее напряжение | ||||||||
| Uраб | Uмакс | Uн.раб | ||||||
| Напряжение питания, В | ||||||||
| 180 | 230 | 255 | 230 | 180 | 230 | 255 | ||
| -20 | 0 | + | 0 | 0 | 0 | + | 0 | |
| 0 | +23 | + | + | + | + | + | + | + |
| +60 | 0 | + | 0 | 0 | 0 | + | 0 | |
| -20 | 0 | + | 0 | 0 | 0 | + | 0 | |
| На | +23 | 0 | + | 0 | 0 | 0 | + | 0 |
| +60 | 0 | + | 0 | 0 | 0 | + | 0 | |
| -20 | 0 | + | 0 | 0 | 0 | + | 0 | |
| Нb | +23 | 0 | + | 0 | 0 | 0 | + | 0 |
| +60 | 0 | + | 0 | 0 | 0 | + | 0 | |
| -20 | 0 | + | 0 | 0 | 0 | + | 0 | |
| Hc | +23 | 0 | + | 0 | 0 | 0 | + | 0 |
| +60 | 0 | + | 0 | 0 | 0 | + | 0 | |
| -20 | 0 | + | 0 | 0 | 0 | + | 0 | |
| (На + Нb + Hc) х К | +23 | + | + | + | 0 | + | + | + |
| +60 | 0 | + | 0 | 0 | 0 | + | 0 | |
Примечание — Знак «+» означает комбинации параметров, которые должны быть применены, цифра «0» — комбинации параметров, которые не могут быть применены.
ПРИЛОЖЕНИЕ Ж
(обязательное)
Выбор частот для испытания с гармониками
Рисунок Ж.1 — Примеры выбора частоты Нс
0 а b c 0,2 % х fh;
а - b, b - c, c - а 0,1, …, 0,3 % х fh;
fh — частота рассматриваемой гармоники
Рисунок Ж.2 — Отклонения частоты для измерения кривых предела помех
ПРИЛОЖЕНИЕ И
(рекомендуемое)
Пример схемы для испытаний в рабочем и нерабочем состояниях
и измерения кривых предела помех
Для нулевого уровня гармоник допускается остаточный уровень в 10 % от значения по приложению Д или 0,1 % от Uном, причем берут наибольшее из этих значений
ПРИЛОЖЕНИЕ К
(обязательное)
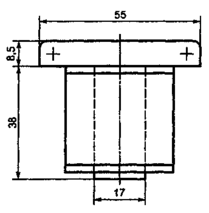
Электромагнит для испытания влияния магнитных полей внешнего происхождения
ПРИЛОЖЕНИЕ Л
(рекомендуемое)
Значения влияющих величин для различных испытаний
Таблица Л.1
| Пункт | Испытание | Влияющая величина | ||||||
| Напряжение питания, В | Управляющее напряжение | Управляющая частота | Уровень гармоник | Кодовое сообщение | Температура, С | Влажность, % | ||
| 5.5.2* | Испытание рабочего состояния | 180/230/255 | Uраб | N ± f | 0/максимальный | N | -20/+23/+60 | N |
| 230 | Uмакс | N | 0 | N | +23 | N | ||
| 5.5.3* | Испытание нерабочего состояния | 180/230/255 | Uн.раб | N ± f | -20/+23/+60 | N | ||
| 5.6.2.1 | Кривая предела помех в случае рабочего состояния | N | Upa6 | N | Максимальный (3Н) | N | N | N |
| 5.6.2.2 | Кривая предела помех в случае нерабочего состояния | - | Uн.раб | - | - | - | - | - |
| 5.6.3 | Испытание влияния всплесков помех на работу | N | Переменное | N | 0 | Переменное | N | N |
| N | Uраб | N | 0 | N | N | N | ||
| 5.6.4 | Испытание влияния кратковременных прерываний питания и провалов напряжения на работу | N | Uраб | N | 0 | Переменное | N | N |
| 5.4.3 | Испытание на число циклов выходного элемента | 1,15 х Uразм | - | - | - | - | N | N |
| 5.4.4 | Испытание режима короткого замыкания выходного элемента | - | - | - | - | - | N | N |
| 5.4.2 | Испытание влияния длительного прерывания напряжения питания | N | - | - | - | - | N | N |
| 5.4.1 | Проверка потребляемой мощности | N | - | - | - | - | N | N |
| 5.4.6** | Испытание изоляционных свойств | - | - | - | - | N | N | |
| 5.4.6.1 | Общие условия испытаний | N | Uраб | N | 0 | N | 15-25 | 45-75 |
| 5.2.5 а) | Испытание защиты от проникновения пыли | N | Uраб | N | 0 | N | N | N |
| 5.2.5 б) | Испытание защиты от проникновения воды | N | Uраб | N | 0 | N | N | N |
| 5.3.1-5.3.3 | Испытание на сухое тепло, холод, циклическое испытание на влажное тепло | N | - | - | - | - | Переменная | Переменная |
| 5.3.3 | Циклическое испытание на влажное тепло | N | Uразм | N | 0 | N | N | N |
| 5.4.5*** | Испытание влияния нагрева | N | N | 0 | N | +40 | N | |
| 5.2.2, 5.2.3 | Испытание на удар и вибрацию | N | Uраб /Uн.раб | - | - | - | N | N |
| 5.6.8 | Испытание невосприимчивости к постоянным магнитным полям | N | Uраб /Uн.раб | - | - | - | N | N |
| 5.2.1 | Испытание пружинным молотком | - | - | - | - | - | N | N |
| 5.6.6 | Испытание невосприимчивости к высокочастотным электромагнитным полям | N | Uраб | N | 0 | N | N | N |
| 5.6.5 | Испытание невосприимчивости к электростатическим разрядам | N | Uразм | N | 0 | N | N | N |
| 5.6.7 | Испытание быстрыми переходными всплесками | N | Uразм | N | 0 | N | N | N |
| 5.7 | Измерение радиопомех | N | Uраб | N | 0 | N | N | N |
| 5.6.9 | Испытание невосприимчивости к магнитным полям переменного тока | N | Uраб /Uн.раб | N | 0 | N | N | N |
* См. приложение Е.















