63370 (597587), страница 8
Текст из файла (страница 8)
О
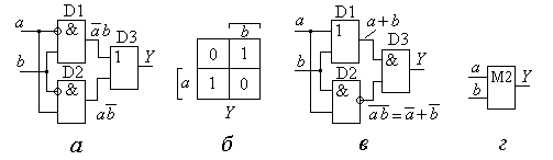
Рис. 1.10. Двухвходовой элемент сумматор по mod2: схемы функциональные (а, в); карта одноимённой функции (б); УГО сумматора (г)

Выше, на рис.1.2,а, в качестве примера была приведена карта Карно 4-местной функции сложения по mod2. Она может быть реализована 4-входовым сумматором по mod2 с условным графическим обозначением, аналогичным рис.1.10,г (должно быть 4 входа). Так как от перемены мест слагаемых сумма по mod2 не меняется, то все входы у сумматоров по mod2 логически равнозначны. Заметим ещё раз! Что если число входных сигналов, принявших значение лог.1, чётное, то выходной сигнал сумматора по mod2 будет равен лог.0, т.е. имеет неактивное значение, чётность «не нарушена». Поэтому такие элементы получили название «схем контроля чётности».
Обратите теперь внимание на функцию V10 функцию логической равнозначности, (табл.1.3). Она принимает противоположные значения по сравнению с суммой по mod2, то есть является её инверсией. Поэтому условное графическое обозначение элемента, её реализующего, будет отличаться от рис.1.10,г лишь наличием указателя инверсии на выходе элемента.
Используя алгебраические выражения двухместной функции равнозначности (1.15), можно получить функциональные эквивалентные схемы двухвходового сумматора по mod2 с инверсным выходом (2-НЕ).
X = =
=
. (1.15)
Карта Карно этой функции будет отличаться от карты рис.1.10,б тем, что в клетки следует ставить противоположные значения (нули заменить единицами, а единицы − нулями). Нетрудно установить смысловое значение этой функции, поскольку она принимает значение лог.1 при чётном числе и значение лог.0 при нечётном числе единичных значений её аргументов. Схемы же её реализующие получили название «схем контроля нечётности ».
В
Рис.1.11. УГО микросхемы К155ИП2

Есть микросхемы, выполняющие функцию многовходового сумматора по mod2 с прямым и инверсным выходом. Например, микросхема К155ИП2 является 8-разрядной схемой контроля чётности/ нечётности с прямым и инверсным выходом и с двумя управляющими входами. Такой микросхемой реализуются одновременно функция 8 и функция 8-НЕ. Условное графическое обозначение этой микросхемы и таблица, описывающая режимы работы ИМС, приведены на рис.1.11.
В табл.1.4, в столбцах значений выходных сигналов X и Y, приведены сокращённые алгебраические выражения одноимённых выходных функций. Из этих выражений следует, что при комбинации сигналов на управляющих входах v1 =0 и v2 =1 на выходе X будет реализована сумма по mod2 всех восьми информационных сигналов. В то же самое время на выходе Y будет реализована инверсия этой суммы. Кроме того, из таблицы видно, что при комбинациях сигналов на управляющих входах 0-0 либо 1-1 микросхема оказывается в «нерабочем» состоянии, когда на обоих выходах сигналы принимают одинаковые значения независимо от значений входных информационных сигналов.
1.3.11. Мажоритарные логические элементы
Эти элементы описываются логическими функциями, у которых число аргументов больше двух и является нечётным. Соответственно у любого мажоритарного элемента число входов всегда нечётное. Выходной сигнал принимает активное значение, когда большинство входных сигналов принимают активные значения. Поэтому такими элементами реализуется «принцип большинства » в обработке или в приёме сигналов.
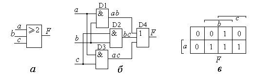
Допустим, что за активное значение входных и выходного сигналов принят уровень лог.1. Тогда у мажоритарного элемента « 2 из 3-х» (с тремя входами) сигнал на выходе будет равен лог.1, если два (любых) либо все три входных сигнала принимают значение лог.1.
На рис.1.12 приведены УГО такого элемента, карта Карно выходной функции и функциональная его эквивалентная схема.
Рис. 1.12. Мажоритарный элемент «2 из 3-х»: УГО (а); схема функциональная (б); карта Карно выходной функции (в)

По карте функции F можно найти её минимальную дизъюнктивную нормальную форму (МДНФ):
F = ab + bc + ac. (1.16)
Этой формулой непосредственно описывается схема рис.1.12,б. Как видно по карте Карно (рис.1.12,в), единицы стоят в клетках, расположенных на областях единичных значений двух и всех трёх аргументов. По аналогии можно построить карту Карно для мажоритарного элемента «3 из 5-ти», найти минимальное алгебраическое выражение его выходной функции, а затем построить функциональную схему.
В интегральном исполнении мажоритарные элементы есть, но не во всех сериях. Например, в серии КР1533 есть микросхема КР1533ЛП3, представляющая собой три мажоритарных элемента «2 из 3-х» с инверсным общим входом управления. Сигнал лог.0 по входу управления разрешает выполнение функций мажоритарности, а сигнал лог.1 запрещает их реализацию. Функциональная схема этой микросхемы и её УГО приведены на рис.1.13. Сопоставляя функциональную схему рис.1.13,б со схемой мажоритарного элемента рис.1.12,б, можно понять, как организовано управление, и какие значения принимают выходные сигналы при подаче на управляющий вход (он помечен на УГО меткой «Е») сигнала лог.1. (На УГО и соответственно на схеме рис.1.13,б цифры означают номера выводов микросхемы.)
Рис.1.13. Микросхема КР1533ЛП3: УГО (а); функциональная схема (б)
Есть мажоритарные элементы с инверсным выходом, например, микросхемы 533ЛП3 и КР134ЛП3 содержат по три таких элемента. В этом случае принцип «большинства» будет реализован относительно сигналов низкого уровня (сигналов лог.0). Следует также заметить, у мажоритарных элементов, как и у элементов И-НЕ и ИЛИ-НЕ, все входы логически равнозначны, т.е. порядок подачи входных сигналов не имеет существенного значения.
1.3.12. Элементы «логического порога» и элементы
«исключающее ИЛИ»
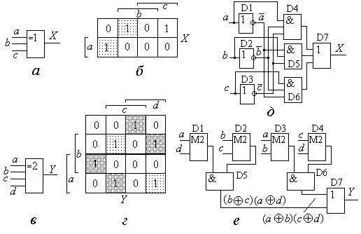
Среди многовходовых логических элементов можно выделить группу элементов, у которых выходной сигнал принимает активное значение только в тех случаях, когда определённое заданное число входных сигналов также принимают активное значение. Такие элементы принято называть элементами «логического порога». В частности, если выходной сигнал принимает значение лог.1, когда только один и только один из входных сигналов принимает значение лог.1, то такие элементы называют элементами «исключающее ИЛИ». Это тоже элементы логического порога, только «порог» равен единице. Для них ГОСТами также регламентировано УГО, в основное поле которого помещается метка «=1» (для элементов исключающее ИЛИ), либо метка вида «=n », где n целое число меньше числа входов у логического элемента.
Так, на рис.1.14 приведены УГО элемента исключающее ИЛИ с тремя входами, УГО элемента логического порога «=2 из 4-х», карты Карно их выходных функций и функциональные эквивалентные схемы.
Анализируя приведённые карты Карно функций X и Y, замечаем, что м инимальных дизъюнктивных алгебраических форм у этих функций нет (о визуально-матричном способе минимизации логических функций будет сказано ниже). Поэтому функциональные схемы названных элементов можно построить, найдя алгебраические выражения в ДСНФ либо в других формах.
Так, схема рис.1.14,д получена по следующему выражению:
X
Рис. 1.14. Логические элементы «исключающее ИЛИ» и логический порог «=2 из 4-х»: УГО (а, в); матрицы выходных функций (б, г); функциональные эквивалентные схемы (д, е)
=

Это ДСНФ функции «исключающее ИЛИ». Если бы аналогично находить выражение функции Y, то оно состояло бы из 6 дизъюнктивных членов (слагаемых), каждый из которых представлял бы произведение всех 4-х аргументов. Тогда функциональная схема элемента логического порога «=2 из 4-х» состояла бы из элемента 6ИЛИ, шести логических элементов 4И и из 4-х элементов НЕ. Схема же на рис.1.14,е получена по следующему логическому выражению:
Y = (ad)(bc) + (ab)(cd). (1.18)
О правилах получения подобного рода алгебраических выражений по булевым матрицам логических функций речь будет идти ниже. Сейчас же уместно напомнить, что сумма по mod2 отображается на картах Карно шахматным узором расположения единиц и нулей. Так, выражение (1.18) получено по выделенным различной заливкой «частным шахматным узорам» (рис.1.14,г) для функции Y с применением операции выноса за скобки общих сомножителей. Аналогичное выражение можно было бы получить и для функции «исключающее ИЛИ» по карте рис.1.14,б.
Следует отметить, что в частном случае, когда число входов у элемента «исключающее ИЛИ» равно двум, то эта функция тожественно равна функции сложения по mod2 от двух аргументов (2). К сожалению, в интегральном исполнении логические элементы «исключающее ИЛИ» и «логического порога» при числе входов более двух не выпускаются.
1.3.13. Логические элементы «ИМПЛИКАТОРЫ»
Эти логические элементы описываются функцией «импликация» (табл.1.3 функции V11 и V14).
V 11 = b a =
,
V14 = a b = . (1.19)
Первая из функций называется «импликация b », а вторая «импликация а ». На рис.1.15 приведены условные графические обозначения логического элемента ИМПЛИКАТОР а и карта Карно его выходной функции. Правые части выражений (1.19) свидетельствуют о том, что функция импликации в то же самое время является инверсией функции ЗАПРЕТ.
Из карты рис.1.15,в следует, что функция импликации ложна только в том случае, когда один из аргументов принимает ложное значение, а другой истинное.
В
Рис.1.15. Логический элемент «Импликатор»: УГО при соглашениях положительной логики (а); карта Карно функции (б); УГО при соглашениях отрицательной логики (в)

Следует отметить, что входы у логических элементов импликаторов логически неравнозначны, поэтому порядок подачи входных сигналов строго фиксирован.
1.3.14. Многофункциональные логические элементы
Выше были рассмотрены «простые » логические элементы, которые реализуют простые либо достаточно простые логические операции. Вместе с тем, в интегральном исполнении выпускаются более сложные логические элементы (ЛЭ), которые способны реализовать (одновременно, либо путём перекоммутации входов к шинам лог.0 или лог.1) несколько простых функций. По сути, эти элементы допускают возможность реализации многоместных логических функций по фрагментам их нормальных дизъюнктивных, либо нормальных конъюнктивных алгебраических форм. В табл.1.2 уже были приведены названия интегральных схем по функциональному назначению и их условные обозначения. Рассмотрим только наиболее широко применяемые многофункциональные ЛЭ.
Логические элементы И-ИЛИ-НЕ
Т акие элементы реализуют инверсию дизъюнктивных нормальных форм (ДНФ) алгебраических выражений функций, что эквивалентно реализации конъюнктивных нормальных форм (КНФ) этих функций. Так, на рис.1.16 приведены УГО микросхем К155ЛР1 и К155ЛР3. В микросхеме К155ЛР1 содержится два элемента 2-2И-2ИЛИ-НЕ, а микросхема К155ЛР3 представляет собой один элемент 2-2-2-3И-4ИЛИ-НЕ, расширяемый по ИЛИ.
П
Рис.1.16. Логические элементы типа И-ИЛИ-НЕ: УГО микросхемы К155ЛР1 (а); функциональная эквивалентная схема элемента 2-2И-2ИЛИ-НЕ (б); карта Карно выходной функции элемента 2-2И-2ИЛИ-НЕ (в); УГО микросхемы К155ЛР3 (г)
о функциональной схеме (рис.1.16,б) одного из элементов микросхемы К155ЛР1 можно составить следующее алгебраическое выражение его выходной функции:
F = =
. (1.20)
Таким образом, эта функция от 4-х аргументов, причём правая часть выражения (1.20) соответствует минимальной конъюнктивной нормальной форме функции F (МКНФ). Левая часть этого выражения непосредственно соответствует УГО элемента 2-2И-2ИЛИ-НЕ. Второй такой же элемент этой микросхемы имеет «нелогические» входы расширения по ИЛИ. Они помечены в левом дополнительном поле УГО метками «э» эмиттера вывод и «к» коллектора вывод. Нелогическими выводами (входы либо выходы) принято называть такие, на которых сигналы могут принимать значения нестандартных уровней напряжения. Такие выводы помечаются на УГО логических элементов (либо микросхем) специальным указателем в виде «крестика» . В частности, у рассматриваемых ИМС эти выводы выполнены от коллектора и эмиттера транзистора фазорасщепляющего каскада базового логического элемента серий ИМС ТТЛ. Подключая к ним выходы соответствующих ИМС «расширителей по ИЛИ», можно наращивать число входов элемента ИЛИ-НЕ, входящего в состав многофункционального элемента. Например, для рассматриваемых микросхем коэффициент объединения по входу равен 8, а расширители по ИЛИ реализуют логическое произведение нескольких входных сигналов. По существу расширители по ИЛИ являются многовходовыми элементами И с той лишь разницей, что выходные сигналы не имеют стандартных уровней лог.0 и лог.1. Отмеченное позволяет записать по аналогии с выражением (1.20) алгебраическое выражение выходной функции V для второго элемента:
V = . (1.21)