49288 (597442)
Текст из файла
Полтавський Військовий Інститут Зв’язку
Кафедра схемотехніки радіоелектронних систем
ОБЧИСЛЮВАЛЬНА ТЕХНІКА ТА МІКРОПРОЦЕСОРИ
напрям підготовки 0924 «Телекомунікації»
Тригери на логічних елементах.
Полтава – 2006
Навчальна література
-
Тиртишніков О.І., Корж Ю.М. Обчислювальна техніка та мікропроцесори. Частина 2. Цифрові автомати: Навчальний посібник. – Полтава: ПВІЗ, 2006, с. 34 – 46.
-
Калабеков Б.А., Мамзелев И.А. Цифровые устройства и микропроцессорные системы. М.: Радио и связь, 1987.
ВСТУП
Логічні пристрої, що розглядались на попередніх заняттях, мали одну загальну властивість: їх стан цілком визначався комбінацією вхідних сигналів у даний момент часу і не залежав від попередніх значень цих сигналів. Такі логічні елементи не запам'ятовують інформацію і звуться комбінаційними.
Послідовнісні схеми, або ЦА з пам’яттю, реалізовують логічні функції, значення яких у даний момент часу визначаються не тільки сукупністю значень вхідних змінних у цей же момент часу, але й попереднім станом схеми (попередніми значеннями вхідних змінних). Про такі схеми говорять, що вони мають властивість пам'яті (передісторія функціонування впливає на результат перетворення вхідних сигналів схемою).
На відміну від комбінаційних пристроїв, послідовнісні пристрої завжди мають у своєму складі зворотні зв'язки, по яких інформація про попередній стан із виходів пристрою, разом із зовнішніми керуючими сигналами, надходить на його входи. Наявністю зворотних зв’язків і пояснюється наявність властивості пам’яті у послідовнісних пристроях.
Логічна функція, що встановлює залежність стану, у який переходить послідовнісний пристрій із поточного стану під впливом заданих сигналів управління, має назву функції переходів. Функції переходів, як і логічні функції комбінаційних пристроїв, задаються логічними виразами або у вигляді таблиць переходів.
Переходи автоматів з пам’яттю з одного стану до іншого починаються з деякого початкового стану, визначення якого є частиною визначення умов функціонування ЦА в цілому. Наступний стан ЦА залежить від вихідного стану та вхідних сигналів. У результаті, поточний стан і сигнали на виходах ЦА залежать від початкового стану та всіх попередніх вхідних сигналів, тобто послідовність вхідних сигналів визначає послідовність станів та вихідних сигналів автомата. Цим пояснюється назва «послідовності схеми», яку використовують для позначення ЦА.
Автомати з пам’яттю в канонічному поданні розділяють на дві частини: пам'ять та комбінаційне коло. На входи комбінаційної частини подаються вхідні сигнали та сигнали стану ЦА. На її виході виробляються вихідні сигнали та сигнали переводу ЦА в наступний стан (тому комбінаційну частину іноді розділяють за функціональним призначенням на два кола).
ЦА можуть класифікуватися за різними ознаками. У схемотехніці використовуються переважно так звані автомати Мура, вихідні сигнали яких є функціями виключно попередніх станів ЦА. У автоматах Мілі вихідні сигнали залежать як від попередніх станів, так і від вектора вхідних змінних.
Деякі послідовнісні функціональні вузли відносять до автономних автоматів. Вони не мають інформаційних входів і під впливом тактових сигналів переходять у наступні стани за алгоритмом, що визначається структурою автомата.
Переважна більшість сучасних ЦА з пам’яттю є синхронними.
До послідовнісних цифрових вузлів відносять: тригери, регістри, лічильники, дільники частоти слідування імпульсів, схеми порівняння поточного і попередніх станів; перетворювачі паралельної двійкової інформації у послідовну та навпаки, накопичувальні суматори та ін.
У техніці зв'язку послідовнісні схеми застосовуються дуже часто. Наприклад, лічильники застосовуються в пристроях фазової корекції, вимірювальних приладах цифрового типу, у перетворювачах циклів та інших вузлах засобів зв'язку. На основі лічильників реалізовуються дільники частоти слідування імпульсів. Регістри широко використовуються в спеціальній апаратурі, з їхньою допомогою здійснюється кодування дискретної інформації, виконуються допоміжні операції з тимчасового зберігання та перетворення кодових слів у процесорах обчислювальної техніки.
-
Класифікація тригерів.
Найпростішими з послідовнісних цифрових вузлів є тригери – логічні схеми, які можуть знаходитись у одному з двох стійких станів і стрибком переходити в інший стан під впливом зовнішніх сигналів (через це інколи тригер називають бістабільним елементом). Перехід у інший стан частіше за все залежить не тільки від поточних значень вхідних сигналів, але й від попереднього стану тригера. Інформація про попередній стан тригера, що надходить з його виходу разом з вхідними сигналами, визначає його роботу. Саме через це тригери завжди є пристроями із зворотними зв’язками.
У цифровій техніці використовують тригери, побудовані на логічних елементах. Тригери, в свою чергу, є основою для побудови складних функціональних цифрових вузлів різного призначення – лічильників та розподілювачів імпульсів, дільників частоти слідування імпульсів, регістрів, запам'ятовувальних пристроїв.
Інтегральні тригери класифікуються за способом отримання інформації, за принципом побудови та функціональними можливостями.
За способом отримання інформації розрізняють синхронні та асинхронні тригери. Асинхронні тригери сприймають інформаційні сигнали та реагують на них безпосередньо в момент їх появи на інформаційних входах тригера. Синхронні тригери реагують на інформаційні сигнали за умов наявності дозволяючого сигналу на спеціальному керуючому вході С, який називають входом синхронізації. Синхронні тригери у свою чергу поділяються на тригери із статичним та динамічним управлінням по синхровходу.
Тригери із статичним управлінням (керовані рівнем сигналу) сприймають інформаційні сигнали за умови надходження на синхровхід рівня логічної одиниці (прямий С-вхід) або нуля (інверсний С-вхід). Тригери із динамічним управлінням (керовані фронтом сигналу) сприймають інформаційні сигнали при зміні сигналу на С-вході з 0 на 1 (прямий динамічний С-вхід) або з 1 на 0 (інверсний динамічний С-вхід).
За принципом побудови синхронні тригери можна поділити на одноступеневі та двоступеневі. Одноступеневі тригери мають лише один ступінь запам’ятовування інформації, а у двоступеневих тригерах таких ступенів два. Спочатку інформація записується у перший ступінь, потім переноситься у другий і потрапляє на вихід тригера. Двоступеневі тригери також називають тригерами типу MS (від англійського Master – Slave, тобто «майстер – помічник»). Ця абревіатура відображає характер роботи тригера: вхідна ступень виробляє нове значення вихідної змінної Q, а вихідна ступень його копіює.
За функціональними можливостями (або за способом організації логічних зв’язків) розрізняють:
-
Тригер з окремим встановленням станів 0 та 1 (RS-тригер). R (від англійського RESET – скидання) – окремий вхід встановлення у стан 0. S (від англійського SET – встановлення) – окремий вхід встановлення тригера у стан 1.
-
Універсальний тригер з інформаційними входами J та K (JK-тригер). Тут J – вхід для встановлення універсального тригера у стан 1. K – вхід для встановлення універсального тригера у стан 0.
-
Тригер, який отримує інформацію лише через один вхід D – тригер затримки або D-тригер (D від англійського DELAY – затримка). Тут вхід D – інформаційний вхід для встановлення тригера у стан, який співпадає з логічним рівнем на цьому вході.
-
Тригер із лічильним входом – Т-тригер або лічильний тригер. Тут вхід Т – лічильний вхід.
-
Комбіновані тригери, у яких сполучені декілька типів тригерів. Наприклад, тригер типу RST – лічильний тригер, що також має входи встановлення та скидання.
З класифікації тригерів за їх функціональними можливостями стає зрозумілим, що назва тригера за цією ознакою цілком визначається типами його входів. Тригер будь-якого типу має два виходи: прямий Q та інверсний
Стан тригера визначається за прямим виходом.
Головними показниками тригерів є їх швидкодія, чутливість, потужність, що споживається від джерела живлення, захищеність від перешкод та функціональні можливості. Швидкодія визначається максимальною частотою перемикань станів тригера і досягає сотень мегагерц. Чутливість тригера визначається найменшою напругою на вході (пороговою напругою), при якій відбувається перемикання тригера. Захищеність тригера від перешкод визначається його спроможністю працювати за умов впливу на нього різноманітних перешкод. Функціональні можливості визначаються кількістю та типом входів тригера.
Для повного визначення тригера достатньо задати його структурну схему на підставі базових логічних елементів (частіше за все використовують елементи ТА-НІ, АБО-НІ) та закон функціонування тригера у вигляді логічної функції або таблиці переходів.
В основі тригерів всіх типів лежить основний (базовий) RS-тригер з прямими або інверсними входами.
-
RS - тригер.
-
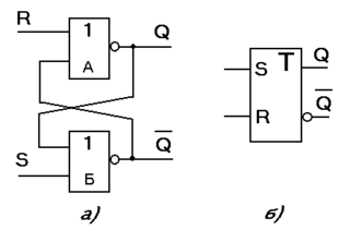
Асинхронний RS - тригер з прямими входами.
Асинхронний RS - тригер з прямими входами має два інформаційні входи R та S, які використовуються для встановлення його відповідно у стан 0 та 1, а також два виходи: прямий Q та інверсний
. Цей тригер побудований на двох логічних елементах ТА-НІ, які об’єднано у контур. Схема та графічне позначення тригера подані на рис. 1а,б відповідно.
Рис. 1
У цій схемі вихід кожного елемента АБО-НІ підключено до одного із входів іншого елемента. Саме таке з’єднання й забезпечує два стійких стани тригера. У RS - тригерах з прямими входами сигналами управління є тільки одиничні рівні сигналів. Взагалі, сигнали, які призводять до перемикання елементів, називають активними, а ті, які не призводять до такого перемикання – пасивними. Для елементів АБО-НІ активним сигналом є сигнал логічної 1.
Нехай ми маємо на входах тригера R=0 та S=0.Якщо початковий стан тригера Q=0, то з виходу Q логічний 0 подається до одного із входів елементу В; при цьому на обох входах елементу В діють логічні нулі і на виході елементу
є сигнал 1. З виходу елементу В логічна 1 потрапляє на вхід елементу А, що забезпечує на його виході рівень логічного 0. Це один із стійких станів тригера. У стані 1 тригера Q=1, і відповідно
, при цьому на обох входах елементу А діють логічні рівні 0, що забезпечує Q=1.
Таким чином, у кожному з двох стійких станів тригера елементи А і В знаходяться у протилежних станах. Перемикання тригера з одного стійкого стану до іншого відбувається при надходженні активних сигналів на входи. Якщо R=1, тобто, якщо тригер знаходився у стані 0(Q=0), то цей стан не зміниться. Якщо ж тригер знаходився у стані 1, то при надходженні сигналу R=1 він перейде до стану 0. Аналогічно, якщо S=1, то Q=1.
Одночасне надходження активних сигналів 1 на обидва входи (S=R=1) є неприпустимим, через те, що при цьому на обох входах встановлюється стан 0, а після припинення дії активних сигналів стан тригера лишатиметься невизначеним: через випадкові чинники тригер може перейти до стану 1 або 0. Наведений вище алгоритм функціонування тригера може бути наглядно поданий за допомогою таблиці переходів (табл.1).
Таблиця1
| R | S | Qt | Qt+1 | Режим роботи тригера | ||
| 0 0 | 0 0 | 0 1 | 0 1 | Qt | Режим зберігання інформації | |
| 0 0 | 1 1 | 0 1 | 1 1 | 1 | Встановлення 1 | |
| 1 1 | 0 0 | 0 1 | 0 0 | 0 | Встановлення 0 | |
| 1 1 | 1 1 | 0 1 | - - | - | Комбінація заборонена | |
У цій таблиці Qt – початковий стан тригера, Qt+1 – наступний стан тригера, у який він перейде після надходження на його входи комбінації сигналів R та S.
Характеристики
Тип файла документ
Документы такого типа открываются такими программами, как Microsoft Office Word на компьютерах Windows, Apple Pages на компьютерах Mac, Open Office - бесплатная альтернатива на различных платформах, в том числе Linux. Наиболее простым и современным решением будут Google документы, так как открываются онлайн без скачивания прямо в браузере на любой платформе. Существуют российские качественные аналоги, например от Яндекса.
Будьте внимательны на мобильных устройствах, так как там используются упрощённый функционал даже в официальном приложении от Microsoft, поэтому для просмотра скачивайте PDF-версию. А если нужно редактировать файл, то используйте оригинальный файл.
Файлы такого типа обычно разбиты на страницы, а текст может быть форматированным (жирный, курсив, выбор шрифта, таблицы и т.п.), а также в него можно добавлять изображения. Формат идеально подходит для рефератов, докладов и РПЗ курсовых проектов, которые необходимо распечатать. Кстати перед печатью также сохраняйте файл в PDF, так как принтер может начудить со шрифтами.















