49288 (597442), страница 2
Текст из файла (страница 2)
Висновки:
-
При S=R=0 тригер залишається у попередньому стані (режим зберігання інформації)
-
При R=1; S=0 тригер переходить до стану 0 незалежно від попереднього стану. Аналогічно при R=0; S=1 тригер переходить до стану 1 незалежно від попереднього стану
-
Комбінація вхідних сигналів S=R=1 є забороненою для RS-тригера з прямими входами.
-
Асинхронний RS-тригер з інверсними входами.
Асинхронний RS-тригер з інверсними входами побудований на елементах ТА-НІ. При цьому активним логічним рівнем на його входах є рівень логічного 0, а пасивним – рівень 1. Схема та графічне позначення такого тригера подані відповідно на рис.2а,б. Можливі стани тригера показані у таблиці переходів (табл.2).
Таблиця 2
| S | R | Qt+1 |
| 0 | 0 | - |
| 0 | 1 | 1 |
| 1 | 0 | 0 |
| 1 | 1 | Qt |
Висновки:
-
При S=R=1 тригер залишається у попередньому стані.
-
При R=1; S=0 Qt+1=1 і аналогічно при R=0; S=1 Qt+1=0
-
Комбінація S=R=0 є забороненою.
Рис. 2
-
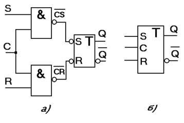
Синхронний RS-тригер.
Синхронний RS-тригер відрізняється від асинхронного наявністю С-входу, на який надходять синхронізуючі (тактові) сигнали. Синхронний тригер складається з асинхронного RS-тригера та комбінаційного цифрового пристрою, як показано на рис.3а . Графічне позначення такого тригера подані відповідно на рис. 3б.
За допомогою логічних елементів ТА-НІ, які створюють вхідний комбінаційний пристрій, забезпечується передавання активних рівнів сигналів на інформаційних входах S та R синхронного тригера на інверсні входи внутрішнього асинхронного тригера лише за умов наявності логічної 1 на синхровході С. При С=1 стан тригера визначається сигналами на його входах аналогічно до розглянутого вище асинхронного тригера. При С=0 тригер не реагує на рівні сигналів на входах S та R. Алгоритм функціонування тригера поданий у таблиці переходів (табл.3).
Рядки, де С=0 у таблиці відсутні через те, що вони не несуть корисної інформації.
Рис. 3
Таблиця 3
| S | R | C | Qt+1 |
| 0 | 0 | 1 | Qt |
| 0 | 1 | 1 | 0 |
| 1 | 0 | 1 | 1 |
| 1 | 1 | 1 | - |
Очевидно, що таблиця переходів такого синхронного тригера практично співпадає з таблицею переходів асинхронного RS-тригера з прямими входами (якщо не брати до уваги стовпець С таблиці 3), хоча у схемі (Рис.3) застосовано асинхронний RS-тригер з інверсними входами. Справа у тому, що всередині схеми, наведеної на Рис.3, двічі відбувається інвертування тих самих сигналів (на виходах елементів ТА-НІ комбінаційного пристрою та на інверсних входах асинхронного тригера, що у відповідності до закону про подвійну інверсію
=x означає відсутність інверсії взагалі. Таким чином, у схемі на рис.3а можна виключити усі позначки внутрішніх операцій інвертування і при цьому для отриманої схеми буде справедлива таж сама таблиця переходів.
Висновки:
-
Наявність входу синхронізації С розширює можливості тригерів. Тому практично усі тригери, які виробляє промисловість мають такий вхід. При цьому залишається можливість працювати і у асинхронному режимі: для цього лише потрібно подати на вхід С рівень логічної 1.
-
Головним недоліком RS-тригерів є наявність заборонених комбінацій сигналів.
-
JK-тригери
Універсальний JK-тригер функціонує майже так само, як і звичайний RS-тригер. При цьому вхід J виконує роль входу S, а вхід K- входу R. Таким чином активний сигнал (рівень логічної 1), поданий на вхід J, переводить тригер у стан 1, а поданий на вхід К – у стан 0. Різниця полягає лише у тому, що при J=K=1 тригер змінює свій стан на протилежний. JK-тригер не має заборонених комбінацій вхідних сигналів, наявність яких була головною вадою RS-тригерів.
Найпростіший JK-тригер у базисі ТА-НІ можна побудувати на тому ж наборі елементів, що й розглянутий вище синхронний RS-тригер. Схема такого тригера подана на рис. 4. Алгоритм його функціонування поданий у таблиці переходів 4.
Таблиця 4
| J | K | Qt+1 |
| 0 | 0 | Qt |
| 0 | 1 | 0 |
| 1 | 0 | 1 |
| 1 | 1 | |
Нехай тригер знаходиться у стані 0 (Q=0,
=1), а на його входах діють сигнали J=K=0. При цьому на виходах обох елементів ТА-НІ – рівні логічної 1. У відповідності до рядка 4 з таблиці 2, така комбінація вхідних сигналів (R=S=1) у асинхронному RS-тригері з інверсними входами забезпечує режим зберігання інформації (стан тригера лишається незмінним). Якщо ж подати на входи тригера сигнали J=K=1, то вихідний сигнал елементу В не зміниться, а на виході елементу А з’явиться сигнал логічного 0. При такій комбінації вхідних сигналів (R=1 S=0) асинхронний RS-тригер з інверсними входами переходить до стану 1 (рядок 2 таблиці 2). Аналогічні міркування можна провести стосовно одиничного початкового стану тригера. Таким чином, JK-тригер при надходженні на його входи сигналів J=K=1 дійсно переходить до протилежного стану.
Треба зазначити, що на практиці застосовуються значно складніші схеми JK-тригерів ніж та, яку ми щойно розглянули.
По-перше, реальні JK-тригери завжди мають вхід синхронізації для розширення їх функціональних можливостей.
По-друге, синхронні JK-тригери завжди мають двохступеневе запам’ятовування інформації. У цьому випадку вони мають у своєму складі два RS-тригери, один з яких називають керованим, а другий – керуючим. Часто такі тригери називають MS-тригерами (від ангел. Master-Slave). Така побудова синхронних тригерів (не тільки JK, але й будь-яких типів) дозволяє усунути можливість встановлення тригера у невизначений стан через перехідні процеси при перемиканні або при короткочасних змінах вхідних сигналів. Графічне позначення двохступеневого синхронного JK-тригера наведено на рис.5.
Рис. 4 Рис. 5
4. D і T тригери
4.1. Тригер з лічильним входом (Т-тригер).
Як було розглянуто раніше, при надходженні на обидва інформаційні входи JK-тригера рівней логічної 1 (J=K=1), він переходить до протилежного стану. З цієї точки зору найбільш доцільним способом перетворення JK-тригера на Т-тригер є просте об’єднання його J і K-входів для отримання лічильного Т-входу, як це зображено на рис.6а.
На практиці частіше за все використовують схему Т-тригера, у якій у якості Т-входу використовують вхід С синхронного -тригера, а на J,K входи подають рівень логічної 1, як це зображено на рис.6б. Алгоритм функціонування Т-тригера (однаковий для схем на рис.7а та 6б подано у вигляді таблиці переходів (табл.5). Умовне графічне зображення тригера показано на рис.6в.
Таблиця 5
| T | Qt+1 |
| 0 | Qt |
| 1 | t |
Рис. 6
4.2.Тригер затримки (D-тригер)
D-тригер має один інформаційний вхід (D- вхід) і вхід синхронізації С. Цей тригер завжди побудовано як синхронний та двохступеневий. Головне призначення D-тригера – затримка сигналу, який подано на вхід D. D-тригер може бути отриманий з JK-тригера після об’єднання входу K з входом J через інвертор так, як це зображено на рис.7а. О
Таблиця 6
| D | C | Qt+1 |
| 1 | 1 | 1 |
| 0 | 1 | 0 |
Рис.8
В И С Н О В К И
Найпростішими елементами з пам’яттю є тригери – логічні елементи, яки можуть знаходитись у одному з двох стійких станів і переходити до іншого стану під впливом зовнішніх сигналів (через це тригер інколи називають бістабільним елементом). Перехід у інший стан частіше за все залежить не тільки від поточних значень вхідних сигналів, але й від попереднього стану тригера.
За функціональними можливостями розрізняють:
-
Тригер з окремим встановленням станів 0 та 1 (RS-тригер). R(від англійського RESET) – окремий вхід 0. S(від англійського SET) – окремий вхід встановлення тригера у стан 1.
-
Універсальний тригер з інформаційними входами J та K(JK-тригер). Тут J- вхід для встановлення універсального тригера у стан 1. K - вхід для встановлення універсального тригера у стан 0.
-
Тригер, який отримує інформацію лише через один вхід D (тригер затримки або D – тригер, від англійського DELAY – затримка). Тут вхід D – це інформаційний вхід для встановлення тригера у стан, який відповідає логічному рівню на цьому вході.
-
Тригер із лічильним входом (Т-тригер). Тут вхід Т – це лічильний вхід.
Тригери на логічних елементах, є основою побудови складних функціональних пристроїв.
У апаратурі військового зв’язку та АСУ тригери застосовують для:
-
побудови лічильників імпульсів;
-
ділення частот надходження імпульсів;
-
побудови регістрів;
-
побудови розподілювачів імпульсів;
-
побудови запам'ятовуючих пристроїв.














