48970 (597418), страница 4
Текст из файла (страница 4)
Аналітичне вираження для ЧМ-сигнала має такий вигляд [51]:
U(t)=Ucsin[27п, + M sin(2пFm)t]. Це вираження для зручності інтерпретації перетворюється до виду [51]:
U(t)=UcJo(z)cos(27пFr)t + Uc£ Jn(z) cos27п(Fс + n)t + Uс £cos2п(FС Гм )t,
n-l n-1
J0(z),J (z) — функції Бесселя нульового і л-го порядку від аргументу z = М.
У приведеному вираженні, як і у випадку АМ-сигнала, перший доданок називається несучим коливанням, другий доданок — гармонійними складової верхньої бічної смуги частот, третє — складової нижньої бічної смуги частот. Кількість верхніх і нижніх бічних частот теоретично нескінченно. Практично ж при великих значеннях М складові, починаючи приблизно з n = М+ 1, можна не враховувати.
Осцилограма Чм-коливання, отримана при індексі модуляції М = 5, приведена на мал. 3.12.
Мал.3.12. Осцифалограма ЧМ-коливань.
Керовані джерела програми EWB показані на мал. 3.13. Джерело на мал. 3.13, а являє собою джерело напруги, керований струмом (ИНУТ). У діалоговому вікні цього джерела задається єдиний параметр — коефіцієнт передачі, дорівнює відношенню вихідної напруги до струму керування; параметр має розмірність опору. Для джерела струму, керованого напругою (ИТУН, мал. 3.13, б), цей параметр має розмірність провідності, оскільки коефіцієнт передачі дорівнює відношенню вихідного струму до напруги керування.
Джерела на мал. 3.13, у, м являють собою джерела напруги і струму, керовані відповідно напругою і струмом (ИНУН і ИТУТ). Коефіцієнт передачі цих пристроїв — величина безрозмірна.
а) б) в) г) д)
Мал.3.13. Керуємі джерела напруги і струму.
Мал.3.13. Схеми включення поліномінального джерела.
Вихідний сигнал керованого джерела на мал. 3.13, д визначається поліноміальною функцією. Для більш детального знайомства з таким джерелом розглянемо деякі схеми їхнього включення (мал. 3.14). Перша (верхня) схема виконує підсумовування напруг VI і V3, середня схема — множення однойменних напруг, а нижня підносить до кубічну степеня напруга VI.
Вихідна напруга розглянутого джерела описується поліномом наступного виду:
Y=A+B*V1+C*V2+D*V3+E(V1)2+F*V1*V2+G*V1*V2+H(V2)+I*V1*V2+J(V3)2+K*V1*V2*V3 (3.3)
Коефіцієнти полінома задаються за допомогою вікна(мал.3.15)
Мал.3.15. Значення параметрів поліномінального джерела для піднесення V1 до другого степеня.
Контрольні питання і завдання
-
Мається джерело напруги 10 В с внутрішнім опором 10 МОм і навантаженням, що змінюється в межах від 10 до 100 Ом. Чи можна таке джерело назвати генератором струму?
-
Проведіть розрахунок вираження, що складається, (3.1) при Um = 2 В и порівняйте отримані результати з даними мал. 3.7.
3. Формула (3.3) отримана шляхом зіставлення даних на мал. 3.14 і значень коефіцієнтів полінома в діалоговому вікні джерела для кожної схеми. Проведіть такий порівняльний аналіз самостійно. Яким іншим, більш простим способом можна одержати формулу (3.3)?
3. Керуючись формулою (3.3), досліджуйте можливі варіанти зведення постійної напруги 3 В в кубічний ступінь, у четвертий і п'ятий ступінь на базі одного поліноміального джерела. Складіть схеми пристроїв і перевірте їхню працездатність.
Складіть схему для дослідження спектрального складу AM- і ЧМ-сигналів.
Результати моделювання зіставте з розрахунковими по формулах (3.2) і (3.2а).
6. Як відомо, потужність у ланцюзі постійного струму визначається за формулою: W = VI = V2/R- Для створення моделі найпростішого ватметра, що реалізує цю I формулу, використовуйте поліноміальне джерело, а в якості що показує I приладу — амперметр W, включений послідовно з навантаженням R = 100 Ом. I
7. Ознайомтеся з утворювачами математичних функцій з використанням керованих джерел (схемний файл math.ca4).
3.2 Індикаторні прилади
Індикаторні прилади програми EWB 3.1 показані на мал. 3.16.
Вольтметри й амперметри забезпечують відлік вимірюваної величини з точністю до третього знака (у EWB 5.0 — до четвертого). Параметри приладів задаються в діалоговому вікні (для вольтметра — на мал. 3.17). У поле першого параметра задається вхідний опір вольтметра, у поле другого — режим виміру постійного (DC) або перемінного (АС) струму. Діалогове вікно для амперметра — аналогічне розглянутому з тією лише різницею, що перший параметр — це внутрішній опір амперметра, що значно менше вхідного опору вольтметра. Негативна клема для підключення цих приладів позначена широкої I чорною смугою і може бути розміщена на будь-якій грані іконки при обертанні зображення компонента (обертання виконується натисканням комбінації клавіш Ctrl + R).
Мал.3.16. Індикаторні прилади.
Мал.3.17. Вікно установки параметрів вольтметра.
7-сегментний цифровий індикатор — модель широко використовуваних у цифровій техніці алфавітно-цифрових індикаторів. Параметри індикатора задаються в діалоговому вікні (мал. 3.18), у якому перший параметр — максимальне значення вхідної напруги, другий — його мінімальне значення, третій і четвертий параметри — час затримки переключення при переході від низького (мінімального) рівня вхідної напруги до верхнього (максимальному) і навпаки, п'ятий пари* метр — гранична вхідна напруга, при якому починається світіння. Вітчизняними аналогами таких приладів є індикатори типу АЛС, ЗЛС і ін.
Чотирьохвхідний індикатор відрізняється від розглянутого наявністю вбудованого дешифратора, що дозволяє підключати його безпосередньо до виходів двійково-десяткових лічильників з кодом 8-4-2-1. Правий висновок такого індикатора - молодший або нульовий розряд, при його активізації на індикаторі висвічується 1. Лівий висновок індикатора — старший або третій розряд, при його активізації відображається цифра 8. Якщо сигнал логічної одиниці подати на усі входи індикатора, то буде відображатися буква F, що позначає в шістнатцятірковій системі числення десяткове число 15 (сума чисел 8, 4, 2 і 1). При всіх можливих комбінаціях вхідних сигналів на індикаторі можна відображати числа 0...9 і букви А, У, З, D, Е и F. Вітчизняними аналогами таких приладів є індикатори типу 490ИП1, 490ИП2 з тією відмінністю, що вони можуть відображати тільки цифри .
Світлодіод — параметри цього індикатора будуть описані при розгляді напівпровідникових діодів.
Мал.3.18. Вікно установки параметрів 7-сегментного індикатора
Мал.3.19. Вікно установки параметрів звукової сигналізації.
Мал.3.20. Вікно установки параметрів лампи розжарення.
Запобіжник — модель плавкого запобіжника, спрацьовування якого при заданому струмі супроводжується проваллям на його значку зиґзаґоподібної перемички між вихідними затискачами.
Логічний пробник — характеризується напругою спрацьовування 2,4 В, що відповідає мінімальному значенню сигналу логічної одиниці цифрових Із ТТЛ-серії (з живленням +5 В). Спрацьовування супроводжується червоним або синім світінням.
Звукова сигналізація (зумер) — параметри задаються в діалоговому вікні (3.19), у якому перший параметр — частота сигналу, подаваного на гучномовець комп'ютера, два інших — напруга і струм спрацьовування.
Лампа розжарення характеризується потужністю і номінальною напругою_(3.20). Напруга, при якому лампочка запалюється, приблизно дорівнює половині номінального. При напрузі, що перевищує номінальне на невелику величину, лампочка перегоряє і ланцюг обривається, тобто цей компонент може бути використаний також як запобіжник, що спрацьовує при заданих значеннях напруги і струму, рівного відношенню потужності до напруги.
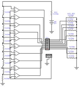
Десятисегментний індикатор містить лінійку з десяти незалежних індикаторів, параметри яких встановлюються в діалоговому вікні (мал. 3.21), де перший параметр — напруга спрацьовування, другий і третій — номінальний і мінімальний струм. Вітчизняними аналогами цього індикатора є так називаємі шкальні індикатори типу ЗЛС317, ЗЛС343А, ЗЛС362 і ін. [36].
Мал.3.21. Вікно установки параметрів 10-сегментного індикатора.
Мал.3.22. Схема включення десятисегментного індикатора.
Приклад використання 10-сегментного індикатора приведений на мал. 3.22. Ця схема в трохи зміненому виді запозичена з каталогу готових схем програми EWB. Вона містить 10 компараторів напруги на ОУ (див. роздягнув 10.7). На один вхід кожного ОУ подається опорна напруга, формоване джерел напруги Uo і дільником на резисторах R1...R11. Другі входи всіх ОУ об’єднані і підключені до виходу функціонального генератора, використовуваного в режимі синусоїдальних або трикутних коливань з постійною складовою. Амплітуда вихідного сигналу вибирається рівною Uo/2, частота — близько 1 Гц. Виходи ОУ підключені до сегментів індикатора, додаткові резистори R12...R21 служать для установки струму через кожен сегмент.
Після включення джерела харчування (початок моделювання) вихідна напруга функціонального генератора порівнюється з опорним. Це приводить до послідовного спрацьовування компараторів, що фіксується індикатором і візуально сприймається в такий же спосіб, як і індикація рівня в аудіосистемах (безупинно і синхронно з рівнем голосності світіння, що переміщається по довжині індикатора,).
Принцип роботи розглянутої схеми використаний в іншому десятисегментного індикаторі (мал. 3.16), у якого всього два висновки. Параметри індикатора задаються в діалоговому вікні (мал. 3.23), у якому перший параметр визначає напруга спрацьовування першого (нижнього) сегмента, другий — напруга спрацьовування верхнього (десятого) сегмента. Для визначення напруги спрацьовування інших сегментів можна скористатися простою схемою, що складається з послідовно включених індикатора і джерела постійної напруги. Змінюючи напругу джерела, неважко визначити напруга спрацьовування кожного сегмента візуальним контролем за його світінням.
Мал.3.23. Установка параметрів 10-сегментного індикатора.
Контрольні питання і завдання
-
Визначите напруги спрацьовування кожного сегмента 10-сегментного індикатора при вихідних даних, зазначених на мал. 3.23. Встановіть характер залежності напруги спрацьовування від номера сегмента.
-
Використовуючи схему на мал. 3.24, визначите струм I, при якому лампочка L перегоряє при різних значеннях припустимої потужності.
Мал.3.23. Застосування лампи розжарення в якості запобіжника.
-
Складіть схему з джерела постійної напруги і логічного пробника. Змінюючи напругу джерела, встановіть напругу спрацьовування пробника з точністю до десятих часток вольта.
-
Складіть схему, що складається зі звукового сигналізатора (зумера), джерела постійної напруги, резистора, амперметра і вольтметра. Переконаєтеся в правильності спрацьовування звукової сигналізації при встановлених у діалоговому вікні значеннях струму і напруги спрацьовування.
5.Яка кількість амперметрів і вольтметрів можна використовувати в моделюємій схемі?
6. Проведіть випробування семисегментного індикатора (схемний файл 7segdemo.ca4).
7. Практична конструкція запобіжників являє собою найчастіше трубчастий скляний або керамічний корпус з металевими ковпачками-клемами на торцях, до яких припаюється протягнена в порожнині корпуса тонкий дріт, матеріал і діаметр якої визначає струм плавлення. При діаметрі d = 0,02...0,2 мм струм плавлення визначається формулою I = (d - 0,005)/k, [А], у якій коефіцієнт до = 0,034 — для міді; 0,05 — для латуні; 0,07 — для константану; 0,127 — для заліза [45]. Для більш товстих провідників струм плавлення I = m(d3)1/2, [А], де m = 80 — для міді; 24,6 — для заліза; 12,8 — для олова. Оскільки розплавлювання супроводжується своєрідним вибухом і розбризкуванням розплавленого металу, то зі збільшенням струму і відповідно діаметра проводу діаметр захисного трубчастого корпуса збільшується для запобігання його руйнування. Розрахуйте струм плавлення мідних дротів діаметрами 1,3;2,2;3;4,5;7і10 мм.
3.3 Комутаційні пристрої
Під комутаційними пристроями (КУ) розуміються пристрої, що стрибкоподібно змінюють значення своїх параметрів при визначеному (граничному) значенні керуючого сигналу. У пристроях, призначених для комутації електричних ланцюгів, це реалізується практично миттєвою зміною електричного опору або провідності їхніх виконавчих систем (безпосередньо комутуючих елементів). Комутаційні пристрої програми EWB 3.1 представлені на мал. 3.25 (зведення по реальних пристроях — у розд. 13.5).
















