182971 (596647), страница 9
Текст из файла (страница 9)
Порційна технологія
Призначення:
Цех призначений для підготовки компонентів суміші морозива, створення високодисперсної емульсії, її пастеризації, гомогенізації, охолодження і дозрівання і подачі на фрізерованіе. Максимальна ефективна продуктивність - 1250 кг / год.
Опис базової технологічної схеми:
1. Рідка фаза суміші морозива подається в змішувальні ємності через секцію регенерації теплообмінного апарата. У всіх випадках, крім першого нагрівання першої зміни, відбувається регенерація тепла за рахунок теплообміну між надходить рідкою фазою і гомогенізований сумішшю з температурою 85 ° С йде зворотним потоком на охолодження. Рідка фаза нагрівається до температури в 40 ... 45 ° С.
2. Жирові компоненти, попередньо розплавлені в маслоплавітеле, подаються в ємності через диспергатор.
3. Сухі компоненти завантажуються в бункер диспергатора і подаються в ємності спільно з потоком рідкої фази і жирів, чим і створюється емульсія.
4. Пастеризація суміші морозива проводиться в ємкостях шляхом подачі пари в сорочку ємності через барботер. Встановлені на ємностях пропелерні мішалки забезпечують ефективний теплообмін.
5. По завершенню процесу пастеризації суміш морозива, насосом, через фільтр подається на гомогенізатор і далі в секцію регенерації пластинчастого теплообмінника, охолоджуючись рідкою фазою наступної порції.
6. Частково охолоджена суміш надходить у секцію охолодження (2 х секційного) пластинчастого теплообмінника. Хладоносителем є крижана вода (0 ... 2 ° С), розсіл (-5 ...- 17 ° С) або інший аналогічний.
7. Охолоджена до 5 .. 7 ° С суміш, подається в ємності для дозрівання, кількість яких визначається асортиментом, типом фасування, продуктивністю фризера та іншими факторами.
Переваги:
- низька вартість комплекту технологічного обладнання;
- не критичні вимоги до кваліфікації персоналу;
- часткова регенерація тепла в пластинчастому теплообмінному апараті;
- висока надійність з через низький рівень автоматизації та простоти конструкцій.
Недоліки:
- Практична недоцільність використання порціонної технології при підвищених вимогах до якості готового продукту;
- Неефективність виробництва при продуктивності лінії більше 1250 кг / год;
- Надмірне споживання енергоносіїв.
Безперервна технологія для приготування морозива:
Призначення:
Цех призначений для:
- Підготовки компонентів суміші морозива, їх безперервної і автоматичної подачі в змішувальні ємності;
- Створення високодисперсної емульсії суміші багатокомпонентних складів;
- Пастеризації в тонкошарової закритому потоці з витримкою і автоматичним контролем процесу пастеризації;
- Подальшої гомогенізації, Охолодження і дозрівання і подачі на фрізерованіе.
Продуктивність - 1250, 2500, 5000 кг / год по суміші.
Переваги:
1. Забезпечується гарантована продуктивність лінії з дотриманням теплових режимів обробки суміші в рамках робочого графіка (7 годин - робочий режим, 1 годину - мийка).
2. Використовується економічна і повністю замкнена система підготовки теплоносія з поверненням конденсату.
3. Управління кухнею здійснюється з одного пульта (використовується програмований промисловий контролер); всі теплові і тимчасові режими, поточний стан одиниць обладнання, аж до кожного конкретного клапана архівуються. Дані можуть бути підняті по закінченні 1 року.
4. Постачання здійснюється монтажними вузлами, що забезпечує економію грошових коштів на монтаж та пусконалагоджувальні роботи.
5. Використання наявних у замовника сервісних середовищ; низьке споживання теплоносія, холодоносія, мала виробнича площа.
6. Безперервна технологія виробництва з дотриманням підвищених санітарних норм.
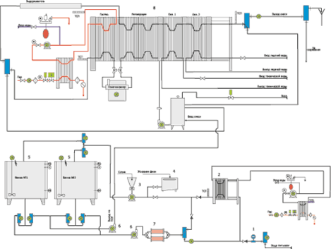
Рисунок 3.1 - Лінія приготування суміші морозива до 5000 кг / год
1. Електромагнітний лічильник рідкої фази.
2. Пластинчастий нагрівач рідкої фази і суміші морозива.
3. Діспергаціонний вузол для вироблення сухих і жирових компонентів.
4. Резервуари для суміші морозива.
5. Фільтр суміші морозива.
6. Насос продуктовий відцентровий.
7. Плавитель жирової фази.
8. Пластинчаста 4х секційна пастеризаційно-охолоджувальна установка.
9. Гомогенізатор.
10. Ємності для дозрівання.
11. Монтажні вузли трубопроводів; пульт управління; КВП і А.
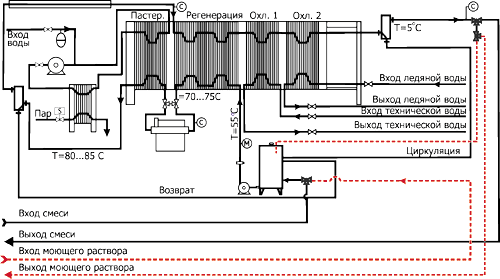
Пастеризаційно-охолоджувальна установка
Призначення:
Пастеризаційно-охолоджувальні установки застосовуються для пастеризації, гомогенізації й охолодження суміші морозива до температури дозрівання в закритому тонкостінному потоці з автоматичним контролем і регулюванням процесу.
Опис:
Використовуються чотирьохсекційного і п'ятисекційного пастеризаційно-охолоджувальні установки з підключенням гомогенізатора з наступними базовими технічними характеристиками:
Температура суміші на вході: 40 .. 45 ° С
Температура пастеризації: 85 ± 2 ° С
Час витримки при температурі пастеризації: 50 .. 60сек.
Температура виходу продукту: 4 ...12 ° С
Хладоносителем: комбінований, вода артезіанська / проточна оборотний хладоносителем (розсіл або етиленгліколь, або крижана вода).
Теплоносій: первинний - пар, вторинний - пароводяна суміш.
Використання пастеризаційно-охолоджувальних установок принципово при продуктивності цеху більше 500 кг / год по готової суміші тому, що:
1. Рівень регенерації тепла 76-80% дозволяє істотно знизити витрату теплоносія.
2. Забезпечується виконання існуючих санітарних норм через відсутність контакту продукту з мікрофлорою зовнішнього середовища.
3. При продуктивності більше 1250 кг / год мала площа цеху забезпечується шляхом переносу функціонального навантаження з ємнісних апаратів на компактні пластинчасті установки.
4. Високий рівень автоматизації і контролю за процесами пастеризації та охолодження дозволяє виключити вплив "людського фактора".
Компанія НПК "Прогресивні Технології" є виробником пластинчастих пастеризаційно-охолоджувальних установок для морозива. Базові продуктивності установок складають 500, 1250, 2500, 5000 кг / год по готової суміші. Виготовлення установок проводиться за технічними умовами замовника з обов'язковим використанням наявних сервісних середовищ і обладнання. Наші нові розробки, не представлені з комерційних причин на сайті, забезпечують принципово низьке споживання пари і холодоносія з дотриманням всіх технологічних параметрів. Вони відповідають сучасному уявленню про прогресивному обладнанні, ергономічні, виготовляються на сучасній елементній базі з використанням останніх досягнень систем автоматичного проектування, механічної обробки і лазерного різання.
Основні переваги
1. Дотримання теплових режимів пастеризації і охолодження суміші при заданій продуктивності.
2. Забезпечення безперебійної роботи установки в рамках циклу підготовки суміші до дозрівання.
3. Використання нової полегшеної станини "Протемол" для забезпечення робочого тиску в апараті.
4. Встановлення економічної системи підготовки теплоносія на базі мідно-паяних теплообмінних апаратів і групи безпеки.
5. Розрахунок компоновочной схеми з урахуванням наявних у замовника хладоносителем та їх комбінацій (проточна вода, артезіанська вода, крижана вода, розсіл, етиленгліколь та ін.)
6. Встановлення сучасної системи управління на базі програмованих промислових контролерів для виключення впливу "людського фактора" і забезпечення роботи установки в автоматичних режимах: "Мийка", "Витискування води продуктом", "Вихід на режим пастеризації", "Робочий режим", "Дезінфекція", "Сервіс".
7. Модульне виконання установки економить грошові кошти клієнта за рахунок скорочення часу монтажу.
Рисунок 3.2 - Пастеризаційно - охолоджувальні установка
3.3 Економічна експертиза інвестиційного проекту з виробництва та реалізації морозива
Аналіз проектно-конструкторської документації та технології виробництва, оцінка трудомісткості робіт і розрахунок потрібної кількості матеріальних і трудових ресурсів дозволили сформувати набір загальних вихідних даних для розрахунку фінансових показників у вигляді зведеної характеристики інвестиційного проекту (таблиця 3.1). Надання послуг намічено на 6 років. Двомісячний період будівництва виробничого об'єкта та монтажу обладнання передбачає початок освоєння виробництва з третього місяця реалізації інвестиційного проекту.
Таблиця 3.1 - Зведена характеристика інвестиційного проекту
| Показники | Одиниці вимірювання | Величина |
| Виробнича потужність при повному освоєнні | тис.год. | 4320 |
| Капітальні вкладення: |
| |
| - ремонт приміщення | тис.грн. | 25 |
| - обладнання з коротким терміном служби | тис.грн. | 0,84 |
| - обладнання з тривалим терміном служби | тис.грн. | 108,83 |
| - обіговий капітал | тис.грн. | 20 |
| Джерела фінансування проекту: |
| |
| - акціонерний капітал | тис.грн. | 154,67 |
| Передбачувана ціна виробу | грн. | 10,8 |
| Графік реалізації проекту: |
| |
| - період будівництва виробничого об'єкта | Місяців | 1 |
| - загальний період виробництва | Років | 6 |
| Освоєння виробничої потужності й обсяг виробництва: |
| |
| - з першого місяця реалізації проекту; | % | 100 |
| Ставка податку на прибуток | % | 40 |
| Нормативна ефективність капіталовкладень |
| 0,3 |
У ході техніко-економічного обґрунтування доцільності інвестиційного проекту необхідно розрахувати загальну величину інвестицій. Відповідно до рекомендацій для проектів, що передбачають розширення випуску продукції, яку вже виготовляють, або освоєння випуску нової продукції на наявних виробничих потужностях, важливою умовою правильної економічної оцінки витрат є недопущення повторного їх зарахування. Одночасні витрати кожного року реалізації проекту знаходять або прямим рахунком, виходячи з норм і розцінок на будівельно-монтажні роботи, витрат на придбання додаткового устаткування, технології, транспортних та інших послуг, або за показниками питомої фондомісткості чи капіталомісткості діючого виробництва.
Згідно з графіком реалізації проекту інвестиції були розподілені по місяцях і представлені у вигляді таблиця 3.2.
Таблиця 3.2 – Загальні інвестиції по роках розрахункового періоду, тыс. грн
| Вид інвестицій | Будiвництво | Освоєння | Повна виробнича потужність | Разом | ||||||||||||||||||||||||||
| 1 | 2 | 3 | 4 | 5 | 6 | |||||||||||||||||||||||||
| I кв | IIкв | Ш кв | IVкв | |||||||||||||||||||||||||||
| 1міс | 2міс | 3міс | 1 | 2 | 3 | |||||||||||||||||||||||||
| Первісно - фіксовані інвестиції: | ||||||||||||||||||||||||||||||
| - ремонтнi роботи | 12,50 | 12,50 | 25,00 | |||||||||||||||||||||||||||
| - устаткування з коротким терміном служби | 0,42 | 0,42 | 0,84 | |||||||||||||||||||||||||||
| - устаткування з тривалим терміном служби | 54,42 | 54,42 | 108,83 | |||||||||||||||||||||||||||
| Приріст обігового капіталу | 20,00 | 20,00 | ||||||||||||||||||||||||||||
| Разом | 67,34 | 67,34 | 20,00 | 154,67 | ||||||||||||||||||||||||||
Таблиця 3.3 – Джерела фінансування по роках, тис. грн
| Вид інвестицій | Будiвництво | Освоєння | Повна виробнича потужність | Разом | ||||||||||||||||
| 1 | 2 | 3 | 4 | 5 | 6 | |||||||||||||||
|
| I | II | III | IV | ||||||||||||||||
|
| 1 | 2 | 3 | 1 | 2 | 3 | ||||||||||||||
| Засновники (акціонерний капітал) | 67,34 | 67,34 | 20 | 154,67 | ||||||||||||||||
| Комерційні банки | 0 | 0 | 0 | 0 | ||||||||||||||||
| Кредити постачальників | 0 | 0 | 0 | 0 | ||||||||||||||||
| Разом | 67,34 | 67,34 | 20 | 154,67 | ||||||||||||||||
З таблиці 3.3 видно, що Статутний фонд підприємства формується протягом трьох місяців. Підприємство не використовує займані кошти.
















