151753 (594706)
Текст из файла
Министерство образования республики Беларусь
Учреждение образования
Гомельский государственный политехнический техникум
Монтаж и эксплуатация электрооборудования
Дипломная работа
По предмету: Электрооборудование промышленных предприятий и гражданских зданий
Тема: Электрооборудование фрикционного пресса
Выполнил учащийся
группы МЭ-41С Попов С. В.
Проверил преподаватель
Повный А. В.
2009
Введение
Целью курсового проекта является изучение электрооборудования фрикционного пресса, его устройства и принципа действия, а также получение навыков в выборе электрических аппаратов и расчете основных элементов электрической схемы.
Основной недостаток обработки металлов резанием состоит в том; что значительное количество металла уходит в стружку. При обработке металлов давлением (прессовании) снижаются отходы металла, улучшаются механические свойства обрабатываемых деталей, повышается производительность. Обработка металлов и материалов давлением производится как в горячем, таки в холодном состоянии. Особенно экономичен второй способ, поскольку исключаются затраты на предварительный подогрев металла, сокращается время обработки, отсутствуют потери на угар металла.
1. Состав и краткая техническая характеристика (станка, механизма, установки)
1.1 Назначение, основные технические возможности
Все кузнечнопрессовые машины разделяются на несколько основных групп: молоты, прессы, кривошипные машины, кузнечно-штамповочные автоматы для горячей и холодной высадки.
Пресс (от лат. presso – давить, жать) – машина неударного (статического) действия для обработки материалов давлением, пресс широко применяют в разных отраслях промышленности для обработки металлов, пластин, масс, резины, и др. материалов, а также для исследования их свойств при высоких давлениях и для механических испытаний. Отличие прессов от молотов заключается в том, что деформация на прессах производится постепенным давлением, а не ударом, поэтому не требуется больших и сложных фундаментов, исключаются сотрясения грунта и зданий.
Прессы разделяют на два основных вида: гидравлические, в которых используется в качестве рабочей жидкости вода под давлением до 20-30 МПа, а в тяжелых прессах – до 50-60 МПа, и механические с электроприводом.
Фрикционный пресс - механический пресс, в котором движение рабочего органа осуществляют силы трения, возникающие в местах контакта между маховиком и вращающимися дисками. Фрикционные прессы применяют для горячей и холодной штамповки, чеканки, гибки и холодной правки.
1.2 Состав и краткое описание основных узлов и частей установки
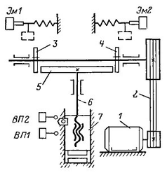
На рисунке 1.1 показана упрощенная кинематическая схема фрикционного пресса. Двигатель 1 через клиноременную передачу 2 непрерывно вращает два диска 3 и 4, которые попеременно прижимаются к маховику 5, сидящему на вертикальном винте 6, связанном с ползуном 7. Перемещение дисков производится пневмосистемой, управление которой осуществляется электромагнитами Эм1 и Эм2. При включении электромагнита Эм1 к маховику прижимается диск 3, и ползун движется вниз; когда сработает Эм2, то диском 4 маховик будет вращаться в обратную сторону, и ползун станет перемещаться вверх.
Рисунок 1.1. Устройство фрикционного пресса.
1.3 Основные технические характеристики
По типу фрикционного привода различают одно-, двух- и трех-дисковые фрикционные прессы. Фрикционные прессы развивают усилие от 0,25 до 8 МН при числе ходов 6-35 в мин. Режим работы электропривода перемежающийся S6 с ударными кратковременными нагрузками. Для выравнивания нагрузки, приходящейся на электродвигатель, в системе привода искусственно увеличивают момент инерции путем установки маховика. В периоды снижения нагрузки и холостых ходов электродвигатель работает на маховик, в котором запасается кинетическая энергия. В периоды пиков нагрузки угловая скорость двигателя, имеющего смягченную характеристику, несколько снижается, и часть нагрузки покрывается за счет энергии маховика. В результате при наличии маховика двигатель может быть выбран с меньшей (в 6-10 раз) номинальной мощностью и меньшим перегрузочным моментом, чем в системе без маховика.
2. Требования к электрооборудованию
Питание силовой цепи фрикционного пресса осуществляется от сети трехфазного переменного тока напряжением 380В с промышленной частотой 50Гц. Питание цепи управления осуществляется через понижающий трансформатор 220/110В. В данной схеме постоянный ток не используется. В схеме имеется асинхронный двигатель с короткозамкнутым ротором М(31,5 кВт) и два одинаковых электромагнита YA1 иYA2(24Вт). В кузнечнопрессовых машинах должны применяться двигатели с повышенным скольжением. Двигатель главного привода вращается с постоянной скоростью и в одном направлении, поэтому не требуется регулирование скорости и реверс. Пуск двигателя осуществляется без нагрузки. В схеме пресса торможение электродвигателя осуществляется отключением его от сети. Эксплуатация электрооборудования осуществляется в нормальном сухом помещении, однако так как электромагниты работают в тяжелых условиях (попадание смазки, эмульсии), то степень защиты их должна быть не менее IP44. Фрикционный пресс, как и любое электрооборудование предъявляет определенные требования к качеству электроэнергии, напряжение сети должно соответствовать 95-110% от номинального.
3. Принцип действия электрооборудования и систем управления
3.1 Полный перечень электрооборудования
В схеме присутствует асинхронный двигатель главного привода с короткозамкнутым ротором в закрытом обдуваемом исполнении, назначение которого непрерывно вращать через клиноременную передачу два диска. Имеется два электромагнита для управления пневмосистемой, которой осуществляется перемещение дисков. Защита силовой цепи осуществляется автоматическим выключателем. Управление электродвигателем и электромагнитами осуществляется пультом управления через релейно-контактную схему, питание которой осуществляется через понижающий трансформатор напряжения. Защита схемы управления осуществляется предохранителями с плавкими вставками. Есть и ограничительная схема на конечных выключателях, ее назначение ограничивать движение ползуна.
3.2 Принцип действия схемы управления
Переключатель SA обеспечивает два режима работы пресса – одиночными и непрерывными ходами. Пусть SA поставлен в правое положение. При нажатии кнопки SB1 включается контактор КМ1, и двигатель М начинает вращаться. Если нажать кнопку SB2, то контактор КV1 включит электромагнит YA1 и ползун будет перемещаться вниз. В конце хода нажимается путевой выключатель SQ1, который отключает электромагнит YA1, и диск перестает прижиматься к маховику. Замыкающий контакт SQ1 включает реле времени КТ1, установка которого подбирается такой, чтобы маховик успел остановиться. После срабатывания реле КТ1 получает питание катушка контактора КV2. При этом включается электромагнит YA2, к маховику прижимается второй диск и начинается подъем ползуна пресса. В конце подъема срабатывает путевой выключатель SQ2, теряет питание контактор КV2, движение ползуна прекращается, электромагнит YA2 отключается. При замкнутом контакте SA1 пресс будет работать непрерывными ходами. Пуск двигателя М в обоих режимах осуществляется без нагрузки, т. к. при отключении двигателя замыкающие контакты КМ1.2, КМ1.3, КМ1.4 размыкают цепи катушек контакторов КV1 и КV2.
4. Расчет мощности и выбор электродвигателей
Асинхронные электродвигатели для привода кузнечнопрессовых машин выбирают так, чтобы обеспечить наилучшее выравнивание графика нагрузки, наименьшие потери в двигателе, а также наименьший расход электроэнергии за цикл работы. Эти условия обеспечиваются при установке на таких машинах двигателей с номинальным скольжением 10-15%. В соответствии с этим для указанных механизмов электротехническая промышленность выпускает специальные асинхронные двигатели с повышенным скольжением типа 4АС; закрытые обдуваемые, мощностью 1,2-63 кВт с номинальным скольжением 7-15%, для работы в продолжительном и повторно-кратковременном (ПВ=40%) режимах.
Допустим, что пресс совершает за один ход работу
кДж. Число ходов пресса в минуту
, продолжительность удара
с, момент холостого хода пресса
Н∙м; расчетная угловая скорость
рад/с.
Определяем продолжительность цикла при 20 ударах в минуту:
, (4.1)
с.
Определяем продолжительность холостого хода:
, (4.2)
с.
Находим максимальный момент пресса при ударе:
, (4.3)
Н∙м.
Определяем средний момент нагрузки за цикл:
, (4.4)
Н∙м.
Тогда средняя расчетная мощность двигателя:
, (4.5)
кВт.
Выбираем по каталогу асинхронный электродвигатель закрытый обдуваемый, с короткозамкнутым ротором, с повышенным скольжением типа 4АС200М4У3 нормального, защищенного исполнения на лапах. Степень защиты двигателя от воздействий окружающей среды IP23.
Таблица 4.1 Характеристика электродвигателя М
| Название характеристики | Значение |
| Мощность на валу | 31,5 |
| Число оборотов в минуту при номинальной нагрузке | 1410 |
| КПД при номинальной нагрузке, % | 87,5 |
| cosφ при номинальной нагрузке | 0,92 |
| Номинальное скольжение | 6,0 |
| Перегрузочная способность | 2,2 |
| Кратность токов | 7,0 |
5. Построение механической характеристики электродвигателя
Механической характеристикой двигателя называется зависимость его скорости от развиваемого момента
.
Находим критическую скорость скольжения:
, (5.1)
.
Рассчитываем критический момент вращения:
,
(5.2)
Н∙м.
Определяем значения частоты вращения при различных величинах скольжения
, (5.3)
об/мин. Аналогично находим частоту вращения при других величинах скольжения. Результаты расчета сводим в таблицу 5.1.
Используя формулу Клосса, найдем величины момента вращения для разных значений скольжения:
, (5.4)
Н∙м.
Аналогично для остальных значений. Результаты расчета сводим в таблицу 5.1.
Характеристики
Тип файла документ
Документы такого типа открываются такими программами, как Microsoft Office Word на компьютерах Windows, Apple Pages на компьютерах Mac, Open Office - бесплатная альтернатива на различных платформах, в том числе Linux. Наиболее простым и современным решением будут Google документы, так как открываются онлайн без скачивания прямо в браузере на любой платформе. Существуют российские качественные аналоги, например от Яндекса.
Будьте внимательны на мобильных устройствах, так как там используются упрощённый функционал даже в официальном приложении от Microsoft, поэтому для просмотра скачивайте PDF-версию. А если нужно редактировать файл, то используйте оригинальный файл.
Файлы такого типа обычно разбиты на страницы, а текст может быть форматированным (жирный, курсив, выбор шрифта, таблицы и т.п.), а также в него можно добавлять изображения. Формат идеально подходит для рефератов, докладов и РПЗ курсовых проектов, которые необходимо распечатать. Кстати перед печатью также сохраняйте файл в PDF, так как принтер может начудить со шрифтами.
















