151716 (594703), страница 3
Текст из файла (страница 3)
- Мmax – максимальный момент ветротурбины при заданной скорости ветрового потока;
- Сmax – соответствует режиму максимальной эффективности ветротурбины;
- ω0 – скорость холостого хода ветротурбины при отсутствии момента нагрузки на валу ветротурбины.
Рисунок 1.7 – Механическая характеристика ветротурбины
Необходимо отметить, что у большинства ветротурбин значение пускового момента отлично от нуля. Это означает, что при скорости ветрового потока выше номинальной, ветротурбина не может самостоятельно начать работать. Запустить в работу ВЭУ можно только путем предварительного разгона.
Семейство механических характеристик ветротурбины при постоянной геометрии ветротурбины (рис. 1.8) описывается выражением:
(1.7)
где ρ – плотность воздуха, кг/м3;
VВ – скорость ветрового потока, м/с;
АВТ – эффективная площадь, ометаемая ветротурбиной, м2;
– коэффициент использования ветротурбины энергии ветра (коэффициент мощности);
– быстроходность ветротурбины
При изменении скорости ветрового потока точки Мmax и Сmax образуют линии максимальных моментов и линию оптимального отбора мощности ветротурбины.
Рисунок 1.8 – Семейство механических характеристик ветротурбины
Быстроходность ветротурбин является, возможно, самым важным для их характеристики параметром, зависящим от трех основных переменных: радиуса ометаемой ветротурбиной окружности, его угловой скорости вращения и скорости ветра. Как безразмерная величина она является основным параметром подобия при исследовании и конструировании ветроэлектрогенераторов. [6]
1.5 Имитация поведения реальных ветротурбин
Экспериментальные характеристики ветродвигателей получают либо в аэродинамической трубе, где создается искусственный воздушный поток, либо в природных условиях в ветросиловой лаборатории с башней, оборудованной специальными приборами.
Экспериментальные характеристики ветродвигателей получают по инерционному методу Аэродинамического института. Этот метод основан на законе инерции вращающихся масс. Чтобы сообщить вращающемуся вокруг своей оси телу известное угловое ускорение, необходимо действие на это тело вращающегося момента, величина которого равна моменту инерции тела, в данном случае ветрового колеса. Относительно оси его вращения, умноженному на угловое ускорение, т. е.
(1.8)
где М – вращающий момент;
I – момент инерции вращающегося тела;
– угловое ускорение.
Таким образом, зная угловое ускорение в каждый данный момент времени и момент инерции модели вращающейся ветротурбины, можно определить крутящий момент М = Маэр модели, вызванный внешними силами, т. е. воздушным потоком в аэродинамической трубе.
Определив для каждого момента времени значение угловой скорости ω, находят число модулей Z, которое соответствует полученному крутящему моменту ветряка Маэр, затем строят характеристики Маэр = f(Z) и ξ = f(Z).
Экспериментальные испытания реальных ветротурбин на башне в естественном ветровом потоке ценны и необходимы, потому что получаемые при этом результаты в наибольшей мере отражают работу ветродвигателей в эксплуатации. Воздушный поток в аэродинамической трубе действует на модель с постоянной по величине и направлению скоростью, в то время как ветровой поток, набегающий на ветротурбину в реальных условиях, изменяется и по скорости и по направлению. Кроме того, ветротурбины имеют различные детали на крыльях, поставленные с целью регулирования числа оборотов, и крепления, которые не всегда можно выполнить на модели.
Получение экспериментальных характеристик ветротурбин могут быть использованы для электромеханических систем имитирующих их поведение. Это позволит проводить испытания электрооборудования ВЭУ в лабораторных условиях в сжатые сроки без выезда на специализированные полигоны. Кроме того, система имитации позволит испытать поведение схем электрооборудования ВЭУ во всех возможных режимах. Адаптация системы имитации (имитатора) под конкретную ветротурбину подразумевает его реализацию на базе автоматизированного электропривода (АЭП) с перепрограммируемой микропроцессорной системой управления (МПСУ).
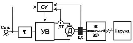
Обобщенная структурная схема ВЭУ приведена на рис. 1.9. АЭП имитатора должен реализовывать механические характеристики различных ветротурбин MД = f(Д, VВ) с учетом мультипликатора (М) при заданных скоростях ветрового потока (ВП). При этом математическое описание параметров ВП может быть получена вероятностными методами.
Рисунок 1.9 – Структурная схема ВЭУ
Одним из возможных направлений разработки АЭП имитатора является его реализация на базе привода постоянного тока (рис. 1.10). Одним из достоинств ДПТ является широкое и плавное регулирование скорости вращения, линейность и однозначность характеристик, отсутствие “самохода” (при снятии сигнала управления), быстродействие.
Рисунок 1.11 – Структурная схема АЭП имитатора ВТ
2 СИЛОВОЙ ПОЛУПРОВОДНИКОВЫЙ ПРЕОБРАЗОВАТЕЛЬ В СИСТЕМЕ ЭЛЕКТРОПРИВОДА ИМИТАТОРА
2.1 Структура электропривода
Электропривод – электромеханическая система, состоящая в общем случае из взаимодействующих электрических преобразователей, управляющих и информационных устройств и устройств сопряжения с внешними сопредельными электрическими, механическими, управляющими и информационными системами, предназначенная для приведения в движение исполнительных органов рабочей машины и управления этим движением в целях осуществления технологического процесса.
Базовым элементом любого электропривода является электрическая машина (электродвигатель), осуществляющая собственно электромеханическое преобразование энергии. Оснащение электропривода силовыми электронными преобразователями электрической энергии и микропроцессорными информационно-управляющими устройствами превращает его в мощный интеллектуальный инструмент автоматизации различных производственных и технологических процессов. Такой привод является регулируемым автоматизированным электроприводом.
Электропривод имеет два канала – силовой и информационный (рис. 2.1). По первому транспортируется преобразуемая энергия (широкие стрелки на рис. 2.1), по второму осуществляется управление потоком энергии, а также сбор и обработка сведений о состоянии и функционировании системы, диагностика ее неисправностей (тонкие стрелки на рис. 2.1).
Рисунок 2.1 – Общая структура электропривода
Силовой канал в свою очередь состоит из двух частей – электрической и механической и обязательно содержит связующее звено – электромеханический преобразователь.
В электрическую часть силового канала входят устройства электрический преобразователь ЭП, передающие электрическую энергию от источника питания (шин промышленной электрической сети, автономного электрического генератора, аккумуляторной батареи и т. п.) к электромеханическому преобразователю ЭМП и обратно и осуществляющие, если это нужно, преобразование электрической энергии.
Механическая часть состоит из подвижного органа электромеханического преобразователя, механических передач и исполнительного органа установки, в котором полезно реализуется механическая энергия. Электромеханический преобразователь ЭМП (электродвигатель), всегда присутствующий в электроприводе, преобразует электрическую энергию (U, I) в механическую (М, ω) и обратно.
Электродвигатели различают:
- по роду тока (постоянного, переменного);
- по количеству и схеме соединения обмоток;
- по конструктивному исполнению.
Наиболее распространенные электродвигатели:
- коллекторные двигатели постоянного тока (ДПТ) с независимым (параллельным), последовательным, смешанным возбуждением;
- двигатели переменного тока асинхронные с короткозамкнутым ротором АД КЗ, асинхронные с фазным ротором АД ФР, синхронные СД.
Электрическая машина работает в результате взаимодействия изменяющихся во времени магнитного поля (потока) и тока в контуре. Что изменяется, не важно:
- в ДПТ – неподвижный магнитный поток полюсов статора и движущаяся обмотка якоря с переменным током;
- в АД – вращающееся магнитное поле статора и вращающаяся, но с другой скоростью, обмотка ротора с током.
В ДПТ обмотки размещены на статоре и на роторе.
Статор ДПТ – индуктор с главными полюсами, на которых размещены обмотки возбуждения, создающие магнитный поток Ф. Здесь же могут быть размещены добавочные полюса и компенсационная обмотка, которые не участвуют в процессе электромеханического преобразования.
Ротор ДПТ – якорь с обмоткой якоря и коллектором. Токоподвод к обмотке якоря обеспечивает щеточный механизм. Коллектор является механическим преобразователем подводимого постоянного тока в переменный ток обмотки якоря.
Механический преобразователь (передача) – редуктор, пара винт-гайка, система блоков, кривошипно-шатунный механизм и т. п. осуществляет согласование момента М и скорости ω двигателя с моментом Мм (усилием Fм) и скоростью ωм рабочего органа технологической машины.
Величины, характеризующие преобразуемую энергию, – напряжения, токи, моменты (силы), скорости называют координатами электропривода.
Основная функция электропривода состоит в управлении координатами, т. е. в их принудительном направленном изменении в соответствии с требованиями обслуживаемого технологического процесса.
Управление координатами должно осуществляться в пределах, разрешенных конструкцией элементов электропривода, чем обеспечивается надежность работы системы. Эти допустимые пределы обычно связаны с номинальными значениями координат, назначенными производителями оборудования и обеспечивающими его оптимальное использование.
Электропривод взаимодействует с системой электроснабжения или источником электрической энергии, с одной стороны, с технологической установкой или машиной, с другой стороны, и наконец, через информационный преобразователь ИП с информационной системой более высокого уровня, часто с человеком – оператором, с третьей стороны (рис. 2.1).
Можно считать, что электропривод как подсистема входит в указанные системы, являясь их частью. Действительно, специалиста по электроснабжению электропривод обычно интересует как потребитель электроэнергии, технолога или конструктора машин – как источник механической энергии, инженера, разрабатывающего или эксплуатирующего АСУ, – как развитый интерфейс, связывающий его систему с технологическим процессом или системой электроснабжения.
Практически все процессы, связанные с механической энергией, движением, осуществляются электроприводом. Исключение составляют лишь автономные транспортные средства (автомобили, самолеты, некоторые виды подвижного состава, судов), использующие неэлектрические двигатели. В относительно небольшом числе промышленных установок используется гидропривод, еще реже – пневмопривод.
Столь широкое, практически повсеместное распространение электропривода обусловлено особенностями электрической энергии – возможностью передвигать ее на любые расстояния, постоянной готовностью к использованию, легкостью превращения в любые другие виды энергии.
Сегодня в приборных системах используются электроприводы, мощность которых составляет единицы микроватт; мощность электропривода компрессора на перекачивающей газ станции – десятки мегаватт, т. е. диапазон современных электроприводов по мощности превышает 1012. Такого же порядка и диапазон по частоте вращения: в установке, где вытягиваются кристаллы полупроводников, вал двигателя должен делать 1 оборот в несколько десятков часов при очень жестких требованиях к равномерности движения; частота вращения шлифовального круга в современном хорошем станке может достигать 150000 об/мин.
Но особенно широк диапазон применений современного электропривода: от искусственного сердца до шагающего экскаватора, от вентилятора до антенны радиотелескопа, от стиральной машины до гибкой производственной системы. Именно эта особенность – теснейшее взаимодействие с технологической сферой – оказывала и оказывает на электропривод мощное стимулирующее влияние. Непрерывно растущие требования со стороны технологических установок определяют развитие электропривода, совершенствование его элементарной базы, его методологии. В свою очередь, развивающийся электропривод положительно влияет на технологическую сферу, обеспечивает новые, недоступные ранее возможности.















