151326 (594680)
Текст из файла
МОиН Украины
Национальный технический университет
“Харьковский политехнический институт”
Кафедра электрических станций
Расчётное задание
по курсу: “Математическое моделирование”
на тему: “Модель синхронного генератора в фазных координатах”
Выполнил: ст. гр. Э-51а
Абашкина О.С.
Сербиненко М.С.
Бабенков А.А.
Шаповал О.
Проверил: доц. Пискурёв М.Ф.
Харьков 2005
Общие понятия и определения в математическом моделировании
Модель – некоторый объект, с помощью которого исследуются свойства оригинала и находящегося во взаимозначном соответствии с ним и более доступном для изучения.
Моделирование – исследование свойств объекта методом изучения свойств другого объекта находящегося в определённом соответствии с первым объектом и более удобным для исследования.
Под “моделью” понимают некоторые технические устройства, процесс, схемы замещения, мысленные образы, математические формулы.
Модель должна удовлетворять 3 условиям:
-
достоверно отображать некоторые свойства оригинала подлежащие изучению;
-
должно быть определённое соответствие, т.е. правила позволяющие осуществить переход от свойств модели к оригиналу и наоборот;
-
должна быть наглядной, простой и доступной для изучения.
Виды моделей:
1) Структурная. Показывает структуру объекта и взаимную связь между элементами этого объекта;
2) Модели прямой аналогии. В них процессы совпадают с процессами оригинала.
3) Физические модели. Они имеют одну и ту же физическую природу с оригиналом.
4) Математические модели, которые имеют одинаковое математическое описание с оригиналом. Эти модели бывают аналоговые и цифровые.
Основные допущения при составлении математической модели синхронного генератора
-
Не учитывается магнитное насыщение генератора.
-
В воздушном зазоре машины действуют намагничивающие силы только первой гармоники. Следовательно, ЭДС синхронного генератора – синусоидальный.
-
Не учитываются потери на перемагничивание.
-
Считают, что обмотки статора выполнены симметрично, а ротор генератора симметричен относительно осей d и q.
-
Все демпферные обмотки по оси d заменены одной демпферной обмоткой аналогичной по оси q.
-
При исследовании электромагнитных переходных процессов не учитывают изменение вращения скорости генератора.
Математическая модель синхронного генератора в фазных координатах
При составлении этой модели, в целях упрощения, не будем учитывать демпферные обмотки. Следовательно, уравнение баланса напряжений имеет вид:
Уравнение статора: Уравнение ротора:
( 1 )
где
,
,
,
- мгновенные значения напряжений обмоток статора и ротора;
,
,
,
- потокосцепления, связанные с соответствующими обмотками;
,
,
,
- мгновенные токи, протекающие в свободных обмотках.
( 2 )
где
и
- индуктивности и взаимоиндуктивности соответствующих обмоток.
Система уравнений 1 после подставления в неё значений из уравнений 2 превращается в систему из 4 дифференциальных уравнений с переменными коэффициентами, т.к. практически все индуктивности и взаимоиндуктивности – переменные величины, т.е. являются функцией времени (вращение ротора генератора) за исключением индуктивной обмотки возбуждения.
const
Эти коэффициенты оказываются непостоянными из-за электрической и магнитной несимметрии ротора генератора. Т. о. система уравнений 1 и 2 позволяет смоделировать процессы в СГ в фазных координатах в режиме ХХ.
Чтобы смоделировать СГ в нагруженном режиме или в режиме КЗ необходимо добавить систему уравнений, позволяющую найти токи в обмотках статора и ротора.
Т. о. систему уравнений 1 дополненную системой уравнений 2 и уравнениями внешней цепи генератора будут представлять собой математическую модель СГ в фазных координатах.
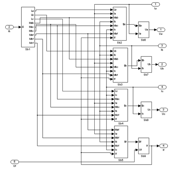
Реализация модели синхронного генератора в фазных координатах
С целью упрощения модели представим её в виде 9 суперблоков. Первый суперблок моделирует переменные коэффициенты в уравнения для определения потокосцепления. Суперблоки 2,3,4,5 моделируют потокосцепление, 6,7,8 - фазное напряжение, 9-й – ток в обмотках возбуждения.
Первый суперблок в свою очередь состоит из подблоков. Первые три моделируют постоянные коэффициенты
,
,
,
; подблоки 4 – 6 моделируют индуктивности
,
,
; подблоки 7 – 9 моделируют взаимоиндукцию между фазами
,
,
; подблоки 10 – 12 моделируют взаимоиндукцию между обмотками возбуждения и фазными обмотками статора.
Порядок выполнения работы
I. Реализация первого суперблока
1. При реализации модели СГ в первую очередь необходимо смоделировать постоянные коэффициенты
,
,
,
.
Первый подблок имеет следующую реализацию:
Рис.1 – Первый подблок первого суперблока, моделирующий
Реализация второго подблока:
Рис.2 – Второй подблок первого суперблока, моделирующий
,
Реализация третьего подблока:
Рис.3 – Третий подблок первого суперблока, моделирующий
Каждый из трёх подблоков представляем в виде субблоков. Для этого:
а) выделяем подблок;
б) с помощью правой кнопки мыши находим операцию “Create subsystem”;
в) образуем субблок;
г) обозначаем входящие и выходящие параметры.
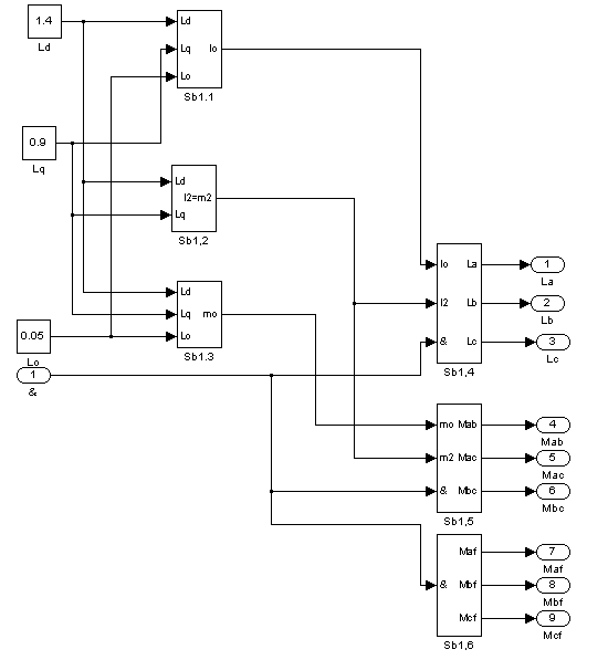
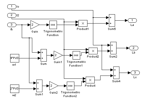
2. Моделирование индуктивностей
,
,
:
cos
cos
cos
,
где
=
;
- переход времени от секунд к о.е.
Рис. 4 – Модель
Рис. 5 – Четвертый подблок первого суперблока, моделирующий
,
,
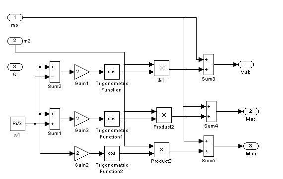
3. Моделирование взаимоиндуктивностей между фазами
,
cos
cos
cos
Рис. 6 – Пятый подблок первого суперблока, моделирующий
,
4. Моделирование взаимоиндуктивностей между обмоткой возбуждения и фазными обмотками
,
.
cos
cos
cos
Рис. 7 – Шестой подблок первого суперблока, моделирующий
,
-
Каждый из подблоков преобразуем в субблок аналогично первым трём подблокам, при этом соединяя одноимённые входы и выходы подблоков.
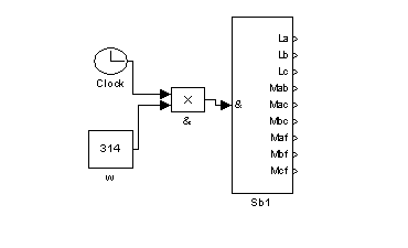
Рис. 8 – Содержимое первого суперблока
6. Образуем первый суперблок (Sb1).
Рис. 9 – Первый суперблок (Sb1)
II. Реализация 2 - 5 суперблоков
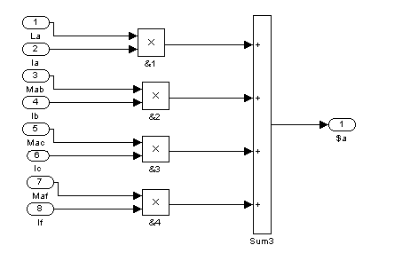
Согласно системе уравнений (2) моделируем потокосцепления, связанные с соответствующими обмотками.
Рис. 10 – Второй суперблок (Sb2)
Рис. 11 – Третий суперблок (Sb3)
Рис. 12 – Четвертый суперблок (Sb4)
Рис. 13 – Пятый суперблок (Sb5)
Преобразуем суперблоки Sb2 - Sb5 в субблоки.
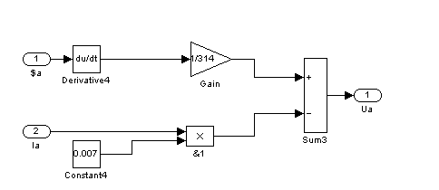
III. Реализация 6 – 8 суперблоков
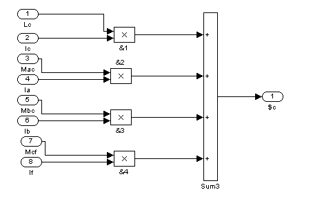
Согласно системе уравнений (1) моделируем фазные напряжения в обмотках статора.
Рис. 14 – Шестой суперблок, моделирующий напряжение фазы А (Sb6)
Рис. 15 – Седьмой суперблок, моделирующий напряжение фазы В (Sb7)
Рис. 16 – Восьмой суперблок, моделирующий напряжение фазы С (Sb8)
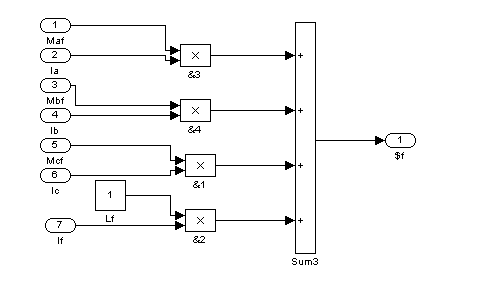
IV. Реализация девятого суперблока
Согласно той же системе уравнений (1) моделируем ток в обмотке возбуждения.
Рис. 17 – Девятый суперблок, моделирующий ток в обмотке возбуждения (Sb9)
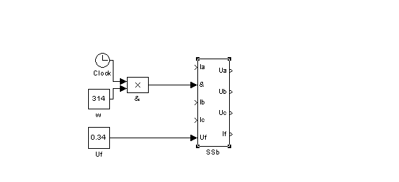
Преобразуем каждый из суперблоков в субблоки и соединяем их одноимённые входы и выходы с предыдущими блоками. Затем аналогичным образом получим суперсуперблок (SSb), на вход которого подаём
и Uf.
Рис. 18 – Содержимое SSb
Рис. 19 – Суперсуперблок SSb
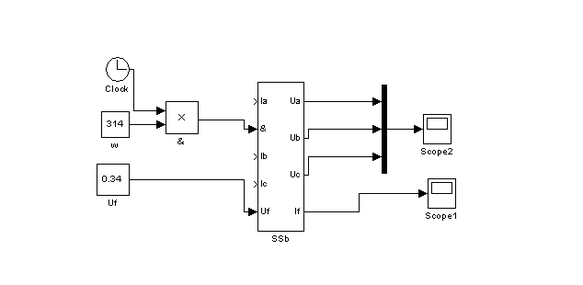
V. Модель СГ в режиме ХХ
Подключив осциллографы к соответствующим выходам SSb, будем наблюдать изменение фазных напряжений и тока в обмотке возбуждения СГ в режиме ХХ. С помощью
объединяем фазные напряжения для просмотра в одной системе координат. Т.к. в данной модели фазные токи равны 0, то это модель СГ в режиме ХХ.
Рис. 20 – Модель СГ в режиме ХХ
Характеристики
Тип файла документ
Документы такого типа открываются такими программами, как Microsoft Office Word на компьютерах Windows, Apple Pages на компьютерах Mac, Open Office - бесплатная альтернатива на различных платформах, в том числе Linux. Наиболее простым и современным решением будут Google документы, так как открываются онлайн без скачивания прямо в браузере на любой платформе. Существуют российские качественные аналоги, например от Яндекса.
Будьте внимательны на мобильных устройствах, так как там используются упрощённый функционал даже в официальном приложении от Microsoft, поэтому для просмотра скачивайте PDF-версию. А если нужно редактировать файл, то используйте оригинальный файл.
Файлы такого типа обычно разбиты на страницы, а текст может быть форматированным (жирный, курсив, выбор шрифта, таблицы и т.п.), а также в него можно добавлять изображения. Формат идеально подходит для рефератов, докладов и РПЗ курсовых проектов, которые необходимо распечатать. Кстати перед печатью также сохраняйте файл в PDF, так как принтер может начудить со шрифтами.
















