151174 (594633), страница 3
Текст из файла (страница 3)
Рисунок 1.1 - Нагрузочная диаграмма
Из графика электрических нагрузок видно, что максимальная мощность равна Рмакс=36,48 кВт. Длится максимум нагрузки tм=60 мин. Поскольку время действия максимума больше 0,5 часа, то за расчетную принимаем нагрузку равную максимальной, кВт:
.
Определяем расход электроэнергии за сутки, кВтч:
(1.7)
где Pi - мощность i-го электроприемника, кВт;
ti - длительность работы i-го электроприемника, ч.
Установленная мощность, кВт:
(1.8)
Определяем величину установленной мощности с учетом электроприемников, участвующих в формировании максимума нагрузок.
Рассчитываем средневзвешенное значение коэффициента мощности нагрузок:
(1.9)
где tgφ - определяем через каталожные данные cosφ конкретных электроприемников, участвующих в формировании максимума нагрузок [8].
Расчетный ток, А:
(1.10)
где U - линейное напряжение сети, В.
1.6 Проектирование силовых внутренних электропроводок
1.6.1 Система токоведущих проводников. Система заземления
Питание электроустановок здания предусматривается напряжением 380/220 В переменного тока от отдельно стоящей двухтрансформаторной подстанции закрытого типа. Система токоведущих проводников для питания электроприемников, относящихся к силовому электрооборудованию - трехфазная четырехпроводная - от ТП до ВРУ-1. Питающие линии от подстанции выполнены кабелем, проложенным в земле. На вводе в здание предусматривается повторное заземление кабеля ("брони").
Для проектируемого объекта принимаем систему заземления типа TN-С-S, которая характеризует тем, что от трансформаторной подстанции до ввода в здание предусматривается трехфазная четырехпроводная система проводников, а от вводного устройства до распределительных пунктов применяется - пятипроводная, а от распределительного пункта к электродвигателю - четырехпроводная (три фазы и РЕ-проводник).
1.6.2 Определение месторасположения электрического ввода в здание. Предварительный выбор ВРУ и РП
Анализ установленных электроприемников показывает, что в основном они расположены в здании симметрично относительно оси 9. Исходя из этого, ориентировочно центр электрических нагрузок расположен в осях 9-10. Из условий месторасположения центра электрических нагрузок, для размещения электрических щитов, принимаем помещение №2 (электрощитовая). На вводе производим установку вводного устройства серии ВРУ-1. Способ установки устройства - напольный. Климатическое исполнение - У3, степень защиты - IP54. В качестве аппаратов защиты принимаем предохранители ПН-2.
Для питания отдельных групп электроприемников принимаем шкаф распределительный типа ШР-11 с восемью отходящими линиями. В качестве аппаратов защиты принимаем предохранители типа НПН-2.
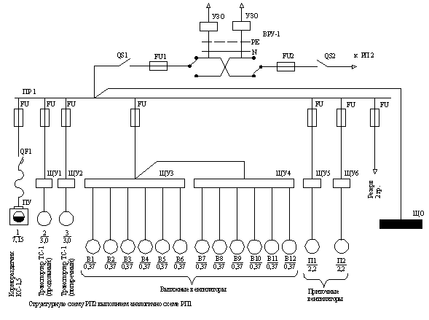
1.6.3 Составление структурной схемы электрической сети здания
Для приема и распределения электроэнергии в свинарнике-откормочнике предусматриваем радиально-магистральную схему электрической сети. После анализа все электроприемники с учетом их расположения и принадлежности к технологическим линиям разбиваем на группы. Принимаем что электроприемники №1, №2, №3, В1. В12, П1 и П2 запитываются от узла питания РП1, установленного в электрощитовой. Остальные электроприемники - от РП2, установленного также в электрощитовой. Щиток освещения запитывается непосредственно от вводного устройства.
Управление электроприемниками кормораздатчиков производится с пультов управления, которые поставляются в комплекте с технологическим оборудованием.
Ввод в здание осуществляется двумя питающими линиями, с возможностью перевода питания с одной линии на другую, при выходе из строя первой питающей линии.
Для защиты обслуживающего персонала, а также животных, находящихся в здании, в случае прикосновения к токоведущим частям, на вводе в здание предусматриваем автоматическое отключение питания. Для устанавливаем автоматический выключатель серии ВД1 с УЗО с номинальным отключающим дифференциальным током 100 мA.
Структурную схему электрической сети приведем на рис.1.2
Рисунок 1.2 - Структурная схема электрической сети
1.6.4 Основные решения по выполнению принципиальных схем питающей и распределительной сети
Принципиальная схема питающей сети это графический документ дающий полное представление об электрической сети здания, на которой приведена информация обо всех электрических цепях, всех аппаратах и устройствах, а также изделиях необходимых для исполнения сети.
Принципиальную схему разрабатываем на основании структурной схемы. Сначала выполняем принципиальную схему питающей сети, затем - распределительной. Разработку принципиальной схемы распределительной сети начинаем с вычерчивания линий шин РП, записываем информацию о самом РП, под чертой указываем заводской тип устройства. На принципиальных схемах все аппараты указываем полностью и обозначаем линии. Разработку принципиальной схемы питающей сети начинаем с вычерчивания вводного устройства. Далее ее выполняем в такой же последовательности как схему распределительной сети.
Принципиальные схемы питающей и распределительной сети приведем в графической части (лист 2).
1.6.5 Выбор коммутационных аппаратов
Коммутационный аппарат на вводе в ВРУ поставляется в комплекте с данным устройством. В нашем случае коммутационным аппаратом является переключатель.
Номинальное напряжение переключателя, В:
где
- номинальное напряжение сети, в данном случае расчетное напряжение на вводе в РП, В.
Номинальный ток переключателя, А:
(1.11)
где Iн. уст - номинальный ток уставки, в данном случае расчетный ток на вводе в РП, А.
Принимаем переключатель на 250 А.
Исходя из этого условия, а также выше перечисленных в п.1.6 2 дипломного проекта принимаем вводное устройство ВРУ-1-11-10-М-У3IP54 с номинальным напряжением U=400В и током переключателя Iн=250А, стр.30 [7].
Коммутационный аппарат на вводе в РП также поставляется в комплекте с ШР11. В данном случае коммутационным аппаратом является рубильник ВР32-35В. Принимаем распределительные пункты типа ШР11-73504-54У3 с предохранителями НПН2-60 на отходящих линиях и током шкафа Iн=400А, стр.37 [7]. Шкаф имеет восемь отходящих линий.
16.6 Выбор аппаратов защиты
Выбор предохранителей производим по трем условиям:
(1.12)
(1.13)
(1.14)
где Uн. уст. - номинальное напряжение установки или сети, В;
Iдл - длительно воздействующий ток (рабочий ток двигателя при полной загрузке), А;
Imax - пусковой ток двигателя, А;
α - коэффициент учитывающий условия пуска электродвигателя, стр.27 [1].
Произведем выбор предохранителя для защиты питающей сети кормораздатчика.
Номинальное напряжение сети, В:
Ток плавкой вставки, А:
(1.15)
где kод - коэффициент одновременности;
Ip. max - рабочий ток двигателя при полной загрузке, А.
(1.16)
где Iпуск. н - пусковой ток наибольшего по мощности двигателя, А.
Принимаем предохранитель по табл.2.15 [10] НПН2-60-40 c номинальным током плавкой вставки 40 А.
Произведем выбор предохранителя для защиты электропривода навозоуборочного транспортера. Ток плавкой вставки, А:
Принимаем предохранитель НПН2-60-20.
Произведем выбор предохранителя, обозначенного на структурной схеме электрической сети как FU1. Расчетный ток в этом случае будет равен 34,65 А, то есть половине тока на вводе.
По току плавкой вставки выбираем предохранитель, А:
Принимаем предохранитель ПН2-100-50, с номинальным током плавкой вставки 50 А.
Остальные предохранители выбираем аналогично. Данные предохранителей сносим в табл.1.3
Таблица 1.3 Аппараты защиты
| Обозначение по принц. схеме | Ток, А | Принятая величина α | Расчетная величина Imax/α | Защитный аппарат | ||||
| Ip | Imax | Обозна- чение | Тип | Iн, А | Iвст, А | |||
| 1 | 2 | 3 | 4 | 5 | 6 | 7 | 8 | 9 |
| Н1 | 34,65 | 114,45 | 2,5 | 45,78 | FU1 | ПН2-100 | 100 | 50 |
| 1Н1 | 14,8 | 83,2 | 2,5 | 33,28 | FU | НПН2-60 | 63 | 40 |
| 2Н1 | 6,7 | 46,9 | 2,5 | 18,76 | FU | НПН2-60 | 63 | 20 |
| 3Н1 | 6,7 | 46,9 | 2,5 | 18,76 | FU | НПН2-60 | 63 | 20 |
| 1ВН1 | 15,96 | 20,61 | 2,5 | 8,12 | FU | НПН2-60 | 63 | 16 |
| 1П1 | 4,9 | 31,85 | 2,5 | 12,74 | FU | НПН2-60 | 63 | 16 |
| 1 | 2 | 3 | 4 | 5 | 6 | 7 | 8 | 9 |
| 2П1 | 4,9 | 31,85 | 2,5 | 12,74 | FU | НПН2-60 | 63 | 16 |
| Н2 | 34,65 | 114,45 | 2,5 | 45,78 | FU2 | ПН2-100 | 100 | 50 |
| 4Н1 | 14,8 | 83,2 | 2,5 | 33,28 | FU | НПН2-60 | 63 | 40 |
| 5Н1 | 6,7 | 46,9 | 2,5 | 18,76 | FU | НПН2-60 | 63 | 20 |
| 6Н1 | 6,7 | 46,9 | 2,5 | 18,76 | FU | НПН2-60 | 63 | 20 |
| 3ВН1 | 15,96 | 20,61 | 2,5 | 8,12 | FU | НПН2-60 | 63 | 16 |
| 3П1 | 4,9 | 31,85 | 2,5 | 12,74 | FU | НПН2-60 | 63 | 16 |
| 4П1 | 4,9 | 31,85 | 2,5 | 12,74 | FU | НПН2-60 | 63 | 16 |
Произведем выбор автоматического выключателя QF1 для защиты электроприводов кормораздатчика КС-1,5.















