150945 (594616), страница 6
Текст из файла (страница 6)
где 1=R1C, 2=R2C.
При прямоугольной форме импульсов амплитудой UOC
(2.2)
или
(2.3)
где
(2.4)
Следовательно, уравнение преобразования ИИ с прямоугольной формой импульса обратной связи можно записать в виде
, (2.5)
т.е. параметры преобразователя не зависят от значений емкости С и опорного напряжения U0. Они определяются только отношением суммирующих сопротивлений интегратора и стабильностью площади импульса обратной связи. Форма импульса обратной связи может отличаться от прямоугольной, важно обеспечить лишь стабильность вольт-секундной площади, которая в таком случае будет равна
(2.6)
Подобные схемы ИИ могут обеспечить общую погрешность преобразования не хуже 0,1 % [29].
На значение общей погрешности существенное влияние может оказать дрейф нуля интегратора, поэтому в преобразователях малых напряжений в частоту используют различные способы компенсации дрейфа нуля интегратора, не ухудшающие быстродействия. С этой целью, например, в одном из вариантов в рассмотренную схему добавляется устройство компенсации дрейфа нуля, состоящее из дополнительной интегрирующей цепи и усилителя постоянного тока типа МДМ (с модуляцией и демодуляцией), который обладает очень малым собственным дрейфом нуля [30]. Более высокая точность преобразования может быть получена в ПНЧ с опорной тактовой частотой. Известны схемы ПНЧ с импульсной обратной связью с раздельным формированием амплитуды и длительности импульса обратной связи (рисунок 2.3) [28]. Достоинством таких ПНЧ является то, что они не требуют применения прецизионных конденсаторов, как, например, в схемах ПНЧ, где в качестве звена обратной связи используется RC–цепь.
Рисунок 2.3 – Схема ПНЧ с импульсной обратной связью
Схема работает следующим образом. На тактовый вход С триггера Т подаются импульсы образцовой частоты f0, минимальное значение которой выбирается из условия:
f0min = 2,5fmax, (2.7)
где fmax – максимальная выходная частота ПНЧ.
При срабатывании компаратора ОУ2 на вход D триггера Т подается разрешающий сигнал и при поступлении первого же импульса образцовой частоты f0 на тактовый вход С триггера последний переключается и вырабатывает управляющий сигнал на аналоговый переключатель АП. При этом на вход интегратора через резистор R0 подключается образцовое напряжение U0.
Погрешность преобразования ПНЧ определяется неточностью и нестабильностью отношения R0/R, неточностью выполнения операции интегрирования, нестабильностью порога срабатывания компаратора в течение одного цикла работы, отсутствием синхронизации импульсов с моментами срабатывания компаратора, нестабильностью U0, нестабильностью формирования интервала 0. Нестабильность порога срабатывания компаратора вызывается изменением коэффициента усиления ОУ2, дрейфами напряжения смещения и тока смещения. Нестабильность длительности импульса обратной связи 0 определяется вариацией фронтов срабатывания аналогового переключателя и нестабильностью образцовой частоты f0, которая в случае применения кварцевого генератора может быть достаточно малой.
Рассмотренный в предыдущем примере принцип положен в основу построения ПНЧ типа М0100ПП1, входящего в состав комплекта гибридных микросборок для обработки сигналов мостовых тензорезисторных датчиков [31]. Здесь используется интегратор Миллера, построенный на основе операционного усилителя К551УД1 с параллельным высокочастотным каналом. При тактовой частоте fT = 100 кГц и выходной частоте fвых до 80 кГц погрешность от нелинейности не превышает 0,01%.
Широкое производство подобных устройств в модульном, гибридном и твердотельном исполнении дает возможность применять их в качестве предвключенных измерительных преобразователей [19].
Отечественной промышленностью в модульном исполнении выпускается интегральная микросхема КР1108ПП1 (рисунок 2.4), которая предназначена для преобразования напряжения в частоту следования импульсов, а также для обратного преобразования частоты входного сигнала в напряжение.
Рисунок 2.4 - Интегральная микросхема КР1108ПП1
В состав ИС КР1108ПП1 входит активный интегратор, выполненный на основе ОУ, RS-триггер, работой которого управляют компараторы, а также источники стабильных токов и аналоговые ключи. Работа ПНЧ основана на интегрировании входного напряжения с последующим уравновешиванием накопленного заряда емкости интегратора импульсом стабильной площади по цепи обратной связи. Длительность импульса t0 стабильна и формируется одновибратором t0 = U0C0/I2.
Исходя из принципа работы ПНЧ, можно записать
(Ux/R)T = I1t0, (2.8)
где Ux/R – ток заряда конденсатора; Т – период преобразования.
Частота следования импульсов
f = 1/T = Ux/(R I1t0), тогда
(2.9)
Таким образом, в данном ПНЧ осуществляется линейное преобразование напряжения UX в частоту f. Погрешность линейности характеристики в частотном диапазоне 5 Гц ÷ 10 кГц не превышает 0,01% при изменении напряжения в пределах 0 ÷ 10 В [22].
Модули электронных интегрирующих преобразователей, как правило, выполняются на основе прецизионных операционных усилителей. Точность интегрирования таких преобразователей существенно зависит от динамического диапазона, спектральных характеристик входных сигналов и частотных характеристик самих операционных усилителей. Современные схемы подобных преобразователей на дискретных компонентах обеспечивают линейность интегрирования от 0,1% до 0,001% [22]. Достаточно подробно рассмотрены схемы таких преобразователей в работах [22, 24, 33, 34], где показаны различные варианты их построения, причем некоторые из них могут быть взяты в качестве базовых при проектировании дозирующих устройств.
Поскольку данному типу схем преобразователей, выполненных на основе интегрирующего ПНЧ с импульсной обратной связью, по существу соответствует краткое название «импульсный интегратор», имеет смысл ввести такой термин для дальнейшего применения в настоящей работе.
Во всех, рассмотренных выше, схемах ПНЧ интегрирующий усилитель работает в однотактном и однополярном режиме. Это означает, что входной информативный параметр подвергается интегрированию только в первом такте цикла, в результате чего интегрирующая емкость получает заряд определенного уровня. Во втором такте за счет отрицательного импульса обратной связи, формируемого, как правило, посредством кратковременного подключения на вход интегратора источника опорного сигнала, имеющего полярность, противоположную входному сигналу, происходит разряд емкости. В результате такой работы в процессе интегрирования неизбежны пропуски информации о входной величине на интервале второго такта преобразования. Несмотря на то, что длительность времени разряда при этом невелика и для большинства схем составляет величину, равную примерно 1/100 времени заряда, подобные прерывания измерительного процесса в некоторых случаях недопустимы, поскольку могут заметно повлиять на точность измерений.
Существование такого недостатка приводит к выводу о необходимости использования при проектировании двухполярной схемы импульсного интегратора (ИИ), которая, в отличие от однополярной, сможет обеспечить непрерывность преобразования информации и вполне достаточную точность при проведении измерений.
Наиболее приемлемая структура построения ИИ, удовлетворяющая требованиям разработки, рассмотрена в [35] и представлена на рисунке 2.5.
Рисунок 2.5 - Структура построения ИИ
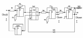
Предлагаемая в настоящей работе для применения в дозирующих устройствах схема квантователя (рисунок 2.6), в отличие от схемы (рисунок 2.5) имеет одну существенную особенность. На входе интегрирующего усилителя вместо двух биполярных транзисторов установлены два аналоговых ключа на КМОП-транзисторах, обладающих двусторонней проводимостью [13].
Рисунок 2.6 – Схема квантователя
В последнее время, в качестве аналоговых ключей чаще используют полевые транзисторы, которые обладают значительными преимуществами перед биполярными, за счет того, что проводящий канал пропускает аналоговый сигнал любой полярности. При этом гораздо легче создается гальваническая развязка канала аналогового сигнала с цепью управления и сопротивление при закрытом состоянии достаточно велико – примерно на шесть порядков выше открытого состояния [36].
В дополнение к сказанному, применение аналоговых КМОП-ключей, устанавливаемых во входной цепи интегрирующих усилителей, позволяет уменьшить суммарный ток утечки по входу и выходу ключей, определяемый, в основном, обратными токами p-n–переходов, а противофазное управление ключами уменьшает уровень динамической помехи, возникающей вследствие перезаряда емкостей затвор-сток [37].
Поэтому введение таких ключей в схему позволяет учитывать в процессе интегрирования кратковременные броски обратной полярности измеряемых величин, не превышающих по временным параметрам длительность одного такта. Подобные режимы неизбежно возникают, например, во время работы полупроводниковых вентилей выпрямительных агрегатов, питающих установки для электролиза.
Предлагаемый для использования в дозирующих устройствах ИИ содержит в своем составе инвертор, повторитель напряжения, аналоговые электронные ключи, интегрирующий усилитель и компаратор. Данный преобразователь является двухполярным, т.е. напряжение на выходе интегрирующего усилителя в процессе работы периодически меняет полярность на противоположную.
Временная диаграмма работы ИИ представлена на рисунок 2.7. Входящий в состав преобразователя компаратор, собран на основе операционного усилителя по схеме триггера Шмитта и имеет два устойчивых состояния. Компаратор напряжения срабатывает в тот момент времени, когда напряжение на его неинвертирующем входе переходит через нулевой уровень. Рассмотрение принципа действия импульсного интегратора следует начать с момента нахождения компаратора в одном из устойчивых состояний.
Предположим, что в момент времени t = t0 = 0 (рисунок 2.7) на вход интегрирующего усилителя через замкнутый электронный ключ SW1 подается входное напряжение положительной полярности UВХ1(t). При этом, пропорционально изменению заряда конденсатора С, начинает изменяться выходное напряжение интегрирующего усилителя от некоторого начального значения UИ (t) =UНАЧ =+UП в направлении смены полярности напряжения на выходе интегратора до величины, когда этот уровень станет равным пороговому значению -UП напряжения срабатывания компаратора.
На рисунок 2.7 представлены временные диаграммы, отражающие процесс заряда-разряда интегрирующей емкости преобразователя в зависимости от изменения текущих значений уровня входного сигнала. Величина заряда конденсатора С за время t1 = t1 - t0 составит
















