150783 (594587)
Текст из файла
Задание
Рассчитать уставки устройств релейной защиты и автоматики (РЗ и А) системы электроснабжения принципиальная схема, которой представлена на рис. 1.
Рис. 1. Принципиальная схема системы электроснабжения
Разработать защиту от всех видов повреждения для трансформаторов Т1 и Т2 и защиту линий W1 и W2. Работу выполнить в следующем объеме:
1. Рассчитать токи короткого замыкания (ТКЗ) в объеме, необходимом для выбора установок и проверки чувствительности.
2. Выбрать места установки и типы релейной зашиты (РЗ).
3. Выбрать трансформаторы тока и трансформаторы напряжения.
4. Рассчитать уставки защит, выбрать типы реле, проверить чувствительность защит.
5. Выбрать плавкие вставки для предохранителей и уставки автоматов.
6. Определить выдержки времени защит от двигателя до шин главной
понизительной подстанции (ГПП).
7. Составить принципиальные схемы выбранных защит.
8. Определить селективность действия защит.
9. Защиту линии и трансформаторов выполнить на переменном оперативном токе.
Разработать РЗ двигателей, данные которых приведены в табл. 1.
1. Рассчитать токи КЗ.
2. Выбрать трансформаторы тока.
3. Выбрать тип защиты и тип реле, определить уставки и чувствительность защиты.
4. Составить и вычертить принципиальную схему РЗ.
Разработать схему автоматического включения резерва (АВР) секционных выключателей.
Таблица 1. Параметры двигателей
| Параметр | Двигатель | ||||||||
| асинхронный | синхронный | ||||||||
| М1 | М2 | М3 | М4 | М5 | М6 | М7 | М8 | ||
| Номинальное напряжение, кВ | 0,38 | 6 | |||||||
| Номинальная мощность, кВт | 5 | 60 | 7,5 | 5,5 | 4 | 15 | 1000 | ||
| Условия пуска | легкий | 6 | |||||||
| Коэффициент мощности cos | 0,87 | 0,9 | |||||||
| Коэффициент полезного действия, % | 85 | 93 | |||||||
| Мощность КЗ, МВА | - | 70 | |||||||
| Обороты, об/мин | 1000 | ||||||||
Таблица 2. Параметры синхронных генераторов
| Номинальное напряжение, кВ | 6,3 |
| Номинальная мощность, кВт | 2000 |
| Емкость обмотки статора для трех фаз, мкФ | 0,077 |
| Коэффициент мощности, cos | 0,8 |
| Сверхпереходное сопротивление, | 0,1 |
Таблица 3. Параметры трансформаторов
| Трансформатор | Номинальное напряжение, кВ | Номинальная мощность, МВА | Напряжение КЗ, % | |||
| ВН | НН | |||||
| Т1, Т2 | 110 | 35 | 10 | 10,5 | ||
| Т9, Т10 | 35 | 0,4 | 2,5 | 6,5 | ||
Таблица 4. Параметры системы и линий
| Элемент | Номинальное напряжение, кВ | Мощность КЗ, МВА | Длина линий, км |
| Система | 110 | 2000 | |
| W1, W2 | 110 | 30 | |
| W3, W4 | 35 | 3 |
Таблица 5. Параметры дуговых сталеплавильных печей и конденсаторных установок
| Элемент | Номинальное напряжение, кВ | Мощность | Вид регулирования |
| СА1, СА2 | 10 | 1480 кВт | по току и напряжению |
| ВС1, ВС2 | 6 | 400 квар | В функции cos |
Введение
Целью данного курсового проекта является расчет устройств РЗ и А системы электроснабжения. При работе элементов систем электроснабжения возможно возникновение ненормальных и аварийных режимов. К ним относятся короткие замыкания, перегрузки, понижение уровня напряжения, частоты и другие.
Повреждения и ненормальные режимы должны быть устранены, и это является основным назначением устройств релейной защиты и системной автоматики.
К устройствам релейной защиты предъявляются следующие требования: селективность, необходимое быстродействие, чувствительность и надежность. Перечисленные требования удовлетворяются правильным выбором устройств релейной защиты, схем соединения устройств РЗ, расчётом установок срабатывания.
1. Расчет токов короткого замыкания
Расчет токов короткого замыкания проводим в относительных единицах. Все полученные величины приведены к базовым условиям. Базовую мощность принимаем равной:
= 1000 МВА.
Схема замещения приведена на рисунке 1.1:
Рис. 1.1. Схема замещения
Определим сопротивления схемы замещения:
Сопротивление системы согласно [l.стр. 131]:
, (1.1)
где SK3 - мощность короткого замыкания системы.
.
Определим параметры линий 110 кВ (нагрузкой являются трансформаторы Т1 и Т2) с учетом допустимой перегрузки трансформатора согласно [1,стр.213):
, (1.2)
где
- номинальная мощность трансформатора, кВА,
- номинальное напряжение трансформатора кВ.
А
Выбор сечения проводов проводим по экономической плотности тока [1, стр.232].
(1.3)
где
- экономическая плотность тока, при
ч для сталеалюминиевых проводов,
= 1
[3, стр.266]; I, A –ток на участке сети.
Принимаем провод АС-70/11 сечением 70
; с удельными сопротивлениями:
Ом/км и реактивным сопротивлением
Ом/км. [3, стр.577].
Сопротивление ЛЭП согласно [1, стр.131]:
(1.4)
где
- среднее значение напряжения на шинах в месте короткого замыкания,
l – длина ЛЭП.
Определяем параметры линий 35 кВ. Нагрузкой линии 35 кВ, при простое второй будут трансформаторы Т7, Т8, Т9 и Т10. Так как параметры трансформаторов Т7 и Т8 не даны, принимаем для расчета нагрузку этих трансформаторов – четыре синхронных двигателя:
(1.5)
где
,
,
- параметры синхронного двигателя ( табл. 1 )
А
Выбор сечения питающего кабеля проводим по экономической плотности тока.
При
ч для кабелей с бумажной пропитанной изоляцией с алюминиевыми жилами
= 1,4
[3, стр.266].
Принимаем 2 кабеля ААБ-35-(3×185) общим сечением 370
; с удельными сопротивлениями
Ом/км и
Ом/км. [2, стр.421].
Сопротивление трансформаторов согласно [1, стр.131]:
(1.6)
где
- номинальная мощность трансформатора;
- напряжение короткого замыкания;
Для трансформатора мощностью 10МВА соотношение x/r составляет порядка 10.
Исходя из этого, принимаем:
для трансформатора блока 2 МВт принимаем [1, стр.613]
Для трансформатора мощностью 2,5 МВА соотношение x/r составляет порядка 6.
Исходя из этого, принимаем:
Для трансформатора мощностью 2,5 МВА соотношение x/r составляет порядка 6.
Исходя из этого, принимаем:
Сопротивление генераторов согласно [1, стр.131]:
(1.7)
для генератора мощностью 2 МВА соотношение x/r составляет порядка 15. Исходя из этого, принимаем:
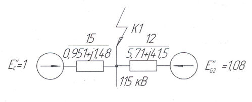
Расчет токов КЗ для точки К1
Упростив схему замещения относительно точки К1 получаем схему, представленную на рис 1.2.
Рис. 1.2. Упрощенная схема замещения
Базовый ток согласно [1, стр.142]:
(1.8)
где
- среднее значение напряжения в месте короткого замыкания (115 кВ).
кА .
Начальное значение периодической составляющей тока короткого замыкания согласно [1, стр.137]:
(1.9)
где
- ЭДС источника в относительных единицах [1, стр.130].
Значение периодической составляющей тока короткого замыкания по ветвям:
Ветвь энергосистемы ( сопротивление ветви составляет 1,76 отн. ед.):
кА
Ветвь генератора G2 ( сопротивление ветви составляет 41,89 отн. ед.):
кА
Характеристики
Тип файла документ
Документы такого типа открываются такими программами, как Microsoft Office Word на компьютерах Windows, Apple Pages на компьютерах Mac, Open Office - бесплатная альтернатива на различных платформах, в том числе Linux. Наиболее простым и современным решением будут Google документы, так как открываются онлайн без скачивания прямо в браузере на любой платформе. Существуют российские качественные аналоги, например от Яндекса.
Будьте внимательны на мобильных устройствах, так как там используются упрощённый функционал даже в официальном приложении от Microsoft, поэтому для просмотра скачивайте PDF-версию. А если нужно редактировать файл, то используйте оригинальный файл.
Файлы такого типа обычно разбиты на страницы, а текст может быть форматированным (жирный, курсив, выбор шрифта, таблицы и т.п.), а также в него можно добавлять изображения. Формат идеально подходит для рефератов, докладов и РПЗ курсовых проектов, которые необходимо распечатать. Кстати перед печатью также сохраняйте файл в PDF, так как принтер может начудить со шрифтами.















