150644 (594566), страница 10
Текст из файла (страница 10)
- оперативно-ремонтный: ремонтный персонал, специально обученный и подготовленный для оперативного обслуживания в утвержденном объеме закрепленных за ним электроустановок;
- ремонтный: обеспечивающий техническое обслуживание и ремонт, монтаж наладку и испытание электрооборудования;
К работам в электроустановках допускаются лица, достигшие 18-летнего возраста, имеющие профессиональную подготовку, соответствующую характеру работы и прошедшие медицинское освидетельствование до приема на работу, а также периодически, в порядке, предусмотренном Минздравом России. При этом:
- электротехнический персонал до допуска к самостоятельной работе должен быть обучен приемам освобождения пострадавшего от действия электрического тока, оказания первой помощи при несчастных случаях;
- персонал, обслуживающий электроустановки, должен пройти проверку знаний ПОТР М и другие НТД (правила и инструкции по технической эксплуатации, пожарной безопасности, пользованию защитными средствами, устройства электроустановок) в пределах требований, предъявляемых к соответствующей должности или профессии, и иметь соответствующую группу по электробезопасности в соответствии с приложением №1 ПОТР М. Работнику прошедшему проверку знаний по охране труда при эксплуатации электроустановок, выдается удостоверение установленной формы, в которое вносятся результаты проверки знаний и запись о праве проведения специальных работ;
- работник, проходящий стажировку, дублирование, должен быть закреплен за опытным работником (из оперативного персонала). Допуск к самостоятельной работе должен быть оформлен соответствующим распоряжением руководителя организации.
Проверка знаний правил, должностных и производственных инструкций должна проводится:
- первичная - перед допуском на самостоятельную работу;
- очередная - в установленном порядке (ПЭЭП);
- внеочередная - при нарушении правил и инструкций по требованию ответственного за электрохозяйство или органов государственного энергетического контроля.
Ответственными за безопасное ведение работ являются:
- выдающий наряд, отдающий распоряжение: определяет необходимость и возможность безопасного выполнения работы. Он отвечает за достаточность и правильность указанных в наряде (распоряжении) мер безопасности, за качественный и количественный состав бригады и назначение ответственного за безопасность, а также за соответствие выполняемой работе групп, перечисленных в наряде работников. Право предоставляется из числа работников ИТП, имеющим группу 5 - в электроустановках U > 1000B и группу 4 - в электроустановках до 1000В;
- ответственный руководитель работ: работник из числа ИТП, имеющий группу 5. Отвечает за выполнение всех, указанных в наряде, мер безопасности и их достаточность, за принимаемые или дополнительные меры безопасности, за полноту и качество целевого инструктажа бригады, в т.ч. проводимого допускающим и производителем работ, а также за организацию безопасного ведения работ;
- допускающий: из числа оперативного персонала, за исключением допуска на ВЛ, имеющего 5 группу - в электроустановках выше 1000В, группу III - в установках до 1000B. Отвечает за правильность и достаточность принятых мер безопасности и соответствия их мерам, указанным в наряде, характеру и месту работы, за правильный допуск к работе, а также за полноту и качество проводимого им инструктажа членов бригады;
- производитель работ: отвечает за соответствие подготовленного рабочего места указаниям наряда, дополнительные меры безопасности, необходимые по условиям выполнения работ; за четкость и полноту инструктажа членов бригады; за наличие, исправность и правильность применения необходимых средств защиты, инструмента, инвентаря и приспособлений; за сохранность на рабочем месте ограждений, плакатов, за осуществление постоянного контроля за членами бригады. Имеет группу 5 в электроустановках до 1000В (за некоторыми исключениями).
- наблюдающий: должен назначаться для надзора за бригадами, не имеющими права самостоятельно работать в электроустановках и имеющий группу III. Отвечает: за соответствие подготовленного места указаниям, предусмотренным в порядке; за наличие и сохранность установленных на рабочем месте заземления, ограждений, плакатов и знаков безопасности, запирающих устройств приводов; за безопасность членов бригады в отношении поражения электрическим током электроустановки.
- член бригады: должен выполнять ПОТР М-016 и инструктивные указания, полученные при допуске к работе и во время работы, а также требования инструкций по охране труда соответствующих организаций.
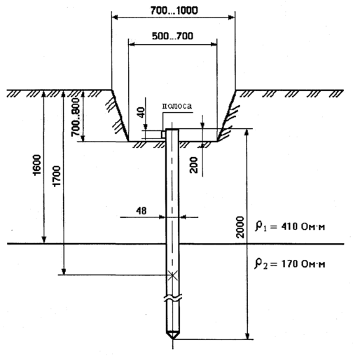
4.4 Расчет заземляющего устройства
4.4.1 Исходные данные
1.1. Удельное сопротивление верхнего слоя грунта, ρ1 = 410,00 Ом*м;
1.2. Удельное сопротивление нижнего слоя грунта, ρ2 = 170,00 Ом*м;
1.3. Толщина верхнего слоя грунта, Н = 1,60 м;
1.4. Длина вертикального заземлителя, L = 2,00 м;
1.5. Заглубление вертикального заземлителя, t = 1,70 м;
1.б. Сезонный климатический коэффициент, ψ = 1,64;
1.7. Наружный диаметр вертикального заземлителя, d = 48,00 мм;
1.8. Нормируемое ПУЭ сопротивление заземляющего устройства
растеканию тока при базовом удельном сопротивлении земли, Rнopм = 10,00 Ом;
1.9. Заглубление соединительной полосы, t полосы = 0,70 м;
1.10. Ширина соединительной полосы, b =40,00 мм;
1.11. Расстояние между электродами, Р = 1,00 м;
1.12. Коэффициент использования электрода, ηс = 0,83.
4.4.2 Вычисление удельного расчетного сопротивления грунта с учетом коэффициента сезонности
Эквивалентное удельное сопротивление грунта с учетом коэффициента сезонности определяется по алгоритму:
ρ экв= (ρ1*ψ*ρ2*L) / (ρ1*ψ*(L-H+t полосы) + ρ2* (H-t полосы))
где ρ1 - удельное сопротивление верхнего слоя грунта, Ом*м;
ρ2 - удельное сопротивление нижнего слоя грунта, Ом*м;
L - длина вертикального заземлителя, м;
Н - толщина верхнего слоя грунта, м;
t полосы - заглубление соединительной полосы, м;
ψ - сезонный климатический коэффициент.
ρ экв = (410,00*1,64*170,00*2,00)/(410,00*1,64*(2,00-1,
60+0,70)+170,00* (1,60-0,70)) =256,11 Ом*м.
4.4.3 Сопротивление одного вертикального заземлителя
Сопротивление одного вертикального заземлителя определяется по алгоритму:
Rос = ρ экв/(2*π*L)*(Ln(2*L/d)+1/2*Ln((4*t+L)/(5*t-L))),
где t - заглубление вертикального заземлителя, м;
d- наружный диаметр вертикального заземлителя, м;
ρ экв - эквивалентное удельное сопротивление грунта с учетом коэффициента сезонности, Ом*м;
L - длина вертикального заземлителя, м.
Rос = ,11/(2*3,14*2,00)*(Ln(2*2,00/0,05)+1/2*Ln((4*1,70+2,00)/(5*1,70 2,00)))=93,28 Ом
4.4.4 Определение ориентировочного числа стержней
Вычисляем сопротивление контура по алгоритму:
Rн=Rнорм*(ρ экв / ρбаз),
где Rнорм - нормируемое ПУЭ сопротивление заземляющего устройства растеканию тока при базовом удельном сопротивлении земли, Ом;
ρ экв - эквивалентное удельное сопротивление грунта, с учетом коэффициента сезонности, Ом*м;
ρбаз - базовое удельное сопротивление грунта
(ρбаз = 100 Ом*м) .
Rн=10,00*(256,11/100)=25,61 Ом
Определяем ориентировочное число стержней по алгоритму:
nпредв=Rос/Rн
где Rос - сопротивление одного вертикального заземлителя, Ом;
Rн - сопротивление дополнительного контура, Ом.
nпредв = 93,28/25,61 = 3,64
Вычисленное приблизительное количество вертикальных электродов округляется в сторону увеличения до целого числа:
nпредв = 4,00
4.4.5 Вычисление сопротивления соединительной полосы
Вычисляем длину соединительной полосы по алгоритму:
Если заземлители расположены в ряд
Lп = L/2*(nпредв-1)
Если заземлители расположены по контуру
Lп = L/2*nпредв,
где L - длина вертикального заземлителя, м;
nпредв - приблизительное число стержней.
Lп =2,00/2 *(4-1) = 3,00 м
Определяем сопротивление соединительной полосы по алгоритму:
Rполосы = (ρ1*ψ)/(2*π*Lп)*Ln((2*Lп2)/(b*t полосы)),
где b - ширина соединительной полосы, м;
t полосы - заглубление соединительной полосы, м;
ψ - сезонный (климатический) коэффициент;
ρ1- удельное сопротивление верхнего слоя грунта, Ом*м;
Lп - длина соединительной полосы, м.
Rполосы = (410,00*1, 64)/(2*3,14*3,00) *Ln((2*3,00*3,00)/(0,040*0,70)) =
= 230,77 Ом
4.4.6 Сопротивление вертикальных заземлителей вместе с соединительной полосой
Суммарное сопротивление вертикальных заземлителей и соединительной полосы определяется по алгоритму:
Rверт = (Rполосы * Rн)/(Rполосы – Rн),
где Rполосы - сопротивление соединительной полосы, Ом;
rн - сопротивление контура, Ом.
Rверт = (230,77*25,61)/(230,77*25,61) = 28,81 Ом
4.4.7 Уточненное количество вертикальных заземлителей с учетом соединительной полосы
Уточненное количество вертикальных заземлителей определяется по алгоритму:
n = Rос / (Rверт * ηс) ,
где ηс - коэффициент использования заземлителей;
Rвepт - суммарное сопротивление вертикальных заземлителей и соединительной полосы, Ом;
Roc - сопротивление одного вертикального заземлителя, Ом.
n = 93,28/(28,81*0,83) = 3,90
Вычисленное количество вертикальных электродов округляется в сторону увеличения до целого числа:
n = 4
План размещения заземляющего устройства с нанесением всех размеров (масштаб 1:100) приведен в пояснительной записке на рис. 4.1.
Рис. 4.1
4.5 Мероприятия по пожарной безопасности
Противопожарные мероприятия общего характера для всего хозяйства и по каждому производственному участку и видам работ должны соответствовать СНиП-2-А-70.
По группе возгораемости и характеристике строительных материалов котельный цех относится к помещению несгораемому - категория "В", степень огнестойкости 2.
Для тушения пожара в цехе установлен пожарный щит и огнетушители (смотри таблицу 4.4). В бытовых помещениях установлена противопожарная система безопасности. Для предотвращения подачи свежего воздуха в помещение схемой управления вентиляторами предусмотрено автоматическое их отключение.
В котельном цехе разработаны инструкции о мерах пожарной безопасности. Каждый работник инструктируется по противопожарным мероприятиям, одновременно с инструкцией по охране труда. Лица не прошедшие противопожарный инструктаж, к работе не допускаются.
В случае пожара в котельной оператор обязан:
- сообщить диспетчеру и пожарной службе «01»;
- закрыть газовую задвижку на вводе в котельную снаружи;
- если возможно, приступить к самостоятельному пожаротушению, если нет, то дождаться пожарной бригады.
Таблица 4.4
Противопожарный инвентарь
| № | Наименование | Количество штук |
| 1 | Огнетушитель ОУ-8 | 2 |
| 2 | Лопата | 2 |
| 3 | Багор | 1 |
| 4 | Топор | 1 |
| 5 | Ведра пожарные | 2 |
| 6 | Ящик с песком | 1 |
| 7 | Пожарный кран с рукавом | 1 |
4.6 Охрана окружающей среды
Охрана окружающей среды подразумевает систему мер по поддержанию рациональной взаимосвязи между деятельностью человека и окружающей средой, обеспечивающую сохранность и восстановление богатств природы, рациональное использование природных ресурсов, предупреждающую прямое или косвенное вредное влияние результатов деятельности общества на природу и здоровье человека. В котельном цехе вся приточно-вытяжная вентиляция оборудована фильтрами с целью предотвращения попадания пыли в цех и выброса загрязненного воздуха в окружающую среду. Возле цеха установлена емкость для мусора.
5. РАСЧЕТ ЭКОНОМИЧЕСКОЙ ЭФЕКТИВНОСТИ АВТОМАТИКИ УПРАВЛЕНИЯ ОСВЕТИТЕЛЬНОЙ УСТАНОВКОЙ















