144247 (594034), страница 5
Текст из файла (страница 5)
Блок управления состоит из двух отделений. В одном размещены шкафы с силовой аппаратурой, пульт управления, с которого управляют всеми механизмами бетоносмесительной установки и ведут контроль за их работой. Для обеспечения заданных параметров микроклимата в блоке управления смонтирован кондиционер. Во втором отделении установлено оборудование для хранения и подачи химических добавок: два центробежных насоса и система трубопроводов.
Для создания подпора жидкости в системе трубопроводов на сливе в бак добавок установлен запорный винтель. Добавки в дозор подают открытием электромагнитного и впускного клапанов. Зимой добавки подогревают теплоносителем, подаваемым из системы отопления в нижнюю часть бака добавок. Вода из бака насосом подается в дозор. В зимнее время ее подогревают в бойлерной. Из дозаторов вода и добавки через воронку и перфорированную трубу поступают в бетоносмеситель.
Разгружают бетонную смесь в автосамосвал через загрузочное устройство. При разгрузке бетонной смеси в автобетоносмеситель устройство с помощью ручной лебедки отводят в сторону от выгрузного отверстия.
Для смазывания штоков воздухораспределителей в системе подачи воздуха установлены маслораспылители. Идущий на аэрацию цемента воздух очищается во влагомаслоотделителях. Для равномерной работы системы пневмооборудования обе компрессорные установки соединены между собой.
2.5.2 Виды и техническая характеристика, применяемого метрологического оборудования
Одним из основных свойств бетонной смеси является удобоукладываемость (подвижность или жесткость), определяемая в соответствии с ГОСТ 10151.1-81. Подвижность бетонной смеси называется способность ее растекаться без расслоения под действием силы тяжести или при незначительном механическом воздействии.
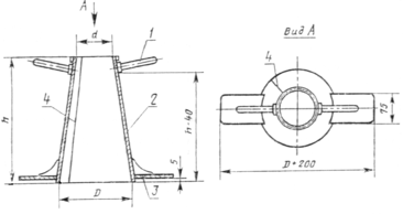
Характеризуется подвижность осадкой конуса ОК (измеряемой в см), отформованного из бетонной смеси, подлежащий испытанию. Для этого используют изготовленные из листовой стали конусы с гладкой внутренней поверхностью (рисунок 2.1).
Для смесей с наибольшей крупностью заполнителя до 40 мм предназначен конус №1, 70-80 мм – конус №2.
Перед испытанием все соприкасающиеся с бетонной смесью поверхности очищают и протирают влажной тряпкой. Конус устанавливают на гладкий металлический лист и заполняют через воронку бетонной смесью в три слоя высотой 100 мм для конуса №1 и 150 мм для конуса №2 (таблица 2.7).
Таблица 2.7 – Размеры конусов
| Конус | dнижн | dверх | h |
| №1 | 100 | 200 | 300 |
| №2 | 150 | 300 | 450 |
Каждый слой уплотняют штыкованием металлическим стержнем: в конусе №1 – 25 раз, №2 – 56 раз. Во время наполнения и штыкования конус прижимают к листу. Затем воронку снимают, и избыток смеси срезают кельмой вровень с верхними краями конуса. Конус плавно снимают с отформованной бетонной смеси и устанавливают рядом с ней. Осадку конуса бетонной смеси определяют, укладывая металлическую линейку ребром наверх конуса и измеряя расстояние от нижней грани линейки до верха бетонной смеси с точностью до 0,5 см. Значение осадки конуса бетонной смеси, определенной в конусе №2, приводят к значению осадки конуса №1, умножая первое значение на переводной коэффициент 0,67.
Если после снятия конуса бетонная смесь приобретает форму, затрудняющую определение ее осадки, измерение не производят и повторяют испытание на новой порции бетонной смеси. Время испытания с начала наполнения конуса и до измерения осадки бетонной смеси не должно превышать 2,5 мин.
Осадку конуса бетонной смеси вычисляют с точностью до 1 см, как среднее арифметическое результатов двух определений из одной пробы, различающихся между собой не более чем на 1 см при ОК ≤ 4 см, на 2 см при ОК, равном 5-9 см, и на 3 см при ОК ≥ 10 см. При большем расхождении результатов испытание повторяют. Затем заносят в журнал дату и время испытаний, место отбора пробы, марку и вид бетона, изготовленного из испытываемой смеси, результаты частных испытаний и среднее арифметической значение ОК.
Рисунок 2.2 – Определение подвижности бетонной смеси
1 - ручка; 2 - корпус прибора; 3 - упоры; 4 - сварной шов
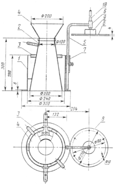
Жесткость характеризует смесь, если осадка конуса равна нулю. Определяют жесткость временем вибрации, необходимым для выравнивания и уплотнения предварительно отформованного конуса бетонной смеси. При наибольшей крупности зерен заполнителей до 40 мм включительно жесткость бетонной смеси определяют на лабораторной виброплащадке СМЖ-539 (рисунок 2.3).
Рисунок 2.3 – Прибор для определения жесткости бетонной смеси:
1 - цилиндрическое кольцо с фланцем в основании; 2 - конус; 3 - кольцо-держатель с ручками; 4 - загрузочная воронка; 5 - штатив; 6 - направляющая втулка; 7 - фиксирующая втулка с зажимным винтом; 8 - диск с шестью отверстиями; 9 - стальная шайба; 10 - штанга.
Прибор для определения жесткости бетонной смеси (рисунок 2.2) закрепляют на столе виброплащадки. Цилиндрическое кольцо, кольцо-держатель и воронку прибора изготавливают из листовой стали. Кольцо и конус должны быть с гладкой внутренней поверхностью.
Собирают прибор в такой последовательности: жестко крепят кольцо, вставляют в него конус и закрепляют его ручками, сверху устанавливают воронку. Диск 8 с отверстиями поворотом штатива устанавливают над отформованной бетонной смесью и отпускают на поверхность конуса. Штатив закрепляют в фиксирующей втулке зажимным винтом. Одновременно включают виброплащадку и секундомер, и наблюдают за выравниванием и уплотнением бетонной смеси. В момент, когда начнет выделяться цементное тесто из двух отверстий диска, вибрирование прекращают и выключают секундомер. Полученное время вибрирования характеризует жесткость. Его вычисляют с точностью до 1 с как среднеарифметическое значение результатов двух определений жесткости из одной пробы, различающихся между собой не более чем на 20%. При большем расхождении результатов испытание повторяют. Пробы для определения жесткости или подвижности бетонной смеси отбирают в три приема с интервалом 1 мин.
Для определения средней плотности бетонной смеси применяют:
- формы для изготовления контрольных образцов бетона по ГОСТ 22685;
- весы лабораторные по ГОСТ 24104;
- виброплащадку лабораторную;
- кельму типа КБ по ГОСТ9533;
- линейку стальную по ГОСТ 427;
- сосуды металлические цилиндрические, размеры которых принимают в зависимости от наибольшей крупности зерен фракции заполнителя (таблица 2.8).
Таблица 2.8 – Размеры металлических сосудов
| Наибольшая крупность зерен фракции заполнителя, мм | Вместимость сосуда, см3 | Внутренний размер сосуда, мм | |
| диаметр | высота | ||
| ≤ 20 | 1000 | 108 | 108 |
| 40 | 5000 | 185 | 158 |
| ≥ 70 | 10000 | 234 | 234 |
Для определения расслаиваемости бетонной смеси применяют:
- формы стальные для изготовления контрольных образцов бетона типа ФК-200 по ГОСТ 22685;
- сосуд вместимостью 5000см3;
- виброплащадку лабораторную;
- противень;
- линейки стальные по ГОСТ 427;
- сито с отверстиями диаметром 5мм;
- электрошкаф сушильный;
- посуду мерную стеклянную по ГОСТ 1770.
2.6 Технологические режимы
2.6.1 Технологические процессы подготовки сырья
Приготовление бетонной смеси включает подготовку материалов, их дозирование и перемешивание бетонной смеси. На заводах сборного железобетона или на стройках проводят, если есть необходимость, приготовление растворов химических добавок, оттаивание и подогрев заполнителя в зимнее время.
Подготовка растворов химических добавок включает растворение в воде твердых, пастообразных или жидких продуктов добавок и последующее доведение раствора до заданной концентрации. Приготовление добавок осуществляют в специальных емкостях, снабженных системой трубопроводов для перемешивания раствора сжатым воздухом, а при необходимости – паровыми регистрами для подогрева. После приготовления добавки подают в расходную емкость, снабженную датчиком уровня, и по мере необходимости – через дозатор в бетоносмеситель.
Подогрев заполнителей обычно осуществляют в бункерах, реже непосредственно на крытых складах. Для подогрева используют либо контактный способ подогрева заполнителей с помощью паровых труб и гребенок, размещаемых в бункерах.
2.6.2 Технологические режимы производства продукции
Важным технологическим переделом является дозирование материалов. Для получения бетонной смеси заданного состава необходимо правильно отмеривать (дозировать) количество составляющих (вяжущих, заполнителей, воды, добавок) перед поступлением их в смеситель. Заданное количество составляющих можно измерять по объему или массе, или по объему с корректированием массы. Отклонение от заданного количества содержания дозы того или иного материала называют погрешностью дозирования и измеряют в процентах. Устройства для отмеривания количества составляющих называют дозаторами. На современных бетонных заводах используют в основном весовые дозаторы, т.е. дозирование материалов по массе: цемент, воду и добавки – с точностью до 2 л, песка и щебня с точностью до 10 кг. При этом расход цемента округляют обычно в большую сторону, а воды в меньшую.
Вторым важным технологическим переделом является перемешивание бетонной смеси. В процессе перемешивания материалы равномерно распределяются по всему объему, зерна цемента и заполнителя смачиваются водой, в результате получается однородная масса, свойства которой в любом месте объема одинаковы. Вид и состав бетона оказывают заметное влияние на требования к перемешиванию. Подвижные смеси легче перемешивать, чем жесткие: жирные перемешиваются лучше, чем тощие, крупнозернистые – лучше, чем мелкозернистые или тонкозернистые.
При использовании крупнозернистых подвижных смесей с заполнителем из плотных горных пород применяется смесители свободного падения, в которых перемешивание происходит при вращении барабана-смесителя в результате многократного подъема и сбрасывания материалов с некоторой высоты.
Между бетоном и заполнителем обычно не происходит химического воздействия, поэтому заполнители часто называют инертными материалами. Однако они существенно влияют на структуру и свойства бетона, изменяя его пористость, сроки затвердевания, поведение при воздействии нагрузки и внешней среды. Заполнители значительно уменьшают деформации бетона при твердении и тем самым обеспечивают получение большеразмерных изделий и конструкций. В качестве заполнителей используют местные горные породы. Применение этого дешевого заполнителя снижает стоимость бетона, так как заполнители и вода составляют 85-90%, а цемент 10-15% от массы бетона. Для снижения плотности бетона и улучшения его теплотехнических свойств используют искусственные и пористые заполнители.
Для регулирования свойств бетона и бетонной смеси в их состав вводят различные химические добавки и активные минеральные компоненты, которые ускоряют или замедляют схватывание бетонной смеси, делают ее более пластичной и удобоукладываемой, ускоряют твердение бетона, повышают его прочность и морозостойкость, регулируют собственные деформации бетона, возникающие при его твердении, а также при необходимости изменяют и другие свойства бетона.
В течение длительного времени в бетонах происходит изменение пористой структуры, наблюдается протекание структурообразующих, а иногда и деструктивных процессов и результат – изменение свойств материала. С увеличением возраста бетона повышаются его прочность, плотность, стойкость к воздействию окружающей среды. Свойства бетона определяются не только его составом и качеством исходных материалов, но и технологией приготовления и укладки бетонной смеси в конструкцию, условиями твердения бетона. Все эти факторы мы учтем при проектировании состава тяжелого бетона.















