143891 (594009), страница 6
Текст из файла (страница 6)
Рис. 4.8. Схема определения вертикальных напряжений в линейно деформируемом полупространстве
3.4 Расчет каменных конструкций здания
3.4.1 Расчет простенка на вертикальную нагрузку
Так как стена здания многослойная и состоит из четырех слоев, один из которых слой утеплителя из минераловатных плит то этот слой в расчете несущей способности не учитывается. Отдельные слои стены соединены между собой жесткими связями. Жесткими называются связи, если при любом теплоизоляционном слое расстояние между осями вертикальных диафрагм из тычковых рядов кирпичей, соединяющих конструктивные слои не превышает 120 см и 10h, где h – толщина более тонкого конструктивного слоя.
При приведении сечения стены к одному материалу толщина слоев принимается фактической, а ширина слоев по длине стены определяется исходя из соотношения расчетных сопротивлений R и коэффициентов использования прочности т слоев по формуле
bred = bmiRi/(mR),
3.9 Конструкция трехслойной стены и ее расчетное сечение
где bred – приведенная ширина слоя; b – фактическая ширина слоя; R=1.3МПа и m=1‑расчетное сопротивление и коэффициент использования прочности основного несущего слоя, к которому приводится сечение Ri =1.3МПа и mi=0.8 – то же, для любого другого слоя.
bred = 168 *1,3*1/(1,3*0,8) = 134 см
Площадь приведенного сечения 1,34*0,12+1,68*0,38 = 0,8м2
В результате приведения получается, как правило, тавровое сечение с полкой в сторону основного слоя.
Коэффициенты использования прочности слоев в многослойных стенах т и тi приведены в табл. 44, а в стенах с облицовкой табл. 45 [6].
Вес 1 м2 стены толщиной 640 мм, состоящий из веса кладки равен:
(0,380+0,120)*1*18 = 9 кН/м2, веса штукатурки 0,02*1*18 = 0,36 кН/м2
и веса утеплителя 0,14 * 1 *0,3 = 0,04 кН/ м2
9+0,36+0,04=9,4 кН/ м2
Рис. 3.10. Расчетная схема стены жилого дома
С учетом коэффициента надежности по нагрузке и по назначению этот вес будет равен: (9*1,1 + 0,36*1,3+0,04*1,3) *0,95 = 9,9 кН/ м2
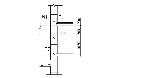
Расчетные постоянные нагрузки составляются (см. рис 4.11):
от участка стены, расположенного выше низа покрытия, т.е. выше отметки 10,9 м,
G3 = 9*1.1*0.95 * (13,8–10,9) * 3,38 = 92,18 кН
G’3 = 9*1.1*0.95 * 1,05 * 3,38 = 33,37 кН
от простенка G2 = 9,9*1.68*1.45 = 24,12 кН,
от участка стены расположенного в промежутке между низом перекрытия и низом перемычки, G1 = 9,9*3,38*0,3 = 10,4 кН
Глубина заделки панелей перекрытий в стену 12 см, тогда равнодействующая с перекрытий будет приложена на расстоянии 12/3 = 4 см от внутренней грани стены и эксцентриситет приложения этой нагрузки ео = 0,5*64 – 4 = 28 см. Изгибающий момент, вызываемый ею в сечении 1–1 Ml = 90,85*0,28 = 25,44 кН*м.
Т. к. стена имеет значительные проемы, и сечение 2–2 близко расположено к сечению 1–1, в качестве расчетных сечений принимаем сечение 2–2 и 3–3.
Нагрузка от части простенка между сечениями 2–2 и 3–3 равна 0,7*3,38*9,9 = 23,42 кН.
Статический расчет
Согласно СНиП 2.01.07–85 при расчете стен полезные (времени) нагрузки в жилых помещениях допускается снижать умножением коэффициент ψn1 = 0.4 +
=0,91;
где ΨА1 = 0,4 + 0,6/
=1,43
ψn1 = 0.4 +
=0,68
А – грузовая площадь; п – число перекрытий над рассматриваемым сечением.
В нашем случае при А = 10,14 м2 и ΨА1 = 0,4 + 0,6
=0,96: коэффициент равен: для первого этажа – 0,68; второго – 0,72; третьего -0,80; четвертого – 0,96;
Обозначения расчетных усилий и точки их приложения показаны на рис 3.9., а их определение сведено в таблице 3.10.
Таблица 3.10. Усилия и моменты в сечениях стены
| Этаж | Сечение | Обозначение | Формула | Значение усилй |
| Первый | II–II | N | 92.8+90.85+10.4*4+24.12*3+33.37*3+53.03*3 | 556.81 |
| M | 25.44*(2.8–0.23)/2.8 | 23.35 | ||
| III–III | N | 92.8+90.85+10.4*4+24.12*4+33.37*3+53.03*3 | 580.93 | |
| M | 25.44*2/3 | 16.96 | ||
| Второй | II–II | N | 92.8+90.85+10.4*3+24.12*2+33.37*2+53.03*2 | 435.89 |
| M | 25.44*(2.8–0.23)/2.8 | 23.35 | ||
| III–III | N | 92.8+90.85+10.4*3+24.12*3+33.37*2+53.03*2 | 460.01 | |
| M | 25.44*2/3 | 16.96 | ||
| Третий | II–II | N | 92.8+90.85+10.4*2+24.12+33.37+53.03 | 314.97 |
| M | 25.44*(2.8–0.23)/2.8 | 23.35 | ||
| III–III | N | 92.8+90.85+10.4*2+24.12*2+33.37+53.03 | 339.09 | |
| M | 25.44*2/3 | 16.96 | ||
| Четвертый | II–II | N | 92.8+90.85+10.4 | 194.05 |
| M | 25.44*(2.8–0.23)/2.8 | 23.35 | ||
| III–III | N | 92.8+90.85+10.4+24.12 | 218.17 | |
| M | 25.44*2/3 | 16.96 |
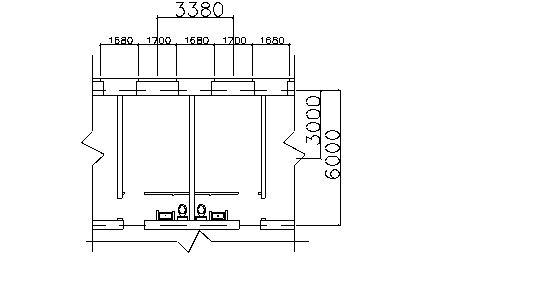
Рис. 3.11. План и схематический разрез простенка
Конструктивный расчет
Расчет начинаем с наиболее нагруженного первого этажа для сечения 2–2, в котором действует усилие N = 383,16 кН и изгибающий момент М = 23,35 кН*м. Эксцентриситет приложения продольной силы равен:
ео = М / N = 23,35 /383,16 = 0,061 м = 6,1 см.
Расчетная высота простенка 1о = 2,8 м
Так как толщина стены 64 см > 30 см, то mgl = 1 и выделение из полной продольной силы ее длительной составляющей не требуется.
Выбираем марку кирпича 100. Жилые помещения имеют нормальную влажность, поэтому согласно табл. 4 [6] необходимо использовать марку раствора не ниже 10. Для первого этажа принимаем марку раствора 50. Тогда для принятых материалов упругая характеристика кладки по табл. 22 [6] α = 750 и расчетное сопротивление по табл. 9 [6] R=1.5MПa.
Высота сжатой зоны hc = h – 2ео = 64 – 2*4,2 = 55,61 см.
Гибкость стены λh = 280/64= 4,38 при которой по табл. 23 [6] коэффициент продольного изгиба φ= 0,997.
То же, при гибкости сжатой части сечения λhс = lo/hc=280/55,61 = 5,41
φс =0,994.
Средний коэффициент продольного изгиба φl =(0,997 + 0,994) /2 = 0,995
Коэффициент φ1= 0,9955 принимают для средней трети высоты этажа.
Площадь сжатой зоны сечения:
Ас=А (1–2ео/h)=168*64 (1–2*4,19/64)=9342,4 см2
Коэффициент ω=1 + 6,1/ 64 = 1,09 < 1,45 (см. табл. 26 [6])
Требуемое сопротивление
R=N/φlmglωАс=556,81*10-3*0,95/(0,996*1*1,09*9342,96*10-4)=0,38МПа<1.5МПа
Несущая способность простенка в сечении 2–2:
Nadm = φl mgl ω Ас R
Nadm=0.9955*l*1.09*1.5*103 8702,4*10-4=1704.5 кН>1165.9*0.95=1417кН
Для сечения 3–3 ω Ас изменяются не значительно, а φl= 0,9955 тогда несущая способность этого сечения:
Nadm=0.994 *1*1.009*1.5*103* 1.1367 = 1702.3 кН >1165.9*0.95=1417 кН
При марке кирпича 100 и марке раствора 50 несущая способность простенка на уровне первого этажа обеспечена.
Аналогично производим расчет для всех остальных этажей и сводим его в таблицу.
Таблица 3.11. Расчет и подбор марки раствора и кирпича
| Этаж | ео, см | Марка кирпича и раствора | hc | φl | Ас | ω | Требуемое сопротивление, R |
| Первый | 4.19 | 750–1.5 | 55.61 | 0.995 | 9342.96 | 1.01 | 0.56 |
| Второй | 5.36 | 750–1.1 | 53.29 | 0.981 | 8952.07 | 1.01 | 0.47 |
| Третий | 7.41 | 750–0.9 | 49.17 | 0.955 | 8261.07 | 1.01 | 0.37 |
| Четвертый | 12.03 | 750–0.9 | 39.93 | 0.892 | 6708.87 | 1.01 | 0.30 |
Принимаем марку кирпича и марку раствора по высоте здания исходя из унификации выполнения работ:
1 этаж марка кирпича 100, марка раствора 50.
2 этаж марка кирпича 75, марка раствора 25.
3 этаж марка кирпича 50, марка раствора 25.
4 этаж марка кирпича 50, марка раствора 25.
3.4.2 Расчет кладки выполненной способом замораживания
Необходимо рассчитать простенок кирпичной вставки. Толщина наружных, многослойных стен, из облегченной кладки, с перевязкой через 4 рядов вертикальными кирпичными диафрагмами, 64 см. Простенок возводился способом замораживания при температуре t = -15 °С. Сложен из силикатного кирпича марки 100 на портландцементном растворе марки 50. Надо рассчитать несущую способность этого простенка в момент оттаивания, когда продольная сила N = 744 кН.
1>















