143891 (594009), страница 15
Текст из файла (страница 15)
Mi,max = Fi,откр / fi,оз
где: Fi,откр - открытый фронт по данной работе, т.е. такая часть полного фронта, в пределах которой можно выполнять работу в любом месте. Для работы, выполняемой последовательно после предыдущей, Fi,откр = Fi,п кроме случаев, когда возможно только поярусное выполнение работ. Для работы выполняемой с совмещением Fi,откр = fi,пз, т.е. участку или захватке по предыдущей работе.
fi,оз – размер опасной зоны.
Единицы измерения Fi,откр и fi,оз надо выбирать одинаковыми. Для упрощения расчетов величину fi,оз следует принимать усредненной для различных строительных машин, в размере 50 пог. м (по длине здания).
Наибольшее число рабочих в день на «механизированных» работах определяют по формуле:
Ai – планируемое число смен работы в день;
Ki – коэффициент роста производительности труда, равен 1.1.
Для «немеханизированных» работ наибольшее число рабочих определяют по формуле:
Кроме того, при определении наибольшей интенсивности потребления ресурсов необходимо учитывать установленные ране ограничения по ресурсам.
Число машин на «механизированных» работах (М i,пл) планируется с учетом установленных ранее граничных условий и находится в интервале:
1
При этом оно не должно превышать планового числа одноименных машин на непосредственно предшествующих напряженных работах
Плановое число рабочих в день принимается в пределах:
(rmin * Ai,пл)
где: r min – наименьшее число рабочих, равное нормативному составу звена.
Число бригад одной специальности следует планировать исходя из объемно-планировочного решения здания.
После выбора Ri,пл определяют коэффициент интенсивности работы:
Кi, = Ri,пл / Ri,max
Продолжительность любой работы рассчитывают по формуле:
t i,пл = max [Qi,p / Ri,пл *Кi,пл; Qi,м /Мi,пл*Аi,пл]
Результат округляют до целых чисел, при необходимости корректируют так, чтобы продолжительность работы на захватке или участке равнялась целому числу дней и после этого устанавливают К i,пл по формуле:
Кi, пл = Qi,p/ Ri,пл * ti,пл
Оценка решений производится по критерию интенсивности работ и продолжительности использования ресурсов.
-суммарная принятая трудоемкость всех напряженных работ
- непроизводственные затраты времени на переход бригады, выполняющей i‑ю работу с предыдущего объекта на данный
= 1 дн.
После этого строим график напряженных работ. Он приведен на рисунке 6.2
5.4.5 Расчет шага напряженных работ
Таблица 6.4.
| № работ | Вид связи | Размеры передаваемого фрронта | Планируемая продолж. работ | Продолж. на передаваемом фронте | Продолж. перерыва | Производственные ожидания | Шаг работ | |||||||||||
| ед. изм. | fi-j | Si-j | tiпл | tjпл | tiпф | tjпф | ti-jо(т) | ti-jон | ti-jок | ti-jшн | ti-jшк | |||||||
| 4–5 | Т | Объект | 1 | 0.5 | 12 | 6 | 6 | 3 | 3 | 3 | 0 | 12 | 6 | |||||
| 5–6 | Т | Объект | 1 | 0.50 | 6 | 12 | 3 | 6 | 0 | 0 | 3 | 3 | 9 | |||||
| 7–8 | ОТ | Объект | 1 | 0.50 | 45 | 5 | 23 | 3 | 0 | 20 | 0 | 43 | 3 | |||||
| 12–13 | Т | Объект | 1 | 0.50 | 52 | 29 | 26 | 15 | 0 | 12 | 0 | 38 | 15 | |||||
| 12–14 | Т, tт | Объект | 1 | 0.50 | 52 | 29 | 26 | 15 | 3 | 12 | 0 | 41 | 18 | |||||
| 13–14 | Т | Объект | 1 | 0.50 | 29 | 29 | 15 | 15 | 0 | 0 | 0 | 15 | 15 | |||||
Шагом работ называется разница во времени между началами (t i-j,ш.н.) и окончаниями (t i-j,ш.к.) взаимосвязанных работ (i-j). Расчет шага работ оформляем в виде таблицы.
Просматривая сроки ранее разработанной ОТМ, выбираем из нее напряженные работы и записываем в таблицу 6.4. Исключаем работы связанные последовательными и ресурсными связями т. к. для них расчет шага можно не выполнять.
Относительную величину предаваемого фронта определяем по формуле:
S i,пф = f i,пф / F i,п
Рассчитываем продолжительности работ на передаваемых фронтах tпф.
Если 0< S i,пф<0.5 или S i,пф = 1,0 то
t i,пФ = t i,пл * S i-j,пФ
t j,пФ = t j,пл * S i-j,пФ
Продолжительности производственных ожиданий на первом (t i-j,он) и последнем (ti-j,ок) частных фронтах графы 11–12 рассчитывают по следующим выражениям:
Если 0< S i,пф<0.5 или S i,пф = 1,0 то
t i-j,он = max [0; (t i,пл – t j,пл)* (1‑S i-j,пФ)] дн
t i-j,ок = max [0; – (t i,пл – t j,пл)* (1‑S i-j,пФ)] дн
Если 0,5< S i,пф <1
t i-j,он = max [0; [t i,пл – (t i,пл – t j,пл)* S i-j,Пф]] дн
t i-j,ок = max [0; – [t i,пл – (t i,пл – t j,пл)* S i-j,пФ]] дн
После этого определяем шаг работ с точностью до одного дня: после вычисления шага между началами и концами работ делают проверку.
t i,пл + t i-j,шк = t j,пл + t i-j,шн
Для работ, связанных организационно только по началам, определяют лишь ti,шн=ti-j,пф; связанных организационно по концам ti,шк= ti-j,пФ, остальные параметры не рассчитываются.
Если у работ есть несколько непосредственно предшествующих работ, то шаг определяется для каждой пары работ.
Оценка решений данного этапа производится по 2‑м коэффициентам:
1. Показатель уравновешенности напряженных работ.
t i,пл – продолжительность предшествующих работ на передаваемом фронте.
t j,пл – продолжительность последующих работ на передаваемом фронте.
t i-j,он – продолжительность производственных ожиданий по началам работ.
t i-j,ок -продолжительность производственных ожиданий по концам работ.
2. Показатель эффективности использования фронта работ.
ncc –число строк в таблице
3. Показатель совмещений работ.
Тпл – планируемая продолжительность строительства объекта.
ti – продолжительность i – ой работы.
5.4.6 Расчет ранних сроков напряженных работ
5.4.7 Проектирование производства ненапряженных работ
Исходными данными служат: ОТМ, затраты труда и машинного времени по работам, обобщенная сетевая модель, расчет графика напряженных работ, рекомендуемые составы бригад и звеньев.
Прежде чем производить увязку ненапряженных работ с напряженными по срокам их выполнения, необходимо определить граничные и плановые параметры ненапряженных работ.
Расчеты параметров работ и ресурсов занесены в таблицы.
Таблица 5.5.
| № работы | Наименование ненапряженных работ | Затраты | Число смен работы в день | Наиб. кол-во | Минимальная продолж. | Среднее число рабочих | Плав. кол-во | Коэф. | Плановая продолжительность | ||||||
| труда чел.-дн | маш. вр. | машин | рабочих в день | машин | рабочих в день | интенсивность | производительность труда | ||||||||
| Qр | Qм | Aпл | Mmax | Rmax | tmin | Rср | Mпл | Rпл | Kи | Kпт | tпл | ||||
| 9 | Устройство кровли | 843 | 48 | 2 | 2 | 64 | 2 | - | 1 | 12 | 0.19 | 0.98 | 9 | ||
| 11 | Электромонтажные и слаботочные сети 1ц | 16.11 | - | 2 | - | 6 | 3 | 4 | - | 6 | 1.03 | 0.90 | 3 | ||
| 15 | Плотничные работы 2 цикла | 135.42 | - | 2 | - | 24 | 6 | 12 | - | 10 | 0.42 | 0.97 | 14 | ||
| 16 | Установка сантех. приборов и технологического оборудования | 184.22 | - | 2 | - | 29 | 7 | 14 | - | 10 | 0.34 | 0.97 | 19 | ||
| 17 | Электромонтажные и слаботочные сети | 74.42 | - | 2 | - | 16 | 5 | 9 | - | 10 | 0.62 | 0.93 | 8 | ||
| 19 | Демонтаж кранов | 17.93 | 5.61 | 2 | 1 | 6 | 3 | 4 | 1 | 6 | 0.96 | 1.00 | 3 | ||
| 20 | Внешние комуникации | 136.26 | - | 2 | - | 24 | 6 | 12 | - | 8 | 0.33 | 0.95 | 18 | ||
| 21 | Внешниеэлектро и слаботочные сети | 89.21 | - | 2 | - | 18 | 5 | 9 | - | 8 | 0.44 | 0.93 | 12 | ||
| 22 | Благоустройство территории | 191.54 | - | 2 | - | 30 | 7 | 14 | - | 8 | 0.26 | 1.00 | 24 | ||
| 950.56 | 11.62 | 217.75 | 44 | 77 | 78 | 4.6 | 8.608 | 110 | |||||||
Таблица 5.6
| № работ | Вид связи | Размеры передаваемого фрронта | Планируемая продолж. работ | Продолж. на передаваемом фронте | Продолж. перерыва | Производственные ожидания | Шаг работ | |||||||||
| ед. изм. | fi-j | Si-j | tiпл | tjпл | tiпф | tjпф | ti-jо(т) | ti-jон | ti-jок | ti-jшн | ti-jшк | |||||
| 10–11 | ОТ | Объект | 1 | 0.5 | 16 | 3 | 8 | 2 | 0 | 7 | 0 | 15 | 2 | |||
| 14–15 | ОТ | Объект | 1 | 0.5 | 29 | 14 | 15 | 7 | 0 | 8 | 0 | 22 | 7 | |||
| 14–16 | ОТ | Объект | 1 | 0.5 | 29 | 19 | 15 | 10 | 0 | 5 | 0 | 20 | 10 | |||
| 14–17 | ОТ | Объект | 1 | 0.5 | 29 | 8 | 15 | 4 | 0 | 11 | 0 | 25 | 4 | |||
| 15–18 | Тк | Объект | 1 | 0.5 | 14 | 17 | 0 | 9 | 0 | 0 | 0 | 0 | 9 | |||
| 16–18 | Ок | Объект | 1 | 0.5 | 19 | 17 | 0 | 9 | 0 | 1 | 0 | 1 | 9 | |||
| 17–18 | Ок | Объект | 1 | 0.5 | 8 | 17 | 0 | 9 | 0 | 0 | 0 | 0 | 9 | |||
| 20–21 | Т | Объект | 1 | 0.5 | 18 | 12 | 9 | 6 | 0 | 3 | 0 | 12 | 6 | |||
| 21–22 | ОТ | Объект | 1 | 0.5 | 12 | 24 | 6 | 12 | 0 | 0 | 6 | 6 | 18 | |||
5.4.8 Расчет полного сетевого графика строительства объекта
После построения и проверки сетевой модели в верхние сектора событий записывают их коды, начиная с первого номера. Продолжительность работ и связей записывают над их изображением. При этом продолжительности напряженных работ, принимают с графика напряженных работ, а длительности и шаг остальных работ из таблиц.
Расчет заключается в определении временных характеристик сетевой модели. При этом определяются ранние и поздние сроки начала и окончания работ, продолжительность критического пути свободные и полные резервы времени.
В начале выполняют «прямой ход» расчет ранних сроков начал и окончаний работ графика. При расчете ранних сроков следят за их совпадением с уже записанными сроками соответствующих напряженных работ. В случае отклонений анализируют, какие не напряженные работы их вызвали и корректируют их параметры. Для расчета «обратным ходом» поздних сроков выполнения работ принимают поздний срок свершения завершающего события графика равным планируемой продолжительности строительства по графику напряженных работ.
5.4.9 Построение календарного плана производства работ
Календарный план состоит из левой табличной части и правой – графической (сетевой график в масштабе времени). Наименование и трудоемкость работ принимаются по технологической модели. Продолжительность и сроки напряженных работ из таблиц.
Календарная линейка в графической части плана выполняется в масштабе 5–10 дней в 1 см. В первую очередь на графике строят напряженные работы. В строке с названием данной напряженной работы отмечают моменты времени начала и окончания работы. При наличии ожидания в начале работы, его величину откладывают в масштабе влево от срока начала и ставят точку. Если ожидание имеется в конце работы, его откладывают вправо от срока окончания и также отмечают точкой. Ожидания здесь играют роль свободных резервов времени. Сроки начала и окончания работы соединяют толстой линией, ожидания отмечают тонкой линией. На линиях работ необходимо выделить момент подготовки фронта – захватки или участка – для передачи следующей работе. Для этого определяют относительный размер фронта непосредственно следующей работы и отделяют соответствующую часть предшествующей работы штрихом, подписывается число передаваемых секций, этажей и т.п.
Этот штрих соединяют пунктирной линией с началом работы (или началом ожидания) при отсутствии технологического или организационного перерыва. При наличии перерыва пунктирная линия заменяется волнистой линией соответствующей продолжительности. Отрезок линии, соответствующий продолжительности возведения коробки здания, разделяется на части по числу этажей, блоков и т.п.
Начала ненапряженных работ (или ожидания перед началами работ) привязывают к началу непосредственно-предшествующей (напряженной) работы, с отставанием на величину передаваемого фронта. Конец работы привязывается к окончанию непосредственно-последующей работы с опережением на величину передаваемого фронта (с учетом ожидания)*.
5.4.10 Сводный график потребности в рабочих
Под календарным графиком строят эпюру изменения общего количества рабочих (сводный график потребности в рабочих), занятых на работах, выполняемых в каждый период строительства. По эпюре определяют максимальное суточное число рабочих на объекте. Коэффициент равномерности использования рабочих кадров получают, разделив среднесуточное число на максимальное. Коэффициент не должен быть ниже 0,5.
Крр = Rср/Rmax
Rср – среднесуточный состав рабочих за весь период строительства объекта определяемый по полной принятой (плановой) трудоемкости деленное на его продолжительность (плановую).
Rср=Qпл/То =6049/210 = 28,8 чел.
Rmax – максимальное число рабочих в сутки по КП, Rmax=52 чел.
Крр = Rср /Rmax= 29/52 = 0,53
5.4.11 Порядок построения графиков потребности в основных строительных машинах, строительных материалах и конструкциях
Построив график потребности в строительных материалах и конструкциях, на нем же строят пунктирными линиями графики поступления материалов и конструкций с учетом времени опережения (в днях) поступления от потребности в зависимости от вида материалов, расстояний перевозки и вида транспорта.
При построении графика потребности в строительных машинах (как и при заполнении табличной части календарного плана) необходимо предусмотреть использование вспомогательных строительных машин и механизмов на отдельных работах, по которым в технологической модели не предусмотрены затраты машинного времени (подъемников, штукатурных и малярных станций и т.д.). При этом количество подъемников принимается из расчета по 1 механизму на 2 секции жилого дома или 1 блок общественного здания, число штукатурных станций равно числу бригад штукатуров, малярных станций – 1–2 на объект и т.п. Затраты машинного времени определяются произведением числа машин на число смен и продолжительность их работы.
5.4.12 Технико-экономические показатели календарного плана
С помощью ТЭП оценивают эффективность решения Календарного Плана строительства объекта. Показатели могут рассчитываться как для графика в целом, так и для оценки решений отдельных этапов строительства (показатели (коэффициенты), которые рассчитывались ранее).
Показатели решения Календарного Плана:
ОБЩИЕ ПОКАЗАТЕЛИ:
1. Продолжительность строительства объекта, дн.:
Нормативная Тн= 210 дн
Планируемая Тпл = 248 дн 0,8 Т» < Тн< Тпл
2 – Нормативная трудоёмкость возведения объекта, чел.-дн
Qрн=6528 чел.-дн.
3. Принятая трудоемкость возведения объекта, чел.-дн:
Q р пр =6049 чел.-дн.
4. Удельная трудоемкость возведения объекта, чел.-дн:
Qуд = Q р пр / Vстр = 6049/12199,9 = 0,5
5. Коэффициент производительности труда:
α = Q 0.рн / Q 0.р.пр = ∑Q i.рн / ∑ Q 0.р.пр =6528/6049 = 1,08
6. Коэффициент равномерности использования рабочих кадров
Крр = 0,53
ДИФФЕРЕНЦИАЛЬНЫЕ ПОКАЗАТЕЛИ:
Определяемые на стадии установления структуры работ:
-
Показатель структуры работ (рассчитан ранее) Кс = 0,4
-
Показатель последовательности работ Кn = 0,38
Определяемые на стадии выбора интенсивности потребления ресурсов и определения продолжительности работ:
1. Показатель интенсивности напряженных работ: Кu =0,42
2. Показатель продолжительности использования ресурсов: Кпрод=0,9
Определяемые на стадии выбора маршрутов движения бригад и расчета совмещения работ.
1. Показатель уравновешиваемости совмещаемых работ: Кур = 0,85
2. Показатель эффективности использования фронта работ: Киф = 0,37
-
Показатель совмещений работ. Ксовм =0,15
Коэффициент качества организации работ:
К к.о.р. = ∑Кi / n = (0,39+0,4+0,53+0,42+0,9+0,85+0,37+0,15)/8 =0,45
Кi – коэффициенты;
n – число коэффициентов
5.2 Проектирование объектного стройгенплана
5.2.1 Подготовка исходных данных
Объектный стройгенплан на стадии ППР проектируется самой СМО или по её заказу проектно-технологическими организациями. Для сложных объектов СГП может разрабатываться на различные этапы строительства, а иногда и на отдельные виды работ.
В данном проекте разрабатывается СГП на строительство надземной части. Исходными данными для составления объектного СГП являются:
1. Рабочие чертежи проекта;
2. ТК на отдельные виды работ и КТП;
3. КП производства работ по объекту;
4. Графики потребностей во всех ресурсах;
5. Различные ограничения;
6. Технические характеристики строительных машин и механизмов;
5.2.2 Привязка монтажных кранов и определение зон их влияния
Порядок привязки монтажных кранов:
1. Поперечная привязка крана;
2. Продольная привязка крана, проектирование подкрановых путей;
3. Определение зон влияния кранов;
4. Введение ограничений.
-
Поперечная привязка крана.
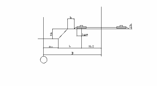
Поперечная привязка состоит в определении расстояния от оси подкрановых путей до ближайшей оси здания. Это расстояние зависит от того, с какого времени устанавливается башенный кран: для монтажа подземной части или надземной.
Рисунок 6.2.1. Продольная привязка крана
В данном проекте монтажный кран устанавливаются для монтажа надземной и подземной части, но кран устанавливается при монтаже подземной части. Поперечная привязка в этом случае производится следующим образом:
2. Продольная привязка заключается в определении крайних стоянок крана.
Для этого последовательно производят засечки на оси передвижения крана в следующем порядке: из крайних углов внешнего габарита здания со стороны, противоположной башенному крану, – раствором циркуля, соответствующим максимальному вылету стрелы крана; из середины внутреннего контура здания – раствором циркуля, соответствующим минимальному вылету стрелы; из центра тяжести наиболее тяжелых элементов – раствором циркуля, соответствующим определенном) вылету стрелы, согласно грузовой характеристике крана. Крайние засечки определяют положение крайних стоянок крана. По найденным крайним точкам определяют длину подкрановых путей:
Рисунок 6.2.2. Продольная привязка крана
Lп.п = Lкр +Нкр +2 Lторм + 2Lтуп =20.9+1,5*2+0,5*2=25
Lп.п – длина подкрановых путей;
Hкр – база крана;
Lкр – расстояние между крайними стоянками крана, определяемое по чертежу;
Lторм – величина тормозного пути крана, принимается 1,5 м;
Lтуп – расстояние от конца рельса до тупиков, равное 0,5 м.
Определяемую длину корректируют в сторону увеличения с учетом кратности длины полузвена равной 6,25 м.
В итоге: Lп.п 31,25 м
3. Определяют следующие зоны влияния крана:
-
монтажная зона – пространство, где возможно падение груза при установке и закреплении элементов она равна контуру здания плюс 10 м, так как высота здания превышает 20 м;
– зона обслуживания крана – пространство, находящееся в пределах линии, описываем крюком крана. Определяется радиусом, соответствующим максимальному рабочему вылету стрелы крана;
– зона перемещения габарита груза крана – пространство находящееся в пределах в пределах возможного перемещения груза, подвешенного на крюке крана. Определяется суммой максимального рабочего вылета стрелы и принимаем равной половине длины самого длинного перемещаемого груза;
-
опасная зона работы крана – пространство, где возможно падение груза при его перемещении с учетом вероятного рассеивания при его падении.
4. Введение ограничений.
Введение ограничений делают в случае одновременной работы нескольких кранов, либо в случае попадания в опасные зоны крана, других зданий и сооружений. Принудительные ограничения осуществляются установкой автоматических отключателей, производящих автоматическое отключение крана в заданных пределах. Граница запретного сектора выделяется на местности хорошо видимыми сигналами.
При расчете ограничений поворота стрелы надо учитывать ее тормозной путь. Для этого ограничители устанавливают так, чтобы отключение поворота стрелы происходило на 2–3º раньше установленной зоны.
5.2.3 Разработка схемы движения транспорта и конструкции временных дорог
Проектирование временных автодорог производится в следующей последовательности:
-
Выбор схемы движения транспорта (сквозная, тупиковая, кольцевая)
-
Расположения дорог на СГП
-
Выбор параметров дорог (число полос, ширина, размеры площадок и уширений, радиусы поворотов, расчетная видимость и т.д.)
-
Выбор конструкции дорог.
-
Выделение опасных зон дорог.
Для внутри построечных перевозок используется автомобильный транспорт. Расположение дорог должно обеспечить подъезд автотранспорта в зону действия монтажных и погрузочно-разгрузочных механизмов к стреле вертикального транспорта, площадкам укрупнительной сборки, складам, бытовым помещениям.
При устройстве внутрипостроечных дорог максимально используем существующие дороги. Внутрипостроечная дорога имеет уширение для разгрузки длиной 18 м. При трассировке дорог соблюдаем минимальные расстояния.
– м/у дорогой и складской площадкой 0,5–1 м
– м/у дорогой и подкрановыми путями 6,5–12,5 м
м/у дорогой и забором, ограждающим площадку более 1,5 м
Тупик заканчивается разворотной площадкой (минимум 12*12 м)
Параметры дороги:
Ширина проезжей части -3,5 м и 6 м.
В зоне разгрузки устраиваем площадку шириной 6 м и длиной 18 м.
Радиус закругления‑12 м. Проезды в пределах кривых уширяем до 5 м.
Расчетная видимость по направлению движения‑50 м, боковая – 35 м.
Построечную временную дорогу осуществляем из сборных ж/б плит, уложенных на песчаную постель. Толщина слоя песка принимаем 15 см. Применяем ж/б плиты марки 1П30.18.30 длиной 3 м; шириной 1,75 м; высотой 0,17 м массой 2,2 т.
Рисунок 6.2.3. Поперечный профиль временной дороги с покрытием из плит.
Опасные зоны дорог
Устанавливаются в соответствии с нормами техники безопасности. К опасной зоне относят участки дорог, через которые проходит перемещение груза или монтаж.
5.2.4 Проектирование приобъектных складов
Проектирование производится следующим образом и в следующем порядке:
-
Определение производственных запасов материалов, места хранения и способы складирования:
-
Расчет площади складов
-
Размещение складов на стройплощадке.
Расчет площади складов производится в табличной форме на строительство надземной части.
Расчетные формулы:
Требуемая площадь для основных материалов и конструкций
- расчетный запас материала.
- норма складирования на 1 м2 площади склада с учетом проездов и проходов.
-коэффициент использования площади, учитывает проход между штабелями.
Таблица 5.2.1. Расчет приобъектных складов
| № п/п | Наименование материалов | Ед. Изм. | Потребность в материалах | Коэффициент неравномерности поставок | Коэффициент неравномерности потребления | Норма запаса, дней | Расчетный запас | Норма складирования на 1м2 | Площадь склада, м2 | Коэффициент использования площади | Полная расчетная площадь | |||
| общая | суточная | |||||||||||||
| 1* | Арматура | т | 45.559 | 0.6 | 1.1 | 1.3 | 12.0 | 10.0 | 1.1 | 9.1 | 0.8 | 11.4 | ||
| 2* | Оконные блоки | м2 | 1215.12 | 243.0 | 1.1 | 1.3 | 4.0 | 1215.1 | 45.0 | 27.0 | 0.5 | 54.0 | ||
| 3 | Сборные бетонные блоки | м3 | 153.6 | 7.3 | 1.1 | 1.3 | 10.0 | 104.6 | 2.2 | 47.5 | 0.7 | 67.9 | ||
| 4 | Плиты перекрытия | м3 | 1040 | 18.2 | 1.1 | 1.3 | 10.0 | 260.9 | 0.8 | 326.1 | 0.7 | 465.9 | ||
| 5 | Прочий сборный ж/б | м3 | 215.94 | 3.8 | 1.1 | 1.3 | 10.0 | 54.2 | 0.7 | 77.4 | 0.7 | 110.6 | ||
| 6 | кирпич | тыс. шт. | 897.44 | 15.7 | 1.1 | 1.3 | 10.0 | 225.1 | 0.7 | 321.6 | 0.8 | 402.0 | ||
| 7* | Утеплитель | м2 | 156.85 | 2.8 | 1.1 | 1.3 | 2.0 | 7.9 | 4.0 | 2.0 | 0.8 | 2.5 | ||
| 8 | Трубы стальные | пм | 1903.2 | 100.2 | 1.1 | 1.3 | 12.0 | 1718.9 | 30.0 | 57.3 | 0.8 | 71.6 | ||
| 868.1 | 1185.9 | |||||||||||||
5.2.5 Проектирование временных помещений
Временные помещения проектируются в следующем порядке:
1. Определение номенклатуры временных зданий.
2. Определение числа рабочих в наиболее многочисленную смену.
3. Расчет требуемой площади.
4. Выбор типа временных зданий.
5. Расположение зданий на СГП
Временные помещения подбираются по [15]. В качестве временных помещений используются инвентарные здания передвижного контейнерного типа.
Расчет временных помещений произведен в таблице 5.2.3. Расчету предшествует расчет количества работающих в наиболее многочисленную смену. Расчет производится в таблице 5.2.2.
Таблица 5.2.2. Расчет количества рабочих
| Категория работающих | Процентный состав, % | Количество человек | В том числе в 1ю смену | |
| в% | Количество человек | |||
| 1. Рабочие | 85 | 52 | 60 | 31 |
| 2. ИТР и служащие | 12 | 7 | 80 | 6 |
| 3. МОП и ПСО | 3 | 2 | 50 | 1 |
| ИТОГО | 100 | 38 | ||
Таблица 5.2.3. Расчет временных помещений
| Наименование помещений | Количество рабочих | Наименование показателей | Еденицы измерения | Величины показателей | Расчетная площадь или количество | Примечание |
| 1. Прорабская | 6 | S на человека | м2 | 4 | 23 | |
| 2. Гардеробная | 52 | S на человека | м2 | 0.7 | 36 | |
| 3. Умывальная | 38 | Кол-во человек | чел | 7 | 5 | 0.2 м2/чел |
| 38 | S на кран | м2 | 1.5 | 8 | > 8м2 | |
| 4. Помещение для обогрева | 38 | S на человека | м2 | 0.1 | 4 | > 8м2 |
| 5. Помещение для сушки одежды и обуви | 38 | S на человека | м2 | 0.2 | 8 | > 12м2 |
| 6. Уборные | 38 | Кол-во человек | чел | 15 | 3 | |
| 38 | S на чашу | м2 | 3 | 8 | 1 м2/10 | |
| 7. Кладовая | - | S кладовой | м2 | 60 | 60 |
5.2.6 Компоновка стройгенплана
Выполняется в графической части. На стройгенплане указываются:
-
Крайние оси здания.
-
Привязка к продольной и поперечной оси крана.
-
Контрольный груз.
-
Длина подкрановых путей.
-
Опасная зона дорог, ширина дорог.
-
Радиус поворота, направление движение автотранспорта.
-
Въезд и выезд с указанием улиц.
-
Ограждения, ворота, ограждение подкрановых путей.
-
Входы в здание.
-
Площадки складирования материалов и элементов конструкций.
-
Размещение бытовых помещений.
-
Временные и постоянные сети.
-
Пожарные гидранты.
-
Пожарный щит.
5.2.7 Проектирование временного водоснабжения, электроснабжения и канализации
1. Временное водоснабжение.
Временное водоснабжение проектируется в следующем порядке:
1. Выявление потребителей и расчет количества воды;
2. Определение наибольшего расхода по эпюре водопотребления или по формуле;
3. Определение диаметра ввода временного водопровода;
4. Выбор источника водоснабжения;
5. Проектирование схемы водоснабжения.
Во время строительства вода используется на различные нужды.
1. Производственные нужды в т.ч. технологические нужды и на обслуживание машин;
2. Хозяйственно-бытовые нужды в т.ч. хозяйственно-питьевые и на прием душа:
3. Противопожарные нужды.
Расчет количества воды производится в таблице 6.2.4.
Источником временного водопровода является сеть существующего городского водопровода. Проектирование сетей временного водопровода приведено на стройгенплане.
Показаны места подключения трассы временного водопровода к потребителям, временные и постоянные сети.
Таблица 5.2.4. Расчет количества воды
| Потребители воды | Единица измерения | Количество | Удельный расход воды, л | Коэф. неравномерности потребления | Продолжительность работы, смены | Число часов в смену | Расход воды л/с |
| Производственные нужды: | |||||||
| а) технологические нужды: | |||||||
| Штукатурные работы | 1000Vстр | 13 | 3700 | 1.5 | 28 | 8 | 0.09 |
| Малярные работы | 1000Vстр | 13 | 1000 | 1.5 | 46 | 8 | 0.01 |
| Посадка деревьев | шт. | 25 | 50 | 1.5 | 5 | 8 | 0.01 |
| Поливка газонов | м² | 200 | 10 | 1.5 | 1 | 8 | 0.10 |
| б) обслуживание машин: | |||||||
| Экскаватор | шт. | 1 | 100 | 1.6 | - | 8 | 0.01 |
| Трактор | шт. | 1 | 150 | 1.6 | - | 8 | 0.01 |
| итого | 0.23 | ||||||
| Хозяйственно-бытовые: | |||||||
| Хозяйственно-питьевые | чел. | 52 | 15 | 3 | - | 8 | 0.08 |
| итого | 0.31 | ||||||
| Противопожарные | |||||||
| Противопожарные | - | - | - | - | - | - | 10 |
| ИТОГО: Qв = 0,5 (Q1+Q2)+Q3 = 0.5 (0.23+0.08) +10 =10,16 л/с. | |||||||
Расчет водопотребления
Диаметр ввода определяется по формуле:
Источник водоснабжения – существующий водопровод.
2. Временное электроснабжение.
Временное электроснабжение проектируется в следующем порядке.
1. Установление потребителей и расчет электронагрузок.
2. Определение наибольшей нагрузки по эпюре или таблице.
3. Выбор метода электроснабжения (количества и мощности временных ТП).
4. Проектирование схемы электроснабжения (размещение временных ТП, силовых сетей и сетей освещения, расчет числа прожекторов).
Расчет производится в табличной форме (табл 6.2.5).
Расчет электрической нагрузки:
-
Для силовых потребителей:
-
Для внутреннего освещения:
-
Для наружного освещения:
Количество прожекторов:
-
Суммарная потребная мощность:
Принимаем трансформаторную подстанцию КТП СКБ – 320, мощностью 320 кВА.
Подключение производим к существующей трансформаторной подстанции.
Таблица 5.2.5. Расчет электроснабжения
| Наименование потребителей | Единица измерения | Количество | Удельная мощность на еденицу, кВт | Коэффициент спроса Кс | Коэффициент мощности, cosa | Трансформаторная мощность, кВА |
| 1. Силовая электроэнергия | ||||||
| Башенный кран | шт. | 2 | 89 | 0.5 | 0.7 | 127.14 |
| Подъемник мачтовый | шт. | 2 | 12 | 0.3 | 0.7 | 10.29 |
| Электросварочный аппарат | шт. | 2 | 20 | 0.5 | 0.4 | 50.00 |
| Краскопульт | шт. | 3 | 0.5 | 0.1 | 0.1 | 1.50 |
| Малярная станция | шт. | 1 | 10 | 0.5 | 0.6 | 8.33 |
| 2. Внутреннее освещение | ||||||
| Бытовые помещения, прорабская | м² | 59 | 0.015 | 0.8 | 1 | 0.71 |
| Уборные | м² | 8 | 0.003 | 0.8 | 1 | 0.02 |
| Навесы | м² | 100 | 0.003 | 0.35 | 1 | 0.11 |
| Кладовая | м² | 60 | 0.018 | 0.35 | 1 | 0.38 |
| 3. Наружное освещение | ||||||
| Территория строительства | 100 м² | 102 | 0.015 | 1 | 1 | 1.53 |
| Открытые склады и площадки | 100 м² | 14.5 | 0.05 | 1 | 1 | 0.73 |
| Внутренние дороги | км | 0.2 | 2.5 | 1 | 1 | 0.50 |
| Площадки земляных работ | 100 м² | 10.18 | 0.08 | 1 | 1 | 0.81 |
3. Проектирование канализации
Сброс канализационных стоков будет производиться в cуществующую городскую канализацию.
5.2.8 Технико–экономические показатели стройгенплана
-
Площадь строительной площадки в ГА и м²
F = 0,439ГА=4392,8 м²
-
Площадь застройки
Fзастр = 1143,2 м²
-
Площадь временных зданий и сооружений
Fврем = 114,39 м²
-
Коэффициент использования площади
К = Fпост + Fврем / Fстр.площ. = 1143,2+2074/4392,8=0,73
6. Экономическая часть
6.1 Определение стоимости строительства
Экономическая часть дипломного проекта включает в себя:
-
Сводный сметный расчет.
-
Объектная смета на строительство жилого 4‑х этажного общежития.
-
Сводка затрат по смете на общестроительные работы.
-
Технико-экономические показатели.
-
Расчет экономического эффекта от сокращения сроков строительства.
Объектная смета составлена на основе локальных смет на отдельные виды работ и затрат.
Сводный сметный расчет к дипломному проекту на строительство 4‑х этажного гарнизонного общежития составлены в ценах и нормах введенных в действие с 01.01.84 г. в соответствии со СНиП 1.02.01 –85 «Инструкция о составе, порядке разработки, согласования и утверждения проектно-сметной документации на строительство предприятий, зданий и сооружений».
Для определения сметной стоимости использованы:
– Сборник сметных цен на местные строительные материалы
– Каталог еденичных расценок на строительные конструкции и работы
– Сборник еденичных районных расценок на строительные конструкции и работы (ЕРЕР‑84)
– Сборник ведомственных районных расценок на ремонтно-строительные работы (ЕРЕР‑84)
При составлении сметной документации приняты следующие условия:
-
Территориальный район – 2
-
Коэффициент к зарплате – 1,2
-
Накладные расходы на общестроительные работы – 20%
6.2 Сводный сметный расчет
Таблица 7.1.
| № | Наименование глав, объектов, работ и затрат | Сметная стоимость, тыс. руб. | Всего | |||
| Строительных работ | Монтажных работ | Оборудования, мебели, инвентаря | Прочих затрат | |||
| 1 | 2 | 3 | 4 | 5 | 6 | 7 |
| Глава 1. Подготовка территории строительства | ||||||
| 1 | Отвод участка | - | - | - | 2.08 | 2.08 |
| 2 | Подготовка трритории строительства | - | - | - | 13.85 | 13.85 |
| 3 | Итого по главе 1 | - | - | - | 15.93 | 15.93 |
| Глава 2. Основные объекты строительства | ||||||
| 5 | Объектная смета | 689.33 | - | - | 3.29 | 692.62 |
| 6 | Итого по главе 2 | 689.33 | - | - | 3.29 | 692.62 |
| Глава 3. Объекты подсобного и обслуживающего назначения | ||||||
| 8 | Итого по главе 3 | - | - | - | - | - |
| Глава 4. Объекты энергетического хозяйства | ||||||
| 9 | Наружные электросети | 7.26 | 3.91 | - | - | 11.17 |
| 10 | Итого по главе 4 | 7.26 | 3.91 | - | - | 11.17 |
| Глава 5. Объекты транспортного хозяйства и связи. | ||||||
| 11 | Внутренние проезды для автотранспорта | 44.36 | - | - | - | 44.36 |
| 12 | Наружные сети радиофикации и телефонизации | 14.28 | 0.73 | 0.08 | - | 15.09 |
| 13 | Итого по главе 5 | 58.64 | 0.73 | 0.08 | - | 59.45 |
| Глава 6. Наружные сети и сооружения водоснабжения, канализации, тепло- и газоснабжения | ||||||
| 14 | Сети водопровода | 2.83 | - | - | - | 2.83 |
| 15 | Сети канализации | 3.08 | - | - | - | 3.08 |
| 16 | Тепловые сети | 3.94 | - | - | - | 3.94 |
| 17 | Итого по главе 6 | 9.85 | - | - | - | 9.85 |
| Глава 7. Благоустройство и озеленение территории | ||||||
| 18 | Вертикальная планировка | 2.02 | - | - | - | 2.02 |
| 19 | Благоустройство участка | 19.06 | - | - | - | 19.06 |
| 20 | Озеленение | 4.52 | - | - | - | 4.52 |
| 21 | Итого по главе 7 | 25.6 | - | - | - | 25.60 |
| 22 | Итого по главам 1–7 | 790.68 | 4.64 | 0.08 | 19.22 | 814.62 |
| Глава 8. Временные здания и сооружения | ||||||
| 23 | Временные здания и сооружения | 30.05 | 0.18 | - | - | 30.22 |
| 24 | Итого по главе 8 | 30.05 | 0.18 | - | - | 30.22 |
| 25 | Итого по главам 1–8 | 820.73 | 4.82 | 0.08 | 19.22 | 844.84 |
| Глава 9. Прочие работы и затраты | ||||||
| 26 | Производство работ в зимнее время – 5,64% | 46.29 | 0.27 | - | - | 46.56 |
| 27 | Затраты по снегоборьбе в районах Крайнего севера в размере 0,3% | - | - | - | 2.53 | 2.53 |
| 28 | Затраты связанные с аккордной оплатой труда – 1,4% | - | - | - | 2.53 | 2.53 |
| 29 | Средства на возмещение затрат за непрерывный стаж работников – 2% | - | - | - | 16.90 | 16.90 |
| 30 | Средства на единовременное вознагрождение за выслугу лет – 0,11% | - | - | - | 0.93 | 0.93 |
| 31 | Средства на дополнительные отпуска – 0,3% | - | - | - | 2.53 | 2.53 |
| 32 | Северное регулирование – 10,7% | - | - | - | 90.40 | 90.40 |
| 33 | Средства на премирование за ввод в действие в срок объекта – 2,21% | 18.14 | 0.11 | - | - | 18.24 |
| 34 | Итого по главе 9 | 64.43 | 0.38 | - | 115.83 | 180.63 |
| 35 | Итого по главам 1–9 | 885.15 | 5.19 | 0.08 | 135.05 | 1025.48 |
| Глава 10. Содержание дирекции (технического надзора) строящегося предприятия (учреждения) и авторский надзор | ||||||
| 36 | Затраты на осуществление авторского надзора – 0,2% | - | - | - | 2.05 | 2.05 |
| 37 | Итого по главе 10 | - | - | - | 2.05 | 2.05 |
| Глава 11. Подготовка и эксплуатация кадров | ||||||
| 38 | Итого по главе 11 | - | - | - | - | - |
| Глава 12. Проектные и изыскательские работы | ||||||
| 39 | Изыскательские работы | - | - | - | 69.26 | 69.26 |
| 40 | Разработка рабочего проекта при одностадийном проектировании | - | - | - | 20.78 | 20.78 |
| 41 | Итого по главе 12 | - | - | - | 90.04 | 90.04 |
| 42 | Итого по главам 1–12 | 885.15 | 5.19 | 0.08 | 227.14 | 1117.57 |
| 43 | Резерв средств на непредвиденные расходы и затраты – 3% | 26.55 | 0.16 | - | 6.81 | 33.52 |
| 44 | Итого по смете | 911.71 | 5.35 | 0.08 | 233.95 | 1151.09 |
| 45 | Всего возвратных сумм | 4.51 | 0.03 | - | - | 4.53 |
6.3 Объектная смета на строительство 4‑х этажного общежития
Таблица 7.2.
| № | Наименование работ и затрат | Сметная стоимость, тыс. руб. | Сметная заработная плата, тыс. руб. | Показатели еденичной стоимости, руб./м3 | ||||||
| Строительных работ | Монтажных работ | Оборудования, мебели, инвентаря | Прочих затрат | Всего | ||||||
| 1 | 2 | 3 | 4 | 5 | 6 | 7 | 8 | 9 | ||
| 1 | Общестроительные работы | 689.33 | - | - | 3.29 | 692.62 | 90.04 | 56.77 | ||
| 2 | Отопление | 13.35 | 0.08 | 0.10 | - | 13.53 | 1.76 | 1.11 | ||
| 3 | Водопровод | 7.59 | - | - | - | 7.59 | 0.99 | 0.62 | ||
| 4 | Канализация | 17.70 | - | - | - | 17.70 | 2.30 | 1.45 | ||
| 5 | Горячее водоснабжение | 4.26 | - | - | - | 4.26 | 0.55 | 0.35 | ||
| 6 | Электротехнические работы | 33.38 | 15.11 | 85.00 | - | 133.49 | 17.35 | 10.94 | ||
| 7 | Телефонизация и радиофикация | 2.35 | 2.91 | 4.26 | - | 9.52 | 1.24 | 0.78 | ||
| 8 | Итого | 767.95 | 18.10 | 89.36 | 3.29 | 878.70 | 114.23 | 72.02 | ||
6.4 Сводка затрат по смете на общестроительные работы
Таблица 7.3
| № | Наименование работ и затрат | Всего, руб | Сметная заработная плата, руб. |
| 1 | Земляные работы | 32920 | 4280 |
| 2 | Фундаменты | 133462 | 17350 |
| 3 | Перекрытие над техподпольем | 21696 | 2820 |
| 4 | Полы подвала | 316 | 41 |
| 5 | Стены | 199232 | 25900 |
| 7 | Перегородки | 26646 | 3464 |
| 8 | Встроенная мебель | 38836 | 5049 |
| 9 | Перекрытия – покрытия | 30366 | 3948 |
| 10 | Кровля | 18836 | 2449 |
| 11 | Полы | 70572 | 9174 |
| 12 | Лестницы | 9158 | 1191 |
| 13 | Окна | 26516 | 3447 |
| 14 | Двери | 24454 | 3179 |
| 15 | Внутренние отделочные работы | 40044 | 5206 |
| 16 | Наружные отделочные работы | 1712 | 223 |
| 17 | Крыльцо главного входа | 14572 | 1894 |
| Итого | 689338 | 89614 |
6.5 Технико-экономические показатели
1. Объемно-планировочные показатели:
-
площадь застройки, м2 1017,7 м2
-
строительный объем здания, м3 12199,9 м3
-
общая площадь, м2 2391,8 м2
-
жилая площадь, м2 1552,52 м2
-
отношение жилой площади к общей, К1 = 0,65
-
отношение строительного объема здания к общей площади, К2 =5,1
-
Показатели сметной стоимости:
-
стоимость общестроительных работ, 692,62 тыс. руб.
-
сметная стоимость: 1151,09 тыс. руб.
а) на 1 м3 строящегося здания, 94,35 руб.
б) на 1 м2 общей площади, 481,27 руб.
в) на 1 м2 жилой площади, 741,43 руб.
-
Показатели текущих затрат на эксплуатацию систем инженерного оборудования, 1,38 руб.
4. Показатели потребности в основных материалах на 1 м2 общей площади:
-
сборные железобетонные конструкции, 0,28 м3
-
столярные изделия, 0,29 м2
-
кирпич, 0,29 тыс. шт.
-
минераловатные плиты утеплителя, 0,25 м3
-
строительный раствор, 0,23м3
-
стекло, 0,33м2
5. Продолжительность строительства, мес.:
-
по проекту 10,4 мес.
-
по нормам 11,3 мес.
6.6 Расчет годовых эксплуатационных расходов
Технико-экономические показатели проекта используемые для расчета эксплутационных расходов.
-
Сметная стоимость общестроительных работ, 1151,09 тыс. руб.
-
Строительный объем, 12199,9 м3
-
Общая площадь, 2391,8 м2
-
Площадь пола, 1552,52 м2
-
Площадь кровли, 918 м2
-
Амортизационные отчисления
За= 1151,09*(0,8+1,1)/100 = 21,87 тыс. руб.
где 0,8 и 1,1 – нормы амортизационных отчислений для данного типа зданий
-
Затраты на текущий ремонт
Зр= 1151,09 *0,85/100 = 9,78 тыс. руб.
где 0,85 нормативные затраты на текущий ремонт.
-
Эксплуатация внутренних сантехнических систем.
Отопление и вентиляция.
Зо.в.= 13,53 * 2,6 / 10 = 3,52 тыс. руб.
Где 2,6 укрупненный показатель годовых расходов на отопление и вентиляцию зданий для районов с расчетной температурой наружного воздуха –310С, руб. на 10 м3 строительного объема.
Непроизводственное водоснабжение и канализация.
Зв.к.= 25,29 * 3,3*1,15/10 = 9,59 тыс. руб.
где 3,3 укрупненный показатель годовых расходов на непроизводственное водоснабжение и канализацию, руб. на 10 м3 строительного объема.
1,15 – коэффициент, учитывающий непрерывную работу.
-
Электроосвещение.
Зэ= 10,94*12,62*1,8 / 10 = 24,85 тыс. руб.
где 12,65 – укрупненный показатель годовых расходов на электроосвещение лампами накаливания, руб. на 10м2 общей площади;
1,8 – коэффициент, учитывающий работу в 2 смены.
6.7 Общие годовые эксплуатационные расходы по зданию составляют
Таблица 6.4
| № | Наименование затрат | Тыс. руб. |
| 1. | Амортизационные отчисления | 21,87 |
| 2. | Текущий ремонт | 9,78 |
| 3. | Эксплуатация сантехнических систем | 8,35 |
| 4. | Электроосвещение | 24,85 |
| Всего | 64,85 | |
| В процентной стоимости от строительных работ по всему зданию: | 5,63% | |
Литература
-
СНиП 2.01.07–85* Строительные нормы и правила. Гл. 2. «Нагрузки и воздействия». – М.: ЦИТП Госстроя СССР 1986 г.
-
СНиП II‑3–79 Строительные нормы и правила. Гл. 2. «Строительная теплотехника». – М.: ЦИТП Госстроя СССР 1986 г. (с изменениями от 2.08.95 г.).
-
Худяков А.Д. «Расчет теплопередачи ограждающих конструкций»: методические указания для курсового и дипломного проектирования: РИО АЛТИ, 1998 г.
-
СНиП 2.03.01–84 Строительные нормы и правила. Гл. 2. «Бетонные и железобетонные конструкции». – М.: ЦИТП Госстроя СССР 1985 г.
-
СНиП II‑22–81 Строительные нормы и правила. Гл. 2. «Каменные и армокаменные конструкции». – М.: ЦИТП Госстроя СССР 1983 г.
-
Вахненко П.Ф. «Каменные и армокаменные конструкции» – К.: Будивэльнык, 1990. –184 с.
-
СНиП 2.02.01–83 Строительные нормы и правила. Гл. 2. «Основания зданий и сооружений». – М.: ЦИТП Госстроя СССР 1985 г.
-
Толмачев В.В., Троицкий Г.М., Хоменко В.П. «Инженерно-строительное освоение закарстованных территорий» – М.: Стройиздат, 1986. – 176 с.
-
Толмачев В.В., Ройтер Ф. «Инженерное карстоведение» – М.: Недра, 1990. – 151 с.
-
СНиП 3.04.01–87 Строительные нормы и правила. Гл. 2. «Изоляционные и отделочные покрытие». – М.: ЦИТП Госстроя СССР 1988 г.
-
Невзоров А.Л., Рюмина Е.Б. «Проектирование фундаментов» Методические указания для курсового проектирования: РИО АЛТИ, 1999 г. – 56 с.
-
СНиП 1.04.03–85 Строительные нормы и правила. Гл. 1. «Нормы продолжительности задела в строительстве предприятий, зданий и сооружений». – М.: ЦИТП Госстроя СССР 1987 г. – 550 с.
-
СНиП 3.05.06–85 Строительные нормы и правила. Гл. 3. «Электротехнические устройства». – М.: ЦИТП Госстроя СССР 1986 г.
-
Шепелев А.Л. «Нормативно-справочные материалы для проектирования возведения жилых и общественных зданий» – Архангельск: РИО АЛТИ 1984 г.
-
Дикман Л.Г. Организация и планирование строительного производства М.: Издательство АСБ, 2002. –512 стр.
-
Панибратов Ю.П., Барановская Н.И., Костюк М.Д. Экономические расчеты в курсовых и дипломных проектах: Учебное пособие для спецю ВУЗов – М.: Высшая школа –1984. –175 с.
-
ЕНиР. Сборник Е1. Внутрипостроечные транспортные работы. Госстрой СССР. – М.: Прейскурантиздат – 1987. – 123 с.
-
ЕНиР. Сборник Е3. Каменные работы. Госстрой СССР. – М.: Прейскурантиздат – 1987. – 53 с.
-
ЕНиР. Сборник Е4, выпуск 1. Монтаж сборных и устройство монолитных железобетонных конструкций. Госстрой СССР. – М.: Прейскурантиздат – 1987. – 64 с.
-
ЕНиР. Сборник Е7. Кровельные работы. Госстрой СССР. – М.: Прейскурантиздат – 1987. – 123 с.
-
СНиП 12–03–2001 Строительные нормы и правила. Безопасность труда в строительстве. Часть 1 Общие требования. – М.: ЦИТП Госстроя России 2001 г.
-
СНиП 12–04–2002 Строительные нормы и правила. Безопасность труда в строительстве. – М.: ЦИТП Госстроя России 2002 г.
-
Добронравов В.Н. «Строительные машины и механизмы» – М.: Недра, 1990. – 151 с.
















