126349 (593222), страница 4
Текст из файла (страница 4)
.
8. Определим крутящий момент на шпинделе станка:
.
9. Расчет мощности привода станка производим по формуле:
,
где
- механический КПД станка,
- эффективная мощность станка,
,
,
10. Выбор оборудования.
Для данной операции выбираем горизонтально-фрезерный универсальный консольный станок 6Т804Г. При выборе станка принималось во внимание мощность необходимая при резании и габариты рабочей зоны станка, а также величины ходов рабочего стола.
Технические характеристики станка [12, с.54, т.40]
Размеры рабочей поверхности стола, мм 200
800
Наибольшие перемещение стола, мм:
продольное 400
поперечное 160
вертикальное 320
Расстояние от оси шпинделя до поверхности стола, мм 30-350
Внутренний конус шпинделя по ГОСТ 15975-82 40
Число скоростей шпинделя 12
Частота вращения шпинделя, об/мин 63…2800
Число рабочих подач стола 12
Подача стола, мм/мин:
продольная 11,2-500
поперечная ручная
вертикальная ручная
Скорость быстрого перемещения стола, мм/мин:
продольная 3800
поперечная 3800
вертикальная 3800
Мощность электродвигателя привода главного движения, кВт 2,2
Габаритные размеры:
длина, мм 1315
ширина, мм 1205
высота, мм 1350
Масса, кг 800
11. Согласование частоты вращения фрезы и подачи с техническими характеристиками станка.
Строим ряд чисел оборотов станка:
,
.
Значения чисел вращения оборотов станка сводим в таблицу:
Таблица 2.11
| 63 | 88,94 | 125,58 | 177,3 | 250,3 | 353,4 | 499 | 704,6 | 994,8 | 1404,6 | 1983,1 | 2800 |
Принимаем
.
Определим минутную подачу по формуле [12, с.282]:
.
Аналогично строим ряд подач:
,
,
Полученные значения продольных подач станка сводим в таблицу 26
Таблица 2.12
| 11,2 | 15,81 | 22,34 | 31,56 | 44,57 | 62,96 | 88,93 | 125,62 | 177,43 | 250,6 | 353,9 | 500 |
Принимаем
.
Тогда фактическая подача на зуб фрезы :
.
12. Вычислим действительную скорость резания:
.
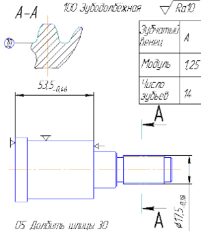
2.12.5 Шлицедолбление
Рисунок 2.15
1. Выбор оборудования
Для данной операции выбираем зубодолбежный станок 5122Б [11, c.41, т.26]. При выборе станка принимаем во внимание длину хода долбяка.
Технологические характеристики (размеры в мм):
Наибольший диаметр устанавливаемой заготовки 200;
Наибольшая ширина нарезаемого зубчатого венца 30;
Число двойных ходов долбяка в минуту 200-1200;
Наибольший модуль нарезаемого зубчатого колеса 4,5 ;
Круговая подача, мм/дв. Ход 0,051-0,55;
Радиальная подача, мм/дв. ход 0,003-0,286;
Мощность электродвигателя главного привода, кВт 3,7;
Габаритные размеры(д
ш
в) 2610
1510
1965;
Масса, кг 4500;
2. Выбор инструмента.
В качестве инструмента принимаем дисковый прямозубый долбяк - класс точности А. Материал долбяка Р6М5. Геометрические параметры m = 1,25, z = 14, L = 40.
рисунок 2.16
3. Определение круговой подачи.
Круговая подача назначается согласно модулю колеса по [ 12, с. 678, т.16]: S = 0,2 мм/дв. ход
В зависимости от материала обрабатываемой детали значение подачи необходимо умножить на поправочный коэффициент Кs = 0,9 [ 12, с. 679, т.18]:
Sкр = S
= 0,2
= 0,18 мм/дв.ход
Согласуем подачу со станком и принимаем Sкр.ст=0,18 мм/дв.ход
4. Определение радиальной подачи.
Радиальную подачу принимают равными
мм/дв.ход.
Согласуем подачу со станком и принимаем Sр.ст=0,036 мм/дв.ход
5. Определение скорости резания.
Скорость резания определяют по [ 12, с. 678, т.17]:
V = 30 м/мин
В зависимости от обрабатываемого материала значение скорости необходимо умножить на поправочный коэффициент Кv = 0,9 [ 12, с. 679, т.18]:
м/мин.
6. Определение числа двойных ходов.
Число двойных ходов долбяка в минуту:
,
где L – длина хода долбяка, состоящая из ширины нарезаемого зубчатого венца и перебегов в обе стороны от венца [ 12, с. 678, т.19]:
мм.
Тогда
дв.ход/мин.
Согласуем со станком и принимаем
=1000дв.ход/мин.
7. Определение действительной скорости резания.
16,6 м/мин.
8. Определение основного времени.
,
где z – число нарезаемых зубьев, z = 14,
nдв.ход – число двойных ходов долбяка, nдв.ход = 1000 дв.ход/мин,
Sкр – круговая подача, Sкр = 0,18 мм/дв.ход,
Sр – радиальная подача, Sр = 0,036 мм/дв.ход,
h – высота зуба, h = 1,8
m – делительный окружной модуль, m= 1,25
Тогда
0,92мин
Размещено на Allbest.ru
















