126349 (593222), страница 2
Текст из файла (страница 2)
0,24
По этому показателю деталь также технологична, поскольку
<0,32 [8, с.35].
Коэффициент использования материала
,
где
- масса готовой детали,
0,185 кг;
- масса заготовки,
0,72 кг. Тогда
2.1 Выбор и обоснование метода, оборудования и параметров формообразования заготовки
Решение задачи формообразования детали в любом производстве целесообразно перенести на заготовительную стадию и тем самым снизить расход материала, уменьшить долю затрат на механическую обработку в себестоимости готовой детали. Очень важно правильно выбрать заготовку и назначить оптимальные условия ее изготовления. При этом необходимо учитывать технологические свойства материала, конструктивную форму и размеры детали, а также программу выпуска.
Поскольку в данной работе выполняется проектирование плана технологического процесса изготовления детали в условиях серийного производства, то к методу формообразования заготовки предъявляются следующие требования:
- дешевизна процесса изготовления (исходя из расчета стоимости на одну заготовку)
- высокий коэффициент использования материала;
- высокая производительность метода.
Штамповкой невозможно изготовить отверстие диаметром 23 мм и переход с диаметра 28 мм на 21 мм. Экономия материала при изготовлении заготовки штамповкой будет незначительной по сравнению с заготовкой из сортового проката. Экономия материала не покроет затраты на оснастку и оборудование, необходимое для изготовления заготовки детали штамповой.
Исходя из этого, исходной заготовкой для получения детали полумуфты правой выберем пруток.
2.2 Выбор и технико-экономическое обоснование этапов технологического процесса изготовления, комплектов технологических баз, методов и последовательности обработки поверхностей детали
В основу разработки технологических процессов положены три принципа: технический, экономический и организационный.
В соответствии с техническим принципом проектируемый технологический процесс должен полностью обеспечить выполнение требований чертежа и технических условий на изготовление данного изделия. К ним относят точность деталей, качество поверхностей деталей машин, технологичность деталей и конструкций.
Детали характеризует точность размеров, формы и взаимного положения в пространстве отдельных ее конструктивных элементов. В зависимости от требования конечной точности и условий работы деталей в узле назначают точность изготовления отдельных деталей, т.е. обеспечивают математическую связь между замыкающим звеном в той или иной сборочной единице и ее составляющими звеньями. При этом, чем выше требуемая точность замыкающего звена, тем с более высокой точностью должны быть выполнены размеры деталей – звеньев размерной цепи. Методы достижения требуемой точности замыкающих звеньев изложены в ГОСТ 16319-80.
Качество поверхностей деталей авиационного двигателя определяется геометрическими и физико-механическими параметрами. К геометрическим параметрам относится отклонение формы (ГОСТ 26642-81), волнистость и шероховатость (ГОСТ 2789-73). К физико-механическим параметрам относятся твердость, глубина и интенсивность упрочнения, величина и характер внутренних напряжений. Часть этих параметров (например, шероховатость поверхности и твердость) оговаривается на рабочих чертежах деталей. Другие показатели (например, глубина и интенсивность упрочнения, величина и характер залегания внутренних напряжений), ввиду отсутствия надежных средств цехового контроля, обычно не находят отражения в технических условиях. Однако знание характера влияния этих параметров на долговечность деталей позволяет при разработке технологических процессов положительно влиять на качество отдельных деталей и машин в целом за счет применения методов упрочняющей технологии или соответствующих режимов обработки, геометрии режущего инструмента и пр.
В соответствии с экономическим принципом изделия должны изготовляться с минимальными затратами труда и издержками производства. Для этого необходимо обеспечить следующее:
1. Заготовки по форме и размерам должны приближаться к готовым деталям. Степень приближения зависит от программы выпуска; при большой программе приближение должно быть максимальным. В этом случае припуски на обработку и объем последующей механической обработки будут минимальными.
2. Схемы базирования детали должны обеспечивать максимальную простоту и надежность конструкции приспособлений.
3. Припуски на чистовую, черновую и окончательную обработку должны быть рационально распределены.
4. Последовательность и структура операций должны выбираться так, чтобы качественное изготовление деталей происходило при минимальных затратах времени и материальных средств. При этом необходимо применять современные методы и виды обработки.
5. Оборудование должно быть высокопроизводительным и мощным, позволяющим сконцентрировать большое количество переходов, одновременно использовать большое число режущих инструментов, механизировать и автоматизировать вспомогательные работы.
6. Технологическая оснастка должна быть высокопроизводительной, эффективной, точной, с минимальным временем на установку и снятие заготовок.
7. Режущий и мерительный инструмент должен быть стандартным и широко распространенным.
8. Режимы резания должны быть оптимальными, т. е. при обработке максимально используют мощность станка и стойкость режущего инструмента.
9. Нормы времени должны быть технически обоснованными.
В соответствии с организационным принципом изготовление детали должно осуществляться в условиях, обеспечивающих максимальную эффективность производства, а именно:
1. Форма организации технологического процесса должна соответствовать типу производства.
2. Размещение оборудования на участке должно обеспечивать непрерывное изготовление изделия и минимально протяженные пути транспортировки.
3. Каждое рабочее место должно соответствовать требованиям научной организации труда и санитарно-гигиеническим нормам.
4. Обеспечение рабочих мест заготовками, инструментом, смазочно-охлаждающими жидкостями, уборкой стружки должно быть своевременным.
Для этой стадии проектирования рациональна определенная последовательность решений.
1. Составление укрупненного плана обработки заготовки, устанавливающего рациональную последовательность формообразующих операций. При этом в качестве отправной точки могут быть использованы заводской или типовой технологический процессы, либо рекомендации литературных источников о разделении технологического процесса на этапы с указанием их содержания и последовательность, либо укрупненная типовая схема рациональной последовательности этапов обработки заготовки, обобщающая многолетний опыт машиностроения.
2.Выявление конструкторских баз расположения поверхностей и отсчета координатных размеров и связей с ними исходных поверхностей заготовки и необрабатываемых поверхностей детали. Проверка возможности использования при базировании на первых операциях необрабатываемых поверхностей детали для материализации скрытых основных баз, а также исходных поверхностей заготовки в качестве технологических баз для обработки явных основных баз. Принятие предварительных решений (после выполнения первых операций) о возможности совмещения технологических баз с конструкторскими или о целесообразности применения специальных технологических баз.
3.Установление технологических комплексов поверхностей, представляющих собой совокупность поверхностей, которые следует обработать с единой установочной базы.
Одной из наиболее сложных и принципиальных задач проектирования технологических процессов механической обработки является назначение технологических и измерительных баз. От правильного выбора технологических баз в значительной мере зависят фактическая точность выполнения размеров, заданных конструктором; правильность взаимного расположения обрабатываемых поверхностей; степень сложности приспособлений, режущих и измерительных инструментов; общая производительность обработки заготовок.
Исходными данными при выборе баз являются: рабочий чертеж детали, технические условия на ее изготовление, вид заготовки и состояние ее поверхностей, желаемая степень автоматизации. Перед выбором баз для конкретной операции необходимо четко сформулировать задачи, которые должны быть решены в результате выполнения данной операции. Эти задачи вытекают из чертежа и технических условий на изготовление данной детали.
Выбор баз производится исходя из размерных связей между поверхностями. Это находит отражение в принципах совмещения баз и постоянства баз, соблюдение которых обеспечивает формирование наиболее коротких размерных цепей.
Технологические базы должны иметь точность не ниже, чем у обрабатываемых поверхностей. Для большинства операций это требование соблюдается, и такие базы называют чистыми.
Исключение составляют первые операции каждого этапа, базы для которых подготовлены на предшествующем этапе и уступают по точности и качеству обрабатываемым поверхностям.
Это объясняется некоторой специфичностью задач решаемых на первой операции. Их можно определить следующим образом:
- установить связи, определяющие расстояния и повороты поверхностей, получающихся при обработке, относительно поверхностей остающихся необработанными;
- равномерно распределить имеющиеся припуски между обрабатываемыми поверхностями.
Выбору баз на первой операции предшествует определение поверхностей, которые будут использоваться в качестве баз на последующих операциях.
Черновые базы могут быть использованы на каждом этапе только один раз и для координации только одной из обрабатываемых поверхностей.
Почти всегда возможна реализация нескольких вариантов базирования. Но обычно при выборе баз руководствуются следующими рекомендациями:
-
Базы должны обладать достаточной протяженностью.
-
Заготовка должна занимать в приспособлении надлежащее ей положение под действием собственного веса, а не в результате приложения зажимных усилий.
-
Базовые поверхности должны быть чистыми для обеспечения однозначности базирования. Не допускается использовать поверхности со следами разъема штампов, литейных форм, остатками литниковой системы
Помимо формообразующих операций при составлении плана технологического процесса необходимо оговорить наличие термических, гальванических, слесарных, контрольных и других вспомогательных операций. Также необходимо установить технологические комплексы поверхностей, которые следует обрабатывать с одной установочной базы (обычно это поверхности, связанные жёсткими допусками на взаимное положение).
План технологического процесса в виде операционных эскизов составляют по рабочему чертежу детали. Такой план является результатом решения всех основных технологических задач. Им устанавливается границы между операциями и последовательность операций в техпроцессе, установочные и исходные базы, схемы закрепления заготовки.
Для данной детали полумуфта правая было признано наиболее целесообразным разбиение технологического процесса на пять этапов, а именно:
1. Заготовительный этап. Исходной заготовкой для получения детали полумуфты выберем пруток. На заготовительном этапе точность поверхностей соответствует 14 квалитету и шероховатость - Rz=80 мкм.
2. Черновой этап. На этом этапе производится первичное формообразование поверхностей полумуфты. Определяется общая конфигурация поверхностей. Этот этап в механической обработке характеризуется большой величиной снимаемых припусков, большими числами подач, большими силами резания при относительно невысоких скоростях резания. На черновом этапе используются станки с числовым программным управлением (ЧПУ), обеспечивающие приемлемую точность перемещения режущего инструмента с учетом достаточно сложной траектории движения при достаточно больших силах резания. При обработке данной детали наиболее характерная операция – токарная. При проектировании чернового этапа также учитывалась нежелательность совмещения в одной операции токарных и расточных переходов и соответственно инструментов. При проектировании чернового этапа соблюдалось правило единой установочной базы – на черновом этапе (как и во всем технологическом процессе изготовления) используются два комплекта установочных баз. Достигаемая точность поверхностей соответствует 11-12 квалитету при шероховатости поверхностей Rz=40 мкм.
3. На получистовом этапе уточняется форма поверхностей. Контур детали начинает приобретать формы, близкие к готовым. Ряд поверхностей на этом этапе обрабатываются окончательно и дальнейшей обработке не подлежат. После получистового этапа следует термообработка, призванная уменьшить напряжения в материале детали, возникающие при последующих операциях. При термообработке на поверхности детали может образовываться оксидная пленка, обладающая значительной твердостью. При этом могут возникать проблемы с дальнейшей обрабатываемостью детали металлическим инструментом. Для удаления окисной пленки с поверхности детали применяется травление в растворах щелочей или кислот. На получистовом этапе достигаемая точность соответствует 9-10 квалитетам, а шероховатость поверхности достигает Ra=2,5 мкм.
4. На чистовом этапе деталь приобретает форму максимально соответствующую готовому изделию. Большинство поверхностей приобретают параметры поверхности, заданные непосредственно рабочим чертежом детали. Наиболее характерны для этого этапа чистовые токарные и шлифовальные операции. Режимы резания на этом этапе характеризуются достаточно большими скоростями, при небольших величинах подач. Также сравнительно маленькую толщину имеют снимаемые припуски. На чистовом этапе достигается точность по 8-7 квалитетам и шероховатость Rа=1,25 мкм.
2.3 Расчёты, оптимизация и обоснование потребного количества технологических операций (переходов) формообразования поверхностей-представителей детали АД
Анализ назначения детали, ее конфигурации и конструктивных особенностей, обоснование возможного способа получения заготовки для заданной производственной программы и определение примерного объема механической обработки позволяют начать работу над проектированием технологического процесса.
При проектировании технологического процесса необходимо разработать графический план обработки заготовки, установить состав и последовательность операций, указав для каждой обрабатываемые поверхности, методы их обработки, характеристики точности и схемы установки.
Рисунок 2.2 Схема нумерации поверхностей полумуфты правой
Основными поверхностями полумуфта сопрягается в машине отвечающими им основными поверхностями других деталей.
Остальные поверхности являются свободными и подобных функций не выполняют. Однако с позиции механической обработки общим признаком основных поверхностей нужно считать не отмеченную выше роль поверхности в агрегате, а то, что эти поверхности имеют значительно более высокую, чем другие, заданную точность обработки.
Примерное количество операций обработки основной поверхности можно определить по следующим формулам:
-
из условия обеспечения заданной точности размера
,
где
- допуск размера заготовки, мкм;
- допуск размера детали, мкм;
- коэффициент, его значение выбирают из диапазона (0,35…0,55). Обычно принимают
0,45.
-
из условия обеспечения заданной шероховатости поверхности
,
где
- шероховатость поверхности заготовки, мкм;
- шероховатость поверхности детали, мкм;
- коэффициент, значение выбирают из того же диапазона. Обычно принимают
0,40.
В результате выявляется как количество операций обработки основных поверхностей, так и методы, необходимые для выполнения каждой операции.
То же самое будет справедливо и для любой свободной поверхности. Разница лишь в том, что ввиду малой точности свободной поверхности количество операций ее обработки получается меньшим.
В качестве примера произведем расчет наружной цилиндрической поверхности 10, координированной размером Ø35k6.
Шероховатость поверхности, заданная чертежом детали, составляет
1,25. Шероховатость поверхности исходной заготовки (после штамповки) принимаем равной
=80.
Число переходов, необходимое для обеспечения заданной точности размера, определим следующим образом:
3,7
Потребное для достижения заданной шероховатости число переходов равняется:
3,01
Принимаем количество ступеней обработки равное 3,
4.
Заданная точность размера цилиндрической поверхности 10 достижима в результате принятого количества ступеней обработки. Шероховатость заготовки поверхности должна изменяться по переходам следующим образом: по параметру
20 - 10 - 5 - 2,5 - 1,25. Точность поверхности заготовки должна изменяться по переходам IT14 – h12 – h10 – h8 – k6
Формируем возможный вариант обработки:
-
Точение черновое – h12,
10; -
Точение получистовое – h10,
5; -
Точение чистовое – h8,
2,5; -
Шлифование – k6,
1,25;
Аналогично производим расчеты и прорабатываем варианты обработки других поверхностей детали. Результаты сводим в таблицу 2.2.
2.4 Разработка, обоснование, оптимизация и оформление сводной карты и предварительного плана технологического процесса изготовления полумуфты правой
В настоящее время большинство вновь создаваемых технологических процессов создаются в электронном виде. Этому способствуют достоинства электронных носителей и способов обработки информации:
- возможность создания и копирования в кратчайшие сроки (определяемые производительностью компьютера) больших объемов информации;
- более высокая долговечность электронных носителей информации (CD-ROM) по сравнению с аналогичными бумажными;
- хранимая информация занимает значительно меньшие физические объемы, не является пожароопасной;
- возможность объединения различных компьютеров в единую локальную сеть с возможностью обмена данными, что ускоряет процесс проектирования;
- простота внесения изменений во все экземпляры документа, вне зависимости от места его нахождения;
- возможность структурирования пользователей по правам доступа;
- возможность работы с отдельными различными частями документа одновременно нескольких пользователей без повреждения исходного образца и т.п.
Вышеперечисленные достоинства свидетельствуют о преимуществе виртуальных способов хранения информации перед физическими в условиях современного общества.
Для большинства предприятий современной промышленности хранение всей документации, в том числе и технологической, в виртуальном виде стало обязательной к исполнению нормой.
Технологические процессы в электронном виде легче создавать и, при необходимости, корректировать.
В качестве основы при выполнении электронной версии плана технологического процесса изготовления вала винта была принята предварительная версия, разработка которой изложена в п.п. 2.3, 2.4. При создании технологического процесса был использован пакет автоматизированного компьютерного проектирования Компас 7+.
При создании электронной версии исходный технологический процесс был несколько усовершенствован и откорректирован – было окончательно определено место и содержание вспомогательных операций в общем плане технологического процесса (были добавлены слесарные операции и несколько изменен порядок их следования).
Также было определено общее место операций термообработки, окончательно выбран тип и назначение термообработки.
2.5 Расчёты припусков на обработку и операционных размеров-диаметров всех цилиндрических поверхностей нормативным методом
полумуфта правый деталь поверхность
В случае расчёта припусков нормативным методом рекомендованный припуск 2Zрек не вычисляется по составляющим, а назначается из таблиц по рекомендациям [3,с.112]. Заполнение всех последующих граф начинается с последней ступени обработки, для которой расчетный размер равен размеру готовой детали.
Расчётные значения размеров для вала на предшествующих ступенях обработки определяются как сумма расчётного размера Dрасч и соответствующего ему рекомендованного припуска 2Zрек на данной ступени обработки:
Расчётные значения размеров для отверстия на предшествующих ступенях обработки определяются как разница расчётного размера Dрасч и соответствующего ему рекомендованного припуска 2Zрек на данной ступени обработки:
.
Минимальный припуск 2Zmin на данной ступени обработки считается, как разница между рекомендованным значением припуска на данной обработке и допуском на размер на предшествующей обработке:
.
Принятый припуск принимается исходя из условия:
для лезвийного инструмента
для доводочных операций.
Все данные сводим в таблицу 2.3.
2.6 Расчёты припусков на обработку и операционных размеров-диаметров цилиндрических поверхностей расчётно-аналитическим методом
При расчетно-аналитическом методе рассчитывают минимальный припуск для тел вращения на диаметр определяют по следующей зависимости[3, с.96] :
2zmin=2(Rzi-1+hi-1+
), где
-
Rzi-1 – высота неровностей поверхности, оставшихся при выполнении предшествующего перехода, мкм;
-
hi-1 – глубина дефектного поверхностного слоя, возникшая на предшествующем переходе [3,с.89] ,мкм;
-
i-1 – пространственные отклонения, возникшие на предшествующем переходе,мкм:
=
;
где
-
кор и см – пространственные отклонения, обусловленные соответственно короблением заготовки и смещением ее элементов [3, с.108];
Δкор= ΔкорКу;
Δсм=ΔсмКу,
где
-
Ку – коэффициент уточнения [3,с.18];
-
i – погрешность установки на данной операции [3,с.20];
=б+з,
где
-
б и з – погрешность базирования и закрепления соответственно.
Расчетный припуск определяется:
2zном=2zmin+Тi-1,
при этом используется только отрицательная часть припуска заготовки.
Операционные размеры определяются по следующим формулам:
-
для наружной поверхности:
Dp.i-1=Dmax i+2zном i;
Dmin i= Dmax i-Ti;
2zmax i= Dmax i-1- Dmin i;
2zmin= Dmin i-1- Dmax i
-
для внутренней поверхности:
Dp.i-1=Dmшт i-2zном i;
Dmax i= Dmin i+Ti;
2zmax i= Dmax i- Dmin i-1;
2zmin= Dmin i- Dmax i-1.
Расчеты поверхностей приведены в таблице 2.4
Проанализировав, можно сделать вывод о примерной равноценности обоих методов расчета припуска – расчетно-аналитическом и нормативном. У каждого из этих методов есть своя область применения и, в целом, они дают весьма сходные результаты. Принципиальное их отличие в способе назначения. Расчетно-аналитический метод пытается работать с «реальными» величинами, которые могут отличаться при различных типах производства, используемого технологического оборудования и, даже, для различных деталей. Применение расчетно-аналитического метода более оправдано при массовом производстве, где есть возможность с максимальной полнотой учесть все разнообразные факторы, влияющие на деталь, что компенсирует его повышенную трудоемкость. Нормативный метод базируется на уже существующих нормативах, которые соединяют в себе весь многолетний опыт наблюдения и анализа. Он проще для употребления, дает весьма достоверные результаты, однако менее экономичен (результаты расчета припусков расчетно-аналитическим методом дают, как правило, несколько меньшую величину) и часто не учитывает специфику конкретной детали или конкретных условий производства. При серийном и единичном типах производства предпочитают пользоваться нормативным методом.
2.7 Расчёты припусков на обработку операционных размеров-координат плоских торцевых поверхностей расчётно-аналитическим методом
Припуски при обработке торцевых поверхностей рассчитываются по формуле:
;
где
- шероховатость поверхности, полученная на предшествующей операции, мкм;
- глубина дефектного поверхностного слоя, полученная на предшествующей операции, мкм;
- пространственные отклонения на предыдущей операции, мкм;
- погрешность установки на данной операции, мкм.
Для примера рассмотрим расчет припусков переднего торца 5:
-
черновое точение: Rz=80мкм, h=60мкм;
-
чистовое точение: Rz=40мкм, h=15мкм;
Пространственное отклонение, обусловленное короблением заготовки, можно не учитывать ввиду малой протяженности торцевых поверхностей.
Погрешность установки в осевом направлении по данным [3,с.20, т.1] составляют:
-
черновое точение: =50мкм;
-
чистовое точение: =30мкм;
Отсюда, минимальный припуск на:
-
черновое точение: Zi min = 80+150+0+50 = 280 мкм;
-
чистовое точение: Zi min = 40+60+0+30 = 85 мкм;
Результаты расчета припусков на другие поверхности приведены в таблице 2.5
2.8 Разработка, выполнение и анализ размерной схемы формообразования и схем размерных цепей плоских торцевых поверхностей полумуфты
Для расчета межоперационных и общих припусков, операционных размеров торцевых поверхностей и допусков на них разрабатывают размерную схему технологического процесса обработки этих поверхностей и разрабатывают соответствующие технологические размерные цепи.
Размерную схему процесса разрабатывают на основе плана технологического процесса. Для этого вычерчиваем контур готовой детали, указываем в направлении торцов слои межоперационных припусков на обработку. Указываем расстояние между торцевыми поверхностями размерами Адет, Bдет, Cдет в соответствии с координацией размеров на рабочем чертеже с учетом количества обработок торцевых поверхностей, условно показываем операционные припуски и соответствующие размеры заготовки Aзаг., Bзаг, Cзаг. Все исходные, промежуточные и окончательные торцевые поверхности нумеруем по порядку слева на право от 1 до n. Через нумерованные поверхности проводим вертикальные линии, затем в зонах номеров соответствующей операции, между вертикальными линиями начиная с последней операции с учетом эскизов установки и обработки плана технологического процесса, указываем технологические размеры, получаемые при выполнении каждой операции соответствующими буквами. Операционные размеры представляем в виде стрелок с точкой. Точка совмещается с установочной базой, а стрелка с поверхностью, обработанной в данной операции.
Справа от размерной схемы для каждой операции выявляем и строим схемы технологических размерных цепей. Выявление размерных цепей по размерной схеме начинаем с последней операции. Построение выполняем таким образом, чтобы в каждой новой цепи был неизвестен только одно звено. И так до получения всех операционных размеров и размеров заготовки с допусками и предельными отклонениями.
После построения размерной схемы обработки торцевых поверхностей делаем проверку. Она заключается в том, что сумма начерченных конструкторских размеров и припусков равна сумме операционных размеров и числу размеров заготовки.
Размерная схема представлена на чертеже 2006.СТАТЫЛ.243-03
2.9 Расчёты и оптимизация припусков на обработку и операционных размеров-координат торцевых поверхностей с использованием методов теории графов размерных цепей
Для выявления сложных размерных цепей целесообразно построение графа размерных связей, который начинают с технологической установочной базы первой операции обработки резанием. Технологические базы всех операций должны быть непосредственно связаны между собой размерами. Чтобы построить дерево необходимо выбрать какую-либо вершину. Первоначально выбранная вершина называется корневой. Построение дерева может начинаться с любой вершины. Если принять поверхности заготовки и детали за вершины, а связи между ними (размеры) за ребра, то процесс обработки детали, начиная с заготовки до готовой детали можно представить в виде двух деревьев – исходного и производного, соответственно. Дерево с конструкторскими размерами и размерами припусков на обработку называется исходным, а дерево с технологическими размерами – производным. Если оба этих дерева для конкретной детали совместить, то такой совмещенный граф в закодированной форме позволяет представить геометрическую структуру технологического процесса обработки рассматриваемой детали. В таком графе все размерные связи и технологические размерные цепи из неявных превращаются в явные. Появляется возможность, не прибегая к чертежу детали, а пользуясь только этой информацией, носителем которой является совмещенный граф, производить все необходимые исследования и расчеты. Любой замкнутый контур на совмещенном графе, состоящий из ребер исходного и производного деревьев, образует технологическую размерную цепь. В ней ребро исходного дерева является замыкающим звеном, а ребра производного дерева являются составляющими звеньями [4, с.28].
За основу при построении исходного и производного деревьев берут размерную схему процесса формирования торцевых поверхностей.
Сначала строим производное дерево, а затем – исходное дерево.
Перед построением совмещенного графа необходимо проверить:
а) на размерной схеме технологического процесса количество операционных размеров, учитывая размеры заготовки, должно равняться количеству конструкторских размеров, включая общее количество припусков;
б) к каждой поверхности должна подходить одна и только одна стрелка.
После проверки правильности построения деревьев их совмещают так, чтобы вершины с одинаковыми номерами совпали. Совмещенный граф производного и исходного деревьев и является графом технологических размерных цепей.
Граф размерных цепей представлен чертеже 2006.СТАТЫЛ.243-04
Уравнения размерных цепей заносим в таблицу 2.6
Таблица 2.6
| № | Уравнения размерных цепей | Искомый размер |
| 1 | Dдет=D160 | D160 |
| 2 | Z8-9= D90-D160 | D90 |
| 3 | Bдет=B80 | B80 |
| 4 | Z4-5= B60-B80 | B60 |
| 5 | Aдет= A50-Bдет | A50 |
| 6 | Z12-13= A40-A50 | A40 |
| 7 | Z2-3=A30-A40 | A30 |
| 8 | Z13-14=A20-A30 | A20 |
| 9 | Z1-2= HЗАГ -A20 | HЗАГ |
| 10 | Сдет=C40 | C40 |
| 11 | Z6-7=C40-C20+А30-А40 | C20 |
| 12 | Eдет= E90 | E90 |
| 13 | Z10-11= E90-E30+ A40-A50 | E30 |
Результаты расчета уравнений размерных цепей торцевых поверхностей сводим в таблицу 2.7.
2.10 Проектирование и выполнение чертежа заготовки полумуфты правой
Учитывая назначение и условия работы детали, ее конфигурацию, свойства материала и тип производства (серийное), а также типовые рекомендации, в качестве заготовки был выбран пруток.
Исходя из предполагаемой конфигурации заготовки, разработанной ранее с учетом принятого метода ее получения, и рассчитанных с помощью расчетно-аналитического и нормативного методов размеров заготовки, выполняем чертеж заготовки полумуфты правой 2006.СТАТЫЛ.243-05 в масштабе 1:1 на листе формата А4
2.11 Формирование окончательного плана маршрутно-операционного технологического процесса
Первичное формирование плана технологического процесса обработки полумуфты осуществлялось в домашнем задании осеннего триместра. При расчетах припусков и анализе технологического процесса с использованием прикладной теории графов план пересматривался с точки зрения его оптимизации для получения наибольшей эффективности, т.е. получения заданных параметров точности поверхностей с минимальными затратами.
При пересмотре структура технологического процесса подверглась усовершенствованиям и изменениям:
-
были добавлены формообразующие операции – введена заготовительная операция на которой производится раскрой сортового прутка на заготовки;
-
введение термических операций после;
-
изменено количество и общее расположение по технологическому процессу дополнительных операций – контрольных, слесарных.
Все сделанные изменения, несмотря на некоторое увеличение общего количества операций, повысили общую экономичность технологического процесса.
Уточненная и измененная версия плана технологического процесса выполнена в электронном виде с помощью системы компьютерного проектирования КОМПАС 7+,представлена в чертеже 2006.СТАТЫЛ.243-06, формат А1.
Маршрут обработки поверхностей полумуфты.
005 Заготовительная;
010 Термообработка;
020 Токарная с ЧПУ;
030 Токарная с ЧПУ;
040 Токарная;
050 Токарная;
060 Токарная;
070 Притирочная;
080 Шлифовальная;
090 Токарная;
100 Зубодолбёжная;
110 Зубошлифовальная;
120 Универсально-фрезерная;
130 Фрезерная;
140 Фрезерная;
150 Термообработка;
160 Токарная;
170 Термообработка;
180 Шлифовальная;
190 Токарная;
200 Токарная;
210 Токарная;
220 Токарная;
230 Токарная;
240 Токарная;
250 Токарная;
260 Шлифовальная;
270 Шлифовальная;
280 Слесарная;
290 Слесарная;
300 Контрольная;
310 Наружный осмотр, окончательный контроль, приемка детали.
Заполнение нормативной документации.
2.12 Разработка и оформление комплекта технологической документации, в т.ч.: все маршрутные, 5 операционных карт и 5 операционных эскизов
2.12.1. Точение
Расчет режимов резания проводим для токарной операции № 060.
Рисунок 2.3
05 – Точить поверхность 10
1.Выбор оборудования.
Для данной операции выбираем станок 16Б04A токарно-винторезный [6, с.16, т.9]. При выборе станка принимаем во внимание мощность необходимую для резания и максимальный диаметр обрабатываемой детали.
Технологические характеристики
Наибольший диаметр обрабатываемой заготовки: 39,9
Наибольшая длина обрабатываемой заготовки, мм 98,6
Частота вращения шпинделя, об/мин 320-3200
Число скоростей шпинделя бесступенчатое регулирование
Подача суппорта:
продольная, мм/мин 0,01-0,175
поперечная, мм/мин 0,005-0,09
Мощность электродвигателя главного привода, кВт 1,2
Габаритные размеры:
длина, мм 1310
ширина, мм 690
высота, мм 1360
Масса, кг 1245
2. Выбор и обоснование режущего инструмента.
Так как обрабатывается наружная и прилегающая к ней торцовая поверхности, то выбирается токарный проходной отогнутый резец с пластинами из твердого сплава по ГОСТ 18868-73 [6, с.119, т.4]. Материал резца - твердый сплав Т15К6.
Рисунок 2.4
Эскиз резца приведен на рисунке Основные параметры резца:
H = 16 мм; B = 10 мм; L = 100 мм; m = 8 мм; R = 0,5 мм; a=8 мм;
3. Определение величины подачи инструмента.
Назначим подачу [6, с.266, т.11] S = 0,5 мм/об. Т.к. станок имеет бесступенчатое регулирование подач, то принимаем выбранное значение подачи
мм/об
4. Выбор периода стойкости инструмента.
Выберем период стойкости инструмента, учитывая, что ведется черновая обработка Т = 60 мин.
5. Определение общего поправочного коэффициента Kv.
Определим общий поправочный коэффициент:
,
где
- коэффициент обрабатываемости стали,
;
,
[6, с.262, т.2],
- коэффициент, учитывающий влияние инструментального материала на скорость резания [6, с.263, т.6],
=1,0;
- коэффициент, учитывающий влияние состояние поверхности заготовки на скорость резания [6, с.263, т.5],
=0,9;
- коэффициенты, учитывающие влияние параметров резца на скорость резания [6, с.271, т.18],
.
6. Расчет скорости резания.
Определим скорость резания по формуле [12,с.265]:
,
где
; x=0,15;y = 0,35; m = 0,20 [12,с.269, т.18],t-глубина резания, S-подача,
м/мин
7. Расчет частоты вращения заготовки и действительной скорости резания.
8. Расчет силы резания
Расчет силы резания осуществим по формуле [6, с.271]:
,
где
; x = 1,0; y = 0,75; n = -0,15 [6, с.273, т.22],
t = 3,25 мм – глубина резания,
,
где
- коэффициент, учитывающий влияние качества обрабатываемого материала на силовые зависимости [6, с.264, т.9],
- коэффициенты, учитывающие влияние геометрических параметров режущей части инструмента на силы резания [6, с.275, т.23],
;
9. Определим крутящий момент
Определим крутящий момент по формуле [6, с.271]:
.
10. Расчет мощности привода станка
Расчет мощности привода станка производим по формуле:
,
где
- механический КПД станка,
- эффективная мощность станка,
,
,
11. Произведем расчет выбранных элементов режима резания:
,
1,2 > 1,172 – условие выполняется.
12. Расчет основного времени точения
Расчет основного времени точения производим по формуле:
где S-подача исходя из характеристик станка,
-длины обработки, подвода, врезания и перебега
.
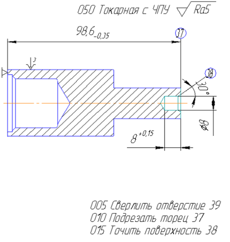
Подрезать торец 9
1. Выбор инструмента.
Для подрезки торца выбираем токарный подрезной отогнутый резец с пластинами из твёрдого сплава по ГОСТ18880-73 (2, стр.121, т.8), материал резца – Т15К6. Эскиз резца представлен на рисунке 2.5
Рисунок 2.5
H=16; B=12; L=100; m=5; a=12; r=1
2. Определение глубины резания.
При черновом точении глубина резания принимается равной припуску на обработку. t=z=0,35мм.
3. Определение подачи.
S=0,4 (мм/об) (2, стр.266, т.11).
4. Определение скорости резания.
Скорость резания при точении рассчитывают по формуле:
;
Где Т=60 мин, Сv=47, x=0,15, y=0,35, m=0,20;
;
где
, (2. стр.261, т.1);
, (2. стр.263, т.6);
, (2. стр.263, т.5);
;
Таким образом, скорость резания будет равна:
(м/мин).
5. Определение расчетной частоты вращения шпинделя.
Расчетная частота вращения определяется по формуле:
(об/мин).
6. Определение силы резания.
При точении составляющие силы резания рассчитывают по формуле:
;
где Cp=200, x=1, y=0,75, n=0 – при расчете тангенциальной составляющей Pz;
Cp=125, x=0,9, y=0,75, n=0 – при расчете радиальной составляющей Py;
Cp=67, x=1,2, y=0,65, n=0 – при расчете осевой составляющей Рх (2, стр.273, т.22);
;
kmp=
(2, стр.264, т.9).
kp=1,08 – при расчете тангенциальной составляющей Pz;
kp=1,3 – при расчете радиальной составляющей Py;
kp=0,78 – при расчете осевой составляющей Рх (2, стр.275, т.23);
kp=1,25 – при расчете тангенциальной составляющей Pz;
kp =2 – при расчете радиальной составляющей Py;
kp =2 – при расчете осевой составляющей Рх (2, стр.275, т.23);
kp=1,0 – при расчете тангенциальной составляющей Pz;
kp =1,7 – при расчете радиальной составляющей Py;
kp =0,65 – при расчете осевой составляющей Рх (2, стр.275, т.23);
Таким образом поправочный коэффициент будет равен:
– при расчете тангенциальной составляющей Pz;
– при расчете радиальной составляющей Py;
– при расчете осевой составляющей Рх;
Составляющие силы резания будут равны:
(Н);
(Н);
(Н).
7. Определение мощность резания.
При точении мощность резания рассчитывают по формуле:
(кВт).
11. Произведем расчет выбранных элементов режима резания:
,
1,2 > 0,893 – условие выполняется.
12. Расчет основного времени точения
Расчет основного времени точения производим по формуле:
,
где S-подача исходя из характеристик станка,
-длины обработки, подвода, врезания и перебега
.
2.12.2 Сверление
Расчет режимов резания производим для операции № 050 .
Рисунок 2.6
Переход 005 – Сверлить отверстие 39
1. Выбор оборудования.
Для данной операции выбираем станок 16Б04A токарно-винторезный [6, с.16, т.9]. При выборе станка принимаем во внимание мощность необходимую для резания и максимальный диаметр обрабатываемой детали.
Технологические характеристики
Наибольший диаметр обрабатываемой заготовки: 200
Наибольшая длина обрабатываемой заготовки, мм 350
Частота вращения шпинделя, об/мин 320-3200
Число скоростей шпинделя бесступенчатое регулирование
Подача суппорта:
продольная, мм/мин 0,01-0,175
поперечная, мм/мин 0,005-0,09
Мощность электродвигателя главного привода, кВт 1,2
Габаритные размеры:
длина, мм 1310
ширина, мм 690
высота, мм 1360
Масса, кг 1245
2. Выбор режущего инструмента.
Для сверления отверстия 39 8 мм используем спиральное сверло с коническим хвостовиком по ГОСТ 10903-77 [6, с.137, т.40]. Материал режущей части быстрорежущая сталь Р6М5К5. Эскиз сверла приведен на рисунке. Хвостовик из конструкционной стали 40Х.
Геометрические параметры сверла.
Рисунок 2.7
Основные данные инструмента занесены в таблицу 2.8
Таблица 2.8
| Инструмент | , град | 1, град | , град | , град | f,мм | a,мм | c,мм | D,мм |
| Сверло | 12 | - | 10 | 125 | - | 0.5 | - | 8 |
3. Назначение глубины резания.
Под глубиной резания при сверлении подразумевается расстояние от обрабатываемой поверхности до оси сверла (при сверлении в сплошном металле):
4. Расчет величины подачи.
Назначаем величину подачи в зависимости от обрабатываемого материала, диаметра обработки, материала инструмента и др. технологических факторов [6, с.277, т.25].
Для диаметра сверла 8мм, подача 0,11…0,14мм/об.
Sрасч = 0,12мм/об.
5. Согласование подачи с техническими характеристиками станка.
Строим ряд частот вращения шпинделя:
.
Значения частот вращения шпинделя сводим в таблицу 2.9
Таблица 2.9
| 20 | 25.2 | 31.7 | 40 | 50.2 | 63.2 | 79.6 | 100.2 | 126.2 | 158.8 | 200 |
| 251.7 | 316.9 | 398.9 | 502.2 | 632.3 | 796 | 1002 | 1261 | 1588 | 2000 |
Аналогично строим ряд подач:
.
Значение подач сводим в таблицу
Таблица 2.10
| 0.056 | 0.079 | 0.112 | 0.158 | 0.223 | 0.314 | 0.444 | 0.627 | 0.885 | 1.25 | 1.76 | 2.5 |
В соответствии со станком принимаем S = 0,112 мм/об.
6. Стойкость режущего инструмента.
Т.к. сверло из быстрорежущей стали диаметром 8 мм, то принимаем Т=25 мин [6, с.279, т.30].
7. Определение поправочного коэффициента.
Общий поправочный коэффициент Кv включает в себя только Киv—учитывающий влияние инструментального материала и Кlv—учитывающий глубину сверления.
Кv= Киv Кlv=11=1
8. Расчет скорости резания.
Рассчитаем скорость резания по формуле [6, c.276]:
V
=
,
где C
= 7; q = 0,4; y = 0,7; m = 0,2 [6, c.279, т.28],
V
=
м/мин.
9. Расчет частоты вращения сверла.
Расчет производим по формуле :
.
Согласуем частоту вращения с характеристиками станка:
nст=1588 об/мин.
Определим действительную скорость резания:
.
10. Расчет осевой силы резания.
Рассчитаем осевую силу резания по формуле [6, c.276]:
P
,
где k
= k
=
[6, c.264, т.9],
C
= 68; q = 1; y = 0,7 [6, с.281, т.32].
P
Н.
11. Расчет крутящего момента.
Определим крутящий момент по формуле [6, с.277]:
М
.
На возникающие при сверлении осевую силу и суммарный крутящий момент сопротивления резанию оказывают влияние следующие основные факторы: обрабатываемый материал, геометрические параметры сверла, смазывающе-охлаждающие жидкости, износ сверла, глубина сверления, скорость резания, подача.
С
= 0,0345, q = 2, y = 0,8 [6, c.281, т.32],
М
Нм.
12. Расчет мощности привода станка.
Мощность электродвигателя, необходимая для резания, определяется с учётом КПД станка (0,7…0,8).
Рассчитаем мощность привода станка по формуле:
N
=
,
где, N
=
- мощность, затрачиваемая на резание (эффективная мощность).
N
=
кВт,
N
=
кВт,
,
1,869< 4,5 – условие выполняется,
M
< M
,
Нм,
3,6 < 32,2 – условие выполняется.
13. Расчет основного машинного времени.
,
где lПОДВ =2мм – длина подвода;
lОБР =8мм –длина обработки;
lПЕРЕБ =2мм – длина перебега.
.
Переход 010 – Подрезать торец 37
1. Выбор инструмента.
Для подрезки торца выбираем токарный подрезной отогнутый резец с пластинами из твёрдого сплава по ГОСТ18880-73 (2, стр.121, т.8), материал резца – Т15К6. Эскиз резца представлен на рисунке 2.8.
Рисунок2.8
H=16; B=12; L=100; m=5; a=12; r=1
2. Определение глубины резания.
При черновом точении глубина резания принимается равной припуску на обработку. t=z=0,5мм.
3. Определение подачи.
S=0,4 (мм/об) (2, стр.266, т.11).
4. Определение скорости резания.
Скорость резания при точении рассчитывают по формуле:
;
Где Т=60 мин, Сv=47, x=0,15, y=0,35, m=0,20;
;
где
, (2. стр.261, т.1);
, (2. стр.263, т.6);
, (2. стр.263, т.5);
;
Таким образом скорость резания будет равна:
м/мин.
5. Определение расчетной частоты вращения шпинделя.
Расчетная частота вращения определяется по формуле:
об/мин.
















