125910 (593180), страница 2
Текст из файла (страница 2)
Мn – момент движущих сил (двигателя);
Мо – момент сил сопротивления (рабочего органа);
с1, с2 – жесткости валов;
k1, k2 – коэффициенты демпфирования;
ε – геометрическое скольжение.
На основании дифференциальных уравнений, которые описывают поведение привода в процессе работы, была составлена его динамическая модель. Далее выполняем исследование составленной модели. Нагружаем модель единичным ступенчатым воздействием, которое воздействует на вал двигателя.
4.4 Определение инерционных характеристик подвижных
деталей и жесткости элементов привода
Моменты инерции вращающихся звеньев определяются расчетным путем [4]. Приведенный момент инерции вращающихся деталей двигателя:
где
Приведенный момент инерции вращающихся деталей рабочего органа:
где
Приведенный момент инерции колеса:
где
Приведенный момент инерции диска:
где
Рассчитаем жесткости валов:
где
- модуль упругости 2-го рода (сдвига),
Жесткость шлицевого вала:
Жесткость винта:
4.5 Реализация динамической модели в Simulink
На основе системы дифференциальных уравнений (п. 4.3) с помощью интерактивной системы Simulink для моделирования нелинейных динамических систем составим схему динамической модели привода с фрикционным вариатором (рис. 4.3). Обозначения переменных, используемых в схеме динамической модели приведены в таблице 4.1.
Таблица 4.1 - Обозначения переменных, используемых
в динамической модели
| Описание переменной | Обозначение | Схема | Ед. |
| Приведенный момент инерции вращающихся деталей двигателя | Is | Is | кг*м2 |
| Приведенный момент инерции вращающихся деталей рабочего органа | Ip | Ip | кг*м2 |
| Приведенный момент инерции колеса | I1 | I1 | кг*м2 |
| Приведенный момент инерции диска | I2 | I2 | кг*м2 |
| Угловые координаты вращающихся масс | φs, φp, φi | - | рад |
| Момент движущих сил (двигателя) | Мn | Mn | Н*м |
| Момент сил сопротивления (рабочего органа); | Мо | Мо | Н*м |
| Жесткость шлицевого вала | с1 | с1 | Н/м |
| Жесткость винта | с2 | с2 | Н/м |
| Коэффициент демпфирования | k1 | k1 | - |
| Коэффициент демпфирования | k2 | k2 | - |
| Коэффициент запаса сцепления колес | β | b | - |
| Геометрическое скольжение | ε | е | - |
Рисунок 4.3 – Реализация динамической модели в Simulink
Исходные данные:
Is=1.3545;
Ip=1.6205;
I1=4.6934;
I2=262.0864;
c1=3163;
c2=3500;
Mn=22.2;
Mo=15;
e=0.08;
k1=0.7;
k2=0.7;
b=1,3.
5 Анализ динамических процессов в объекте
5.1 Анализ динамических процессов во временной области
Из анализа графиков видно, что из-за инерционных свойств объектов,
из-за упругих свойств, геометрического скольжения и силы трения разгон системы происходит замедленно. Перемещение диска в период первой секунды приложения крутящего момента вал двигателя, практически равно нулю (рис. 5.1–5.4).
Это обусловлено упругими свойствами вала и винта и инерционными свойствами колеса и диска, поэтому в момент пуска происходит задержка вращения, затем при преодолении крутящим моментом момента проскальзывания происходит вращение диска.
Рисунок 5.1 – Зависимость угла поворота вала двигателя (рад) от времени (с)
Рисунок 5.2 – Зависимость угла поворота колеса (рад) от времени (с)
Рисунок 5.3 – Зависимость угла поворота диска (рад) от времени (с)
Рисунок 5.4 – Зависимость угла поворота рабочего органа (рад) от времени (с)
5.2 Представление динамической модели
в пространстве состояний
Динамическая модель, описанная дифференциальными уравнениями, может быть представлена в форме матричных уравнений (матрицы А, В, С, D) или представлена в виде передаточной функции. Так как модель имеет 4 степени свободы, то преобразование Лапласа необходимое для получения передаточной функции произвести достаточно трудно. Поэтому представим модель в форме матриц, используя для их расчета интерактивную систему MATLAB.
Дифференциальные уравнения динамической модели:
Преобразуем систему.
Представим модель в матричной форме:
Введем следующие обозначения:
Динамическая модель принимает вид:
Умножим обе части уравнения на обратную матрицу
:
Обратную матрицу
с помощью MATLAB:
L=[Is 0 0 0; 0 I1 0 0; 0 0 I2 0; 0 0 0 Ip];
inv(L)
ans =
0.7383 0 0 0
0 0.2131 0 0
0 0 0.0038 0
0 0 0 0.6171.
Умножим обратную матрицу
на матрицу
:
F=[-k1 k1 0 0; 0 -k1 k1 0; 0 k2 -k2 0; 0 0 k2 -k2];
ans =
-0.7000 0.7000 0 0
0 -0.7000 0.7000 0
0 0.7000 -0.7000 0
0 0 0.7000 -0.7000
ans=inv(L)*F
ans =
-0.5168 0.5168 0 0
0 -0.1491 0.1491 0
0 0.0027 -0.0027 0
0 0 0.4320 -0.4320
Умножим обратную матрицу
на матрицу
:
R=[-c1 c1 0 0;c1 -c1 0 0; 0 0 -c2 c2; 0 0 c2 -c2];
ans=R
-3163 3163 0 0
3163 -3163 0 0
0 0 -3500 3500
0 0 3500 -3500
ans=inv(L)*R
ans =
1.0e+003 *
-2.3352 2.3352 0 0
0.6739 -0.6739 0 0
0 0 -0.0134 0.0134
0 0 2.1598 -2.1598
Умножим обратную матрицу
на матрицу
:
К=[Mn; -(e-b)*Mn; -(b-e)*Mn; -Mo];
ans=K
22.2000
27.0840
-27.0840
-15.0000
ans=inv(L)*К
16.3898
5.7707
-0.1033
-9.2564
Матрицы А, В, С, D имеют вид:
Введем полученные матрицы в M-file MATLAB и получим передаточную функцию динамической модели, которая описывает реакцию модели на скачкообразное задающее воздействие (рис. 5.5, 5.6).
A=[0 0 0 0 1 0 0 0;
0 0 0 0 0 1 0 0;
0 0 0 0 0 0 1 0;
0 0 0 0 0 0 0 1;
-2335.2 2335.2 0 0 -0.5168 0.5168 0 0;
673.9 -673.9 0 0 0 -0.1491 0.1491 0;
0 0 13.4 13.4 0 0.0027 -0.0027 0;
0 0 2159.8 -2159.8 0 0 0.4320 -0.4320];
B=[0; 0; 0; 0; 16.3898; 5.7707; -0.1033; -9.2564];
C=[1 0]; D=[0].
Передаточная функция имеет вид:
W(s) = (-2.132e-014 s^7 + 16.39 s^6 + 6.586 s^5 + 3.275e004 s^4 - 2343 s^3- 6.166e006s^2 - 7.573e004 s + 1.407e008)/(s^8 + 1.101 s^7 + 5156 s^6 + 3080 s^5 + 6.401e006 s^4 + 6.915e005 s^3 - 1.742e008 s^2 - 2.015e007 s + 2.25e-007).
Рисунок 5.5 – Переходной процесс в динамической модели
Рисунок 5.6 – Амплитудно-фазо-частотная и фазо-частотная характеристики
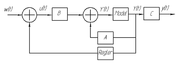
Из анализа графиков видно, что колебания в модели возрастают и она не устойчива. Поэтому необходимо спроектировать регулятор (корректирующее звено) (рис. 5.7), чтобы динамическая модель имела затухающие колебания при переходном процессе и малое время успокоения (1-5 секунд) с перерегулированием не более 10-15%.
Рисунок 5.7 – Динамическая модель с модальным регулятором
5.4 Проектирование модального регулятора
Идея создания модального регулятора заключается в том, чтобы подобрать его коэффициенты так, чтобы полюса замкнутого контура регулирования оказались в заштрихованной области. Это обеспечит затухающие колебания при переходном процессе и малое время успокоения с перерегулированием не более 10-15% (рис. 5.7).
Рисунок 5.8 – Область расположения полюсов устойчивых систем
Для построения модального регулятора необходима проверка управляемости модели.
Проверку управляемости произведем с помощью критерия Калмана:
если ранг квадратной матрицы Ss(n,n)=[B A*B A2*B … An-1*B] равен порядку матрицы n, то модель, описываемая матрицами А, В, С, D, является управляемой. Порядок матрицы А динамической модели равен 8.
Ранг матрицы – максимальный размер квадратной матрицы, определитель которой не равен нулю.
Ранг матрицы можно определить с помощью функции rank в MATLAB:
Ss=ctrb(A,B);
rank(Ss);
ans=8.
Ранг матрицы А динамической модели равен порядку, значит модель управляема.
Методом подбора назначаем полюса для новой передаточной функции замкнутого контура. С помощью MATLAB можно найти коэффициенты модального регулятора и получить переходной процесс в динамической модели с регулятором (рис. 5.9).
p=[-7-0.2i -7+0.2i -5-0.5i -5+0.5i -5 -6 -17 -10];
k=place(A,B,p);
sysE=ss(A-B*k,B,C,D);















