124659 (592996), страница 8
Текст из файла (страница 8)
Час підйому валу рівний 3,99 секунди.
Сумарний час пауз рівний 2,77 секунди.
Цикл прокатки рівний 38,6 секунди.
Таблиця 3.7 – Енергосилові параметри прокатки в кліті «Кварто»
| № проходу | Висота задавємої смуги, h,, мм | Середня висота, Нср, мм | Середня ширина, Вср, мм | Обтиснення, Δh, мм | Довжина осередку деформації, ld, мм | Середній ступінь деформації, ε, % | Середня швидкість деформації, U, 1/с | Температура по проходах, ТºС | Межа плинності, σТ, Н/мм2 | Показник m=ld/Нср | Коефіцієнт напруженого стану, nσ | Показник n=Bcp/Нср | Середній питомий тиск, Рср, Н/мм2 | Повний тиск прокатки, Р, МН | Момент прокатки, М, МН·м |
| 1 | 16 | 13,5 | 2104 | 5 | 40,8 | 31,3 | 10,82 | 1040 | 128,09 | 3,02 | 1,51 | 155,9 | 221,7 | 19,02 | 0,73 |
| 2 | 11 | 9 | 2104 | 4 | 36,5 | 36,4 | 15,06 | 1030 | 140,27 | 4,05 | 1,76 | 233,8 | 284,4 | 21,82 | 0,76 |
| 3 | 7 | 6 | 2104 | 2 | 25,8 | 28,6 | 18,00 | 1015 | 142,97 | 4,30 | 1,82 | 350,7 | 300,0 | 16,28 | 0,41 |
| 4 | 5 | 4,5 | 2104 | 1 | 18,2 | 20,0 | 19,70 | 990 | 145,12 | 4,05 | 1,76 | 467,6 | 294,2 | 11,29 | 0,21 |
| 5 | 4 | 4 | 2104 | 0 | 0,0 | 0,0 | 0,00 | 945 | 0,00 | 0,00 | 0 | 0,0 | 0,0 | 0,00 | 0,00 |
Таблиця 3.8 – Перевірка на нагрів двигунів кліті «Кварто»
| № проходу | Момент прискорення без металу, Мр, МН·м | Момент прискорення з металом, МУ, МН·м | Момент при прокатці з пост. швид., Мп, МН·м | Момент уповільнення з металом, Мз, МН·м | Момент при зупинці, МО, МН·м | Мр2·tp | МУ2·tУ | МΘУ2·tΘУ | Мп2·tп | МΘЗ2·tΘЗ | МО2·tО | ΣМi2·ti |
| 1 | 0,164 | 0,882 | 0,73 | 0,522 | -0,196 | 0,011 | 1,182 | 0,856 | 0,000 | 0,214 | 0,020 | 2,283 |
| 2 | 0,164 | 0,905 | 0,76 | 0,545 | -0,196 | 0,011 | 1,246 | 0,902 | 1,098 | 0,234 | 0,008 | 3,498 |
| 3 | 0,164 | 0,557 | 0,41 | 0,197 | -0,196 | 0,011 | 0,471 | 0,341 | 0,652 | 0,030 | 0,001 | 1,507 |
| 4 | 0,164 | 0,355 | 0,21 | -0,005 | -0,196 | 0,011 | 0,192 | 0,139 | 0,244 | 0,000 | 0,016 | 0,602 |
| 5 | 0,164 | 0,150 | 0,00 | -0,210 | -0,196 | 0,011 | 0,034 | 0,025 | 0,000 | 0,035 | 0,016 | 0,121 |
0,054 3,125 2,263 1,995 0,513 0,062 8,011
0,456
середньоквадратичний момент прокатки рівний:
4 МЕХАНІЧНА ЧАСТИНА
4.1 Розрахунок деформації і міцності валкового вузла
Загальне прогинання робочого валу 4-х валкового стану складається з прогинання опорного валу і власне прогинання, визначуваного сплющенням робочого і опорного валів по поверхні контакту і вигином вільних від смуги торцевих ділянок бочки робочого валу. Таким чином, робочі і опорні вали працюють за різними схемами навантаження.
Визначаємо розподіл зусилля між робочими і опорними валами, враховуючи, що мінімальний діаметр валів після переточування:
,
.
Таким чином робочі вали сприймають
від загального тиску на вали при прокатці.
Прогинання опорного валу визначаємо по методиці Целікова А.И. [5]:
де
– діаметр шийки опорного валу;
а – відстань між осями натискних гвинтів;
с – відстань від осі натискного гвинта до краю бочки опорного валу;
– смуга контакту;
і
– модулі пружності матеріалу опорного валу.
Під дією зусилля прокатки вали сплющуються в радіальному напрямі. Деформація сплющення досягає великих значень при прокатці тонких смуг.
В наслідок нерівномірності розподілу міжвалкового тиску по довжині бочки, величина зближення осей валів в різних перетинах буде різною. Тому, робочий вал одержує додатковий вигин на величину
Визначаємо різницю прогинання у центрі і у краю бочки:
де
– площа поперечного перетину бочки:
;
Визначаємо різницю прогинання середини і по краю смуги:
Поперечну різнотовщинність визначимо як:
де
– різниця прогинання в середині і у краю смуги;
– величина зближення осей валів в різних перетинах унаслідок нерівномірності розподілу міжвалкового тиску по довжині бочки.
де
– погонне зусилля прокатки,
– коефіцієнт Пуассона,
– підстава натурального логарифму,
що менше допустимого значення для станів гарячої прокатки (0,3 – 1,0 мм) [5].
При розрахунку по спрощеній формулі (спеціальна частина) сумарний прогин опорного та робочого валів:
що також менше допустимого значення.
Тоді різнотовщинність (2.8):
при допустимому значенні – 0,5 мм [1].
Розрахуємо на міцність опорний вал.
Напругу вигину в бочці валу визначаємо по формулі:
де
– момент опору поперечного перетину бочки валу на вигин.
Допустима напруга для сталевих валів
Перевіримо на міцність шийку опорного валу:
Розрахунок на міцність робочого валу.
Шийку валу розраховуємо на вигин і кручення:
Допустима напруга для чавунних валів виходячи з п'ятикратного запасу міцності:
Висновок: При знайдених напругах вал працюватиме довго, оскільки ці напруги менше допустимих.
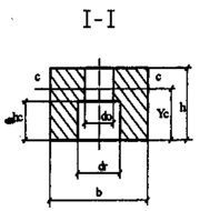
4.2 Розрахунок станини закритого типу на міцність і визначення її жорсткості
Станини розраховують на максимальне вертикальне зусилля, діюче при прокатці на шийку валу.
Для спрощення розрахунку, станину закритого типу представляють у вигляді жорсткої прямокутної рами (рис. 4.1), що складається з двох однакових стійок і двох поперечин. Верхня поперечина має отвір для натискного пристрою, розрахуємо цю поперечину.
Площа перетину:
Рис. 4.1 Станина закритого типу
Статичний момент перетину щодо осі х-х:
Ордината центру ваги:
Момент інерції перетину щодо осі х1-х1, що проходить через центр ваги:
















