124042 (592890), страница 4
Текст из файла (страница 4)
д) при аварийном увеличении проточек воды через торцевое уплотнение, уплотнения и разрывы трубопровода;
е) при утечках масла, приводящих к снижению уровня масла в маслованнах электродвигателя ниже установленного минимума;
ж) при задевании лопастями рабочего колеса о камеру;
з) при переливании масла через выгородки маслованн с попаданием на статор и ротор электродвигателя;
и) при появлении течи масла из гидропривода разворота лопастей.
Электрогидропривод предназначен для разворота лопастей рабочего колеса НА во время его работы.
Для включения в работу электрогидропривода необходимо:
-
токосъемный узел приводного двигателя электрогидропривода привести в рабочее положение;
-
включить автомат питания электрических цепей электрогидропривода;
-
на панели управления нажатием соответствующих кнопок (увеличение – уменьшение угла установки лопастей) включить электрогидропривод. По шкале-указателю сельсина-приемника установить угол, соответствующий заданному режиму работы НА;
-
после установки необходимого угла разворота отключить приводной двигатель, токосъемный узел перевести в нерабочее положение.
При работе электрогидропривода могут наблюдаться следующие неисправности:
а) электрогидродвигатель маслонасоса работает, но лопасти рабочего колеса насоса не разворачиваются, причины:
-
низкий уровень масла в барабане;
-
протечка масла в соединениях;
б) разбрызгивание масла из соединений узлов гидропривода, причины:
-
высокий уровень масла в барабане;
-
негерметичность соединений.
Транспортировка воды из нижнего бьефа к приемному бассейну осуществляется с помощью напорного металлического трубопровода.
Во время эксплуатации трубопровод следует подвергать периодическому осмотру ежесменно.
Принцип работы, эксплуатация и техническое обслуживание КСВ. При включении насоса в работу на управляемый электромагнитный вентиль подается ток, вентиль перекрывает отверстие, соединяющее надмембранную полость сифона.
В начале работы насоса, при затопленном выходном отверстии водовыпуска, вода, подаваемая в напорный трубопровод, сжимает находящийся там воздух. Под действием сжатого воздуха мембрана отжимается от патрубка и открывает выход для воздуха из полости сифона в атмосферу.
Обратный клапан предотвращает повышение давления в надмембранной полости при перемещении мембраны в сторону надмембранной крышки.
После заполнения водой системы напорный трубопровод – сифон, давление в полости сифона становиться равным атмосферному. Под действием собственного веса и веса уплотнительного диска мембрана опускается и перекрывает проходное отверстие клапана. В полости сифона устанавливается давление ниже атмосферного. Под действием разницы давлений, действующих на прижимной диск мембраны, уплотнение прижимается к патрубку, обеспечивая герметичное перекрытие проходного отверстия КСВ.
При отключении электродвигателя насоса электромагнитные запорные вентили обеспечивают и сообщают надмембранную полость с полостью сифона. Воздух из подмембранной полости перетекает в полость сифона.
В надмембранной полости устанавливается давление по величине близкое давлению в полости сифона. В результате этого на части мембраны, непосредственно находящейся в контакте с атмосферным давлением, за счет разницы давлений атмосферного и в надмембранной камере возникает усилие, которое отжимает мембрану от парубка, тем самым, открывая доступ воздуха в полость сифона. Вакуум в сифоне срывается [3].
На рисунке 1.2 изображена упрощенная схема НС со всеми прилегающими строениями.
1.2 Структура, назначение, технические характеристики и информационные потоки на насосных станциях
НС, представляя достаточно сложный технологический объект для эксплуатации с одной стороны, с другой стороны является объектом, удовлетворяющим потребности народного хозяйства, и поэтому важной задачей является обеспечение надежной работы оборудования НС.
Для того чтобы НС работала в нормальном режиме, нужно поддерживать на заданном уровне технические параметры, характеризующие технологический процесс, а для этого в свою очередь просто необходимо иметь надежные средства измерения и средства управления.
На рисунке 1.3 приведена структура НС РГП «Канал им. К. Сатпаева» в разрезе, по ней наглядно видно из каких частей состоит станция.
На НС установлены насосы типа ОПВ-185, они предназначены для перекачки технически чистой воды с температурой до плюс 50 0С. Насосы ОПВ-185 могут использоваться при различных напорах и различной подаче в пределах рабочей части их характеристик.
Регулирование подачи и напора воды осуществляется путем разворота лопастей рабочего колеса с помощью механизма разворота (ОПВ-185) или с помощью электропривода (ОПВ-186). В таблице 1.2 приведены технические данные насосов типа ОПВ.
Таблица 1.2 – Технические данные насосов типа ОПВ
| Наименование параметра | ОПВ-10-185 | ОПВ-11-185 |
| Тип подвода воды к насосу | Коленчатое | Коленчатое |
| Число оборотов в минуту, об/мин | 333 | 333 |
| Вращение, если смотреть сверху на электродвигатель | Левое | Левое |
| Подача, м3/с | 12-18,5 | 14-19,5 |
| Напор (оптимальный), метры водного столба | 20,5 | 17,5 |
| КПД насоса, % | 80-86 | 80-86 |
| Мощность на валу насоса, кВт | 4300 | 4000 |
| Рекомендуемая мощность электродвигателей, кВт | 5000 | 5000 |
| Заглубление оси рабочего колеса (минимальное), м | 3,5 | 2,5 |
| Диапазон разворота лопастей (для ОПВ-185 ЭГ), С0 | +3 -9 (0 + -9) | 0 + -8 (0 + -8) |
| Количество лопастей, шт. | 6 | 4 |
| Угонная скорость вращения, об/мин | 520 | 520 |
Установленные на канале синхронные электродвигатели ВДС-325 предназначены для привода насосов типа ОПВ-10-185 и ОПВ-11-185.
Синхронный электродвигатель ВДС-135 нормально работает с выдачей реактивной мощности 2-2,5 МВАр, но при этом напряжение на шинах 6 кВ не должно превышать 6,0-6,3 кВ, ток возбуждения не больше 340 А, ток статора не больше 566 А. В таблице 1.3 приведены паспортные данные возбудителя.
Таблица 1.3 - Паспортные данные возбудителя
| Наименование параметров | Количество |
Мощность возбудителя, кВт | 76/5 |
| Напряжение, В | 180/40 |
Электродвигатель выполнен с вертикальным валом подвесного типа, имеющим два направляющих подшипника и подпятник, которые установлены в масляных ваннах верхней и нижней крестовин, где установлены маслоохладители.
В таблице 1.4 приведены паспортные данные электродвигателя ВДС-325/44-18.
Таблица 1.4 – Паспортные данные электродвигателя ВДС-325/44-18
| Наименование параметров | Количество |
| Мощность, кВт кВА | 5000 5900 |
| Напряжение, В | 6000 |
| Ток статора, А | 566 |
| Напряжение возбуждения, В | до 150 |
| Ток возбуждения (ротора), А | 340 |
| Коэффициент мощности, - | 0,9 опережающий |
| Скорость вращения, об/мин | 333 |
| КПД, % | 94,6 |
| Вес, Н | 50100 |
Вентиляция электродвигателя осуществляется по замкнутому циклу с охлаждением воздуха воздухоохладителями, установленными на обшивке статора. Имеется отбор воздуха для обогрева здания НС в зимнее время.
На каждой НС установлен трансформатор для собственных нужд, типы трансформаторов и мощности перечислены ниже:
-
НС-13 – ТДТНГУ-220/35/6 – 20000кВА;
-
НС-14 – ТДТНГУ-220/35/6 – 20000кВА;
-
НС-15 – ТДТНГУ-220/35/6 – 20000кВА;
-
НС-16 – ТДТНГУ-220/35/6 – 20000кВА;
-
НС-17 – ТДТНГУ-220/35/6 – 20000кВА;
-
НС-18 – ТДТНГУ-220/35/6 – 20000кВА;
-
НС-19 – КРУН-6кВ;
-
НС-1 г. Астана – ТДН-110/6 – 10000кВА;
-
НС-2 г. Астана – ТДН-110/6 – 10000кВА;
-
НС-20 – ТДН-110/6 – 15000кВА;
-
НС-21 – ТДН-110/6 – 15000кВА;
-
НС-22 – ТДН-110/6 – 15000кВА.
На НС установлены дренажные насосы, для того чтобы в случае превышения допустимого уровня нижнего бьефа откачивать воду. Измерение уровня нижнего бьефа осуществляется с помощью колодца измерения нижнего бьефа.
Для измерения напора воды, поступающей в приемный бассейн, используется манометр, установленный на напорном трубопроводе.
Напорный металлический трубопровод диаметром 2600 мм служит для транспортировки воды из нижнего бьефа (от НА) – к приемному бассейну – верхнему бьефу НС.
В приложении А приведен список измеряемых аналоговых величин (для НС-22).
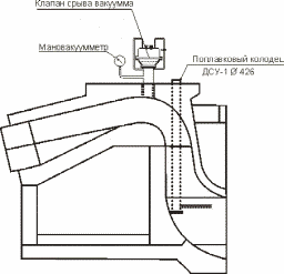
На рисунке 1.4 изображены приборы для измерения уровня верхнего бьефа и разряжения в сифоне.
Рисунок 1.4 – Измерение уровня верхнего бьефа и разряжения в сифоне
На напорной трубе установлен КСВ. КСВ предназначен:
а) для удаления воздуха из напорного трубопровода при заполнении его водой при пуске агрегата, то есть сообщения трубопровода с атмосферой;
б) для разобщения напорного трубопровода с атмосферой и создания зоны разряжения в сифонном В/в приемного бассейна при работе агрегата;
в) для срыва вакуума и впуска атмосферного воздуха в сифон при отключении НА для разрыва обратного водного потока из верхнего бьефа и сокращения времени работы агрегата в угонном режиме.
Установка клапанов срыва вакуума состоит из:
-
собственных клапанов – 1 пара на трубопровод;
-
рычажно-эксцентрикового механизма привода;
-
электрического тормоза;
-
груза;
-
аппаратуры управления.
На НС канала установлены КСВ мембранного типа с электромагнитным управлением КСВМ-600. Клапан представляет собой мембранный запорный орган, мембранная полость которого соединена с полостью сифона через управляемый электромагнитный вентиль. Клапан КСВМ-600 оборудован двумя такими вентилями, включенными параллельно.
На рисунке 1.4 показан внешний вид КСВ.
На данный момент сообщение, как внутри НС, так и станции с объектами вышестоящих уровней, осуществляется с помощью телефонной связи [3].
1.3 Анализ существующих элементов АСУ ТП насосных станций
Так как РГП «Канал им. К. Сатпаева» только начинает внедрять АИИС КУЭ, то на сегодняшний день на предприятии установлены только счетчики для коммерческих и технических точек учета электроэнергии. На НС РГП «Канал им. К. Сатпаева» установлены счетчики производства Нижегородского завода им. Фрунзе – ПСЧ-4ТА.04.2 и СЭТ-4ТМ.02.
Счетчики ПСЧ-4ТА.04.2 являются трехфазными многотарифными цифровыми счетчиками с последовательным цифровым интерфейсом передачи данных RS-485, трансформаторного подключения, прямого направления активной энергии. Счетчики применяются для ТСН. Подключение к измерительным трансформаторам проводилось кабельным проводом согласно требованиям раздела 5 Электросетевых правил РК.
Данные микропроцессорные электросчетчики являются модификацией базового счетчика ПСЧ-4 и позволяют перейти на расчет за потребленную электроэнергию по тарифным зонам, по фактически потребляемой мощности с использованием интерфейса связи. Предназначены для учета потребляемой активной электроэнергии переменного тока частотой 50 Гц в трёхпроводных и черырехпроводных сетях для жилищно-коммунального хозяйства, офиса, промышленного производства, энергосистем.
В таблице 1.5 приведены технические характеристики ПСЧ-4ТА.04.2.
Таблица 1.5 – Технические характеристики ПСЧ-4ТА.04.2
| Основные электрические параметры | Значения |
| Номинальное напряжение (Uном), В | 3х57.7/100 |
| Рабочий диапазон, В | 0.85-1.1 Uном |
| Предельный диапазон, В | 0.8-1.15 Uном |
| Номинальная сила тока, А | 5 |
| Максимальная сила тока, А | 7.5 |
| Класс точности, - | 0.5 |
| Частота в сети, Гц | 50±2.5 |
| Порог чувствительности, мА | 0.5 |
| Межпроверочный интервал, лет | 6 |
| Средний срок службы счетчика до капитального ремонта, лет | 30 |
| Установленный и предельный диапазон рабочих температур, 0С | от –40 до + 55 |
Внешний вид счетчика ПСЧ-4ТА.04.2 показан на рисунке 1.5.
















